Transportul pneumatic al peleților APS 250, APS 250 S, APS 250 SPX, APS 500 constă în instalații compacte care servesc pentru alimentarea confortabilă a cazanului cu peleți din rezervorul de dimensiuni mari amplasat în afara centralei termice. Rezervorul este format din spații de depozitare libere din casă sau în afara obiectivului de încălzit. Drept rezervor se utilizează des un siloz din material textil care se instalează rapid și ușor.
Transportul pneumatic al peleților se compune dintr-un rezervor de compensare având o capacitate de 250 / 500 l (cu excepția APS 250 S (SPX) – fără rezervor), un rezervor special de separare având un ventilator de aspirație încorporat și un senzor rotativ de citire a nivelului de peleți.
Totul este comandat prin reglaj electronic AC21 și AC19 cu un afișaj pentru a afișa starea și activitatea curentă.
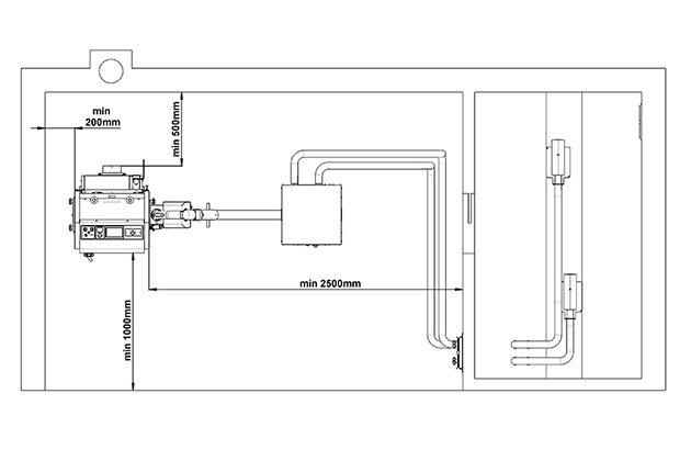
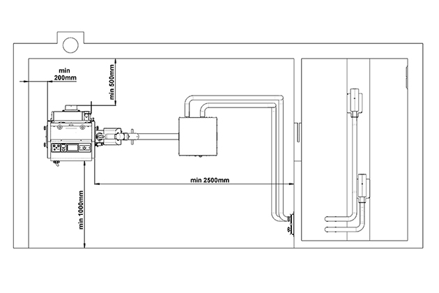
Transportul pneumatic compact de peleți, ATMOS APS 250/500, cu rezervor de compensare este destinat caznelor având o putere de la 5 până l 80 kW. Posibilitate de pompare de până la 15 m (2x 15 m).
Diametru furtun antistatic armat: 50/51 mm (nu este inclus)
Tipuri de transport pneumatic
Transport pneumatic de pelete ATMOS APS 250
roșu – cod: H0550
albastru – cod: H0551
Transport pneumatic de pelete ATMOS APS 250 S – separat (set fără rezervor)
– setul contine o piesa intermediara (cadru) pentru atasarea la orice rezervor
roșu – cod: H0313
albastru – cod: H0314
Transport pneumatic de pelete ATMOS APS (150) 250 SPX / APS 250 SPX2 – samostatná (sada bez nádrže pro DxxPX)
– setul contine o piesa intermediara (cadru) pentru montare pe un cazan DxxPX
roșu/cenușiu închis (APS 150 SPX) – D10PX – cod: H0563
cenușiu închis/roșu (APS 250 SPX) – D15PX, D20PX – cod: H0317
cenușiu închis/roșu (APS 250 SPX2) – D25PX – cod: H0319
Transport pneumatic de pelete ATMOS APS 250 SPK3 – separat (set fără rezervor)
– setul contine o piesa intermediara (cadru) pentru atasarea doar la rezervorul AZPD 400 / AZPU 400
roșu – cod: H0323
albastru – cod: H0324
Transport pneumatic de pelete ATMOS APS 500 – pentru doua cazane (conveioare si arzatoare)
roșu – cod: H0315
albastru – cod: H0316
Opțiuni de conexiune
- Opțiuni de instalare APS 250
- Transport pneumatic de pelete
- Camera cazanelor – 2 sonde
- Posibilitatea utilizării revistei de transport pneumatic și a peletelor textile
- Transport pneumatic APS 500 – doua cazane
- Exemplu de rezervor cu aspirație peleți în mai multe puncte la transportul pneumatic
- Exemplu de rezervor cu aspirație peleți în mai multe puncte la transportul pneumatic
Accesorii
Furtun antistatic având un diametru de 50 mm – a 1 m – cod: H0112
Furtun special pentru interconexiunea ventilatorului de aspirație cu rezervorul (de exemplu, ATZ). Lungimea necesară a furtunului este întotdeauna dublul distanței între rezervorul mare (de exemplu, ATZ) și alimentatorul pneumatic.
Furtunul se livrează în următoarele lungimi – 12.5 m și 25 m. Prețul unui metru de furtun.
Sondă pneumatică – cod: H0511

- este destinată aspirației în mai multe puncte a peleților din rezervorul având fundul drept (oblic)
- furtun antistatic având un diametru de : 50/51 mm
- dimensiune de bază: lățime x înălțime x adâncime = 200 x 153 x 423
Repartitorul transportului pneumatic – 2 circuite – cod: H0542

- este destinat transportului pneumatic al pelețior în cazul utilizării a două sonde pneumatice (H0511) în rezervorul având fundul drept (oblic).
- Servește pentru comutarea (schimbarea) locului de aspirație în rezervor.
- În cazul unui număr mai mare de sonde, repartitoarele se pot așeza unul lângă altul.
Repartitorul transportului pneumatic – 3 circuite – cod: H0543

- este destinat transportului pneumatic al pelețior în cazul utilizării a trei sonde pneumatice (H0511) în rezervorul având fundul drept (oblic).
- Servește pentru comutarea (schimbarea) locului de aspirație în rezervor.
- În cazul unui număr mai mare de sonde, repartitoarele se pot așeza unul lângă altul.
Coturi si cuplaje pentru furtunuri pneumatice de transport
- genunchi 30° cod: H0567

- genunchi 45° cod: H0568
- genunchi 90° cod: H0569
- cuplaj de furtun – Ø 50 mm cod: H0570
- clemă de furtun cod: H0571 pentru Ø 50 – 70 mm
Mole – o sondă în mișcare pentru extracția peletelor – cod: H0293

- sistemul de extracție a peletelor din lemn Krtek – Maulwurf este proiectat pentru transportul peleților dintr-un rezervor mare în sala cazanelor prin intermediul transportului pneumatic de pelete ATMOS.
Descărcați











