Les transports pneumatiques des pellets APS 250, APS 250 S, APS 250 SPX, APS 500 sont des dispositifs compacts permettant d’alimenter confortablement la chaudière avec granulés de bois à partir d’un grand réservoir de stockage situé à l’extérieur de la chaufferie. Le réservoir qui est créé à partir d’espaces de stockage libres dans la maison ou à l’extérieur de l’objet chauffé. Un silo textile est aussi très souvent utilisé comme réservoir, ce qui permet une installation simple et rapide.
Le transport pneumatique des pellets se compose d’un réservoir tampon de 250 / 500 l (sauf APS 250 S / SPX – sans réservoir), d’un réservoir de séparation spécial avec ventilateur d’aspiration intégré et d’un capteur rotatif de niveau de granulés de bois.
Le tout est contrôlé par une régulation électronique AC21 et AC19 avec un écran permettant d’afficher l’état et l’activité en cours.
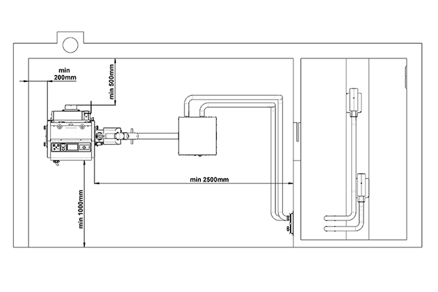
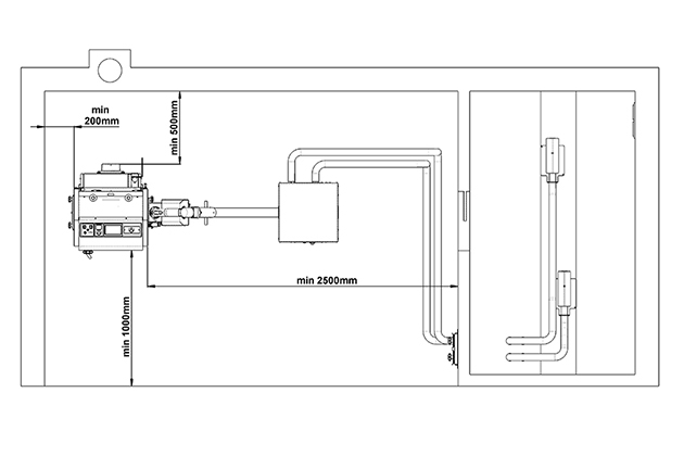
Le transport pneumatique compact de granulés de bois ATMOS APS 250/500 avec réservoir tampon est conçu pour des puissances de chaudière de 5 à 80 kW. La possibilité de pomper jusqu’à une longueur de tuyaux allant jusqu’à 15 m (2 x 15 m).
Diamètre du tuyau antistatique renforcé : 50/51 mm (non inclus)
Types de transport pneumatique
Transport pneumatique de granulés de bois ATMOS APS 250
rouge – code: H0550
bleu – code: H0551
Transport pneumatique de granulés de bois ATMOS APS 250 S – individuel (ensemble sans réservoir)
– l’ensemble comprend une pièce intermédiaire (cadre) pour la fixation à n’importe quel réservoir
rouge – code: H0313
bleu – code: H0314
Transport pneumatique de granulés de bois ATMOS APS (150) 250 SPX / APS 250 SPX2 – individuel (ensemble sans réservoir pour DxxPX)
– l’ensemble comprend une pièce intermédiaire (cadre) pour la fixation à la chaudière DxxPX
rouge/gris foncé (APS 150 SPX) – D10PX – code: H0563
gris foncé/rouge(APS 250 SPX) – D15PX, D20PX – code: H0317
gris foncé/rouge(APS 250 SPX2) – D25PX – code: H0319
Transport pneumatique de granulés de bois ATMOS APS 250 SPK3 – individuel (ensemble sans réservoir)
– l’ensemble contient une pièce intermédiaire (cadre ) pour la fixation uniquement au réservoir AZPD 400 / AZPU 400
rouge – code: H0323
bleu – code: H0324
Transport pneumatique de granulés de bois ATMOS APS 500 – pour deux chaudières (convoyeurs et brûleurs)
rouge – code: H0315
bleu – code: H0316
Possibilités de raccordement
- Transport pneumatique – duplex
- Transport pneumatique des granulés de bois
- Chaufferie – 2 capteurs
- Raccordement de la chaufferie avec un silo externe
- Transport pneumatique APS 500 – deux chaudières
- Chaufferie et silo à granulés avec aspiration multipoint de granulés avec alimentateur pneumatique
- Chaufferie et silo à granulés avec aspiration multipoint de granulés avec alimentateur pneumatique
Accessoires
Tuyau antistatique d’un diamètre de 50 mm – á 1 m – code: H0112
Tuyau spécial pour le raccordement entre le ventilateur d’aspiration et le réservoir (par exemple ATZ). La longueur requise du tuyau est toujours le double de la distance entre le grand réservoir (par exemple ATZ) et l`alimenteur pneumatique
Le tuyau est fourni dans les longueurs de 12,5 m et 25 m.
Le capteur pneumatique – code: H0511
- est conçu pour l’aspiration multipoint des granulés de bois à partir du réservoir à fond plat (incliné)
- diamètre du tuyau antistatique renforcé : 50/51 mm
- dimension de base : 200 x 153 x 423 (largeur x hauteur x profondeur)
Distributeur de transport pneumatique – 2 circuits – code: H0542
- est conçu pour le transport pneumatique de granulés de bois lors de l’utilisation de deux capteurs pneumatiques (H0511) dans un réservoir à fond plat (incliné).
- Il est utilisé pour transférer (changer) le point d’aspiration dans le réservoir.
- Avec un plus grand nombre de capteurs, il est possible de disposer les distributeurs les uns à côté des autres.
Distributeur de transport pneumatique – 3 circuits – code: H0543
- est conçu pour le transport pneumatique de granulés de bois lors de l’utilisation de trois capteurs pneumatiques (H0511) dans un réservoir à fond plat (incliné).
- Il est utilisé pour transférer (changer) le point d’aspiration dans le réservoir.
- Avec un plus grand nombre de capteurs, il est possible de disposer les distributeurs les uns à côté des autres.
Coudes (courbes) et raccords pour tuyaux de transport pneumatique
- coude 30° code: H0567

- coude 45° code: H0568
- coude 90° code: H0569
- raccord de tuyau – Ø 50 mm code: H0570
- collier de serrage de tuyau code: H0571 pour Ø 50 – 70 mm
Môle – capteur mobile pour extraire les granulés de bois – code: H0293
- le système d’extraction pour granulés de bois Môle – Maulwurf est conçu pour le transport de granulés d’un grand réservoir de stockage vers la zone de la chaufferie à l’aide du transport pneumatique de granulés de bois ATMOS.
Ke stažení











