Seria de cazane combinate ATMOS DC18SP, DC25SP, DC30SPX, DC32SP permite arderea ecologică a lemnului pe principiul gazificării generatorului în combinație cu un arzător pe peleți. Cazanul permite comutarea combustibilului, încălzirea manuală a lemnului și încălzirea complet automată pe peleți. Dacă este necesar, puteți, desigur, să cumpărați un cazan fără arzător, cu condiția ca clientul să îl cumpere ulterior sau să îl folosească de la ultimul cazan.
- Informații tehnice
-
Avantajele cazanelor ATMOS
- posibilitatea de combinare separată a tipurilor de combustibil – alternarea combustibililor fără a face modificări la cazan: lemne + pelete
- eficienţă mare pentru fiecare tip de combustibil – practic, identică cu cea a cazanelor speciale pe petrol lampant, pe sau pe peleţi (până la 92,3 % la randamentul nominal)
- soluţionare mai ieftină – dacă adunăm cheltuielile necesare achiziţionării a două cazane, şi racordarea lor la coş de fum, ne dăm seama că un singur cazan, chiar dacă mai scump, este mult mai avantajos din punct de vedere economic
- spaţiu mic de amplasare şi exploatare – comparativ cu mai multe cazane
- un coş de fum şi un canal de ful
- exploatare ecologică – cazan conform ČSN EN 303-5 clasa 5, EKODESIGN 2015/1189
- opțiune ușă stânga/dreapta
- cazanul este echipat cu funcția de pornire automată a arzătorului de pelete după arderea lemnului
- DC18SP, DC25SP, DC30SPX, DC32SP
- DC40SPT
Instalare
- Cazan cu rezervor compact AZPD și transport pneumatic APS250S
- Cazan DCxxSP cu rezervor compact AZPD 300 C cu un volum de 300 l. In acest rezervor se depoziteaza 195 kg peleti.
- Cazanul DCxxSP cu rezervor standard pentru pelete 500 l
- Cazan DCxxSP cu rezervoare de acumulare și control echitermic ACD 03
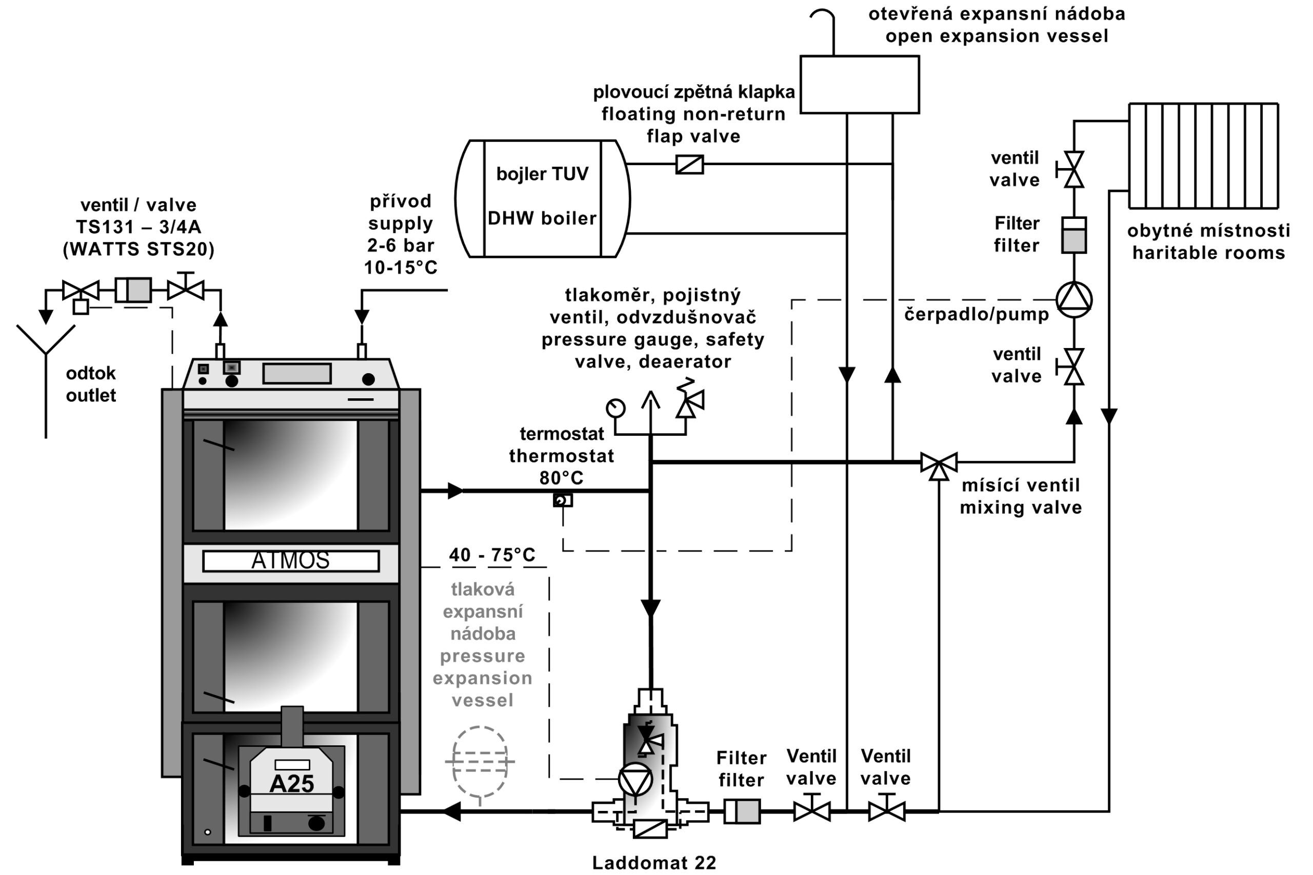
- Cazan DCxxSP cu Laddomat 22
Racordarea recomandată este racordarea cu Laddomat 22 sau cu valvă de termoreglare cu rezervor de compensare având volumul de la 500 până la 1000 l. O altă posibilitate o reprezintă instalarea cazanului împreună cu un rezervor de acumulare având volumul necesar (de ex. 2000 l), care, în plus, permite încălzirea cu electricitate de acumulare sau racordarea la colectoare solare.
Reglarea cazanului
Pentru a se atinge temperatura solicitată a apei de ieşire, în aşa fel încât să se asigure o eficienţă cât mai mare a cazanului i cea mai bună calitate a arderii, exploatarea cazanului este comandată complet automat. Pentru aceasta servesc:
- Regulatorul de tiraj HONEYWELL
- Termostatul reglabil
- Termostatul pentru gazele de ardere
- Termostatul pentru pompă
- Întrerupătorul principal şi comutatorul de exploatare a cazanului
În modelul 2018/2019, cazanele și arzătoarele DCxxSP(X) și CxxSP sunt echipate cu funcția de închidere automată sau de deschidere a orificiului de admisie a aerului către cazan / arzător, cu ajutorul unui dispozitiv de acționare, atunci când se încălzește cu lemn sau pelete.
Cazanele sunt echipate cu senzorul de temperatură a gazelor de ardere AGF3 și senzorul de temperatură a apei din boiler KTF20 pentru pornirea automată a arzătorului după arderea lemnului. În plus, cazanele sunt echipate cu doi senzori (TV și TS) KTF20 pentru controlul arzătorului în funcție de două temperaturi în rezervorul de acumulare. Întregul set este astfel vândut la cel mai bun mod, pentru modul complet automat și pentru instalarea simplă a “plug and play“.
- Bucla de răcire cazan
- Exhaustor și gură de fum
- Actuatorul BELIMO și amortizorul de aer
- Panoul de comandă al cazanului cu reglare standard
Construcþia panoului:
Întrerupător general, termostat de siguranţă, termometru, termostat de reglare şi termostat gaze arse
Reglarea electromecanică este soluþia optimă pentru comanda simplă a funcţionării cazanului (ventilatorului). Execuþia panoului de reglaj standard este execuþia de bază pentru toate cazanele fabricate
Reglementare echitermală ACD 03
Fiecare cazan poate fi echipat cu un control electronic tactil modern ATMOS ACD 03 pentru controlul intregului sistem de incalzire in functie de temperatura exterioara, temperatura camerei si timp. Această reglare este capabilă să controleze centrala în sine cu un ventilator cu multe alte funcții.
- Panou de comanda cazan cu reglare echitermica ATMOS ACD 03
Informații tehnice
- Cazane DCxxSP(X)
| Legendă ilustrație cazan | |||
| 1. | Corpul cazanului | 25. | Termoizolaţie uşă – Sibral |
| 2. | Uşiţa de umplere | 26. | Şnur etanşare uşă 18 x 18 |
| 3. | Uşă de evacuare a cenuşii | 27. | Piesă ceramică refractară – tip semilună (ecran ușă) |
| 4. | Ventilator – exhaustor | 28. | Arzătorul de peleţi ATMOS A25 |
| 5. | Piesă ceramică refractară – duză de aer |
29. | Reglarea raportului de aer primar |
| 6. | Panou de control | 30. | Reglarea raportului de aer secundar |
| 7. | Termostat de siguranţă (Atenţie – trebuie apăsat la supraîncălzire) | 31. | Piesă ceramică refractară – cameră sferică – lemne |
| 8. | Clapetă de reglare | 32. | Piesă ceramică refractară – partea din spate a camerei sferice – lemne |
| 9. | Piesă ceramică refractară – prelungirea spaţiului circular – peleţi |
33. | Termostat pe pompă |
| 10. | Piesă ceramică refractară – cameră sferică – peleţi |
34. | Siguranta 6,3 A – T6, 3A/1500 – tipul H |
| 11. | Etanşarea duzei – 12 x 12 | 35. | Termostat gaze arse |
| 12. | Uşiţă – pentru arzătorul cu peleţi | 36. | Întrerupător (comutator) I – 0 – II |
| 13. | Clapetă de aprindere | 37. | Întrerupător uşă |
| 14. | Piesă ceramică refractară – partea din spate a camerei sferice – peleţi |
38. | Condensator pentru exhaustor – 1 μF |
| 15. | Capac de curăţare | 39. | Garnitură de sibral sub arzătorul de peleţi |
| 16. | Ecran | 40. | Locul de măsurări pentru analizatorul gazelor de ardere |
| 17. | Mânerul clapetei de aprindere | 41. | Servomotor Belimo cu clapetă |
| 18. | Termometru | 42. | Modul AD03 |
| 19. | Ecranul cadrului | ||
| 20. | Întrerupător cu lampă de control | K | – canalul de fum |
| 21. | Element de turbionare (doar la DC30SPX) | L | – Ieşirea apei din cazan |
| 22. | Regulator de tiraj – Honeywell FR124 | M | – Intrarea apei în cazan |
| 23. | Serpentină de răcire contra supraîncălzirii | N | – Racord pentru robinetul de umplere |
| 24. | Termostat de reglare | P | – Racord pentru senzorul ventilatorului care comandă bucla de răcire (TS 131, STS 20) |
- Cazan DC40SPT
| Legendă ilustrație cazan DC40SPT | |||
| 1. | Corpul cazanului | 26. | Şnur etanşare uşă 18 x 18 |
| 2. | Uşiţa de umplere | 27. | Piesă ceramică refractară – tip semilună (ecran ușă) – peleţi |
| 3. | Uşă de evacuare a cenuşii | 28. | Arzătorul de peleţi ATMOS A45 SPT |
| 4. | Ventilator – exhaustor | 29. | Piesă ceramică refractară – partea laterală a focarului |
| 5. | Piesă ceramică refractară – duză de aer |
31. | Piesă ceramică refractară – cameră sferică – lemne |
| 6. | Panou de control | 32. | Piesă ceramică refractară – partea din spate a camerei sferice – lemne |
| 7. | Termostat de siguranţă (Atenţie – trebuie apăsat la supraîncălzire) | 33. | Piesă ceramică refractară – prelungirea spaţiului circular – lemne |
| 8. | Clapetă de reglare | 34. | Termostat pe pompă |
| 9. | Piesă ceramică refractară – prelungirea spaţiului circular – peleţi |
35. | Siguranta 6,3 A – T6, 3A/1500 – tipul H |
| 10. | Piesă ceramică refractară – cameră sferică – peleţi |
36. | Termostat gaze arse |
| 11. | Etanşarea duzei – 12 x 12 | 37. | Întrerupător (comutator) I – 0 – II |
| 12. | Uşiţă – pentru arzătorul cu peleţi | 38. | Întrerupător uşă |
| 13. | Clapetă de aprindere | 41. | Garnitură de sibral sub arzătorul de peleţi |
| 14. | Piesă ceramică refractară – partea din spate a camerei sferice – peleţi |
42. | Locul de măsurări pentru analizatorul gazelor de ardere |
| 15. | Capac de curăţare | 43. | Ecran de ușă |
| 16. | Schimbător de căldură cu tuburi | 44. | Modul AD03 |
| 17. | Mânerul clapetei de aprindere | 45. | Piesă ceramică refractară – extensie duzei (cub) |
| 18. | Termometru | 46. | Condensator pentru exhaustor – 1 μF |
| 19. | Ecranul cadrului | ||
| 20. | Întrerupător cu lampă de control | ||
| 21. | Supapă de control – servomotor BELIMO | K | – canalul de fum |
| 22. | Regulator de tiraj – Honeywell FR124 | L | – Ieşirea apei din cazan |
| 23. | Serpentină de răcire contra supraîncălzirii | M | – Intrarea apei în cazan |
| 24. | Termostat de reglare | N | – Racord pentru robinetul de umplere |
| 25. | Termoizolaţie uşă – Sibral | P | – Racord pentru senzorul ventilatorului care comandă bucla de răcire (TS 131, STS 20) |
| Dimensiuni (mm) | |||||
| DC18SP | DC25SP | DC30SPX | DC32SP | DC40SPT | |
| A | 1695 | 1695 | 1695 | 1772 | 1755 |
| B1 | 757 | 957 | 957 | 957 | 1230 |
| B2 | 1301 | 1501 | 1501 | 1501 | 1792 |
| C | 643 | 643 | 643 | 678 | 680 |
| D | 1375 | 1375 | 1375 | 1448 | 1445 |
| E | 150 / 152 | 150 / 152 | 150 / 152 | 150 / 152 | 150 / 152 |
| F | 65 | 65 | 65 | 70 | 87 |
| G | 207 | 207 | 207 | 184 | 204 |
| H | 1436 | 1436 | 1436 | 1507 | 1507 |
| CH | 212 | 212 | 212 | 212 | 256 |
| I | 212 | 212 | 212 | 212 | 256 |
| J | 6/4″ | 6/4″ | 6/4″ | 6/4″ | 6/4″ |
| Date tehnice | Tipul cazanului |
|||||
| DC18SP | DC25SP | DC30SPX | DC32SP | DC40SPT | ||
| Putere termică cazan – cu peleţi – cu lemne |
kW | 4,5 – 15 20 |
6 – 20 27 |
6 – 20 30 |
6 – 20 35 |
9 – 30 40 |
| Putere consumată cazan – cu peleţi – cu lemne |
kW | 4,9 – 16,2 22,2 |
6,5 – 21,9 27 |
6,5 – 21,9 33,4 |
6,5 – 21,9 39,4 |
9,7 – 32,3 43,9 |
| Suprafaţa de încălzire | m2 | 2,5 | 3,3 | 3,3 | 3,8 | 4,9 |
| Volumul rezervorului de combustibil | dm3 (l) | 66 | 100 | 100 | 140 | 160 |
| Dimensiunea uşii de alimentare | mm | 450 x 260 | 450 x 260 | 450 x 260 | 450 x 260 | 450 x 260 |
| Tirajul necesar al coşului – cu peleţi – cu lemne |
Pa / mbar | 15 / 0,15 20 / 0,20 |
18 / 0,18 23 / 0,23 |
18 / 0,18 23 / 0,23 |
18 / 0,18 24 / 0,24 |
20 / 0,20 22 / 0,22 |
| Suprapresiunea max. de lucru a apei | kPa / bar | 250 / 2,5 | 250 / 2,5 | 250 / 2,5 | 250 / 2,5 | 250 / 2,5 |
| Greutatea cazanului | kg | 435 | 531 | 537 | 596 | 768 |
| Diametru racordare coş | mm | 150 / 152 | 150 / 152 | 150 / 152 | 150 / 152 | 150 / 152 |
| Clasă de protecţie electrică | IP | 20 | 20 | 20 | 20 | 20 |
| Putere electrică consumată (auxiliară) – pornire – cu peleţi (max.) – în cursul exploatării – cu peleţi (max.) – în cursul exploatării – cu lemne |
W | 522 (572) / 1042 (1092) 42 (92) 50 |
572 / 1092 97 50 |
|||
| Putere electrică consumată în starea de stand-by | W | 3,3 | 3,3 | 3,3 | 3,3 | 3,3 |
| Regim de aprindere |
automat / manual | |||||
| Randamentul cazanului – cu peleţi – cu lemne |
% | 92,5 90,1 |
91,2 89,9 |
91,2 89,9 |
91,2 88,9 |
92,8 91,0 |
| Clasa cazanului | 5 | 5 | 5 | 5 | 5 | |
| Categorie cazan | 1 | |||||
| Regim de operare | fără condensare | |||||
| Cazan pe combustibil solid cu unitate de cogenerare | Nu | |||||
| Echipament combinat și pentru încălzirea apei calde | Nu | |||||
| Clasa de eficiență energetică | A+ | A+ | A+ | A+ | A+ | |
| Temperatura gazelor de ardere la puterea nominală – cu peleţi – cu lemne |
°C | 109 157 |
139 177 |
139 177 |
139 185 |
116 147 |
| Temperatura gazelor arse / tiraj pentru calcularea traseului gazelor arse (coș de fum) – cu lemne |
°C / Pa | 177 / 20 |
197 / 23 |
197 / 23 |
205 / 24 |
167 / 22 |
| Debit substanţial al gazelor de ardere la puterea nominală – cu peleţi – cu lemne |
kg / s | 0,008 0,012 |
0,011 0,014 |
0,011 0,017 |
0,011 0,020 |
0,017 0,023 |
| Combustibil reglementar pentru încărcare manuală | lemne uscate (butuci) cu putere calorică 15 – 17 MJ.kg-1 conţinut de apă 12 – 20 %, diametru 80 – 150 mm | |||||
| Combustibil pentru încărcare automată – pelete | pelete de calitate superioara cu diametrul de 6 – 8 mm, lungimea de 10 – 40 mm si putere calorica de 15 – 18 MJ.kg-1 | |||||
| Consum mediu de combustibil – la puterea nominală de – cu lemne | kg.o-1 | 5,6 | 7,2 | 7,6 | 9,2 | 10,1 |
| În sezon | 1 m3 / 1 kW de putere nominală |
|||||
| Lungimea prescrisă de lemn | mm | 330 | 530 | 530 | 530 | 730 |
| Timp de ardere continuă la putere nominală – lemne | ore | 2 | 3 | 2 | 2 | 2,5 |
| Volumul apei din cazan | l | 78 | 109 | 109 | 160 | 131 |
| Pierderi de presiune în cazan | mbar | 0,22 | 0,23 | 0,23 | 0,23 | 0,23 |
| Volumul minim al rezervorului tampon | l | 500 | 500 | 500 | 500 | 750 – pelete 2200 – lemne |
| Tensiune de alimentare | V / Hz | 230 / 50 |
||||
| EKODESIGN | Da | Da | Da | Da | Da | |
| Temperatura minimă obligatorie a apei din retur la funcţionarea cazanului este de 65 °C. |
||||||
| Temperatura obligatorie de lucru a cazanului este de 80 – 90 °C. |
||||||
Arzătorul
Arzătorul pe peleți utilizat la cazanele DC18SP, DC25SP, DC30SPX, DC32SP, DC40SPT
Arzător de peleți ATMOS A25 (pentru modele DCxxSP(X) – cod: H0048
Arzător de peleți ATMOS A45 (pentru modele DC40SPT – cod: H0352
Arzatoarele in varianta DCxxSP(X)(T) sunt dotate cu functia de inchidere sau deschidere automata a sursei de aer a arzatorului, prin intermediul unui servomotor, la incalzirea cu lemne sau peleti.
Combustibil prescris: pelete de lemn de calitate (albe) cu diametrul 6 până la 8 mm, lungimea 5 până la 25 mm şi cu putere calorică 16 – 19 MJ.kg-1.
Ecranul arzătorului: serveşte la afişarea stării curente a arzătorului şi la setarea funcţiilor acestuia
Comanda arzătorului: cu dispozitiv electronic de reglaj AC07X, care manevrează funcţionarea transportorului exterior, a două spirale de aprindere şi a ventilatorului conform cerinţelor cazanului şi sistemului de încălzire. Electronica este asigurată cu termostatul de siguranţă al cazanului, cu termostatul de siguranţă la alimentarea peletelor în arzător, cu senzorul de turaţie al ventilatorului şi cu fotocelula pentru controlul flăcării. Funcţionarea arzătorului este semnalizată pe ecranul dispozitivului electronic de reglare.
Aprinderea combustibilului: automată cu ajutorul a două spirale electrice de aprindere.
Funcţia de bază a arzătorului:
Posibilitatea utilizării a două ieşiri de rezervă R şi R2 pentru diferite aplicaţii
Posibilitatea conectării a patru senzori diferiţi TS, TV, TK şi TSV
TS – senzor inferior pe rezervor
TV – senzor superior pe rezervor
TK – senzorul cazanului sau senzorul de mijloc de pe rezervor
TSV – senzorul gazelor arse sau al panoului solar
- manevrarea arzătorului în funcţie de două temperaturi pe rezervorul de echilibrare
- manevrarea ventilatorului cazanului din arzător cu ajutorul ieşirii de rezervă
- manevrarea pompei cazanului din arzător cu ajutorul ieşirii de rezervă
- comanda instalaţiei solare direct de la rezervor
- startul automat al arzătorului după arderea totală a lemnelor la cazanele DCxxSP(X)(T)
Arzatoarele sunt destinate numai peleților de calitate din lemn moale fără coaja, diametrul 6 – 8 mm, lungimea 10 – 40 mm și valoarea încălzirii 15 – 18 MJ.kg-1. Arzătorul nu este destinat pentru peletele care sunt coapte în camera de ardere a arzătorului. În acest caz, camera de combustie a arzătorului trebuie curățată o dată pe zi.
Pentru arzătorul ATMOS A25 sunt destinate următoarele transportoare:
- Transportor cu melc pentru arzătorul ATMOS A25 tip DA1500 de o lungime de 1,5 m şi un diametru de 75 mm
- Transportor cu melc pentru arzătorul ATMOS A25 tip DA2000 de o lungime de 2 m şi un diametru de 75 mm
- Transportor cu melc pentru arzătorul ATMOS A25 tip DA2500 de o lungime de 2,5 m şi un diametru de 75 mm
- Transportor cu melc pentru arzătorul ATMOS A25 tip DA3000 de o lungime de 3 m şi un diametru de 75 mm
- Transportor cu melc pentru arzătorul ATMOS A25 tip DA4000 de o lungime de 4 m şi un diametru de 75 mm
Pentru arzătorul ATMOS A45 sunt destinate următoarele transportoare:
- Transportor cu melc pentru arzătorul ATMOS A25 tip DA1500 de o lungime de 1,7 m şi un diametru de 80 mm
- Transportor cu melc pentru arzătorul ATMOS A25 tip DA2500 de o lungime de 2,5 m şi un diametru de 80 mm
- Transportor cu melc pentru arzătorul ATMOS A25 tip DA3000 de o lungime de 4 m şi un diametru de 80 mm
- Transportor cu melc pentru arzătorul ATMOS A25 tip DA4000 de o lungime de 5 m şi un diametru de 80 mm







