Pneumatyczny transport pelet APS 250, APS 250 S, APS 250 SPX, APS 500 to kompaktowe urządzenia służące do wygodnego załadowania kotła peletami z dużego zbiornika umieszczonego poza kotłownią. Zbiornik, który jest utworzony z wolnych przestrzeni w budynku lub poza ogrzewanym obiektem. Jako zbiornika używa się bardzo często również silosu materiałowego, umożliwiającego prostą i szybką instalację.
Pneumatyczny transport pelet składa się ze zbiornika wyrównawczego o pojemności 250 / 500 l (oprócz APS 250 S (SPX) – brak zbiornika), specjalnego zbiornika oddzielającego z wbudowanym wentylatorem ssącym i z czujnika obrotowego poziomu pelet.
Całość jest sterowana za pośrednictwem regulacji elektronicznej AC21 i AC19 z wyświetlaczem do wyświetlania aktualnego stanu i czynności.
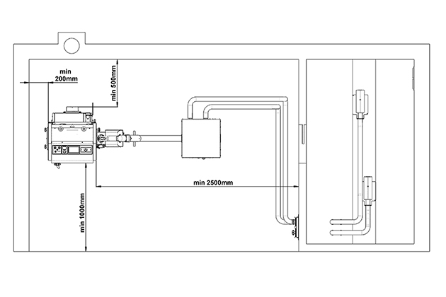
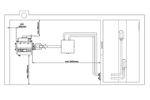
Kompaktowy pneumatyczny transport pelet ATMOS APS 250/500 ze zbiornikiem wyrównawczym jest przeznaczony do kotłów o mocy od 5 do 80 kW. Możliwość czerpania do długości przewodów do 15 m (2x 15 m).
Średnica wzmocnionego przewodu antystatycznego: 50/51 mm (nie stanowi części dostawy)
Rodzaje transportu pneumatycznego
Pneumatyczny transport pelet ATMOS APS 250
czerwony – kod: H0550
niebieski – kod: H0551
Pneumatyczny transport pelet ATMOS APS 250 S – oddzielny (zestaw bez zbiornika)
– zestaw zawiera element pośredni (ramkę) do zamocowania na jakikolwiek zbiornik
czerwony – kod: H0313
niebieski – kod: H0314
Pneumatyczny transport pelet ATMOS APS (150) 250 SPX / APS 250 SPX2 – oddzielny (zestaw bez zbiornika do kotłów DxxPX)
– zestaw zawiera element pośredni (ramkę) do zamocowania na kotły DxxPX
czerwony/ciemnoszary (APS 150 SPX) – D10PX – kod: H0563
ciemnoszary/czerwony (APS 250 SPX) – D15PX, D20PX – kod: H0317
ciemnoszary/czerwony (APS 250 SPX2) – D25PX – kod: H0319
Pneumatyczny transport pelet ATMOS APS 250 SPK3 – oddzielny (zestaw bez zbiornika)
– zestaw zawiera element pośredni (ramkę) do zamocowania tylko do zbiornika AZPD 400 / AZPU 400
czerwony – kod: H0323
niebieski – kod: H0324
Pneumatyczny transport pelet ATMOS APS 500 – na dwa kotły (przenośniki i palniki)
czerwony – kod: H0315
niebieski – kod: H0316
Opcje połączenia
- Opcje instalacji APS 250
- Pneumatyczny transport pelet
- Kotłownia – 2 sondy
- Możliwości zastosowania transportu pneumatycznego i zbiornika materiałowego pelet
- APS 500 do dwóch kotłów
- Kotłownia i silos na pellet z wielopunktowym zassaniem pelletu z podajnikiem pneumatycznym
- Kotłownia i silos na pellet z wielopunktowym zassaniem pelletu z podajnikiem pneumatycznym
Wyposażenie dodatkowe do pneumatycznego transportu pelet
Wąż antystatyczny o średnicy 50 mm – 1 m – kod: H0112
Specjalny wąż do połączenia wentylatora ssącego ze zbiornikiem (np. ATZ). Wymagana długość węża to zawsze dwukrotność odległości między dużym lejem (np. ATZ) a podajnikiem pneumatycznym.
Wąż dostarczany jest w długościach – 12,5m i 25m.
Sonda pneumatyczna – kod: H0511
- jest przeznaczona do wielopunktowego zasysania pelet ze zbiornika z równym (skośnym) dnem
- średnica wzmocnionego wążu antystatycznego: 50/51 mm
- rozmiar podstawowy: szerokość x wysokość x głębokość = 200 x 153 x 423
Rozdzielacz transportu pneumatycznego – 2 układy – kod: H0542
- jest przeznaczony do pneumatycznego transportu pelet przy użyciu dwóch sond pneumatycznych (H0511) w zbiorniku z równym (skośnym) dnem.
- Służy do zmiany miejsca zasysania w zbiorniku.
- W przypadku większej liczby sond można układać rozdzielacze obok siebie
Rozdzielacz transportu pneumatycznego – 3 układy – kod: H0543
- jest przeznaczony do pneumatycznego transportu pelet przy użyciu trzech sond pneumatycznych (H0511) w zbiorniku z równym (skośnym) dnem.
- Służy do zmiany miejsca zasysania w zbiorniku.
- W przypadku większej liczby sond można układać rozdzielacze obok siebie.
Kolanka i złączki do węży transportu pneumatycznego
- kolano 30° kod: H0567

- kolano 45° kod: H0568
- kolano 90° kod: H0569
- złączka do węża – Ø 50 mm kod: H0570
- zacisk węża kod: H0571 dla Ø 50 – 70 mm
Kret – ruchoma sonda do odsysania pelet – kod: H0293
- system odsysania pelet drewnianych Kret – Maulwurf został zaprojektowany do transportu pelet z dużego zbiornika do przestrzeni kotłowni za pomocą pneumatycznego transportu pelet ATMOS.
Do pobrania











