Пневматическая система подачи пеллет APS 250, APS 250 S, APS 250 SPX, APS 500 — это компактное устройство, используемое для удобной подачи пеллет в котёл из центрального хранилища, расположенного вне котельного помещения. То есть хранилища, созданного в складских помещениях в доме или за пределами отопляемого объекта. В качестве хранилища пеллет часто используются текстильные бункеры, позволяющие простую и быструю установку.
Пневматическая система подачи пеллет состоит из накопительного бункера объёмом 250 / 500 л (кроме APS 250 S / SPX — без бункера), специального промежуточного расходного бункера со встроенным всасывающим вентилятором и ротационного датчика уровня пеллет.
Управление осуществляется с помощью электронного регулятора AC21 и AC19 с дисплеем для отображения текущего состояния и работы.
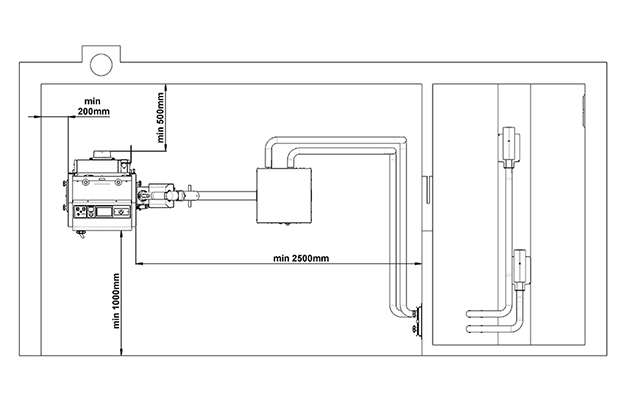
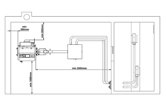
Компактная пневматическая система подачи пеллет ATMOS APS 250/500 с уравнительным бункером предназначена для котлов мощностью от 5 до 80 кВт. Возможна перекачка по шлангах длиной до 15 м (2 x 15 м).
Диаметр армированного антистатического шланга: 50/51 мм (не входит в состав поставки)
Виды пневматической системы подачи
Пневматическая система подачи пеллет ATMOS APS 250
красная — код: H0550
синяя — код: H0551
Пневматическая система подачи пеллет ATMOS APS 250 S — отдельный комплект (комплект без бака)
— в комплект входит вставка (рамка) для крепления к любому баку
красная — код: H0313
синяя — код: H0314
Пневматическая система подачи пеллет ATMOS APS (150) 250 SPX / APS 250 SPX2 — отдельный комплект (комплект без бака для DxxPX)
— в комплект входит вставка (рамка) для крепления к котлам DxxPX
красная / тёмно-серый (APS 150 SPX) — D10PX — код: H0563
тёмно-серый / красная (APS 250 SPX) — D15PX, D20PX — код: H0317
тёмно-серый / красная (APS 250 SPX2) — D25PX — код: H0319
Пневматическая система подачи пеллет ATMOS APS 250 SPK3 — отдельный комплект (комплект без бака)
— в комплект входит вставка (рамка) для крепления к только баку AZPD 400 / AZPU 400
красная — код: H0323
синяя — код: H0324
Пневматическая система подачи пеллет ATMOS APS 500 — для двух котлов (транспортёры и горелки)
красная — код: H0315
синяя — код: H0316
Варианты подключения
- Пневматическая система подачи пеллет
- Котёл с пневматической системой подачи пеллет ATMOS APS 250 SPX(2)
- Пневматический система подачи — двухсторонняя
- Пневматическая система подачи пеллет APS 500 — два котла
- Котельная — 2 зонда
- Котельная и бункер для пеллет с многоточечным забором пеллет с пневматическим питателем
- Соединение котельной с внешним бункером
- Пример бункера для пеллет с многоточечным забором пеллет пневматической системой подачи
Принадлежности
Антистатический шланг диаметром 50 мм — длиной 1 м
Код для заказа: H0112
Специальный шланг для соединения всасывающего вентилятора с бункером (например, ATZ).\/эжэ Необходимая длина шланга всегда в два раза больше расстояния между большим бункером (например, ATZ) и пневматическим питателем.
Шланг поставляется длиной 12,5 м и 25 м.
Пневматический зонд
Код для заказа: H0511
- предназначен для многоточечного забора пеллет из бункера с плоским (наклонным) дном
- диаметр армированного антистатического шланга: 50/51 мм
- базовый размер: 200 x 153 x 423 (ш x в x г)
Переключающее устройство пневматической системы подачи — 2 контура
Код для заказа: H0542
- предназначено для пневматической транспортировки пеллет с помощью двух пневматических зондов (H0511) в бункере с плоским (наклонным) дном.
- Используется для переключения (изменения) точки забора в бункере.
- При большем количестве зондов переключающие устройства можно расположить рядом друг с другом.
Переключающее устройство пневматической системы подачи — 3 контура
Код для заказа: H0543
- предназначено для пневматической транспортировки пеллет с помощью трёх пневматических зондов (H0511) в бункере с плоским (наклонным) дном.
- Используется для переключения (изменения) точки забора в бункере.
- При большем количестве зондов переключающие устройства можно расположить рядом друг с другом.
Колена (изгибы) и муфты для шлангов пневматической системы подачи
- колено 30° код: H0567

- колено 45° код: H0568
- колено 90° код: H0569
- стыковочный элемент шланга — Ø 50 мм код: H0570
- стяжной хомут шланга код: H0571 для Ø 50 — 70 мм
Крот — подвижный зонд для забора пеллет
Код для заказа: H0293
Система забора древесных пеллет Крот — Maulwurf предназначена для транспортировки пеллет из большого бункера в котельную с помощью пневматической системы подачи пеллет ATMOS.








