Cazanele de gazeificare ATMOS cu modificarea arzatorului sunt o solutie moderna, unde instalam un arzator pe peleti ATMOS A25 / A45 in usa superioara a unui cazan de gazeificare standard.
Vom realiza un cazan pe peleți personalizat cu aprindere automată a combustibilului.
- Informații tehnice
-
Cazane de gazeificare cu modificare pentru arzător pe peleți
-
Randamentul cazanului după tip este de 90,1 - 92,4 %
Avantajele încorporării arzătorului în cazanul standard
- Soluție simplă și accesibilă
- Posibilitatea de a încălzi confortabil cu peleți fără alimentare manuală – funcționare automată cu aprindere automată a peleților în funcție de temperatura dorită (ca la un cazan pe gaz).
- Dimensiuni mici și diferite lungimi ale transportoarelor în funcție de dimensiunea și posibilitățile camerei cazanului.
- Diferite dimensiuni ale rezervoarelor de peleți – 240, 250, 300, 400, 500, 1000 l / rezervor textil, o parte din camera cazanului ca rezervor = realimentarea cu combustibil o dată la 7 și 14 zile / o dată pe an.
- Eficiență ridicată de 90 până la 92 % în funcție de tip – consum redus de combustibil și economii la costurile de încălzire.
- Ardere ecologică – cazan conform ČSN EN 303-5 clasa 5, care îndeplinește directiva europeană de ECODESIGN 2015/1189.
- Ventilator de extracție – pentru condiții de tiraj mai slabe – eliminarea cenușii fără praf o dată la 7 până la 30 de zile.
- Serpentină de răcire împotriva supraîncălzirii = fără riscul de deteriorare a cazanului.
- Oprire automată a cazanului după arderea combustibilului.
- Curățare pneumatică a arzătorului – posibilitatea de a completa cazanul cu curățare automată a arzătorului, ceea ce permite arderea peleților de calitate inferioară – accesoriu opțional.
- Transport pneumatic de peleți – rezervorul de peleți poate fi completat cu transport pneumatic de peleți dintr-un rezervor mare extern pentru întregul sezon – accesoriu opțional.
Cazanele cu modificare sunt echipate din fabrica cu toate accesoriile necesare pentru:
– control usor al cazanului (arzatorului) in functie de nevoile clientului
– doua temperaturi (senzori) pe rezervorul tampon TV si TS.
(De la numărul de serie al cazanului 327 700, centralele sunt echipate cu: 2x modul AD03, comutator, senzor de temperatură cazan TK (KTF 20), senzori TV și TS (2x KTF20 – 5 m), termostat pentru pompă 70 °C, priză pt. pompa in circuitul cazanului.)
Cazanele cu gazeificare cu arzător de pelete ATMOS A25/A45 cu uşă în partea de sus constituie o soluţie interesantă pentru toate cazanele cu putere de până la 40kW / 50kW (DC50S), prevăzute cu ventilator de tiraj (cu excepţia modelelor DCxxGD, DCxxGS, DCxxGSX).
Alegem buncărul de peleți și tipul de transportor în funcție de dimensiunea cazanului și de pierderile de căldură ale clădirii.
În mod standard sunt fabricate în această variantă următoarele modele:
| Nume cazan | Putere – combustibil original – LEMN (kW) | Putere – peleți (kW) | ![]() |
| DC18S cu adaptare pentru arzător | 20 | 6 – 20 | |
| DC22S cu adaptare pentru arzător | 22 | 7 – 24 | |
| DC25S cu adaptare pentru arzător | 27 | 7 – 24 | |
| DC30SX cu adaptare pentru arzător | 30 | 7 – 24 | |
| DC32S cu adaptare pentru arzător | 35 | 7 – 24 | |
| DC50S cu adaptare pentru arzător* | 49,9 | 13,5 – 45 |
*un arzător este proiectat pentru acest cazan ATMOS A45
| Nume cazan | Putere – combustibil original – CĂRBUNE (kW) | Putere – peleți (kW) | ![]() |
| C15S cu adaptare pentru arzător | 16 | 3 – 12 | |
| C18S cu adaptare pentru arzător | 20 | 6 – 20 | |
| C25ST cu adaptare pentru arzător | 25 | 7 – 24 | |
| C32ST cu adaptare pentru arzător | 32 | 7 – 24 | |
| AC25S cu adaptare pentru arzător | 26 | 6 – 20 |
Cazanele sunt construite din tablă sudată de oţel de calitate, cu grosimea 8 până la 3 mm, şi sunt alcătuite din:
- Camera superioară (6 mm), care în partea de sus este prevăzută cu o uşă cu deschidere pentru arzătorul de pelete şi în partea inferioară este prevăzută cu duză de gazeificare sau cu grătar rotativ din fontă pentru îndepărtarea uşoară a cenuşii.
- Spaţiul inferior prevăzut cu cărămizi ceramice fasonate în vederea arderii ideale a tuturor substanţelor combustibile cu randament ridicat la ardere ecologică, care serveşte şi ca cenuşar.
- Chaudière DC18S avec réglage pour brûleur avec convoyeur DA2000 (2 m) et réservoir à pellets 500 l
- Cazan DC18S cu modificare arzător cu rezervor compact de peleți AZPU 400 C Design (400 l)
- Cazan C15S cu modificare pentru arzator cu rezervor compact peleti AZPU 240
- Cazan DC18S cu modificare pentru arzator cu transportor DA2000 (2 m) si rezervor peleti 500 l
Informații tehnice
| Specificații | Tipul cazanului cu modificare | |||||||||||
|---|---|---|---|---|---|---|---|---|---|---|---|---|
| DC18S | DC22S | DC25S | DC30SX | DC32S | DC50S | C15S | C18S | C25ST | C32ST | AC25S | ||
| Puterea cazanului pentru pelete de lemn | kW | 6 – 20 | 7 – 24 | 7 – 24 | 7 – 24 | 7 – 24 | 13,5 – 45 | 3 – 12 | 6 – 20 | 7 – 24 | 7 – 24 | 4 – 20 |
| Puterea cazanului pe combustibilul original | kW | 20 | 22 | 27 | 30 | 35 | 49 | 16 | 20 | 25 | 32 | 25 |
| Tirajul necesar al coşului | Pa/mbar | 18/0,18 | 23/0,23 | 23/0,23 | 24/0,24 | 25/0,25 | 25/0,25 | 16/0,16 | 20/0,20 | 23/0,23 | 25/0,25 | 20/0,20 |
| Greutatea cazanului | kg | 283 | 324 | 326 | 335 | 345 | 433 | 276 | 298 | 379 | 415 | 297 |
| Volumul apei din cazan | l | 45 | 58 | 58 | 58 | 80 | 89 | 37 | 45 | 68 | 74 | 45 |
| Volumul rezervorului de combustibil | dm3 (l) | 60 | 95 | 95 | 95 | 135 | 180 | 45 | 60 | 90 | 110 | 60 |
| Tensiune de alimentare | V/Hz | 230/50 | 230/50 | 230/50 | 230/50 | 230/50 | 230/50 | 230/50 | 230/50 | 230/50 | 230/50 | 230/50 |
| Lungimea prescrisă de lemn | mm | 330 | 530 | 530 | 530 | 530 | 730 | 250 | 330 | 330 | 430 | 330 |
| Combustibil original | lemn | lemn | lemn | lemn | lemn | lemn | cărbune (lemn) | cărbune (lemn) | cărbune (lemn) | cărbune (lemn) | cărbune (lemn) | |
| Combustibil prescris (de preferat) | pelete de calitate superioara cu diametrul de 6 – 8 mm, lungimea de 10 – 40 mm si putere calorica de 15 – 18 MJ.kg-1 | |||||||||||
| Temperatura minimă pe retur | °C | 65 | ||||||||||
| Randamentul cazanului | % | 91,5 | 91,2 | 91,2 | 91,2 | 91,8 | 90,4 | 90,1 | 91,5 | 91,1 | 92,4 | 91,5 |
| Clasa cazanului | 5 | 5 | 5 | 5 | 5 | 5 | 5 | 5 | 5 | 5 | 5 | |
| Clasa de eficiență energetică | A+ | A+ | A+ | A+ | A+ | A+ | A+ | A+ | A+ | A+ | A+ | |
| EKODESIGN | da | da | da | da | da | da | da | da | da | da | da | |
| Arzătorul de pelete | A25 | A25 | A25 | A25 | A25 | A45 | A25 | A25 | A25 | A25 | A25 | |
Instalare
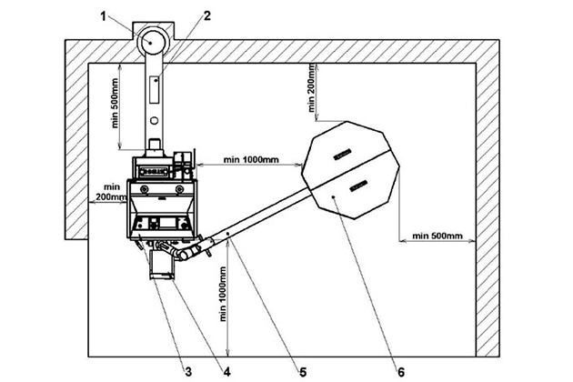
La instalarea arzătorului în uşa superioară a cazanului cu gazeificare trebuie să fie folosit transportorul cu o lungime minimă de 2 metri, în aşa fel încât lungimea tubului între transportor şi arzător să fie de cel puţin 20 cm, din motive de securitate. Lungimea optimă a tubului este însă de cca 40 cm, în aşa fel încât la curăţarea camerei de ardere să fie posibilă deschiderea uşoară a uşii cu arzător pentru peleţi.
- Legendă: 1 – Coş | 2 – Canal de fum | 3 – Cazan | 4 – Arzător | 5 – Transportor | 6 – Rezervor de alimentare
- Schema de instalare a transportorului de peleți
Conexiune recomandată
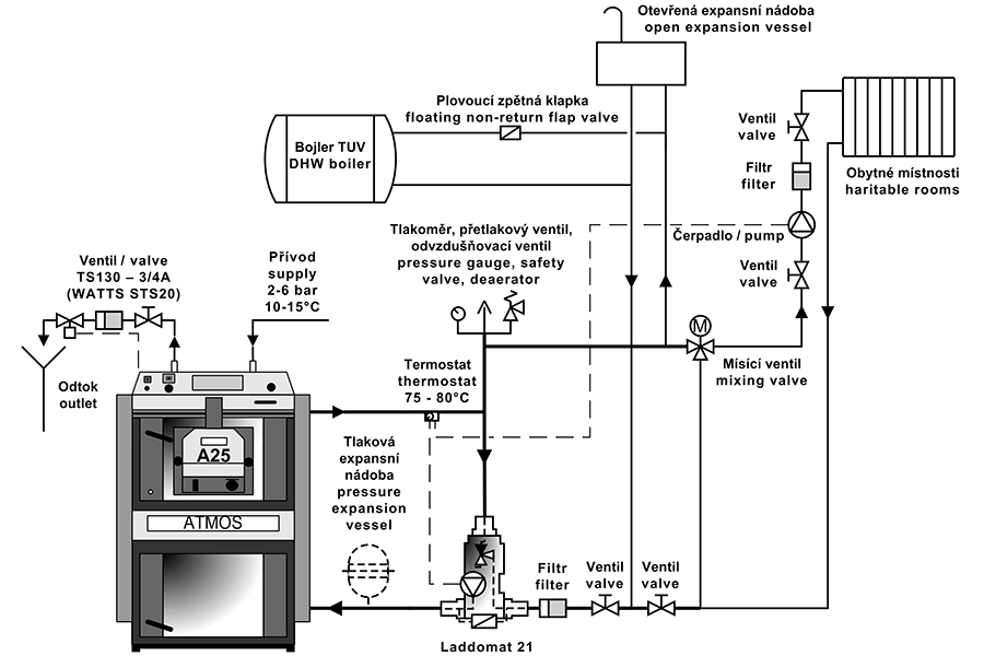
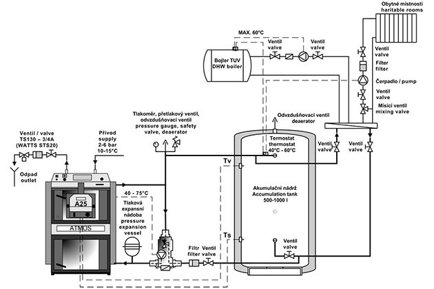
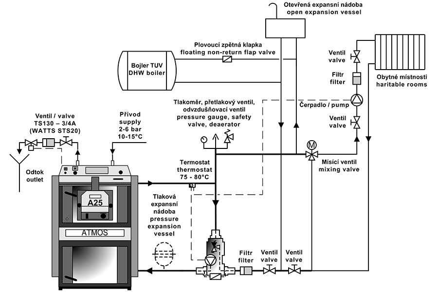
Conexiunea la cazan recomandată este o conexiune cu un Laddomat 22 sau supapă de termoreglare și un rezervor tampon cu o capacitate de 500 sau 1000 l pentru a obține un consum redus de combustibil și o durată lungă de viață a arzătorului și a cazanului. Pentru economii suplimentare de combustibil (până la 20 %) și funcția de încărcare adecvată a rezervorului tampon, utilizați controlul ATMOS ACD 03 special dezvoltat sau senzorii TV și TS, care sunt proiectați pentru funcțiile speciale ale arzătorului ATMOS A25 și sunt amplasați pe rezervorul tampon. . Unitatea de control monitorizează încălzirea rezervorului tampon complet automat și garantează întotdeauna suficientă energie pentru sistemul de încălzire. Acest tip de conexiune vă va economisi combustibil, energie electrică și va crește durata de viață a arzătorului pe peleți.
![]() |
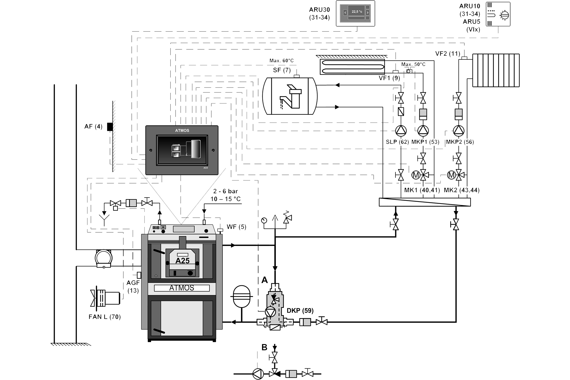
De la 1. 3. 2017 cazanele arzătorului sunt echipate cu două module AD03, un comutator de comutare, un senzor de temperatură a cazanului TK (KTF 20), un termostat de pompă de 70 °C și o priză de pompare în circuitul cazanului. Senzorul TK introdus în bazinul cazanului (de la fabricație), senzorii TV și TS (accesoriile cazanelor de la 1. 3. 2019) în rezervoarele din rezervorul de acumulare, toate conectate direct la conectorul arzătorului. Module (2x AD03) introduse sub capota cazanului și conectate la blocul de borne al cazanului. Ambele module AD03 controlează ventilatorul de evacuare al cazanului și pompa circuitului cazanului. Versiunile cazanului 2016 conțin numai un modul AD02 pentru comanda ventilatorului de evacuare. |
- Conectarea unui cazan cu un arzător ATMOS A25/A45 și rezervor de stocare
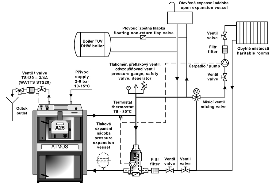
- Conectarea cazanului cu arzator A25/A45 cu Laddomat 22
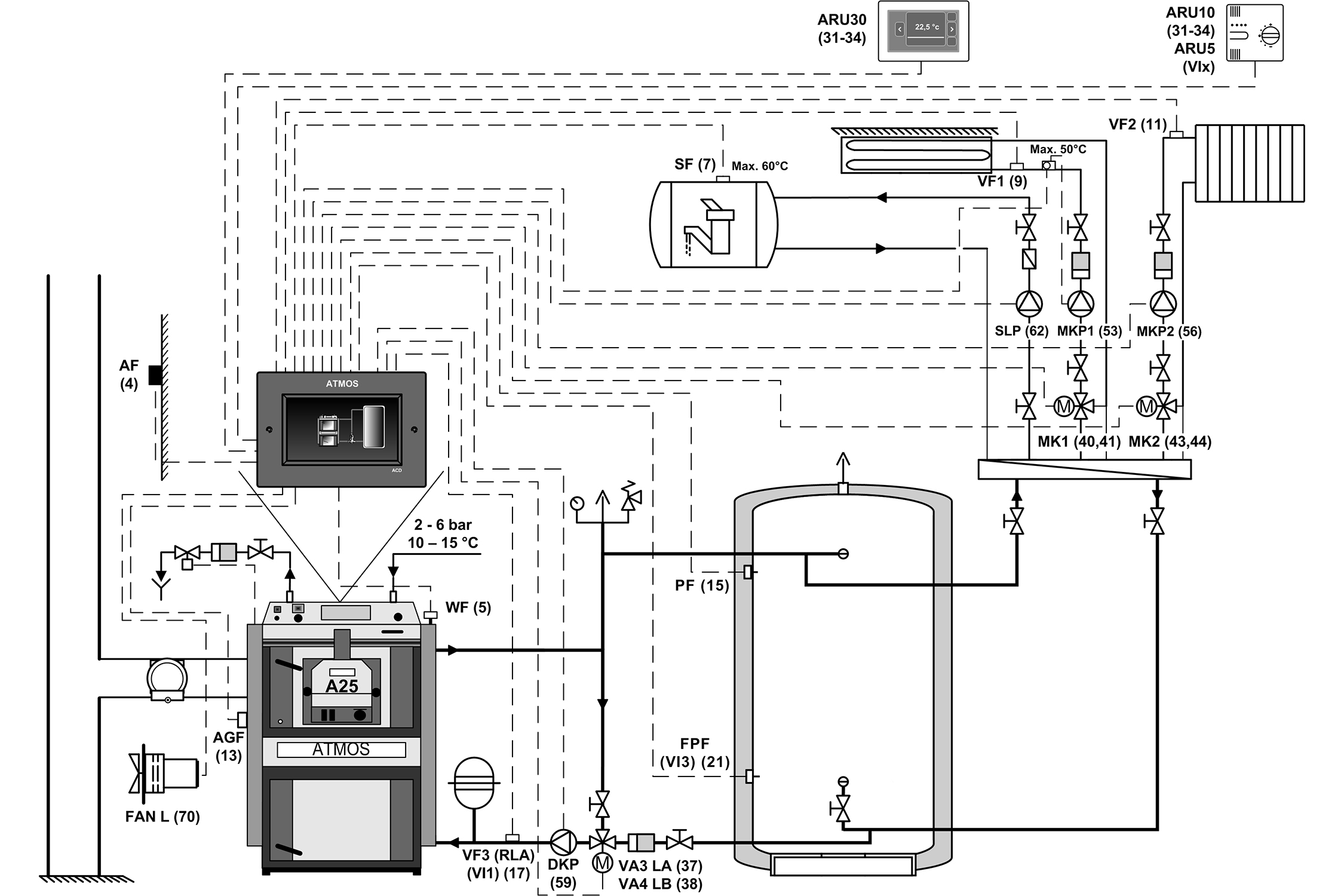
- Racord cazan cu arzator A25/A45, rezervor de acumulare si regulator electronic ACD03
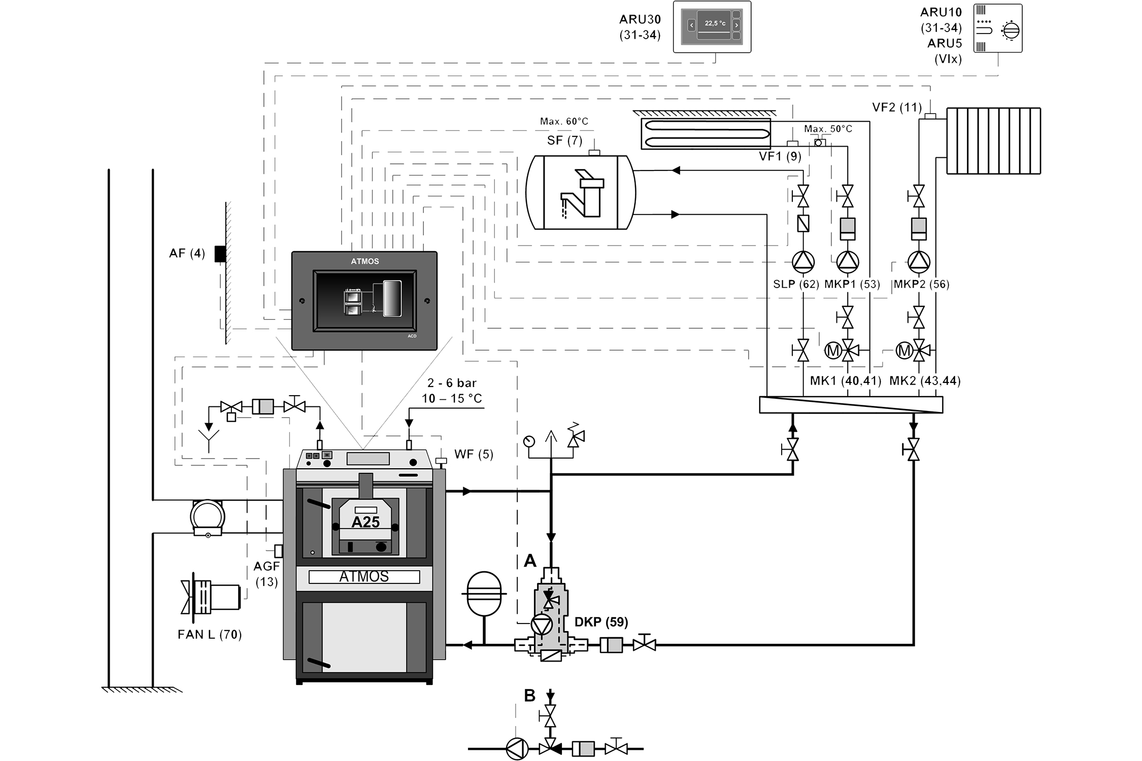
- Racord centrala cu arzator A25/A45 si control electronic ACD03
Cazanele cu gazeificare ATMOS cu arzător de pelete A25/A45 cu uşă în partea de sus constituie o soluţie interesantă pentru toate cazanele cu putere de până la 40kW / 50 kW (DC50S), prevăzute cu ventilator de tiraj (cu excepţia modelelor DCxxGD, DCxxGS, DCxxGSX) de aceea aceste cazane pot fi comandate direct de la fabrică în variante de stânga sau dreapta, pregătite deja pentru încastrarea arzătorului pentru peleţi. În cazul în care veţi dori să instalaţi arzătorul în cazan standard sau un alt cazan ATMOS, puteţi să comandaţi un set special pentru modificarea acestuia, care permite instalarea arzătorului pentru peleţi în uşa superioară. Setul se compune dintr-o uşă complet adaptată, o instalaţie electrică specială şi accesorii care cuprind 23 de articole.
Cazanele cu MODEL 2019 sunt echipate (din numărul de serie al cazanului 327 700): 2x modul AD03, comutator de comutare, senzor de temperatură a cazanului TK (KTF 20), senzori TV și TS (2x KTF20 – 5 m), termostat pompă de 70 °C, ieșire pentru pompa în circuitul cazanului.
Modelul 2019 Cazanele de ardere pe peleți sunt deja livrate cu două module AD03 pentru a controla ventilatorul de evacuare al cazanului și pompa coroanei cazanuluiși două senzori TV și TS pentru două reglaje ale temperaturii rezervorului tampon.
Set pentru încastrarea arzătorului pentru peleţi în uşa superioară
- cu deschidere dreapta – arzătorul A25 – cod: S0532 – versiunea veche cu AD02
- cu deschidere stânga – arzătorul A25 – cod: S0533 – versiunea veche cu AD02
- cu deschidere dreapta – arzătorul A25 – cod: S1222 – model 2017 – 2020
- cu deschidere stânga – arzătorul A25 – cod: S1223 – model 2017 – 2020
- cu deschidere dreapta – arzătorul A45 – cod: S0624 – versiunea veche cu AD02
- cu deschidere stânga – hořáku A45 – cod: S0625 – versiunea veche cu AD02
- cu deschidere dreapta – arzătorul A45 – cod: S1224 – model 2017 – 2020
- cu deschidere stânga – arzătorul A45 – cod: S1225 – model 2017 – 2020
Arzătoare
Arzator pe peleti ATMOS A25
Combustibil: pelete de calitate superioara cu diametrul de 6 – 8 mm, lungimea de 10 – 40 mm si putere calorica de 15 – 18 MJ.kg-1
Afișaj arzător: folosit pentru a afișa starea curentă a arzătorului și pentru a seta funcțiile acestuia
Controlul arzătorului: cu o unitate de control electronică AC07X, care comandă funcţionarea transportorului melcat, două elemente încălzitoare electrice şi ventilatorul în concordanţă cu cerinţele cazanului şi sistemului de încălzire. Sistemul electronic este protejat prin termostatul de siguranţă al cazanului, termostatul de siguranţă la alimentarea cu peleţi a cazanului, traductorul ventilatorului şi fotocelula pentru sesizare prezenţă flacără. Funcţionarea arzătorului este indicată pe display-ul părţii unităţii de control electronice.
Aprindere cu combustibil: automată cu două bobine de aprindere electrice.
Funcţia de bază a arzătorului:
Posibilitatea utilizării a două ieşiri de rezervă R şi R2 pentru diferite aplicaţii
Posibilitatea conectării a patru senzori diferiţi TS, TV, TK şi TSV
TS – senzor inferior pe rezervor
TV – senzor superior pe rezervor
TK – senzorul cazanului sau senzorul de mijloc de pe rezervor
TSV – senzorul gazelor arse sau al panoului solar
- controlul ventilatorului cazanului de la arzător prin intermediul unei ieșiri de rezervă (R) (conectată din fabrică)
- controlul pompei cazanului de la arzător prin intermediul unei ieșiri de rezervă (R2) (conectată din fabrică)
- controlul arzătorului în funcție de două temperaturi pe rezervorul tampon
Contorizarea combustibilului: Pentru acest arzător este proiectat un transportor cu șurub special DA1500 – 4000.
Arzator pe peleti ATMOS A45
Combustibil: pelete de calitate superioara cu diametrul de 6 – 8 mm, lungimea de 10 – 40 mm si putere calorica de 15 – 18 MJ.kg-1
Afișaj arzător: folosit pentru a afișa starea curentă a arzătorului și pentru a seta funcțiile acestuia
Controlul arzătorului: cu o unitate de control electronică AC07X, care comandă funcţionarea transportorului melcat, două elemente încălzitoare electrice şi ventilatorul în concordanţă cu cerinţele cazanului şi sistemului de încălzire. Sistemul electronic este protejat prin termostatul de siguranţă al cazanului, termostatul de siguranţă la alimentarea cu peleţi a cazanului, traductorul ventilatorului şi fotocelula pentru sesizare prezenţă flacără. Funcţionarea arzătorului este indicată pe display-ul părţii unităţii de control electronice.
Aprindere cu combustibil: automată cu două bobine de aprindere electrice.
Funcţia de bază a arzătorului:
Posibilitatea utilizării a două ieşiri de rezervă R şi R2 pentru diferite aplicaţii
Posibilitatea conectării a patru senzori diferiţi TS, TV, TK şi TSV
TS – senzor inferior pe rezervor
TV – senzor superior pe rezervor
TK – senzorul cazanului sau senzorul de mijloc de pe rezervor
TSV – senzorul gazelor arse sau al panoului solar
- controlul ventilatorului cazanului de la arzător prin intermediul unei ieșiri de rezervă (R) (conectată din fabrică)
- controlul pompei cazanului de la arzător prin intermediul unei ieșiri de rezervă (R2) (conectată din fabrică)
- controlul arzătorului în funcție de două temperaturi pe rezervorul tampon
Contorizarea combustibilului: Pentru acest arzător sunt destinate transportoare cu șurub speciale de tip DRA.












