Pneumatische Sauganlage APS 250, APS 250 S, APS 250 SPK3, APS 150 SPX, APS 250 SPX, APS 250 SPX2, APS 500 zur Pellet Förderung sorgt für die komfortable Brennstoffversorgung des Kessels aus einem großen, außerhalb des Kesselraums angeordneten Vorratsbehälter. Ein solcher Behälter kann sich im einen freien Lagerraum im Haus aber auch außerhalb des beheizten Objekts befinden. Zu diesem Zweck werden häufig auch die Gewebesilos verwendet, derer Aufstellung sehr einfach und schnell ist.
Die pneumatische Förderungsanlage APS 250 und APS 500 besteht aus einem Ausgleichsbehälter mit einem Volumen von 250 l / 500 l, (auser APS 250 S, APS 250 SPK3, APS 150 SPX, APS 250 SPX, APS 250 SPX2) – ohne Behälter), einem speziellen Abscheidebehälter mit dem eingebauten Sauglüfter und einem rotierenden Füllstandsensor.
Zur Steuerung werden elektronische Regeleinheiten AC21 und AC19 eingesetzt, die mit dem Display zur Anzeige der aktuellen Zustände und Funktionen ausgestattet sind.
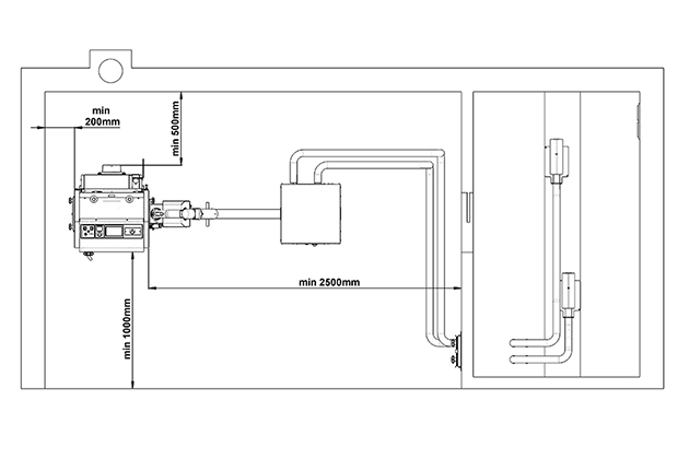
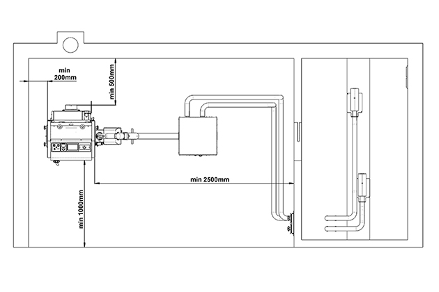
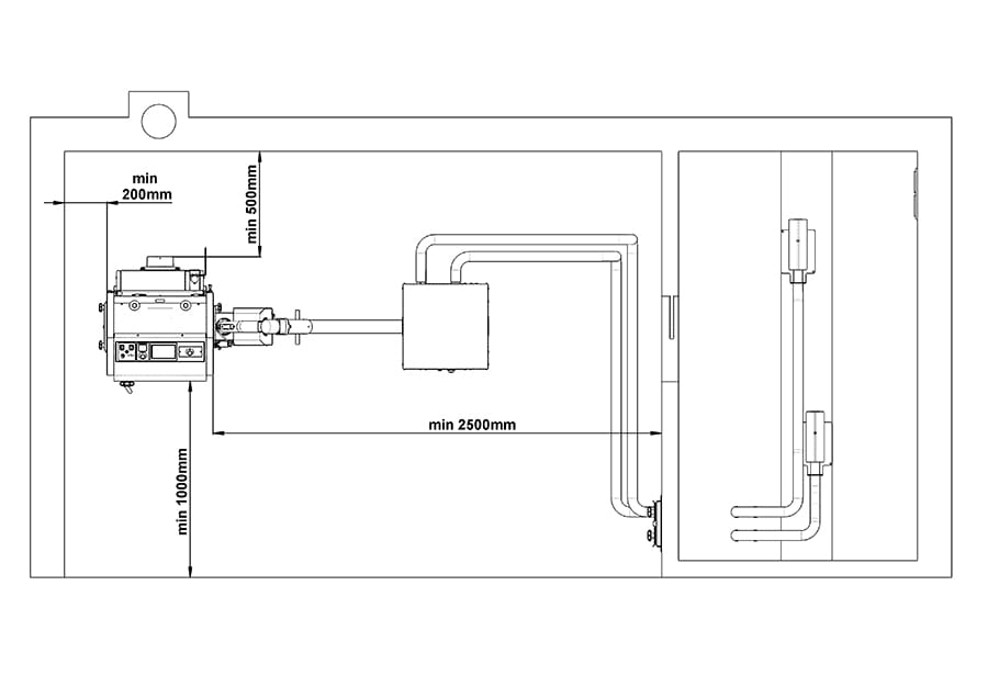
Die pneumatische Förderungsanlage ATMOS APS 250/500 mit dem Brennstoff-Ausgleichsbehälter ist für Kessel von 5 bis 80 kW vorgesehen. Höchste Transportentfernung ist 15 m (Schlauchlänge 2 x 15 m).
Durchmesser des verstärkten Antistatik-Schlauchs: 50/51 (im Lieferumgang nicht enthalten)
Ausführung pneumatischer Saugtransport
Pneumatische Pelletsbeförderung ATMOS APS 250
rot – Kode: H0550
blau – Kode: H0551
Pneumatische Pelletsbeförderung ATMOS APS 250 S – einzeln (Set – ohne Behälter)
– Set besteht aus dem Zwischenstück (Rahmen) für die Befestigung von Pelletsbehälter
rot – Kode: H0313
blau – Kode: H0314
Pneumatische Pelletsbeförderung ATMOS APS (150) 250 SPX / APS 250 SPX2 – einzeln (Set für Kessel PXxx – ohne Behälter)
– Set besteht aus dem Zwischenstück (Rahmen) für die Befestigung von Kessel PXxx
rot/dunkelgrau (APS 150 SPX) – PX10 – Kode: H0563
dunkelgrau /rot (APS 250 SPX) – PX15, PX20 – Kode: H0317
dunkelgrau /rot (APS 250 SPX2) – PX25 – Kode: H0319
Pneumatische Pelletsbeförderung ATMOS APS 250 SPK3 – einzeln (Set – ohne Behälter)
– Set besteht aus dem Zwischenstück (Rahmen) nur für Pelletsbehälter AZPD 400 / AZPU 400
rot – Kode: H0323
blau – Kode: H0324
Pneumatische Pelletsbeförderung ATMOS APS 500 – für Zwei Kessel (Förderschnecke und Brennern)
rot – Kode: H0315
blau – Kode: H0316
Anschlussmöglichkeiten
- Pneumatischer Pelletstransport
- Kessel mit pneumatischem Pellettransport ATMOS APS 250 SPX (2)
- Pneumatischer Transport – zweiseitig
- Pneumatischer Transport APS 500 – zwei Kessel
- Heizraum – 2 Sonden
- Heizraum und Pelletsilo mit Mehrpunktansaugung von Pellets mit pneumatischer Zuführung
- Anschluss des Heizraums an externe Stromversorgung
- Heizraum und Pelletsilo mit Mehrpunktansaugung von Pellets mit pneumatischer Zuführung
Zubehör für pneumatische Sauganlage
Antistatischer Schlauch von Durchmesser von 50 mm – je 1 m – Kode: H0112
Spezialler Schlauch für die Verbindung zwischen Saugventilator und Behälter (zB. ATZ). Die Bedarfslänge von Schlauch ist immer doppelt zu rechnen.
Der Schlauch ist von Längern – 12,5 m und 25 m geliefert.
Pneumatische Sonde – Kode: H0511
- ist für Mehrpunkt-Ansaugen der Pellets aus einem Behälter mit dem flachen (schrägen) Boden
- Durchmesser des verstärkten Antistatik-Schlauchs: 50/51 mm
- Abmessungen: Breite x Höhe x Tiefe = 200 x 153 x 423 mm
Verteiler der pneumatischen Beförderung – 2 Kreise – Kode: H0542
- ist für pneumatische Pelletsbeförderung bei Verwendung von zwei pneumatischen Sonden (H0511) im Behälter mit dem flachen (schrägen) Boden bestimmt.
- Er dient zur Änderung des Saugpunkts im Behälter.
- Bei der größeren Anzahl der Sonden können die Verteiler nebeneinander angeordnet werden.
Verteiler der pneumatischen Beförderung – 3 Kreise – Kode: H0543
- ist für pneumatische Pelletsbeförderung bei Verwendung von zwei pneumatischen Sonden (H0511) im Behälter mit dem flachen (schrägen) Boden bestimmt.
- Er dient zur Änderung des Saugpunkts im Behälter.
- Bei der größeren Anzahl der Sonden können die Verteiler nebeneinander angeordnet werden.
Maulwurf – bewegliche Sonde für Pelletansaugung – Kode: H0293
- Holzpellets-Maulwurfsystem – Krtek – Maulwurf dient zur Entnahme von grösseren Behälter, Lagerräumen in den Heizraum (Vorratsbehälter) durch den Pelletsauger ATMOS APS .
Downloads











