Pneumatická doprava pelet APS 250, APS 250 S, APS 250 SPX, APS 500 jsou kompaktní zařízení sloužící k pohodlnému zásobování kotle peletami z velkého zásobníku umístěného mimo kotelnu. Zásobníku, který je vytvořen z volných skladovacích prostorů v domě nebo mimo vytápěný objekt. Jako zásobník se velmi často také používá textilní silo, které umožní jednoduchou a rychlou instalaci.
Pneumatická doprava pelet se skládá z vyrovnávací nádrže o objemu 250 / 500 l (mimo APS 250 S / SPX – bez nádrže), speciálního odlučovacího zásobníku se zabudovaným sacím ventilátorem a rotačního snímače hladiny pelet.
Vše je řízeno elektronickou regulací AC21 a AC19 s displejem pro zobrazování aktuálního stavu a činnosti.
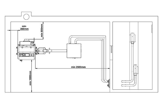
Kompaktní pneumatická doprava pelet ATMOS APS 250/500 s vyrovnávacím zásobníkem je určena pro výkony kotlů od 5 do 80 kW. Možnost čerpání do délky hadic až 15 m (2 x 15 m).
Průměr vyztužené antistatické hadice: 50/51 mm (není součástí dodávky)
Typy pneumatické dopravy
Pneumatická doprava pelet ATMOS APS 250
červená – kód: H0550
modrá – kód: H0551
Pneumatická doprava pelet ATMOS APS 250 S – samostatná (sada bez nádrže)
– sada obsahuje mezikus (rámeček) pro připevnění na jakoukoliv nádrž
červená – kód: H0313
modrá – kód: H0314
Pneumatická doprava pelet ATMOS APS (150) 250 SPX / APS 250 SPX2 – samostatná (sada bez nádrže pro DxxPX)
– sada obsahuje mezikus (rámeček) pro připevnění na kotle DxxPX
červená / tmavě šedá (APS 150 SPX) – D10PX – kód: H0563
tmavě šedá / červená (APS 250 SPX) – D15PX, D20PX – kód: H0317
tmavě šedá / červená (APS 250 SPX2) – D25PX – kód: H0319
Pneumatická doprava pelet ATMOS APS 250 SPK3 – samostatná (sada bez nádrže)
– sada obsahuje mezikus (rámeček) pro připevnění pouze na nádrž AZPD 400 / AZPU 400
červená – kód: H0323
modrá – kód: H0324
Pneumatická doprava pelet ATMOS APS 500 – pro dva kotle (dopravníky a hořáky)
červená – kód: H0315
modrá – kód: H0316
Možnosti zapojení
- Pneumatická doprava pelet
- Kotel s pneumatickou dopravou pelet ATMOS APS 250 SPX(2)
- Pneumatická doprava – oboustranná
- Pneumatická doprava APS 500 – dva kotle
- Kotelna – 2 sondy
- Kotelna a silo na pelety s vícebodovým sáním pelet s pneumatickým podavačem
- Zapojení kotelny s venkovním silem
- Ukázka zásobníku s vícebodovým nasáváním pelet pneumatickou dopravou
Příslušenství
Antistatická hadice o průměru 50 mm – á 1 m
kód: H0112
Speciální hadice pro propojení mezi sacím ventilátorem a zásobníkem (např. ATZ). Potřebná délka hadice je vždy dvojnásobkem vzdálenosti mezi velkým zásobníkem (např. ATZ) a pneumatickým podavačem.
Hadice je dodávána v délkách – 12.5 m a 25 m.
Dělené víko pro nádrže na pelety – pro APS 250 S
červená 1000 l – kód: H0552
červená 500 l – kód: H0553
modrá 1000 l – kód: H0554
modrá 500 l – kód: H0555
- je určena pro vícebodové nasávaní pelet ze zásobníku s rovným (šikmým) dnem
- průměr vyztužené antistatické hadice: 50/51 mm
- základní rozměr: 200 x 153 x 423 (š x v x h)
Rozdělovač pneumatické dopravy – 2 okruhy
kód: H0542
- je určen pro pneumatickou dopravu pelet při použiti dvou pneumatických sond (H0511) v zásobníku s rovným (šikmým) dnem.
- Slouží k přehození (změně) nasávacího místa v zásobníku.
- Při větším počtu sond je možné rozdělovače řadit vedle sebe.
Rozdělovač pneumatické dopravy – 3 okruhy
kód: H0543
- je určen pro pneumatickou dopravu pelet při použiti tři pneumatických sond (H0511) v zásobníku s rovným (šikmým) dnem.
- Slouží k přehození (změně) nasávacího místa v zásobníku.
- Při větším počtu sond je možné rozdělovače řadit vedle sebe.
Kolena (zatáčky) a spojky pro hadice pneumatické dopravy
- koleno 30° kód: H0567

- koleno 45° kód: H0568
- koleno 90° kód: H0569
- spojka hadice – Ø 50 mm kód: H0570
- stahovací spona hadice kód: H0571 pro Ø 50 – 70 mm
Krtek – pohyblivá sonda pro odsávání pelet
kód: H0293
odsávací systém dřevěných pelet Krtek – Maulwurf je navržen pro přepravu pelet z velkého zásobníku do prostoru kotelny pomocí pneumatické dopravy pelet ATMOS.
Ke stažení









