I trasporti pneumatici pellet APS 250, APS 250 S, APS 250 SPX, APS 500 sono dispositivi compatti per alimentare comodamente la caldaia da un grande magazzino situato al di fuori del locale caldaia. Come magazzino possono essere sfruttati locali liberi sia all’interno che al di fuori dell’edificio da riscaldare. Per lo stoccaggio viene spesso usato un silo in tessuto, facile e veloce da installare.
Il trasporto pneumatico pellet è composto da: serbatoio di compensazione da 250 / 500 l (eccetto APS 250 S / SPX – senza serbatoio), contenitore specifico di separazione con ventilatore aspirante incorporato e sensore di livello pellet rotante.
Il funzionamento viene controllato dalla centralina elettronica di regolazione AC21 e AC19 con display di visualizzazione dello stato attuale e delle attività in corso.
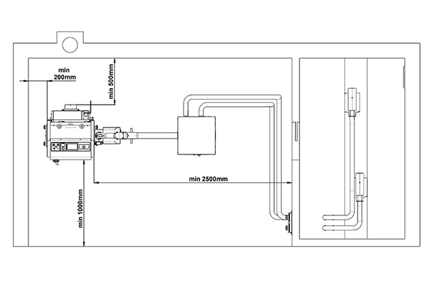
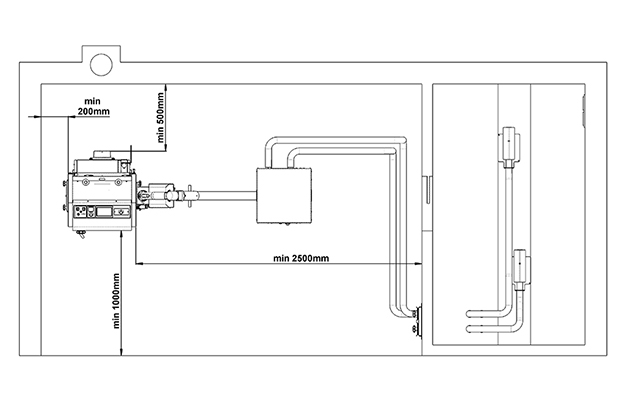
Il trasporto pneumatico compatto pellet ATMOS APS 250/500 con contenitore di compensazione é indicato per le caldaie dalla potenza di 5–80 kW. Lunghezza dei tubi flessibili fino a 15 m (2 x 15 m).
Diametro del tubo antistatico rinforzato: 50/51 mm (non incluso nella fornitura)
Tipi dei trasporti pneumatici
Trasporto pneumatico pellet ATMOS APS 250
rosso – codice: H0550
blu – codice: H0551
Trasporto pneumatico pellet ATMOS APS 250 S – autonomo (kit senza serbatoio)
– il kit comprende un adattatore (telaio) per il fissaggio a qualsiasi serbatoio
rosso – codice: H0313
blu – codice: H0314
Trasporto pneumatico pellet ATMOS APS (150) 250 SPX / APS 250 SPX2 – autonomo (kit senza serbatoio per DxxPX)
– il kit comprende un adattatore (telaio) per il fissaggio alle caldaie DxxPX
rosso / grigio scuro (APS 150 SPX) – D10PX – codice: H0563
grigio scuro / rosso (APS 250 SPX) – D15PX, D20PX – codice: H0317
grigio scuro / rosso (APS 250 SPX2) – D25PX – codice: H0319
Trasporto pneumatico pellet ATMOS APS 250 SPK3 – autonomo (kit senza serbatoio)
– il kit comprende un adattatore (telaio) per il fissaggio solo al serbatoio AZPD 400 / AZPU 400
rosso – codice: H0323
blu – codice: H0324
Trasporto pneumatico pellet ATMOS APS 500 – per due caldaie (trasportatori e bruciatori)
rosso – codice: H0315
blu – codice: H0316
Possibilità di collegamento
- Trasporto pneumatico pellet
- Caldaie con trasporto pneumatico del pellet ATMOS APS 250 SPX
- Trasporto pneumatico – bilaterale
- Trasporto pneumatico APS 500 – due caldaie
- Locale caldaia – 2 sonde
- Centrale termica e silo pellet con aspirazione pellet multipunto con alimentatore pneumatico
- Collegamento del locale caldaia con alimentazione esterna
- Centrale termica e silo pellet con aspirazione pellet multipunto con alimentatore pneumatico
Accessori
Tubo flessibile antistatico dal diametro 50 mm – da 1 m
Codice d’ordine: H0112
Tubo flessibile speciale per il collegamento tra il ventilatore aspirante e il contenitore (ad es. ATZ). La lunghezza necessaria del tubo corrisponde al doppio della distanza tra il contenitore grande (ad es. ATZ) e l’alimentatore pneumatico.
Il tubo viene fornito nelle lunghezze di 12,5 m e 25 m.
Sonda pneumatica
Codice d’ordine: H0511
- indicata per aspirazione multipla di pellet dal contenitore con fondo piano (inclinato)
- diametro del tubo antistatico rinforzato: 50/51 mm
- dimensione base: 200 x 153 x 423 (L x H x P)
Distributore del trasporto pneumatico – 2 circuiti
Codice d’ordine: H0542
- indicato per trasporto pneumatico pellet nelle installazioni con due sonde pneumatiche (H0511) nel contenitore con fondo piano (inclinato)
- Serve per spostamento (cambio) del punto d’aspirazione all’interno del contenitore.
- In presenza di più sonde, i distributori possono essere disposti uno accanto all’altro.
Distributore del trasporto pneumatico – 3 circuiti
Codice d’ordine: H0543
- indicato per trasporto pneumatico pellet nelle installazioni con tre sonde pneumatiche (H0511) nel contenitore con fondo piano (inclinato)
- Serve per spostamento (cambio) del punto d’aspirazione all’interno del contenitore.
- In presenza di più sonde, i distributori possono essere disposti uno accanto all’altro.
Gomiti (curve) e raccordi per tubi flessibili del trasporto pneumatico
- gomito 30° codice: H0567

- gomito 45° codice: H0568
- gomito 90° codice: H0569
- raccordo per tubo flessibile – Ø 50 mm codice: H0570
- staffa stringitubo per tubo flessibile codice: H0571 per Ø 50 – 70 mm
Talpa – sonda mobile di aspirazione pellet
Codice d’ordine: H0293
sistema di aspirazione pellet di legno Talpa (marchio Maulwurf) indicato per il trasporto di pellet da un grande magazzino al locale caldaia tramite il trasporto pneumatico pellet ATMOS.








