Pneumatic transport of pellets APS 250, APS 250 S, APS 250 SPX, APS 500 are compact devices used for convenient supply of the boiler with pellets from a large storage located outside the boiler room. A bin that is created from free storage space in the house or outside a printed object. A textile silo is very often used as a container, which allows easy and quick installation.
The pneumatic transport pellet consists of buffer tanks with a volume of 250/500 l (except APS 250 S / SPX – without tank), a special separation device with a built-in suction fan and a rotary pellet level sensor.
Everything is controlled by electronic control AC21 and AC19 with a display for displaying the current status and activity.
The compact pneumatic transport of ATMOS APS 250/500 pellets with a buffer tank is designed for the output of boilers from 5 to 80 kW. Possibility of pumping up to 15 m long (2 x 15 m).
Diameter of reinforced antistatic hose: 50/51 mm (not included)
Types of pneumatic transport
Pneumatic transport of ATMOS APS 250 pellets
red – code: H0550
blue – code: H0551
Pneumatic transport of pellets ATMOS APS 250 S – separate (set without tank)
– the set contains an intermediate piece (frame) for attachment to any tank
red – code: H0313
blue – code: H0314
Pneumatic transport of pellets ATMOS APS (150) 250 SPX / APS 250 SPX2 – separate (set without tank for DxxPX)
– the set contains an intermediate piece (frame) for mounting on the DxxPX boiler
red / dark gray (APS 150 SPX) – D10PX – code: H0563
dark gray / red (APS 250 SPX) – D15PX, D20PX – code: H0317
dark gray / red (APS 250 SPX2) – D25PX – code: H0319
Pneumatic transport of pellets ATMOS APS 250 SPK3 – separate (set without tank)
– the set contains an intermediate piece (frame) for attachment only to the AZPD 400 / AZPU 400 tank
red – code: H0323
blue – code: H0324
Pneumatic transport of pellets ATMOS APS 500 – for two boilers (conveyors and burners)
red – code: H0315
blue – code: H0316
Connection options
- Textile silo for pellets
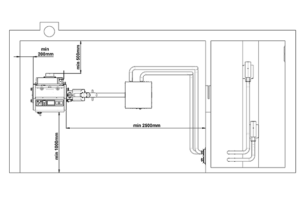
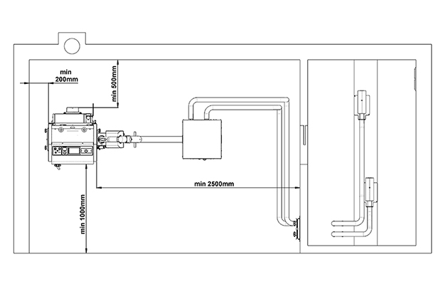
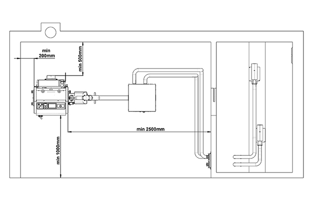
- Boiler-room and pellet silo with multipoint sucking of pellet with pneumatic feeder
- Boiler-room and pellet silo with multipoint sucking of pellet with pneumatic feeder
Accessories
Antistatic hose with a diameter of 50 mm – 1 m each – code: H0112
Special hose for connection between suction fan and tank (eg ATZ). The required hose length is always twice the distance between the large hopper (eg ATZ) and the pneumatic feeder.
The hose is supplied in lengths – 12.5 m and 25 m.
Pneumatic probe – code: H0511
- is designed for multi-point suction of pellets from a hopper with a flat (sloping) bottom
- diameter of reinforced antistatic hose: 50/51 mm
- basic dimension: 200 x 153 x 423 (w x h x d)
Pneumatic transport distributor – 2 circuits – code: H0542
- is designed for pneumatic transport of pellets using two pneumatic probes (H0511) in a tank with a flat (sloping) bottom.
- used to change (change) the suction point in the tank.
- with a larger number of probes, the manifolds can be arranged side by side.
Pneumatic transport distributor – 3 circuits – code: H0543
- is designed for pneumatic transport of pellets using three pneumatic probes (H0511) in a hopper with a flat (sloping) bottom.
- used to change (change) the suction point in the tank.
- with a larger number of probes, the manifolds can be arranged side by side.
Mole – movable probe for pellet extraction – code: H0293
- suction system of wood pellets Mole – Maulwurf is designed for transporting pellets from a large container into the boiler room using pneumatic transport of ATMOS pellets.









