V hořácích ATMOS doporučujeme spalovat pouze kvalitní bílé pelety z měkkého dřeva bez kůry. Výhodou hořáku je automatické zapalování paliva pomocí žhavící spirály, která zapálí pelety kdykoli je potřeba zatopit. Hořák a kotel tak pracuje na plný výkon s nejvyšší možnou účinností a nejlepší kvalitou spalování. Na rozdíl od řady konkurenčních výrobků, které nemají zapalovací zařízení a musí vždy udržovat žhavou vrstvu ve spalovacím prostoru. Takový provoz na malý výkon, kdy klesá teplota spalin pod 100 °C, způsobuje kondenzaci dehtů a kyselin ve spalovacím prostoru a komíně, nižší účinnost, vyšší spotřebu paliva, horší kvalitu spalování, větší zanášení kotle a častější čištění. U našich výrobků provádíme vybírání popela pouze jednou za 7 až 30 dní, podle kvality paliva a výkonu kotle. Hořáky nejsou určeny pro tmavé pelety, které se spékají ve spalovací komůrce hořáku. V takovém případě ztrácíme komfort vytápění a je nutné spalovací komůrku hořáku čistit jednou za 1 – 3 dny.
Provoz hořáku funguje následovně. V případě, že hořák dostane pokyn ke startu, nebo vznikne-li potřeba topit, nasype dopravník pelety do hubice hořáku a žhavící spirálou si je sám zapálí. Po dostatečném rozhoření pelet najede hořák na nastavený výkon, v kterém setrvá do doby, než je systém vytopen. Poté se hořák vypne a pelety v komůrce hořáku dohoří. Celý cyklus se v případě další potřeby vždy opakuje. Výkon kotle a další funkce hořáku jsou řízeny elektronickou regulací hořáku, která umožňuje přizpůsobit chod kotle konkrétním podmínkám celého systému.
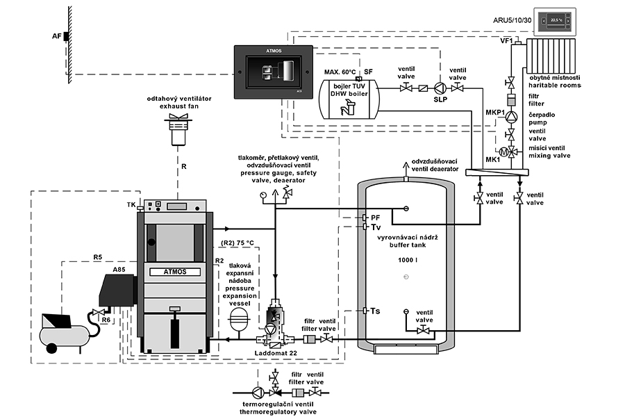
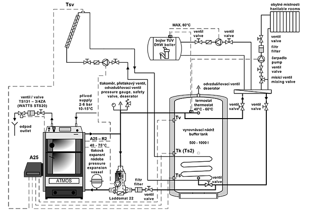
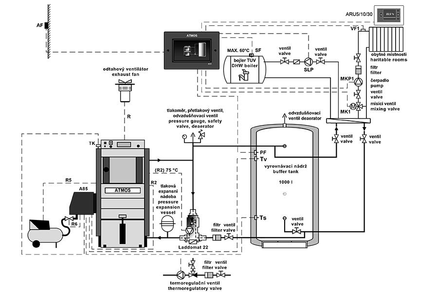
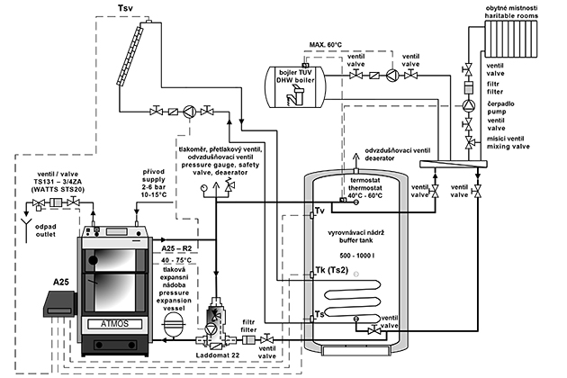
Elektronická jednotka hořáku umožňuje řídit provoz hořáku pomocí čtyř čidel tak, že pokud čidlo na solárním panelu zjistí, že je výhodné ohřívat vyrovnávací nádrž energií ze slunečního kolektoru, zajistí regulace hořáku nabíjení nádrže energií z pelet pouze do úrovně čidla TK (TS2), které je umístěno v nádrži mezi čidlem TS a TV.
Elektronická řídící jednotka hořáku také ovládá odtahový ventilátor kotle, čerpadlo v kotlovém okruhu nebo solární systém.
Ideálním řízení hořáku je podle dvou čidel (TV a TS) na vyrovnávací nádrži. Řídící jednotka si hlídá natopení vyrovnávací nádrže zcela automaticky a zaručuje vždy dostatek energie pro topný systém. Tento způsob zapojení vám uspoří palivo, elektrickou energii a zvýší životnost hořáku na pelety.
V případě, že chcete spalovat méně kvalitní dřevěné pelety, vybavte hořák pneumatickým čištěním!
Předepsané palivo: kvalitní dřevěné pelety (bílé) o průměru 6 až 8 mm, délce 10 až 25 mm a výhřevnosti 16 – 19 MJ.kg-1.
Displej hořáku: slouží k zobrazování aktuálního stavu hořáku a k nastavování jeho funkcí
Řízení hořáku: elektronickou regulací AC07X (AC07), která ovládá chod externího dopravníku, dvou zapalovacích spirál a ventilátoru dle požadavků kotle a topného systému. Elektronika je jištěná bezpečnostním termostatem kotle, bezpečnostním termostatem na přívodu pelet do hořáku, snímačem otáček ventilátoru a fotocelou pro snímání plamene. Chod hořáku je signalizován na displeji elektronické regulace.
Připojení hořáku: hořák je osazen dvěma 6-kolíkovými konektory a zásuvkou pro externí šnekový dopravník
– první konektor slouží k napájení a silovému ovládání hořáku. Zároveň umožňuje ovládání dvou variabilních zařízení přímo z hořáku pomocí rezervy R a R2
– druhý konektor slouží k zapojené až čtyřech čidel TS, TV, TK a TSV
– zásuvka pro externí šnekový dopravník slouží pro ovládání dopravníku během provozu
Dávkování paliva: externím šnekovým dopravníkem řízeným z elektronické regulace hořáku.
Zapalování paliva: automatické za pomoci dvou elektrických zapalovacích spirál.
Základní funkce hořáku:
Možnost využití dvou rezervních výstupů R a R2 pro různé aplikace
Možnost zapojení čtyř různých čidel TS, TV, TK a TSV
TS – čidlo spodní na nádrži
TV – čidlo vrchní na nádrži
TK – čidlo kotle nebo prostřední čidlo na nádrži
TSV – čidlo spalin nebo solárního panelu
- řízení hořáku podle dvou teplot na vyrovnávací nádrži
- řízení ventilátoru kotle z hořáku za pomoci rezervního výstupu
- řízení kotlového čerpadla z hořáku za pomoci rezervního výstupu
- ovládání solárního systému přímo z hořáku
- automatický start hořáku po dohoření dřeva u kotlů DCxxSP
- zobrazování chybových hlášení pro snadnější řešení případných problémů
- možnost zobrazení informací o aktuálních hodnotách elektrických součástí hořáku
- možnost testování jednotlivých elektrických součástí hořáku















