În arzătoarele ATMOS, vă recomandăm să ardeți numai peleți albi de înaltă calitate, din lemn moale, fără coajă. Avantajul arzătoarelor este aprinderea automată a combustibilului cu ajutorul spiralei incandescente care asigură confortul încălzirii și o deservire minimă. Astfel, arzătorul și cazanul funcționează la puterea maximă cu cel mai mare randament de la 85 până la 90 % și cea mai bună calitate arderii. Spre deosebire de o serie întreagă de produse ale concurenței care nu sunt dotate cu instalația de aprindere și, prin urmare, este necesar a menține tot timpul un strat incandescent în spațiul de ardere. O astfel de exploatare la putere mică, când temperatura gazelor de ardere scade sub 100 °C, cauzează condensarea gudronului și a acizilor în spațiul de ardere și în coș, un randament mai scăzut, consum mai mare de combustibil, o calitate mai proastă de ardere, o înfundare mai mare a cazanului și o curățare mai frecventă. La produsele noastre, evacuarea cenușii se face doar o dată la 7 până la 30 de zile, în funcție de calitatea combustibilului și puterea cazanului. Arzătoarele nu sunt destinate arderii peleților de culoare închisă care se aglutinează în camera de ardere a arzătorului. Într-un astfel de caz pierdem confortul încălzirii și este necesar să curățăm camera de ardere a arzătorului o dată la 1 – 3 zile.
Exploatarea arzătorului funcționează după cum urmează. În cazul în care arzătorul primește comandă de pornire sau dacă apare necesitatea de încălzire, conveierul introduce peleți în ajutajul arzătorului și le și aprinde cu ajutorul spiralei de aprindere. După ce peleții au început să ardă suficient de bine, arzătorul se comută pe puterea setată în care rămâne până în momentul în care sistemul este încălzit. După care arzătorul se decuplează iar peleții din camera de ardere a arzătorului ard complet. Dacă necesar, întregul ciclu se reia. Puterea cazanului și celelalte funcții ale arzătorului sunt comandate prin intermediul reglajului electronic al arzătorului care permite adaptarea funcționării cazanului la condițiile concrete ale întregului sistem.
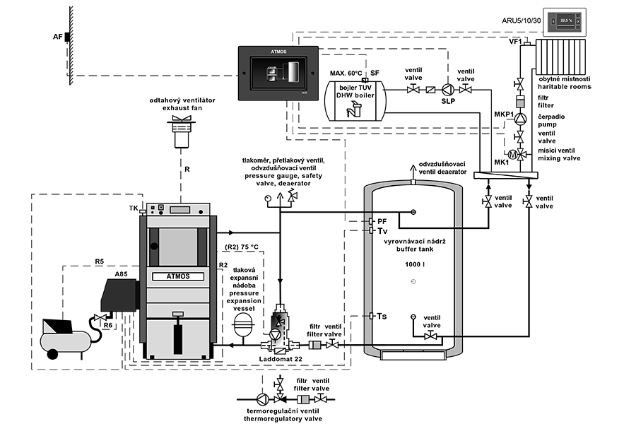
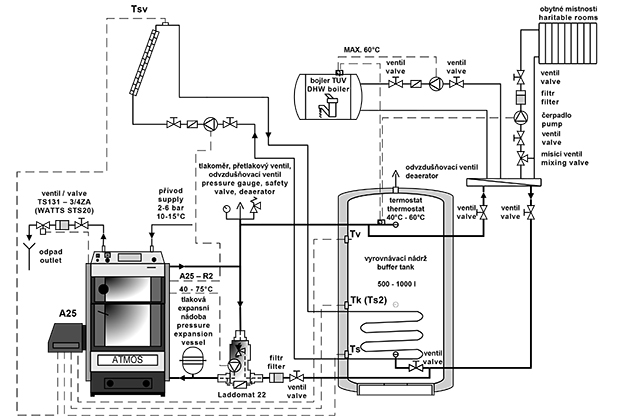
Unitatea electronică a arzătorului permite comanda arzătorului cu ajutorul a patru senzori, în așa fel încât, dacă senzorul de pe panoul solar constată că este avantajos a încălzi rezervorul de compensare cu energia din colectorul solar, reglajul arzătorului asigură încărcarea rezervorului cu energia din peleți doar până la nivelul senzorului TK (TS2) care este amplasat în rezervor între senzorul TS și senzorul TV.
Unitatea de comandă electronică a arzătorului comandă și exhaustorul cazanului, pompa din circuitul cazanului sau sistemul solar.
Comanda ideală a arzătorului este în funcție de doi senzori (TV și TS) de pe rezervorul de compensare. Unitatea de comandă urmărește automat încălzirea rezervorului de compensare și întotdeauna garantează energie suficientă pentru sistemul de încălzire. Această modalitate de racordare economisește combustibil, energie electrică și mărește durata de viață a arzătorului de peleți.
În cazul în care doriți să ardeți peleți de calitate mai redusă, echipați arzătorul cu sistemul de curățare pneumatică.
Combustibil reglementar: peleți de lemn de calitate superioară (albi) având diametrul de la 6 până la 8 mm, lungimea de la 10 până la 25 mm și puterea calorică de 16 – 19 MJ.kg-1.
Afișajul arzătorului: servește pentru vizualizarea stării curente a arzătorului și setarea funcțiilor acestuia.
Comanda arzătorului: prin reglare electronică AC07X (AC07) care comandă funcționarea conveierului extern, a două spirale de aprindere și a exhaustorului în funcție de cerințele cazanului și ale sistemului de încălzire. Partea electronică este asigurată cu ajutorul termostatului de siguranță al cazanului, al termostatului de siguranță pentru alimentarea arzătorului cu peleți, al dispozitivului de citire a turațiilor ventilatorului și al fotocelulei pentru recepționarea flăcării. Funcționarea arzătorului este semnalizată pe afișajul reglajului electronic.
Conexiune arzător pe peleți: arzătorul este echipat cu doi conectori cu 6 pini și o priză pentru un transportor extern cu șurub
– primul conector este utilizat pentru alimentarea cu energie și controlul puterii arzătorului. Totodata, permite controlul a doua dispozitive variabile direct din arzator folosind rezervele R si R2
– al doilea conector este folosit pentru a conecta până la patru senzori TS, TV, TK și TSV
– priza pentru transportorul extern cu șurub este folosită pentru a controla transportorul în timpul funcționării
Dozarea combustibilului: cu ajutorul unui conveier extern cu melc comandat din reglajul electronic al arzătorului.
Aprinderea combustibilului: automată, cu ajutorul a două spirale de aprindere electrice.
Funcțiile de bază ale arzătorului:
Posibilitatea de utilizare a două ieșiri de rezervă, R și R2 pentru diferite aplicații
Posibilitatea de conectare a patru senzori diferiți, TS, TV, TK și TSV
TS – senzor inferior de pe rezervor
TV – senzor superior de pe rezervor
TK – senzor cazan sau senzor mijlociu de pe rezervor
TSV – senzor gaze de ardere sau panou solar
- comanda arzătorului în funcție de două temperaturi pe rezervorul de compensare
- comanda ventilatorului cazanului din arzător cu ajutorul ieșirii de rezervă
- comanda pompei cazanului din arzător cu ajutorul ieșirii de rezervă
- comanda sistemului solar direct din arzător
- pornirea automată a arzătorului după arderea completă a lemnelor la cazanele DCxxSP
- afișați mesaje de eroare pentru o depanare mai ușoară
- posibilitatea de a afișa informații despre valorile curente ale componentelor electrice ale arzătorului
- posibilitatea de a testa componentele electrice individuale ale arzătorului















