Мы рекомендуем сжигать в горелках ATMOS только качественные белые пеллеты из мягкой древесины без коры. Преимуществом данной горелки является автоматический розжиг топлива при помощи спирали розжига, которая поджигает пеллеты в любой момент, когда этого требуется. Таким образом, горелка и котел работают на полную мощность с максимально возможным КПД и наилучшим качеством сгорания. В отличие от целого ряда конкурентных продуктов, у которых отсутствует устройство розжига и которые должны постоянно поддерживать слой горящего топлива в топочной камере. В результате эксплуатации на малую мощность, когда температура продуктов сгорания падает ниже 100 °C, происходит конденсация дегтя и кислот в топочной камере и дымовой трубе, что приводит к снижению КПД, повышению расхода топлива, снижению качества сжигания топлива, загрязнению котла и необходимости его более частой очистки. На наших изделиях золоудаление производится один раз в 7 — 30 дней, в зависимости от качества топлива и мощности котла. Горелка не предназначена для тёмных пеллет, которые спекаются в камере сгорания горелки. В таком случае теряется комфортность отопления и камеру сгорания горелки необходимо чистить один раз в 1 — 3 дня.
Принцип работы горелки. При поступлении команды для запуска горелки, или когда возникнет потребность в отоплении, транспортер насыпет пеллеты в сопло горелки и произойдёт их поджигание от спирали розжига. После достаточного разгорания пеллет горелка переходит в режим заданной мощности, которую поддерживает до полного нагрева всей системы отопления. Затем горелка выключается и пеллеты в камере сгорания горелки догорают. При необходимости весь цикл повторяется. Мощность котла и другие функции горелки управляются посредством системы электронного регулирования горелки, позволяющей приспособить работу котла конкретным условиям всей системы отопления.
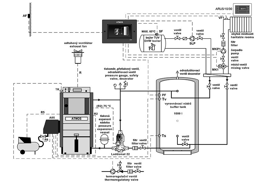
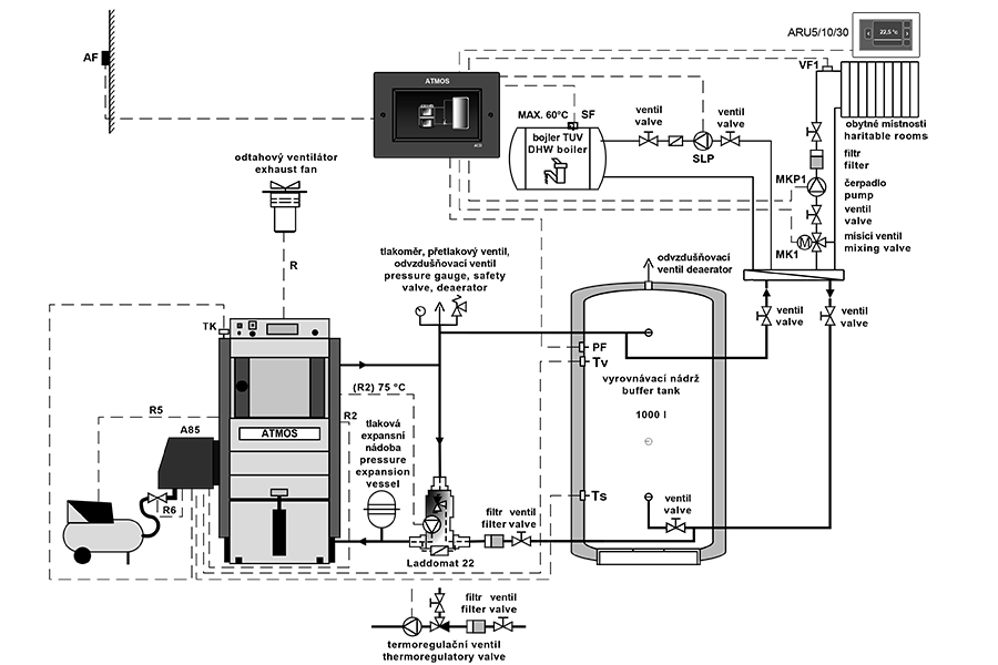
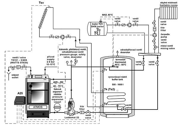
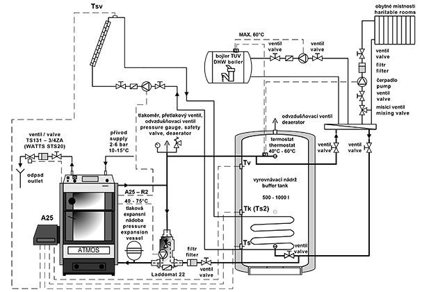
Электронный модуль горелки позволяет управлять работой горелки с помощью четырёх датчиков, так что если датчик на солнечной панели определяет, что выгодно нагревать буферный бак энергией от солнечного коллектора, управление горелкой гарантирует, что бак будет заряжаться энергией от пеллет только до уровня датчика ТЗ (TS2), который расположен в баке между датчиками TS и TV.
Электронный блок управления горелкой также управляет вытяжным вентилятором котла, насосом в котловом контуре или солнечной системой.
В идеале горелка управляется двумя датчиками (TV и TS), установленными в буферном баке. Блок управления следит за полным автоматическим заполнением буферного бака и гарантирует, что энергии для системы отопления всегда будет достаточно. Такой способ подключения позволяет экономить топливо, электроэнергию и увеличивает срок службы пеллетной горелки.
Если вы хотите сжигать древесные гранулы низкого качества, оснастите горелку системой пневмоочистки!
Предписанное топливо: качественные древесные пеллеты (белые) диаметром 6 — 8 мм, длиной 10 — 25 мм и с теплотворностью 16 — 19 МДж.кг-1.
Дисплей горелки: Служит для изображения текущего состояния горелки и для настройки её функций.
Управление горелкой: при помощи электронного регулятора AC07X (AC07), управляющего работой шнекового транспортёра, двух спиралей розжига и вентилятора в соответствии с требованиями котла и системы отопления . Защита электроники обеспечивается посредством предохранительного термостата котла, предохранительного термостата в месте загрузки пеллет в горелку, датчика оборотов вентилятора и фотодатчика для отслеживания пламени. Сигнал о работе горелки поступает на дисплей модуля электронного регулятора.
Подключение горелки: горелка оснащена двумя 6-контактными разъёмами и розеткой для внешнего шнекового транспортёра.
— Первый разъём служит для подачи питания и для силового управления горелки. Он также позволяет управлять двумя разными устройствами непосредственно с горелки с помощью резерва R и R2.
— второй разъём используется для подключения до четырёх датчиков TS, TV, TK и TSV —
— розетка для внешнего шнекового транспортёра для управления транспортёром во время работы
Дозировка топлива: с помощью внешнего шнекового транспортёра управляемого с электронного блока управления горелкой.
Розжиг топлива: автоматический с помощью двух электрических спиралей розжига.
Основные функции горелки:
Можно применить два резервных выхода R и R2для различных приложений
Можно подключить четыре разных датчика TS, TV, TK и TSV
TS — датчик нижний в баке
TV — датчик верхний в баке
TK — датчик котла или средний датчик в баке
TSV — датчик дымовых газов или солнечной панели
- система управления горелкой по двум температурам в буферном баке
- система управления вентилятором котла от горелки с помощью резервного выхода
- система управления насосом котла от горелки с помощью резервного выхода
- система управления солнечной системой непосредственно с горелки
- автоматический запуск горелки после того, как догорят дрова в котле DCxxSP
- отображение сообщений об ошибках для облегчения поиска и устранения неисправностей
- возможность отображения информации о текущих параметрах электрических компонентов горелки
- возможность тестирования отдельных электрических компонентов горелки















