W palnikach ATMOS zalecamy spalanie wyłącznie wysokiej jakości białego pelletu z miękkiego drewna bez kory. Zaletą palnika jest automatyczne zapalanie paliwa za pomocą żarnika, który zapali pelety, gdy potrzebujesz napalić w kotle. Palnik i kocioł pracują z pełną mocą z największą wydajnością 85 – 90 % i najlepszą jakością spalania. W odróżnieniu od wielu produktów konkurencyjnych firm, które nie posiadają urządzenia zapalającego i w których musi być zawsze utrzymywana warstwa żarząca w komorze spalania. Taka praca z małą mocą, gdy temperatura spalin spada poniżej 100 °C, powoduje skraplanie dziegciu oraz kwasów w komorze spalania i w kominie, niższą wydajność, większe zużycie paliwa, gorszą jakość spalania, większe zanieczyszczenie kotła i częstsze czyszczenie. W przypadku naszych produktów dokonujemy usuwania popiołu raz na 7 do 30 dni w zależności od jakości paliwa i mocy kotła. Palniki nie są przeznaczone do ciemnych pelet, które ulegają spiekaniu w komorze spalania palnika. W takim przypadku tracimy komfort ogrzewania ze względu na konieczność czyszczenia komory spalania palnika raz na 1 – 3 dni.
Palnik pracuje w następujący sposób. Jeżeli palnik dostanie instrukcję startu lub, jeżeli zaistnieje potrzeba ogrzewania, przenośnik wsypie pelety do dyszy palnika i zapali je za pomocą żarnika. Po wystarczającym rozpaleniu pelet palnik osiągnie ustawioną moc, na którą pracuje, dopóki system nie jest nagrzany. Po nagrzaniu systemu palnik się wyłączy a pelety w komorze palnika się dopalą. Cały cykl powtarza się w razie zaistnienia takiej potrzeby. Moc kotła i inne funkcje są sterowane za pomocą elektronicznej regulacji palinka, umożliwiającej dostosowanie pracy kotła konkretnym warunkom całego systemu.
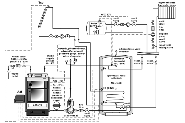
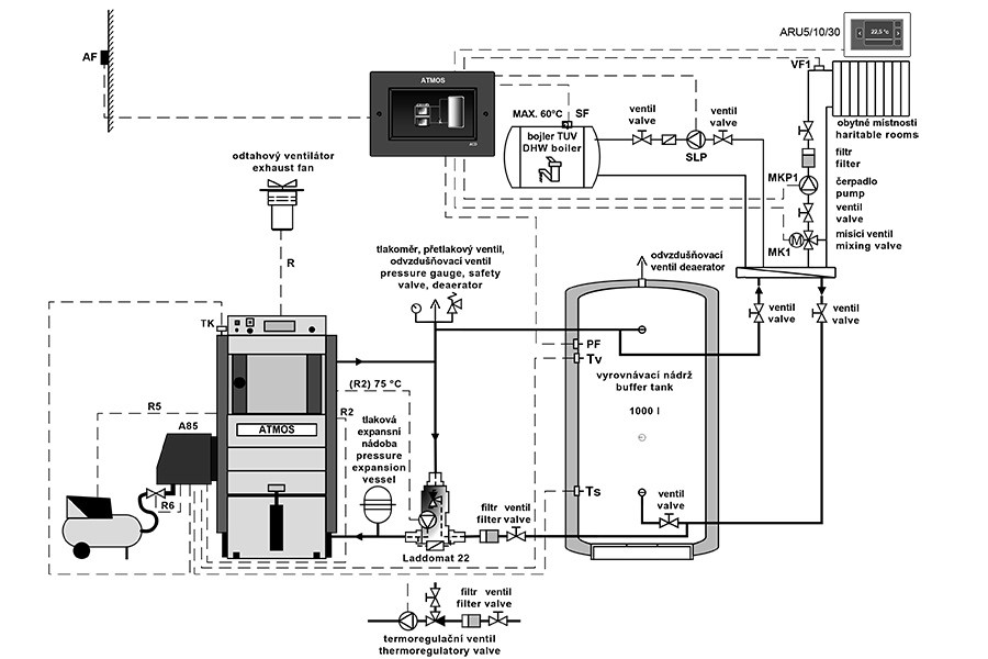
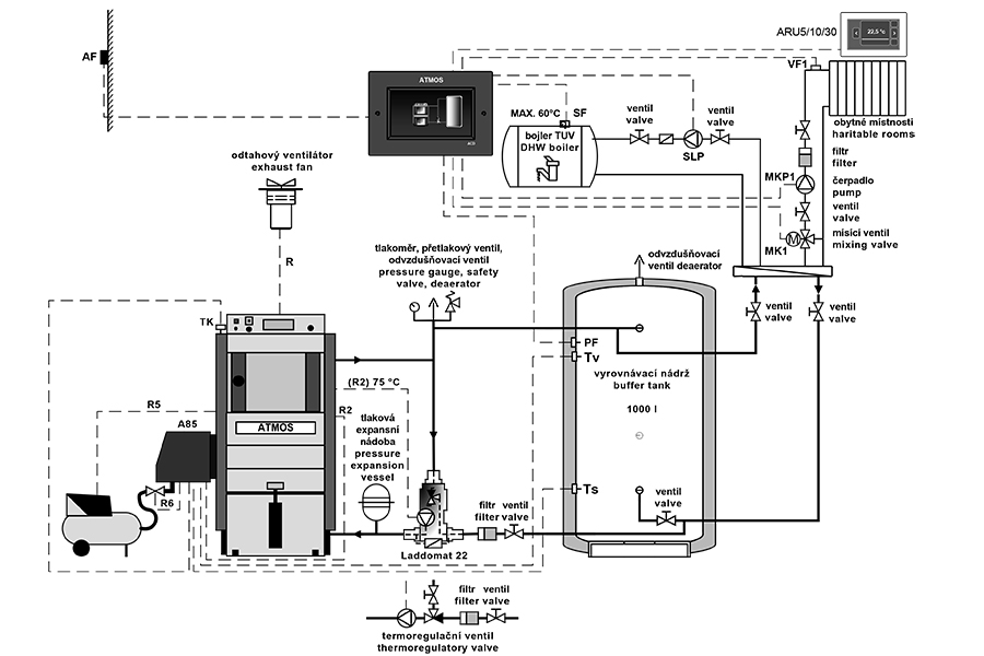
Elektroniczna jednostka palnika umożliwia sterować pracą palnika za pomocą czterech czujników w taki sposób, że jeżeli czujnik na panelu solarnym wykryje, że opłaca się ogrzewać zbiornik wyrównawczy z kolektora słonecznego, regulacja palnika zapewni ładowanie zbiornika energią z pelet tylko do poziomu czujnika TK (TS2), umieszczonego w zbiorniku pomiędzy czujnikami TS a TV.
Elektroniczna jednostka centralna palnika steruje również wentylatorem wyciągowym kotła, pompą w układzie kotła i/lub systemem solarnym.
Idealne sterowanie palnika to sterowanie według dwóch czujników (TV i TS) na zbiorniku wyrównawczym. Jednostka centralna w pełni automatycznie pilnuje nagrzania zbiornika wyrównawczego i zapewnia zawsze wystarczającą ilość energii dla systemu grzewczego. Ten sposób podłączenia zaoszczędzi paliwo, energię elektryczną i zwiększy żywotność palnika na pelety.
Jeżeli chcesz spalać pelety drzewne gorszej jakości, wyposaż palnik w czyszczenie pneumatyczne.
Zalecane paliwo: wysokiej jakości pelety drzewne (białe) o średnicy od 6 do 8 mm, o długości od 10 do 25 mm i wartości opałowej 16 – 19 MJ.kg-1.
Wyświetlacz palnika: służy do wyświetlania aktualnego stanu palnika i do ustawiania jego funkcji
Sterowanie palnikiem: elektroniczna regulacja AC07X (AC07), która steruje pracą przenośnika zewnętrznego, dwóch spiral zapłonowych i wentylatora według potrzeb kotła i systemu grzewczego. Elektronika jest zabezpieczona termostatem bezpieczeństwa kotła, termostatem bezpieczeństwa na doprowadzeniu pelet do palnika, czujnikiem obrotów wentylatora i fotokomórką do śledzenia płomienia. Praca palnika jest sygnalizowana na wyświetlaczu regulacji elektronicznej.
Podłączenie palnika: palnik wyposażony jest w dwa złącza 6-pinowe oraz gniazdo na zewnętrzny przenośnik ślimakowy
– pierwsze złącze służy do zasilania i sterowania mocą palnika. Jednocześnie umożliwia sterowanie dwoma wymiennymi urządzeniami bezpośrednio z palnika z wykorzystaniem rezerw R i R2
– drugie złącze służy do podłączenia do czterech czujników TS, TV, TK i TSV
– gniazdo dla zewnętrznego przenośnika ślimakowego służy do sterowania przenośnikiem podczas pracy
Dawkowanie paliwa: za pomocą zewnętrznego przenośnika ślimakowego sterowanego z elektronicznej regulacji palnika.
Zapłon paliwa: automatyczny z dwiema elektrycznymi cewkami zapłonowymi.
Podstawowe funkcje palnika:
Możliwość wykorzystania dwóch wyjść rezerwowych R i R2 do różnych zastosowań
Możliwość podłączenia czterech różnych czujników TS, TV, TK i TSV
TS – czujnik dolny na zbiorniku
TV – czujnik górny na zbiorniku
TK – czujnik kotła lub czujnik środkowy na zbiorniku
TSV – czujnik spalin lub panelu solarnego
- sterowanie palnikiem według dwóch temperatur na zbiorniku wyrównawczym
- sterowanie wentylatorem kotła z palnika za pomocą wyjścia rezerwowego
- sterowanie pompy kotła z palnika za pomocą wyjścia rezerwowego
- sterowanie systemem solarnym bezpośrednio z palnika
- automatyczny start palnika po dopalenia się drewna w przypadku kotków DCxxSP
- wyświetlaj komunikaty o błędach dla łatwiejszego rozwiązywania problemów
- możliwość wyświetlenia informacji o aktualnych wartościach elementów elektrycznych palnika
- możliwość testowania poszczególnych elementów elektrycznych palnika















