Dans les brûleurs ATMOS, nous recommandons de ne brûler que des granulés blancs de haute qualité en bois tendre sans écorce. L’avantage du brûleur est l’allumage automatique du combustible au moyen d’une spirale incandescente, qui enflamme les pellets chaque fois qu’il est nécessaire d’inonder. Le brûleur et la chaudière fonctionnent ainsi à pleine puissance avec le rendement le plus élevé de 85 à 90 % et la meilleure qualité de combustion. Contrairement à de nombreux produits concurrents, qui ne possèdent pas de dispositif d’allumage et doivent toujours maintenir une couche chaude dans la chambre de combustion. Un tel fonctionnement à faible puissance, lorsque la température des fumées descend en dessous de 100 °C, entraîne une condensation des goudrons et des acides dans la chambre de combustion et la cheminée, un rendement moindre, une consommation de combustible plus élevée, une moins bonne qualité de combustion, un encrassement plus important de la chaudière et des nettoyages plus fréquents. Pour nos produits, nous ne collectons les cendres qu’une fois tous les 7 à 30 jours, selon la qualité du combustible et la puissance de la chaudière. Les brûleurs ne sont pas conçus pour les pellets foncés qui frittent dans la chambre de combustion du brûleur. Dans ce cas, on perd le confort du chauffage et il faut nettoyer la chambre de combustion du brûleur une fois tous les 1 à 3 jours.
Le fonctionnement du brûleur fonctionne comme suit. Si le brûleur reçoit l’ordre de démarrer, ou s’il y a un besoin de chauffer, le convoyeur verse les granulés dans la buse du brûleur et les enflamme avec une spirale incandescente. Après une combustion suffisante des granulés, le brûleur démarrera à la puissance réglée, à laquelle il restera jusqu’à ce que le système soit chauffé. Ensuite, le brûleur est éteint et les granulés dans la chambre du brûleur brûlent. Le cycle complet est toujours répété si nécessaire. La puissance de la chaudière et les autres fonctions du brûleur sont contrôlées par la commande électronique du brûleur, ce qui permet d’adapter le fonctionnement de la chaudière aux conditions spécifiques de l’ensemble du système.
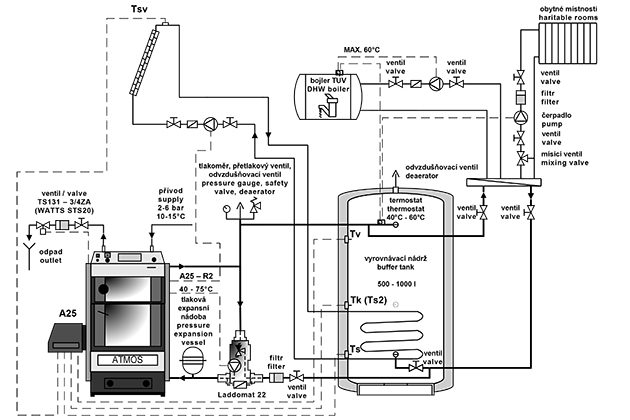
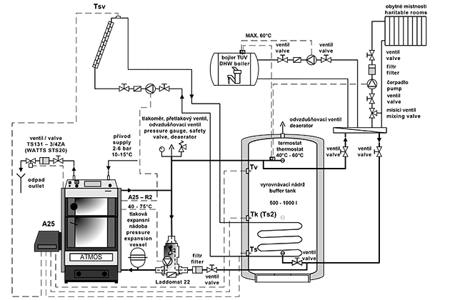
L’unité de brûleur électronique permet de contrôler le fonctionnement du brûleur au moyen de quatre capteurs de sorte que si le capteur sur le panneau solaire trouve avantageux de chauffer le réservoir tampon avec l’énergie du capteur solaire, la commande du brûleur charge le réservoir d’énergie à partir de granulés uniquement situé dans le réservoir entre le capteur TS et le téléviseur.
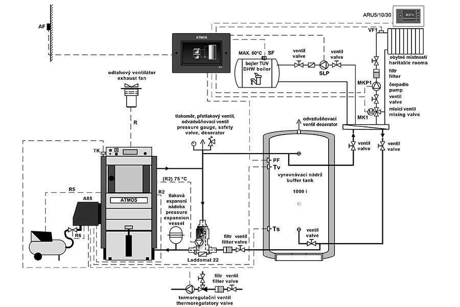
La commande électronique du brûleur commande également le ventilateur d’évacuation de la chaudière, la pompe du circuit de la chaudière et/ou l’installation solaire.
Le contrôle idéal du brûleur est basé sur deux capteurs (TV et TS) sur le vase d’expansion. L’unité de commande surveille le chauffage du ballon tampon de manière entièrement automatique et garantit toujours une énergie suffisante pour le système de chauffage. Ce type de raccordement vous permettra d’économiser du carburant, de l’électricité et d’augmenter la durée de vie du brûleur à granulés.
Si vous souhaitez brûler des granulés de bois de moindre qualité, équipez le brûleur d’un nettoyage pneumatique.
Combustible prescrit: granulés de bois de haute qualité (blancs) d’un diamètre de 6 à 8 mm, d’une longueur de 10 à 25 mm et d’un pouvoir calorifique de 16 – 19 MJ.kg-1.
Écran du brûleur: permet d’afficher l’état actuel du brûleur et de régler ses fonctions
Commande du brûleur: régulation électronique AC07X (AC07), qui commande le fonctionnement du convoyeur externe, des deux spirales d’allumage et du ventilateur en fonction des exigences de la chaudière et du système de chauffage. L’électronique est protégée par un thermostat de sécurité de lachaudière, un thermostat de sécurité sur l’alimentation pellets du brûleur, un capteur de vitesse du ventilateur et une photocellule de détection de flamme. Le fonctionnement du brûleur est signalé sur l’écran de la commande électronique.
Raccordement du brûleur:le brûleur est équipé de deux connecteurs 6 broches et d’une prise pour une vis externe
– le premier connecteur sert à l’alimentation et au contrôle de puissance du brûleur. En même temps, il permet le contrôle de deux dispositifs variables directement depuis le brûleur en utilisant la réserve R et R2
– le deuxième connecteur permet de connecter jusqu’à quatre capteurs TS, TV, TK et TSV
– la prise pour le convoyeur externe à vis sans fin est utilisée pour contrôler le convoyeur pendant le fonctionnement
Dosage du combustible: par le le convoyeur externeà vis sans fin commandée depuis la commande électronique du brûleur.
– Pour le brûleur A25 les convoyeurs externes sans arbre DA1500 d’une longueur de 1,5 m, DA2000 d’une longueur de 2 m et un convoyeur DA2500 d’une longueur de 2,5 m, tous d’un diamètre de 75 mm, sont destinés.
– Pour le brûleur A45 les convoyeurs externe à arbre DRA50 d’une longueur de 1,7 m, 2,5 m, 4 m et 5 m d’un diamètre de 80 mm, ainsi que les convoyeurs sans arbre DA50 d’une longueur de 1,7 m et d’un diamètre de 90 mm, sont destinés.
Allumage du carburant : automatique à l’aide de deux spirales d’allumage électriques.
Fonctions de base du brûleur:
La possibilité d’utiliser deux sorties de réserve R et R2 pour des applications différentes
La possibilité de connecter quatre capteurs différents TS, TV, TK et TSV
TS – capteur inférieur sur le réservoir
TV – capteur supérieur sur le réservoir
TK – capteur de la chaudière ou capteur central sur le réservoir
TSV – capteur des résidus de combustion ou du panneau solaire
- commande du brûleur selon deux températures sur le réservoir tampon
- commande du ventilateur de la chaudière depuis le brûleur à l’aide de la sortie de réserve
- commande de la pompe de la chaudière depuis le brûleur à l’aide de la sortie de réserve
- commande du système solaire directement depuis le brûleur
- démarrage automatique du brûleur après la combustion du bois pour les chaudières DCxxSP
- affichage des messages d’erreur pour une résolution plus facile des problèmes potentiels
- possibilité d’afficher des informations sur les valeurs actuelles des composants électriques du brûleur
- possibilité de tester les composants électriques individuels du brûleur















