In ATMOS burners, we recommend burning only high-quality white pellets made of soft wood without bark. The advantage of the burner is the automatic ignition of the fuel by means of a glowing spiral, which ignites the pellets whenever it is necessary to flood. The burner and the boiler thus operate at full output with the highest efficiency of 85 to 90 % and the best combustion quality. Unlike many competing products, which do not have an ignition device and must always maintain a hot layer in the combustion chamber. Such low-power operation, when the flue gas temperature drops below 100 °C, causes condensation of tars and acids in the combustion chamber and chimney, lower efficiency, higher fuel consumption, poorer combustion quality, greater boiler fouling and more frequent cleaning. For our products, we collect ash only once every 7 to 30 days, depending on the quality of the fuel and the boiler output. The burners are not designed for dark pellets that sinter in the combustion chamber of the burner. In this case, we lose the comfort of heating and it is necessary to clean the combustion chamber of the burner once every 1 – 3 days.
The operation of the burner works as follows. If the burner is instructed to start, or if there is a need to heat, the conveyor pours the pellets into the burner nozzle and ignites them with a glowing spiral. After sufficient burning of the pellets, the burner will start at the set power, in which it will remain until the system is heated. Then the burner is switched off and the pellets in the burner chamber burn out. The whole cycle is always repeated if necessary. Boiler output and other burner functions are controlled by electronic burner control, which allows the boiler operation to be adapted to the specific conditions of the entire system.
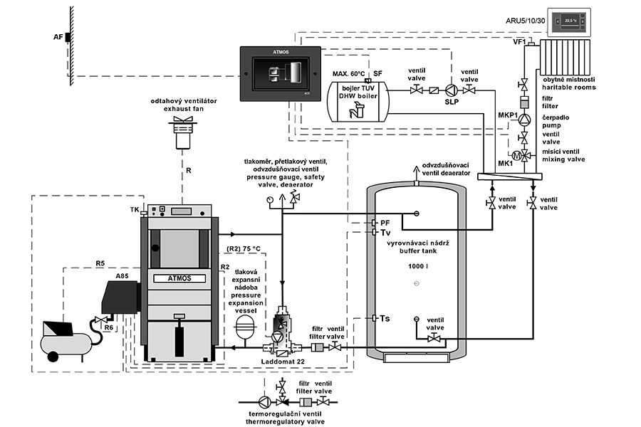
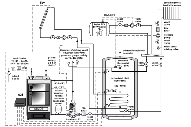
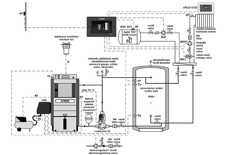
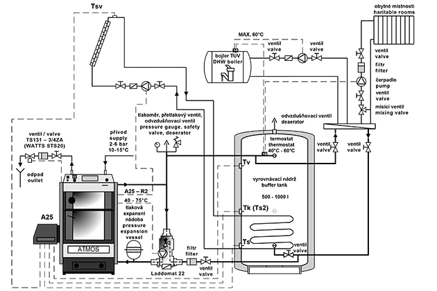
The electronic burner unit allows to control the operation of the burner by means of four sensors so that if the sensor on the solar panel finds it advantageous to heat the buffer tank with energy from the solar collector, the burner control charges the energy tank from pellets only located in the tank between the TS sensor and the TV.
The electronic burner control unit also controls the boiler exhaust fan, the pump in the boiler circuit and / or the solar system.
The ideal burner control is according to two sensors (TV and TS) on the expansion tank. The control unit monitors the heating of the buffer tank completely automatically and always guarantees sufficient energy for the heating system. This type of connection will save you fuel, electricity and increase the life of the pellet burner.
If you want to burn lower quality wood pellets, equip the burner with pneumatic cleaning.
Prescribed fuel: quality wood pellets (white) with a diameter of 6 to 8 mm, a length of 10 to 25 mm and a calorific value of 16 – 19 MJ.kg-1.
Burner display: used to display the current status of the burner and to set its functions
Burner control: electronic control AC07X (AC07), which controls the operation of the external conveyor, two ignition coils and the fan according to the requirements of the boiler and the heating system. The electronics are protected by a boiler safety thermostat, a safety thermostat on the pellet supply to the burner, a fan speed sensor and a photocell for flame sensing. The burner operation is signaled on the electronic control display.
Burner connection: the burner is equipped with two 6-pin connectors and a socket for an external screw conveyor
– the first connector is used for power supply and power control of the burner. At the same time, it allows the control of two variable devices directly from the burner using the R and R2 reserve
– the second connector is used to connect up to four sensors TS, TV, TK and TSV
– the socket for the external screw conveyor is used to control the conveyor during operation
Fuel dosing: external screw conveyor controlled by electronic burner control.
– External shaftless conveyors DA1500 with a length of 1.5 m, DA2000 with a length of 2 m and conveyor DA2500 with a length of 2.5 m, all with a diameter of 75 mm, are intended for the A25 burner.
– External shaft conveyors DRA50 with a length of 1.7 m, 2.5 m, 4 m and 5 m with a diameter of 80 mm, as well as shaftless conveyors DA50 with a length of 1.7 m and a diameter of 90 mm are intended for the A45 burner.
Fuel ignition: automatic by means of two electric ignition spirals (one ignition spiral 522W).
Basic burner functions:
Possibility to use two backup outputs R and R2 for different applications
Possibility of connecting four different sensors TS, TV, TK and TSV
TS – lower sensor on the tank
TV – sensor upper on the tank
TK – boiler sensor or middle sensor on the tank
TSV – flue gas sensor or solar panel
- burner control according to two temperatures on the expansion tank
- control of the boiler fan from the burner by means of a reserve output
- control of the boiler pump from the burner by means of a reserve output
- control of the solar system directly from the burner
- automatic burner start after wood burning for DCxxSP boilers
- displaying error messages for easier troubleshooting
- possibility to display information about current values of electrical components of the burner
- possibility of testing individual electrical components of the burner















