En los quemadores ATMOS recomendamos quemar sólo pellets de madera blanda blanca de calidad, sin corteza. La ventaja del quemador es el encendido automático del combustible mediante una espiral incandescente, que enciende los pellets cada vez que se necesita calentar. De este modo, el quemador y la caldera funcionan a pleno rendimiento con la mayor eficiencia posible y la mejor calidad de combustión. A diferencia de muchos productos de la competencia que no disponen de dispositivo de encendido y deben mantener siempre una capa incandescente en la cámara de combustión. Este funcionamiento a baja potencia, en el que la temperatura de los gases de combustión desciende por debajo de 100 °C, provoca la condensación de alquitranes y ácidos en la cámara de combustión y la chimenea, menor rendimiento, mayor consumo de combustible, peor calidad de la combustión, mayor obstrucción de la caldera y limpieza más frecuente. En el caso de nuestros productos, sólo recogemos las cenizas una vez cada 7 a 30 días, en función de la calidad del combustible y del rendimiento de la caldera. Los quemadores no están diseñados para pellets oscuros que se aglutinan en la cámara de combustión del quemador. En este caso, se pierde el confort de calefacción y la cámara de combustión del quemador debe limpiarse cada 1 – 3 días.
El funcionamiento del quemador es el siguiente. Si se ordena al quemador que se ponga en marcha o si hay necesidad de calefacción, el transportador vierte pellets en la boquilla del quemador y los enciende con la espiral de encendido. Una vez que los pellets se han encendido lo suficiente, el quemador pasa a la potencia ajustada, donde permanecerá hasta que se caliente el sistema. Luego el quemador se apaga y los pellets de la cámara de combustión se queman. El ciclo completo se repite si es necesario. La potencia de la caldera y otras funciones del quemador se controlan mediante un control electrónico que permite adaptar el funcionamiento de la caldera a las condiciones concretas de todo el sistema.
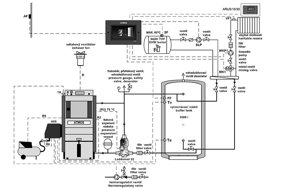
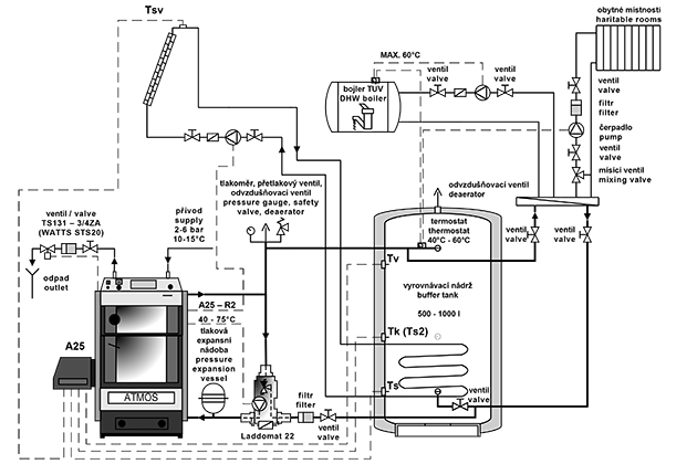
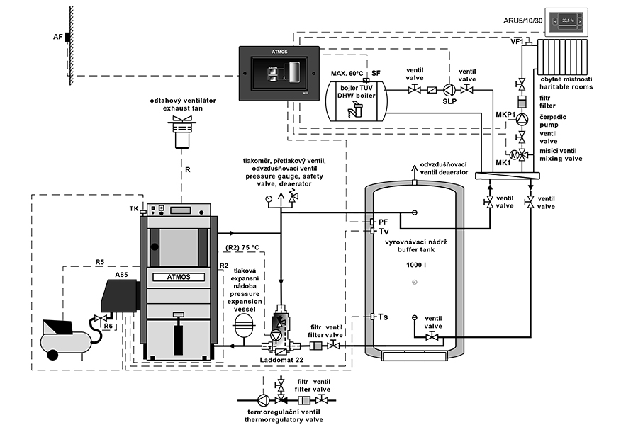
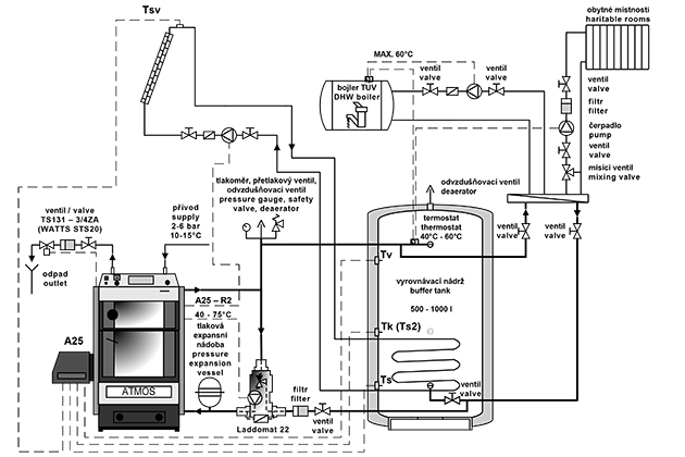
La unidad electrónica del quemador permite controlar el funcionamiento del quemador mediante cuatro sensores, de modo que si el sensor del panel solar detecta que es ventajoso calentar el depósito de inercia con energía del colector solar, el control del quemador asegura que el depósito se cargue con energía de los pellets sólo hasta el nivel del sensor TK (TS2), que se encuentra en el depósito entre el sensor TS y TV.
La unidad electrónica de control del quemador también controla el extractor de la caldera, la bomba del circuito de la caldera o el sistema solar.
El control ideal del quemador es mediante dos sensores (TV y TS) situados en el depósito de inercia. La unidad de control supervisa el calentamiento del depósito de inercia de forma totalmente automática y garantiza en todo momento energía suficiente para el sistema de calefacción. Este método de conexión le ahorra combustible, electricidad y aumenta la vida útil del quemador de pellets.
Si desea quemar pellets de madera de calidad inferior, ¡equipe el quemador con una limpieza neumática!
Combustible prescrito: pellets de madera de alta calidad (blanca) con un diámetro de 6 a 8 mm, una longitud de 10 a 25 mm y un poder calorífico de 16 a 19 MJ.kg-1.
Pantalla del quemador: sirve para visualizar el estado actual del quemador y ajustar sus funciones.
Control del quemador: por la regulación electrónica AC07X (AC07) que controla la marcha del transportador externo, dos espirales de ignición y ventilador según los requerimientos de la caldera y del sistema de calefacción. La electrónica está protegida por un termóstato de seguridad de la caldera, un termóstato de seguridad en la entrada de pellets al quemador, un sensor de velocidad del ventilador y una fotocélula para la detección de la llama. El funcionamiento del quemador se señaliza en la pantalla de la regulación electrónica.
Conexión del quemador: el quemador está equipado con dos conectores de 6 pines y una toma para un transportador sinfín externo.
– el primer conector sirve para la alimentación y el control de potencia del quemador. También permite el control de dos dispositivos variables directamente desde el quemador utilizando las reservas R y R2
– el segundo conector sirve para conectar hasta cuatro sensores TS, TV, TK y TSV
– toma para el transportador sinfín externo se utiliza para controlar el transportador durante el funcionamiento
Dosificación del combustible: mediante transportador sinfín externo controlado desde el control electrónico del quemador.
Encendido del combustible: automático con dos bobinas de encendido eléctrico.
Funciones básicas del quemador:
Posibilidad de utilizar dos salidas de repuesto R y R2 para varias aplicaciones
Posibilidad de conectar cuatro sensores diferentes TS, TV, TK y TSV
TS – sensor inferior del depósito
TV – sensor superior del depósito
TK – sensor de la caldera o sensor central del depósito
TSV – sensor de gases de combustión o sensor de panel solar
- control del quemador en función de dos temperaturas en el depósito de inercia
- control del ventilador de la caldera desde el quemador mediante la salida de reserva
- control de la bomba de la caldera desde el quemador mediante la salida de reserva
- control del sistema solar directamente desde el quemador
- arranque automático del quemador después de quemar la leña en las calderas DCxxSP
- visualización de mensajes de error para facilitar la resolución de posibles problemas
- posibilidad de visualizar información sobre los valores actuales de los componentes eléctricos del quemador
- posibilidad de ensayar componentes eléctricos individuales del quemador















