Výhody kotlů ATMOS
- možná kombinace jednotlivých druhů paliv – střídání paliva bez úprav na kotli dřevo + pelety
- vysoká účinnost při jednotlivých palivech – prakticky stejná jako u speciálních kotlů na pelety (až 92,3 % při jmenovitém výkonu)
- levnější řešení – sečteme-li náklady na pořízení dvou kotlů, jejich zapojení a odkouření (komín) zjistíme, že jeden kotel ač dražší je ekonomicky výhodnější
- malý zastavěný prostor – oproti více kotlům
- jeden komín a kouřovod
- ekologický provoz – kotel dle ČSN EN 303-5 třídy 5, EKODESIGN 2015/1189
- dotovaný kotel
- možnost volby dvířek levá/pravá
- kotel je vybaven funkcí automatického startu hořáku na pelety po dohoření dřeva
-
-
DC18SP, DC25SP, DC30SPX, DC32SP
-
-
DC40SPT
Instalace
-
-
Kotel DCxxSP s kompaktním zásobníkem AZPD 240 R a pneumatickou dopravou APS250S
-
-
Kotel DCxxSP s kompaktním zásobníkem AZPD 300 C o objemu 300 l. V této nádrži je uloženo 195 kg pelet.
-
-
Kotel DCxxSP se standardním zásobníkem na pelety 500 l. V této nádrži je uloženo 325 kg pelet.
-
-
Kotel DCxxSP s akumulačními nádržemi a ekvitermní regulací ATMOS ACD 03
-
-
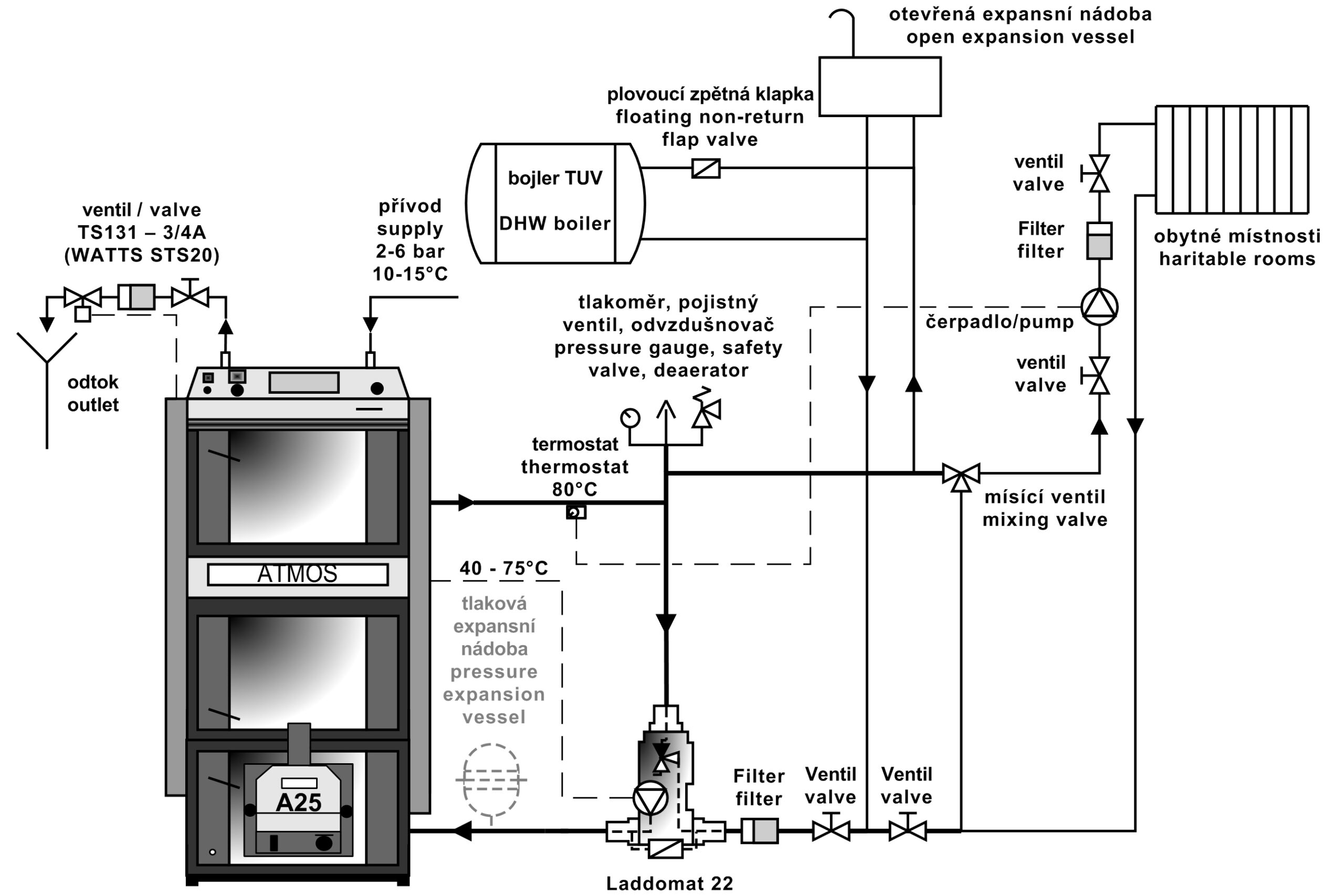
Kotel DCxxSP s Laddomatem 22
Doporučeným zapojením je zapojení kotle s Laddomatem 22 nebo termoregulačním ventilem s vyrovnávací nádrží o objemu 500 až 1000 l. Další možností je instalace kotle s akumulačními nádržemi o potřebném objemu (např. 2000 l), které navíc umožňují vytápění akumulace elektřinou nebo připojení solárních panelů.
Regulace kotlů
Provoz kotle je řízen zcela automaticky na požadovanou výstupní teplotu vody, tak aby byla zajištěna co nejvyšší účinnost kotle a nejlepší kvalita spalování. K tomu slouží:
- Regulátor tahu HONEYWELL
- Kotlový (regulační) termostat
- Spalinový termostat
- Termostat na čerpadlo
- Hlavní vypínač a přepínací vypínač provozu kotle
Kotle a hořáky DCxxSP(X)(T) jsou v provedení (model od 2018) vybaveny funkcí automatického uzavření nebo otevření přívodu vzduchu do kotle/hořáku, pomocí servopohonu, při topení dřevem nebo peletami.
Kotle jsou vybaveny čidlem teploty spalin AGF2 a čidlem teploty vody kotle KTF20 pro funkci automatického startu hořáku po dohoření dřeva. Dále jsou kotle vybaveny dvěma čidly (TV a TS) KTF20 pro ovládání hořáku podle dvou teplot na akumulační nádrži. Celý komplet je tak prodáván v maximální výbavě, pro plně automatický režim a jednoduchou instalaci „plug and play“.
-
-
Regulátor tahu FR 124
-
-
Odtahový ventilátor a kouřové hrdlo
-
-
Servopohon BELIMO a vzduchová regulační klapka
-
-
Ovládací panel se standardní regulací
Složení panelu:
Hlavní vypínač, bezpečnostní termostat, teploměr, regulační termostat a spalinový termostat
Elektromechanická regulace je optimálním řešením řízení provozu kotle (ventilátoru) jednoduchým způsobem. Provedení panelu se standartní regulací je základním provedením pro všechny vyráběné kotle.
Regulace ACD 03
Každý kotel je možné dovybavit moderní dotykovou elektronickou regulací ATMOS ACD 03 pro řízení celého topného systému v závislosti na venkovní teplotě, pokojové teplotě a čase. Tato regulace je schopna řídit i samotný kotel s ventilátorem s mnoha dalšími funkcemi.
-
-
Ovládací panel kotle s ekvitermní regulací ATMOS ACD 03
-
-
Kotel DCxxSP(X)
| Legenda k nákresu kotle DCxxSP(X) |
| 1. |
Těleso kotle |
25. |
Výplň dvířek – Sibral |
| 2. |
Dvířka plnící (pro topení dřevem) |
26. |
Těsnění dvířek – šňůra 18 x 18 |
| 3. |
Dvířka popelníková (pro topení dřevem) |
27. |
Žáruvzdorná tvarovka
– půlměsíc (clona dvířek) |
| 4. |
Odtahový ventilátor |
28. |
Hořák na pelety ATMOS A25 |
| 5. |
Žáruvzdorná tvarovka
– tryska |
29. |
Regulace primárního vzduchu |
| 6. |
Ovládací panel |
30. |
Regulace sekundárního vzduchu |
| 7. |
Bezpečnostní termostat
(Pozor – při přetopení nutno zamáčknout) |
31. |
Žáruvzdorná tvarovka
– kulový prostor – (dřevo) |
| 8. |
Regulační klapka |
32. |
Žáruvzdorná tvarovka
– zadní čelo kulového prostoru – (dřevo) |
| 9. |
Žáruvzdorná tvarovka
– prodloužení kulového prostoru – (pelety) |
33. |
Termostat na čerpadlo |
| 10. |
Žáruvzdorná tvarovka
– kulový prostor – (pelety) |
34. |
Pojistka (6,3A) T6,3A/1500 – typ H |
| 11. |
Těsnění trysky – 12 x 12 |
35. |
Spalinový termostat |
| 12. |
Dvířka – pro hořák na pelety (spodní) |
36. |
Přepínací vypínač I-0-II |
| 13. |
Roztápěcí záklopka |
37. |
Koncový spínač s tlačítkem |
| 14. |
Žáruvzdorná tvarovka
– zadní čelo kulového prostoru – (pelety) |
38. |
Kondenzátor pro odtahový ventilátor – 1 μF |
| 15. |
Čistící víčko |
39. |
Sibralové těsnění pod hořák |
| 16. |
Clona |
40. |
Měřící místo pro analyzátor spalin |
| 17. |
Táhlo zatápěcí záklopky |
41. |
Servopohon Belimo s klapkou |
| 18. |
Teploměr |
42. |
Modul AD03 |
| 19. |
Clona rámečku |
|
|
| 20. |
Vypínač s kontrolkou |
K |
– hrdlo kouřovodu |
| 21. |
Brzdič (pouze DC30SPX) |
L |
– výstup vody z kotle |
| 22. |
Regulátor výkonu – Honeywell FR 124 |
M |
– vstup vody do kotle |
| 23. |
Chladící smyčka proti přetopení – 1/2“ |
N |
– nátrubek pro napouštěcí kohout |
| 24. |
Regulační termostat |
P |
– nátrubek pro čidlo ventilu ovládajícího chladící smyčku (TS 131, STS 20) |
-
-
Kotel DC40SPT
| Legenda k nákresu kotle DC40SPT |
| 1. |
Těleso kotle |
26. |
Těsnění dvířek – šňůra 18 x 18 |
| 2. |
Dvířka plnící (pro topení dřevem) |
27. |
Žáruvzdorná tvarovka
– půlměsíc (clona dvířek) – (komora pro topení peletami) |
| 3. |
Dvířka popelníková (pro topení dřevem) |
28. |
Hořák na pelety ATMOS A45 SPT |
| 4. |
Odtahový ventilátor |
29. |
Žáruvzdorná tvarovka
– bok topeniště |
| 5. |
Žáruvzdorná tvarovka – tryska |
31. |
Žáruvzdorná tvarovka
– kulový prostor (komora pro topení dřevem) |
| 6. |
Ovládací panel |
32. |
Žáruvzdorná tvarovka
– zadní čelo kulového prostoru (komora pro topení dřevem) |
| 7. |
Bezpečnostní termostat (Pozor – při přetopení nutno zamáčknout) |
33. |
Žáruvzdorná tvarovka
– prodloužení kulového prostoru (komora pro topení dřevem) |
| 8. |
Regulační klapka |
34. |
Termostat na čerpadlo |
| 9. |
Žáruvzdorná tvarovka
– prodloužení kulového prostoru (komora pro topení peletami) |
35. |
Pojistka (6,3A) T6,3A/1500 – typ H |
| 10. |
Žáruvzdorná tvarovka
– kulový prostor (komora pro topení peletami) |
36. |
Spalinový termostat |
| 11. |
Těsnění trysky – 12 x 12 |
37. |
Přepínací vypínač I-0-II |
| 12. |
Dvířka – pro hořák na pelety |
38. |
Koncový spínač s tlačítkem |
| 13. |
Roztápěcí záklopka |
41. |
Sibralové těsnění pod hořák |
| 14. |
Žáruvzdorná tvarovka
– zadní čelo kulového prostoru (komora pro topení peletami) |
42. |
Měřící místo pro analyzátor spalin |
| 15. |
Čistící víčko |
43. |
Clona dvířek |
| 16. |
Trubkový výměník |
44. |
Modul AD03 |
| 17. |
Táhlo zatápěcí záklopky |
45. |
Žáruvzdorná tvarovka
– prodloužení trysky (kostka) |
| 18. |
Teploměr |
46. |
Kondenzátor pro odtahový ventilátor – 1μF |
| 19. |
Clona rámečku |
|
|
| 20. |
Vypínač s kontrolkou |
|
|
| 21. |
Servopohon Belimo s klapkou |
K |
– hrdlo kouřovodu |
| 22. |
Regulátor výkonu – Honeywell FR 124 |
L |
– výstup vody z kotle |
| 23. |
Chladící smyčka proti přetopení |
M |
– vstup vody do kotle |
| 24. |
Kotlový (regulační) termostat |
N |
– nátrubek pro napouštěcí kohout |
| 25. |
Výplň dvířek – Sibral |
P |
– nátrubek pro čidlo ventilu ovládajícího chladící smyčku (TS 131, STS 20) |
Rozměry kotlů
|
|
DC18SP |
DC25SP |
DC30SPX |
DC32SP |
DC40SPT |
| A |
1695 |
1695 |
1695 |
1772 |
1755 |
| B1 |
757 |
957 |
957 |
957 |
1230 |
| B2 |
1301 |
1501 |
1501 |
1501 |
1792 |
| C |
643 |
643 |
643 |
678 |
680 |
| D |
1375 |
1375 |
1375 |
1448 |
1445 |
| E |
150 / 152 |
150 / 152 |
150 / 152 |
150 / 152 |
150 / 152 |
| F |
65 |
65 |
65 |
70 |
87 |
| G |
207 |
207 |
207 |
184 |
204 |
| H |
1436 |
1436 |
1436 |
1507 |
1507 |
| CH |
212 |
212 |
212 |
212 |
256 |
| I |
212 |
212 |
212 |
212 |
256 |
| J |
6/4″ |
6/4″ |
6/4″ |
6/4″ |
6/4″ |
Technické údaje
|
Typ kotle
|
| |
DC18SP |
DC25SP |
DC30SPX |
DC32SP |
DC40SPT |
Tepelný výkon kotle
– na pelety
– na dřevo
|
kW |
4,5 – 15
20
|
6 – 20
27
|
6 – 20
30
|
6 – 20
35
|
9 – 30
40
|
Tepelný příkon kotle
– na pelety
– na dřevo |
kW |
4,9 – 16,2
22,2
|
6,5 – 21,9
27
|
6,5 – 21,9
33,4
|
6,5 – 21,9
39,4
|
9,7 – 32,3
43,9
|
Výhřevná plocha
|
m2 |
2,5 |
3,3 |
3,3 |
3,8 |
4,9 |
| Objem palivové šachty |
dm3 (l) |
66 |
100 |
100 |
140 |
160 |
| Rozměr plnícího otvoru |
mm |
450 x 260 |
450 x 260 |
450 x 260 |
450 x 260 |
450 x 260 |
Předepsaný tah komína
– na pelety
– na dřevo |
Pa/mbar
|
15 / 0,15
20 / 0,20 |
18 / 0,18
23 / 0,23 |
18 / 0,18
23 / 0,23 |
18 / 0,18
24 / 0,24 |
20 / 0,20
22 / 0,22 |
Max. prac. přetlak vody
|
kPa/bar |
250 / 2,5 |
250 / 2,5 |
250 / 2,5 |
250 / 2,5 |
250 / 2,5 |
| Hmotnost kotle |
kg |
435 |
531 |
537 |
596 |
768 |
| Průměr odtahového hrdla |
mm |
150 / 152 |
150 / 152 |
150 / 152 |
150 / 152 |
150 / 152 |
| Krytí el. části |
IP |
20 |
20 |
20 |
20 |
20 |
Elektrický příkon
– při spuštění – na pelety (max.)
– při provozu – na pelety (max.)
– při provozu – na dřevo (max.) |
W |
522 (572) / 1042 (1092)
42 (92)
50 |
572 / 1092
97
50 |
Elektrický příkon v pohotovostním stavu
|
W |
3,3 |
3,3 |
3,3 |
3,3 |
3,3 |
Zapalovací režim
|
|
automatický / manuální |
Účinnost kotle
– na pelety
– na dřevo |
% |
92,5
90,1 |
91,2
89,9 |
91,2
89,9 |
91,2
88,9 |
92,8
91,0 |
| Třída kotle |
|
5 |
5 |
5 |
5 |
5 |
| Kategorie kotle |
|
1 |
| Provozní režim |
|
nekondenzující |
| Kotel na pevná paliva s kogenerační jednotkou |
|
ne |
| Kombinované zařízení i pro ohřev TUV (integrovaný bojler v kotli) |
|
ne |
| Třída energetické účinnosti |
|
A+ |
A+ |
A+ |
A+ |
A+ |
Teplota spalin při jmenovitém výkonu dle EN 303-5
– na pelety
– na dřevo |
°C |
109
157
|
139
177
|
139
177
|
139
185
|
116
147
|
Teplota spalin / tah pro výpočet spalinové cesty (komínu)
– dřevo |
°C / Pa |
177 / 20 |
197 / 23 |
197 / 23
|
205 / 24 |
167 / 22 |
Hmotnostní průtok spalin při jmenovitém výkonu
– na pelety
– na dřevo |
kg / s |
0,008
0,012 |
0,011
0,014 |
0,011
0,017 |
0,011
0,020 |
0,017
0,023 |
| Předepsané palivo pro ruční přikládání |
|
Suché dřevo (kulatina) o výhřevnosti 15 – 17 MJ.kg-1 o obsahu vody 12 – 20 %, průměru 80 – 150 mm
|
| Palivo pro automatické přikládání – pelety |
|
Kvalitní pelety o průměru 6 – 8 mm, délce 10 – 40 mm o výhřevnosti 15 – 18 MJ.kg-1
|
Průměrná spotřeba paliva na dřevo při jmenovitém výkonu
|
kg.h-1 |
5,6 |
7,2 |
7,6 |
9,2 |
10,1 |
| Na topnou sezónu |
|
1 kW = 1 prostorový metr
|
| Předepsaná délka dřeva |
mm |
330 |
530 |
530 |
530 |
730 |
Doba hoření při jmenovitém výkonu
– na dřevo |
hod. |
2 |
3 |
2 |
2 |
2,5 |
| Objem vody v kotli |
l |
78 |
109 |
109 |
160 |
131 |
| Hydraulická ztráta kotle |
mbar |
0,22 |
0,23 |
0,23 |
0,23 |
0,23 |
| Minimální objem vyrovnávací nádrže |
l |
500 |
500 |
500 |
500 |
750 – pelety
2200 – dřevo |
| Připojovací napětí |
V / Hz |
230 / 50 |
| EKODESIGN |
|
ano |
ano |
ano |
ano |
ano |
| Dotované kotle v ČR |
|
ano / SVT23553 |
ano / SVT901 |
ano / SVT21126 |
ano / SVT21218 |
ano / SVT33492 |
| Předepsaná minimální teplota vratné vody v provozu je 65 °C. |
| Předepsaná provozní teplota kotle je 80 – 90 °C. |
Hořák
Používaný hořák na pelety pro kotle DC18SP, DC25SP, DC30SPX, DC32SP, DC40SPT
Hořáky v provedení pro modely DCxxSP(X)(T) jsou vybaveny funkcí automatického uzavření nebo otevření přívodu vzduchu do hořáku, pomocí servopohonu, při topení dřevem nebo peletami.
Předepsané palivo: kvalitní dřevěné pelety (bílé) o průměru 6 až 8 mm, délce 10 až 40 mm a výhřevnosti 15 – 18 MJ.kg-1.
Displej hořáku: slouží k zobrazení aktuálního stavu hořáku a k nastavení jeho funkcí
Řízení hořáku: elektronická regulace AC07X, která ovládá chod externího dopravníku, dvou zapalovacích spirál a ventilátoru dle požadavků kotle a topného systému. Elektronika je jištěná bezpečnostním termostatem kotle, bezpečnostním termostatem na přívodu pelet do hořáku, snímačem otáček ventilátoru a fotocelou pro snímání plamene. Chod hořáku je signalizován na displeji elektronické regulaci.
Zapalování paliva: automatické za pomoci dvou elektrických zapalovacích spirál.
Základní funkce hořáku:
Možnost využití dvou rezervních výstupů R a R2 pro různé aplikace
Možnost zapojení čtyř různých čidel TS, TV, TK a TSV
TS – čidlo spodní na nádrži
TV – čidlo vrchní na nádrži
TK – čidlo kotle nebo prostřední čidlo na nádrži
TSV – čidlo spalin nebo solárního panelu
- řízení hořáku podle dvou teplot na vyrovnávací nádrži
- řízení ventilátoru kotle z hořáku za pomoci rezervního výstupu
- řízení kotlového čerpadla z hořáku za pomoci rezervního výstupu
- ovládání solárního systému přímo z hořáku
- automatický startu hořáku po dohoření dřeva u kotlů DCxxSP(X)(T)
Hořáky jsou určeny pouze pro kvalitní bílé pelety z měkkého dřeva bez kůry o průměru 6 – 8 mm, o délce 10 – 40 mm a výhřevnosti 15 – 18 MJ.kg-1. Hořák není určen pro pelety, které se spékají ve spalovací komůrce hořáku. V takovém případě je nutné spalovací komůrku hořáku čistit jednou denně
- Šnekový dopravník pro hořák ATMOS A25 – DA1500 o délce 1,5 m a průměru 75 mm
- Šnekový dopravník pro hořák ATMOS A25 – DA2000 o délce 2 m a průměru 75 mm
- Šnekový dopravník pro hořák ATMOS A25 – DA2500 o délce 2,5 m a průměru 75 mm
- Šnekový dopravník pro hořák ATMOS A25 – DA3000 o délce 3 m a průměru 75 mm
- Šnekový dopravník pro hořák ATMOS A25 – DA4000 o délce 4 m a průměru 75 mm
- Šnekový dopravník pro hořák ATMOS A45 – DRA50 o délce 1,7 m a průměru 80 mm
- Šnekový dopravník pro hořák ATMOS A45 – DRA50 o délce 2,5 m a průměru 80 mm
- Šnekový dopravník pro hořák ATMOS A45 – DRA50 o délce 4 m a průměru 80 mm
- Šnekový dopravník pro hořák ATMOS A45 – DRA50 o délce 5 m a průměru 80 mm
Ke všem kombinovaným kotlům na dřevo a pelety lze rovněž připojit kompaktní zásobník AZPD