Kotle jsou konstruovány pro elektronicky řízené spalování pelet s automatickým zapalováním paliva. Hořák na pelety je zabudován v přední části kotle ve dvířkách spodní spalovací komory. Tato komora je vyložena keramickými tvarovkami pro ideální dohoření plamene s vysokou účinností a slouží také jako prostor pro popel. V zadní části kotle je umístěn trubkový výměník osazený segmentovými brzdiči s funkcí hrubého (provozního) čištění bez nutnosti jejich vyndávání.
Těleso kotlů je vyrobeno jako svařenec z ocelových plechů o síle 3 – 5 mm. Zvenčí tepelně izolováno minerální plstí a sibralovou izolací, vloženou pod plechové kryty vnějšího pláště kotlů. Ve vrchní části je umístěn zásobník paliva, ze kterého jsou pelety dopravovány do hořáku pomocí šnekového dopravníku. Dávkování paliva je řízeno zcela automaticky. V přední části kotlů je panel s hlavním vypínačem, vypínačem hořáku na pelety (L2) pro případ čištění, provozním (kotlovým regulačním) termostatem, bezpečnostním termostatem, teploměrem a pojistkou 6,3 A. Kotle DxxPX jsou vybaveny odtahovým ventilátorem (mimo D10PX). Kotel není vybaven chladící smyčkou proti přetopení, neboť díky malému množství paliva v hořáku nehrozí přetopení kotle při výpadku elektrické energie.
Výhody speciálních kompaktních kotlů ATMOS nové konstrukce
- Malé rozměry – kompaktní provedení pro malé kotelny – šířka kotle pouze 594 mm – D10PX, pouze 674 mm – D15PX, D20PX, D25PX
- Vše v jednom – kotel, šnekový dopravník a speciální hořák a zásobník na pelety na 1 až 3 dny na malém prostoru
- Velký komfort vytápění – automatický provoz s automatickým zapalováním pelet podle požadované teploty (jako u plynového kotle)
- Jednoduchá obsluha – možnost výběru regulace kotle – jednoduchá elektromechanická / ekvitermní s dotykovým displejem
- Vzdálené ovládání – možnost spínání kotle jednoduchým pokojovým termostatem nebo ovládání přes mobilní telefon nebo počítač při použití ekvitermní regulace ATMOS ACD 03 a WIFI brány WG 1000
- Vysoká účinnost 91 až 93 % podle typu – malá spotřeba paliva
- Ekologicky šetrné spalování – kotel dle ČSN EN 303-5 třídy 5 splňující evropskou směrnici o EKODESIGNU 2015/1189
- Snadné čištění – vybírání popela pouze zepředu – jedno vybírací místo pro všechno – trubkový výměník s čistícím mechanismem bez nutnosti rozebírat celý kotel a vyndávat keramiku z kotle („žádné lego“)
- Odtahový ventilátor (mimo D10PX) – pro horší tahové podmínky – bezprašné vybírání popela jednou za 7 až 30 dní
- Pneumatické čištění hořáku – možnost doplnit kotel o automatické čištění hořáku, které umožní spalovat méně kvalitní pelety – volitelné příslušenství
- Pneumatická doprava pelet – kotel možno doplnit o pneumatickou dopravou pelet z externího velkého zásobníku na celou sezónu – volitelné příslušenství
- Speciální funkce kotle – ochrana kotle proti nízké teplotě spalin (životnost komínu), ochrana proti úplnému vyprázdnění podávacího dopravníku
- Nástavce zásobníku pelet – každý kotel je možné doplnit o nástavec pro zvětšení objemu zásobníku pelet (prodloužení doby hoření bez přikládání)
-
-
Ovládací panel a propojovací hadice od dopravníku
-
-
Otevřený zásobník pelet o objemu 65 l / 175 l / 215 l
-
-
Trubkový výměník s brzdiči
-
-
Otevřená spalovací komora s hořákem ATMOS A25
-
-
Spalovací komora s keramickými tvarovkami
-
-
Odtahový ventilátor (mimo D10PX) a kouřové hrdlo
Instalace
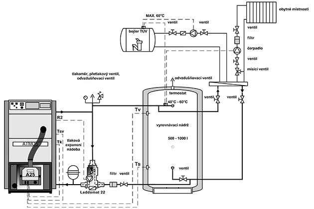
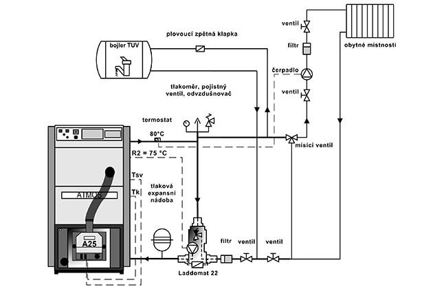
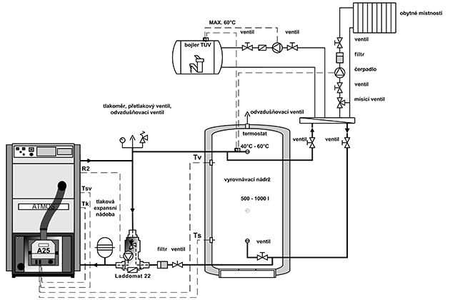
Předepsaným řešením je zapojení kotle s Laddomatem 22 nebo termoregulačním ventilem, který umožňuje vytvoření odděleného kotlového a topného (primárního a sekundárního) okruhu, tak abychom zajistili minimální teplotu vratné vody do kotle 65 °C. Čím vyšší bude teplota vratné vody do kotle, tím méně bude kondenzovat dehtů a kyselin, které poškozují těleso kotle.
Výstupní teplotu kotle udržujeme v rozsahu 80 – 90 °C a na mísícím trojcestném ventilu si nastavíme teplotu vody do radiátorů nebo podlahového topení podle potřeby (např. 30 – 80 °C).
Další variantou je zapojení kotle s trojcestným mísícím ventilem a servopohonem řízeným z regulace (např. ACD 03, ACD 04) pro udržení minimální teploty vratné vody do kotle (65 – 75 °C).
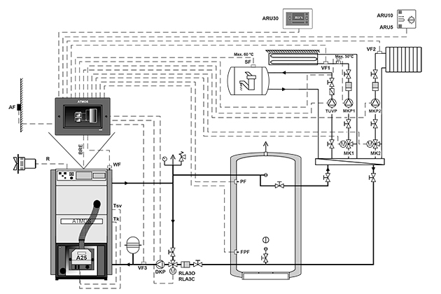
Kotle D10PX, D15PX, D20PX a D25PX doporučujeme vždy zapojit s vyrovnávací nádrží o objemu 500 až 1000 l. Při zapojení kotle s vyrovnávací (akumulační) nádrží je kotel nejlépe řízen podle dvou čidel TS a TV umístěných na nádrži. Pro ovládání hořáku pomocí dvou teplot na vyrovnávací (akumulační) nádrži je nutné tuto nádrž osadit dvěma čidly KTF 20 (čidla TV a TS).
-
-
Laddomat 22
-
-
Zapojení kotle DxxPX s vyrovnávací nádrží
-
-
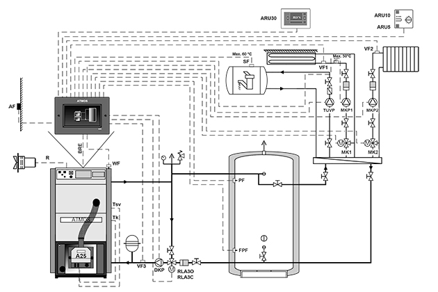
Zapojení kotle DxxPX s vyrovnávací nádrží a regulací ACD03
-
-
Možné zapojení kotle DxxPX bez vyrovnávací nádrže a řízení kotlového čerpadla podle teploty kotle (čidla TK) z hořáku A25
-
-
Zapojení kotle s Laddomatem 22 a akumulační nádrží – schéma
Regulace kotlů
Kotle jsou dodávány spotřebiteli se základní regulací výkonu kotle, která splňuje požadavky na komfort topení a jeho bezpečnost. Regulace zajišťuje požadovanou výstupní teplotu vody z kotle (80 – 90 °C). Kotle jsou vybaveny konektorem pro připojení čerpadla v kotlovém okruhu a funkcemi pro jeho ovládání přímo z regulace hořáku ATMOS A25.
Kotle DxxPX jsou z výroby osazeny čidly teploty kotle TK a teploty spalin TSV. Čidlo TK zasunuté v jímce kotle, čidlo spalin TSV zabudované do kouřového kanálu kotle, vše společně zapojeno přímo do konektoru hořáku. Hořák na pelety ATMOS A25 přímo ovládá odtahový ventilátor kotle (rezervou R) a čerpadlo v kotlovém okruhu (rezervou R2). Výstup R2 je z výroby dán do série s termostatem pro čerpadlo v kotlovém okruhu TČ70 °C.
Při doporučeném zapojení kotle s vyrovnávací (akumulační) nádrží je kotel nejlépe řízen podle dvou čidel TS a TV umístěných na nádrži. Spínání čerpadel v systémovém okruhu není v tomto případě závislé na teplotě kotle, proto je řešíme podle potencionálních potřeb systému.
-
-
Ovládací panel kotle se standardní regulací
Složení panelu:
Hlavní vypínač, bezpečnostní termostat, teploměr, regulační termostat a spalinový termostat
Elektromechanická regulace je optimálním řešením řízení provozu kotle (ventilátoru) jednoduchým způsobem.
Provedení panelu se standardní regulací je základním provedením pro všechny vyráběné kotle.
Ekvitermní regulace ACD 03
Každý kotel je možné dovybavit moderní dotykovou elektronickou regulací ATMOS ACD 03 pro řízení celého topného systému v závislosti na venkovní teplotě, pokojové teplotě a čase. Tato regulace je schopna řídit i samotný kotel s ventilátorem s mnoha dalšími funkcemi.
-
-
Ovládací panel kotle s ekvitermní regulací ATMOS ACD 03
Přikládání paliva
Kotel je vybaven integrovaným zásobníkem paliva, který je nutno doplňovat v intervalu 1 – 3 dny.
Objeví-li se na displeji hořáku alarmové hlášení ALARM PELLETS – DOPLNIT PELETY, je nutné doplnit pelety do zásobníku paliva. Odklopte víko zásobníku ve vrchní části kotle a doplňte pelety. Po doplnění pelet není nutné načerpat pelety do dopravníku! Kotel je vybaven speciální funkcí proti jeho úplnému vyprázdnění.
V případě, že interval doplňování paliva bude pro vaše potřeby příliš krátký, je možné ke kotli dokoupit nástavec zásobníku o výšce 200 mm (45 l pro D10PX; 65 l pro D15PX, D20PX; 90 l pro D25PX nebo 300 mm (68 l pro D10PX; 95 l pro D15PX, D20PX; 135 l pro D25PX). Nástavce je možné skládat na sebe. Ke kotli je však nutné dokoupit schůdky pro pohodlné doplňování paliva dle všech platných bezpečnostních předpisů.
Ideálním řešením je však doplnění kotle o pneumatickou dopravu pelet ATMOS APS 150 SPX (D10PX) / ATMOS APS 250 SPX (D15PX a D20PX) / ATMOS APS 250 SPX2 (D25PX) pro pohodlné automatické doplňování paliva z libovolného zásobníku, např. na celou sezónu (textilní silo, samostatná místnost).
-
-
Ukázka standardního doplňování pelet z 15 kg pytlů
-
-
Kotel s pneumatickou dopravou pelet ATMOS APS 250 SPX(2)
-
-
Nástavec zásobníku pelet pro kotle DxxPX
-
-
Kotel DxxPX s nástavcem zásobníku 300 mm

Prostor kotelny s kotlem DxxPX a zásobníkem
s vícebodovým nasáváním pelet pneumatickou dopravou ATMOS APS 250 SPX(2)
Čištění kotle
Čištění kotle a hořáku je nutné provádět pravidelně a důkladně jednou za 5 až 14 dnů podle kvality pelet a nastavení výkonu.
Kotle jsou určeny pouze pro kvalitní bílé pelety z měkkého dřeva bez kůry o průměru 6 – 8 mm, o délce 10 – 40 mm a výhřevnosti 15 – 18 MJ.kg-1. Kotel není určen pro pelety, které se spékají ve spalovací komůrce hořáku. V takovém případě je nutné spalovací komůrku hořáku čistit jednou denně nebo lze hořák na pelety ATMOS A25 vybavit pneumatickým čištěním spalovací komůrky. Toto čištění ocení především ti, kteří spalují méně kvalitní pelety, které vytvářejí určité spečence.
Pohodlné vybírání popela – jednoduché čištění pouze zepředu. Popel vybereme z celé spalovací komory pomocí půlkulatého popelníku (příslušenství kotle). Popelník zasuneme do kotle na doraz, přiražením o zadní stěnu popel nahrneme do popelníku a vytáhneme. Popelník v kotli nikdy nenecháváme!
Kotle DxxPX jsou vybaveny funkcí provozního čištění trubkového výměníku. Pro provozní čištění trubkového výměníku a brzdičů použijeme madlo na čistícím víčku v zadní části kotle ukryté pod krytem. Opakovaným vytažením a puštěním madla dojde k oklepání popílku z brzdičů a oškrábání stěn trubkovnice.
-
-
Ukázka vybírání popela pomocí popelníku
-
-
Ukázka provozního čištění trubkového výměníku

Legenda k nákresu kotle
|
| 1. |
Těleso kotle |
17. |
Regulační (kotlový) termostat |
| 2. |
Dvířka čistící |
18. |
Vypínač hořáku (černý) |
| 3. |
Hořák na pelety ATMOS A25 |
19. |
Bezpečnostní termostat |
| 4. |
Ovládací panel |
20. |
Pojistka T6,3A/1500 – typ H |
| 5. |
Šnekový dopravník |
21. |
Kryt čistícího víčka |
| 6. |
Výplň dvířek – Sibral velký s otvorem pro hořák |
22. |
Ventilátor – odtahový (kromě D10PX) |
| 7. |
Těsnění dvířek 18 x 18 mm |
23. |
Kondenzátor pro odtahový ventilátor – 1μF |
| 8. |
Uzávěr |
24. |
Čistící víčko zadního kanálu |
| 9. |
Izolace pod hořák |
25. |
Víko zásobníku |
| 10. |
Zásobník paliva
– 65 l (D10PX)
– 175 l (D15PX, D20PX)
– 215 l (D25PX) |
26. |
Propojovací hadice hořáku – Ø 65 mm
– délka 550 mm (D15PX, D20PX, D25PX)
– délka 480 mm (D10PX) |
| 11. |
Trubkový výměník |
|
|
| 12. |
Brzdič s čistícím táhlem a madlem |
|
|
| 13. |
Žáruvzdorná tvarovka – dno topeniště + zadní čelo pro D10PX |
K |
hrdlo kouřovodu |
| 14. |
Žáruvzdorná tvarovka – clona |
L |
výstup vody z kotle |
| 15. |
Teploměr |
M |
vstup vody do kotle |
| 16. |
Hlavní vypínač (červený) |
N |
nátrubek pro napouštěcí kohout |
Rozměry kotlů
|
Typ kotle
|
|
D10PX |
D15PX |
D20PX |
D25PX |
| A |
1221 |
1411 |
1411 |
1411 |
| B1 |
995 |
1145 |
1145 |
1345 |
| B2 |
1150 |
1447 |
1447 |
1647 |
| C |
594 |
674 |
674 |
674 |
| D |
1012 |
1213 |
1213 |
1213 |
| E |
128/130 |
150/152 |
150/152 |
150/152 |
| G |
140 |
140 |
140 |
140 |
| H |
950 |
1150 |
1150 |
1150 |
| CH |
166 |
166 |
166 |
166 |
| I |
180 |
180 |
180 |
180 |
| J |
6/4″ |
6/4” |
6/4” |
6/4” |
| Technické údaje |
Typ kotle |
| |
D10PX |
D15PX |
D20PX |
D25PX |
| Tepelný výkon kotle |
kW |
3 – 10 |
4,5 – 15 |
4,5 – 20 |
4,5 – 24 |
| Tepelný příkon kotle |
kW |
3,2 – 10,9 |
4,8 – 16,3 |
4,8 – 21,9 |
4,8 – 26,2 |
| Výhřevná plocha |
m2 |
1,5 |
1,9 |
1,9 |
2,2 |
| Objem palivové šachty (zásobníku) |
dm3 (l) |
65 |
175 |
175 |
215 |
| Rozměr plnícího otvoru |
mm |
502 x 480 |
542 x 480 |
542 x 480 |
542 x 480 |
| Předepsaný tah komína |
Pa/mbar |
13 / 0,13 |
15 / 0,15 |
16 / 0,16 |
17 / 0,17 |
| Maximální pracovní přetlak vody |
kPa/bar |
250 / 2,5 |
250 / 2,5 |
250 / 2,5 |
250 / 2,5 |
| Hmotnost kotle |
kg |
287 |
345 |
345 |
418 |
| Průměr odtahového hrdla |
mm |
128/130 |
150/152 |
150/152 |
150/152 |
| Krytí el. části |
IP |
20 |
20 |
20 |
20 |
Zapalovací režim
|
|
automatický |
Elektrický příkon (pomocný)
– při spuštění – standardní / speciální
– při provozu – minimální / nominální |
W |
522 / 1042
22 / 42 |
572 / 1092
22 / 92 |
572 / 1092
22 / 92 |
572 / 1092
22 / 92 |
Elektrický příkon v pohotovostním stavu
|
W |
3,3 |
3,3 |
3,3 |
3,3 |
| Účinnost kotle – přímá |
% |
91,6 |
92,7 |
91,5 |
91,8 |
Užitečná účinnost při jmenovitém výkonu (ηn)
|
% |
85,8 |
84,0 |
83,4 |
83,8 |
| Třída kotle |
|
5 |
5 |
5 |
5 |
| Kategorie kotle |
|
1 |
| Provozní režim |
|
nekondenzující |
| Kotel na pevná paliva s kogenerační jednotkou |
|
ne |
| Kombinované zařízení i pro ohřev TUV (integrovaný bojler v kotli) |
|
ne |
| Třída energetické účinnosti |
|
A+ |
A+ |
A+ |
A+ |
| Teplota spalin při jmenovitém výkonu (pelety) dle EN303-5 |
°C |
117 |
118 |
142 |
145 |
| Teplota spalin / tah pro výpočet spalinové cesty (komínu) |
°C / Pa |
127 / 13 |
128 / 15 |
142 / 16 |
145 / 17 |
| Hmotnostní průtok spalin při jmenovitém výkonu (pelety) |
kg/s |
0,055 |
0,083 |
0,011 |
0,013 |
| Předepsané palivo (preferované) |
|
kvalitní dřevěné pelety o průměru 6 – 8 mm, délce 10 až 40 mm a výhřevnosti 15 – 18 MJ.kg-1 |
| Průměrná spotřeba paliva – pelet při jmenovitém výkonu |
kg |
2,3 |
3,6 |
4,5 |
5,4 |
| Objem vody v kotli |
l |
50 |
76 |
76 |
85 |
| Hydraulická ztráta kotle |
mbar |
0,19 |
0,20 |
0,20 |
0,22 |
| Minimální objem vyrovnávací nádrže |
l |
300 |
500 |
500 |
500 |
| Připojovací napětí |
V/Hz |
230/50 |
| EKODESIGN |
|
ano |
ano |
ano |
ano |
| Dotované kotle v ČR |
|
ano / SVT23633 |
ano / SVT21856 |
ano / SVT21857 |
ano / SVT23021 |
Předepsaná minimální teplota vratné vody v provozu je 65 °C.
Předepsaná provozní teplota kotle je 80 – 90 °C.
Hořák
pro kotle D10PX, D15PX, D20PX a D25PX
Předepsané palivo: kvalitní dřevěné pelety (bílé) o průměru 6 až 8 mm, délce 10 až 40 mm a výhřevnosti 15 – 18 MJ.kg-1.
Displej hořáku: slouží k zobrazení aktuálního stavu hořáku a k nastavení jeho funkcí
Řízení hořáku: elektronickou regulací AC07X, která ovládá chod externího dopravníku, dvou zapalovacích spirál a ventilátoru dle požadavků kotle a topného systému. Elektronika je jištěná bezpečnostním termostatem kotle, bezpečnostním termostatem na přívodu pelet do hořáku, snímačem otáček ventilátoru a fotocelou pro snímání plamene. Chod hořáku je signalizován na displeji elektronické regulace.
Hořák v provedení pro kotle DxxPX obsahuje navíc rozšiřovací modul AC07X-C – (R5, R6) pro ovládání pneumatického čištění hořáku nebo jiné možné aplikace.
Zapalování paliva: automatické za pomoci dvou elektrických zapalovacích spirál.
Základní funkce hořáku:
Rezervní výstupy R a R2 pro ovládání odtahového ventilátoru kotle a čerpadla v kotlovém okruhu (zapojeno z výroby)
Možnost využití dvou rezervních výstupů R5 a R6 pro různé aplikace
Možnost zapojení čtyř různých čidel TS, TV, TK a TSV
TK – čidlo teploty kotle (zapojeno z výroby)
TSV – čidlo tepoty spalin (zapojeno z výroby)
TS – čidlo spodní teploty na nádrži
TV – čidlo vrchní teploty na nádrži
- řízení ventilátoru kotle z hořáku za pomoci rezervního výstupu (R) (zapojeno z výroby) (mimo D10PX)
- řízení kotlového čerpadla z hořáku za pomoci rezervního výstupu (R2) (zapojeno z výroby)
- řízení hořáku podle dvou teplot na vyrovnávací nádrži
Dávkování paliva: pro kotle DxxPX je určen speciální dopravník DRA25 zabudovaný přímo v kotli. Tento dopravník je řízen z elektronické regulace hořáku a dávkuje palivo ze zásobníku do hořáku.