Si consiglia di bruciare nei bruciatori ATMOS solo pellet bianco di legno tenero senza corteccia, di qualità. Il vantaggio del bruciatore consiste nell’accensione automatica del combustibile per mezzo della spirale incandescente in qualsiasi momento, quando necessario. In tale modo sia il bruciatore che la caldaia funzionano a piena potenza, con la massima efficienza e la migliore qualità di combustione. A differenza da molti prodotti della concorrenza, privi del dispositivo di accensione, che devono mantenere uno strato ardente nella camera di combustione. Le conseguenze di tale funzionamento a potenza ridotta, durante il quale la temperatura dei fumi scende al di sotto dei 100 °C, sono: condensazione del catrame e degli acidi all’interno della camera di combustione e del camino, efficienza ridotta, maggiore consumo del combustibile, peggioramento della qualità di combustione, maggiore intasamento della caldaia e pulizia più frequente. Con le nostre caldaie, le ceneri vanno estratte solo una volta ogni 7 – 30 giorni, in funzione della qualità del combustibile e della potenza della caldaia. I bruciatori non sono indicati per pellet scuro che genera scorie all’interno della camera del bruciatore. In tale caso, oltre al peggioramento del comfort del riscaldamento, la camera del bruciatore deve essere pulita una volta ogni 1 – 3 giorni.
Il bruciatore funziona nel modo seguente. Se il bruciatore riceve l’ordine di partire o quando sorge la necessità di riscaldare, il trasportatore di pellet convoglia i pellet nell’ugello del bruciatore e li accende con la spirale incandescente. Quando il pellet brucia bene, il bruciatore passa alla potenza impostata, alla quale lavora fino al riscaldamento dell’impianto. Successivamente si spegne e la combustione del pellet nella camera del bruciatore si completa. Se necessario, l’intero ciclo si ripete. La potenza della caldaia e le altre funzioni del bruciatore sono controllate dalla centralina elettronica di regolazione del bruciatore che consente di adattare il funzionamento della caldaia alle condizioni specifiche dell’intero impianto.
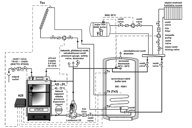
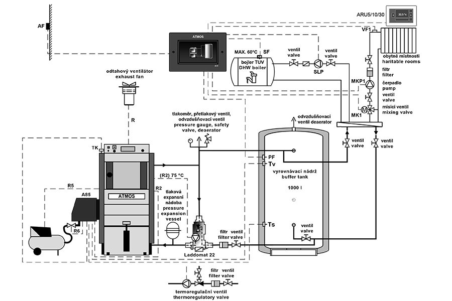
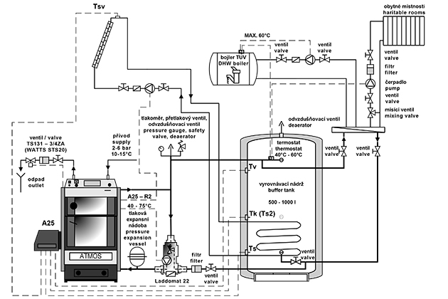
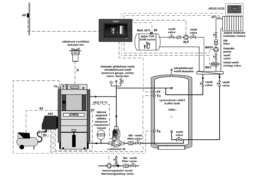
La centralina elettronica del bruciatore controlla il funzionamento dello stesso in collaborazione con quattro sensori: se il sensore presente sul pannello solare rileva la convenienza del riscaldamento del serbatoio di compensazione con l’energia proveniente dal collettore solare, la centralina di regolazione del bruciatore riscalda il serbatoio con l’energia da pellet solo fino al livello del sensore TK (TS2) posizionato sul serbatoio tra i sensori TS e TV.
La centralina elettronica del bruciatore controlla anche il ventilatore aspirante della caldaia, la pompa del circuito caldaia o l’impianto solare.
Il controllo ideale del bruciatore è quello in funzione dei due sensori (TV e TS) sul serbatoio di compensazione. La centralina controlla in modo completamente automatico il riscaldamento del serbatoio di compensazione, garantendo sempre l’energia sufficiente per l’impianto di riscaldamento. Questo tipo di collegamento risparmia sia il combustibile che l’energia elettrica e aumenta la vita elevate del bruciatore a pellet.
In caso di combustione di pellet di legno di bassa qualità, il bruciatore va dotato di pulizia pneumatica!
Combustibile prescritto: pellet di legno di qualità (bianco) dal diametro 6 – 8 mm, lunghezza 10 – 25 mm e potere calorifico 16–19 MJ/kg-1.
Display del bruciatore: serve per visualizzare lo stato attuale del bruciatore e per impostarne le funzioni.
Controllo del bruciatore: mediante la centralina elettronica di regolazione AC07X(AC07) che controlla il funzionamento del trasportatore esterno, delle due spirali di accensione e del ventilatore in funzione delle richieste della caldaia e dell’impianto di riscaldamento. L’elettronica è protetta da: termostato di sicurezza della caldaia, termostato di sicurezza sull’alimentazione pellet al bruciatore, sensore giri ventilatore e fotocellula di rilevamento fiamma. Il funzionamento del bruciatore è segnalato sul display della centralina elettronica di regolazione.
Collegamento del bruciatore: il bruciatore è dotato di due connettori a 6 pin e di una presa per la coclea trasporto esterna
– il primo connettore serve per l’alimentazione e il controllo di potenza del bruciatore. Allo stesso tempo, consente il controllo, tramite la riserva R e R2, di due dispositivi variabili direttamente dal bruciatore
– il secondo connettore serve per il collegamento di quattro sensori TS, TV, TK e TSV al massimo
– la presa per la coclea trasporto esterna serve per controllare il trasportatore durante il funzionamento
Dosaggio del combustibile: con una coclea trasporto esterna controllata dalla centralina elettronica di regolazione del bruciatore.
Accensione del combustibile: automatica con due spirali di accensione elettriche.
Funzioni principali del bruciatore:
Possibilità di sfruttamento di due uscite di riserva R e R2 per applicazioni diverse
Possibilità di collegamento di quattro diversi sensori TS, TV, TK e TSV
TS – sensore inferiore sul serbatoio
TV – sensore superiore sul serbatoio
TK – sensore caldaia o sensore centrale sul serbatoio
TSV – sonda fumi o sensore del pannello solare
- controllo del bruciatore in funzione delle due temperature rilevate sul serbatoio di compensazione
- controllo del ventilatore caldaia dal bruciatore con utilizzo dell’uscita di riserva
- controllo della pompa caldaia dal bruciatore con utilizzo dell’uscita di riserva
- controllo dell’impianto solare direttamente dal bruciatore
- accensione automatica del bruciatore, una volta terminata la combustione della legna sulle caldaie DCxxSP
- visualizzazione dei messaggi di errore per facilitare la risoluzione di eventuali problemi
- possibilità di visualizzare informazioni sui valori attuali dei componenti elettrici del bruciatore
- possibilità di fare un test dei singoli componenti elettrici del bruciatore















