Wir empfehlen, in ATMOS-Brennern nur hochwertige weiße Pellets aus Weichholz ohne Rinde zu verbrennen. Der Vorteil des Brenners liegt in der automatischen Brennstoffzündung mittels einer Glühspirale, die die Pellets immer dann anzündet, wenn Heizbedarf besteht. Sowohl der Brenner als auch Kessel arbeiten deshalb mit voller Leistung, dem höchsten Wirkungsgrad von 85 bis 90 % und der besten Verbrennungsqualität. Sie unterscheiden sich dadurch von den Konkurrenzprodukten, die keine Zündanlage besitzen und immer eine glühend heiße Schicht im Verbrennungsraum halten müssen. Solcher Betrieb mit niedriger Leistung, bei der die Temperatur der Verbrennungsprodukte 100 °C untersteigt hat die Kondensation von Teeren und Säuren im Verbrennungsraum und Kamin, einen niedrigeren Wirkungsgrad, höheren Brennstoffverbrauch, schlechtere Verbrennungsqualität, größere Verschmutzung des Kessels mit den Anforderungen an Häufigkeit der Reinigung zur Folge. Bei unseren Kesseln ist die Entleerung von Asche nur einmal pro 7 bis 30 Tage erforderlich, in Abhängigkeit von der Brennstoffqualität und Kesselleistung. Der Brenner ist nicht für dunkle Pellets bestimmt, die sich in der Verbrennungskammer des Brenners zusammenbacken. Im solchen Falle verliert man den Heizkomfort und es ist notwendig, die Verbrennungskammer des Brenners einmal pro 1 – 3 Tage zu reinigen.
Der Brenner arbeitet wie folgt. Liegt ein Startbefehl vor oder ist die Beheizung erforderlich, schüttet der Schneckenförderer die nötige Pelletsmenge in die Brennerspitze, wo die Glühspirale die Pellets automatisch anzündet. Nachdem Pellets aufbrennen schaltet sich der Brenner auf die eingestellte Leistung um und arbeitet solange, bis das System genügend beheizt ist. Dann schaltet er sich aus und Pellets in der Brennerkammer brennen aus. Nach Bedarf kann sich das ganze Zyklus wiederholen. Die Kesselleistung und andere Brennerfunktionen sind elektronisch geregelt, sodass sie den bestimmten Systembedingungen angepasst werden können.
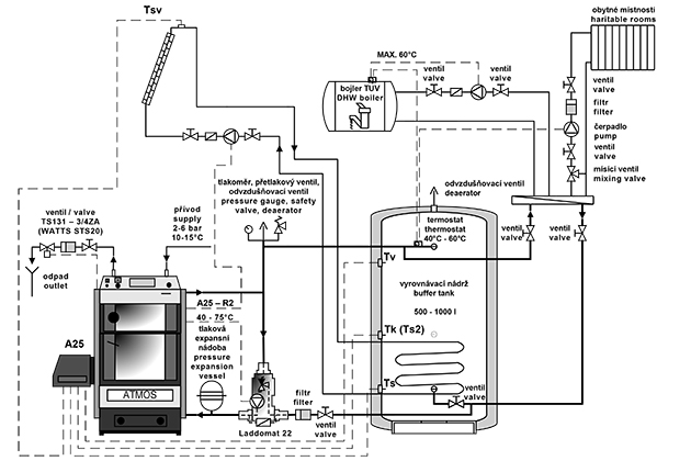
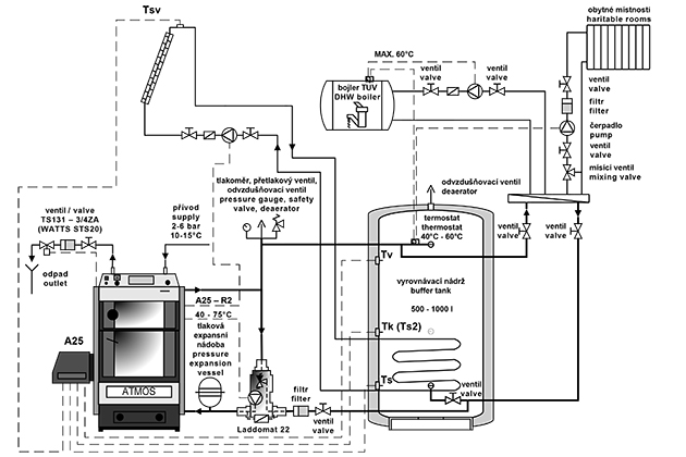
Die elektronische Einheit ermöglicht die Steuerung des Brennerbetriebs mit Hilfe von vier Sensoren. Ist entsprechend dem Solar-Sensor günstig, den Ausgleichsbehälter mit Sonnenenergie zu erwärmen, stellt der Brennerregler das Aufladen des Behälters mit der Energie aus der Pelletsverbrennung nur bis dem Niveau des TK-(TS2)-Sensors sicher, der im Behälter zwischen den Sensoren TS und TV angeordnet ist.
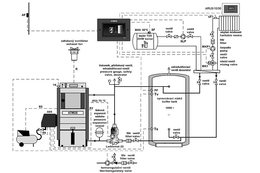
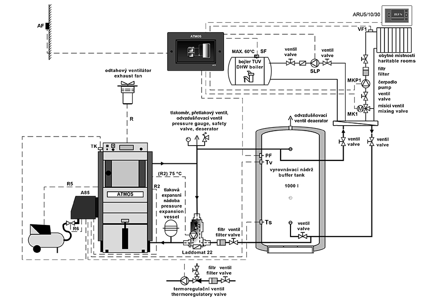
Die elektronische Steuereinheit kann noch dazu den Abzugslüfter des Kessels, die Pumpe im Kesselkreis oder das Solarsystem regeln.
Optimale Steuerung des Brenners können zwei Sensoren (TV und TS) auf dem Ausgleichsbehälter gewährleisten. Die Steuereinheit überwacht die Temperatur dieses Behälters ganz automatisch und stellt damit immer genügende Energiemenge für das Heizsystem zur Verfügung. Diese Schaltung spart Brennstoff und Strom und gleichzeitig verlängert die Standzeit des Pelletsbrenners.
Wollen Sie trotzdem geringwertige Holzpellets verbrennen, lassen Sie den Brenner mit pneumatischer Reinigung zu versehen.
Vorgeschriebener Brennstoff: Qualitätsholzpellets (weiß) mit einem Durchmesser von 6 bis 8 mm, einer Länge von 10 bis 25 mm und einem Heizwert von 16 – 19 MJ.kg-1.
Brenneranzeige: dient zur Anzeige des aktuellen Status des Brenners und zur Einstellung seiner Funktionen
Brennersteuerung: elektronische Steuerung AC07X (AC07), die den Betrieb des externen Förderers, zweier Zündspulen und des Ventilators entsprechend den Anforderungen des Kessels und der Heizungsanlage steuert. Die Elektronik wird durch einen Sicherheitsthermostat des Kessels, einen Sicherheitsthermostat an der Pelletzufuhr zum Brenner, einen Geschwindigkeitssensor des Gebläses und eine Fotozelle für die Flammenerkennung geschützt. Der Brennerbetrieb wird auf dem elektronischen Kontrolldisplay signalisiert.
Brenneranschluss: Der Brenner ist mit zwei 6-poligen Steckern und einer Buchse für eine externe Förderschnecke ausgestattet
– der erste Anschluss dient zur Stromversorgung und Leistungsregelung des Brenners. Gleichzeitig ermöglicht es die Steuerung von zwei variablen Geräten direkt vom Brenner aus unter Verwendung der R- und R2-Reserven
– der zweite Anschluss dient zum Anschluss von bis zu vier TS-, TV-, TK- und TSV-Sensoren
– Die Buchse für die externe Förderschnecke dient zur Steuerung des Förderers im Betrieb
Brennstoffdosierung: externer Schneckenförderer, gesteuert durch elektronische Brennersteuerung.
Kraftstoffzündung: automatisch mit zwei elektrischen Zündspulen.
Grundfunktionen des Brenners:
Möglichkeit, zwei Backup-Ausgänge R und R2 für verschiedene Anwendungen zu verwenden
Möglichkeit zum Anschluss von vier verschiedenen Sensoren TS, TV, TK und TSV
TS – unterer Sensor am Tank
TV – Sensor oben am Tank
TK – Kesselfühler oder mittlerer Fühler am Tank
TSV – Abgassensor oder Solarpanel
- Brennersteuerung nach zwei Temperaturen am Ausdehnungsgefäß
- Steuerung des Kesselgebläses vom Brenner über eine Reserveleistung
- Steuerung der Kesselpumpe vom Brenner über eine Reserveleistung
- Steuerung der Solaranlage direkt vom Brenner
- automatischer Brennerstart nach der Holzverbrennung für DCxxSP-Kessel
- Anzeige von Fehlermeldungen zur einfacheren Fehlerbehebung
- Möglichkeit, Informationen über aktuelle Werte elektrischer Komponenten des Brenners anzuzeigen
- Möglichkeit, einzelne elektrische Komponenten des Brenners zu testen

















