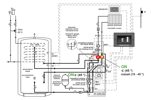
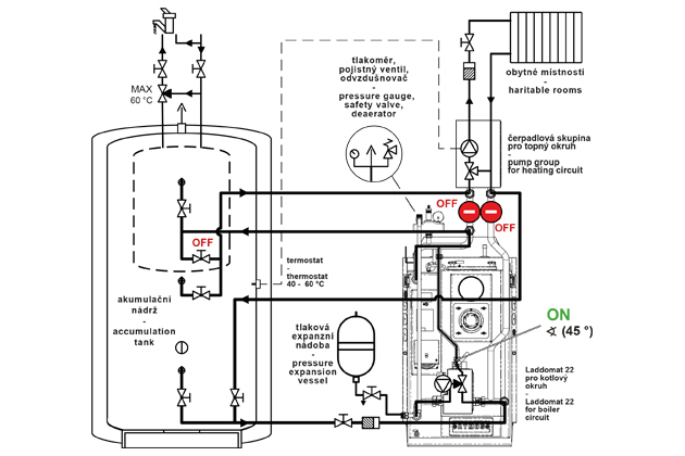
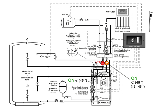
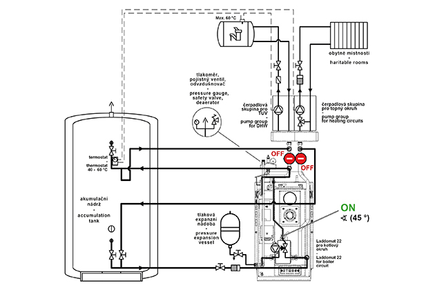
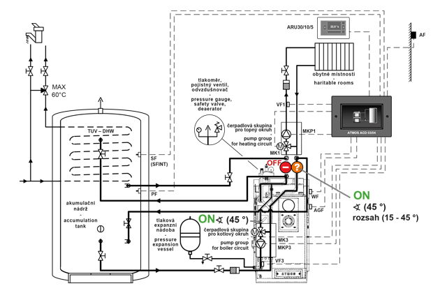
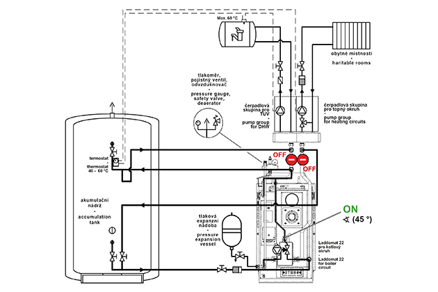
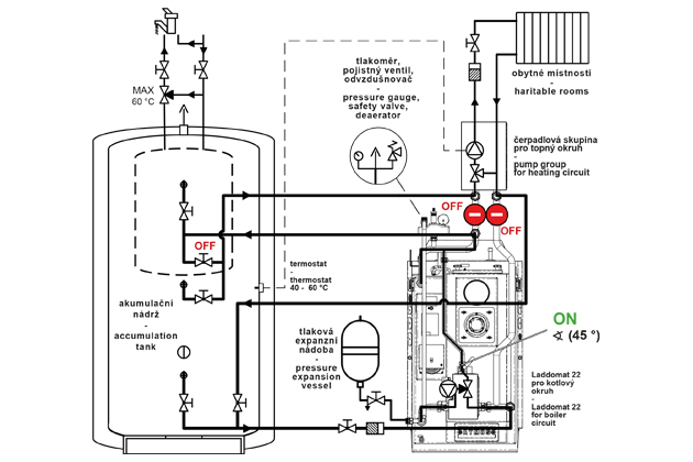
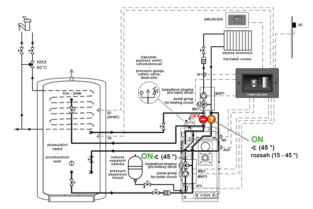
Conexiune pentru cazane ATMOS cu aplicare manuala pana la 40 kW
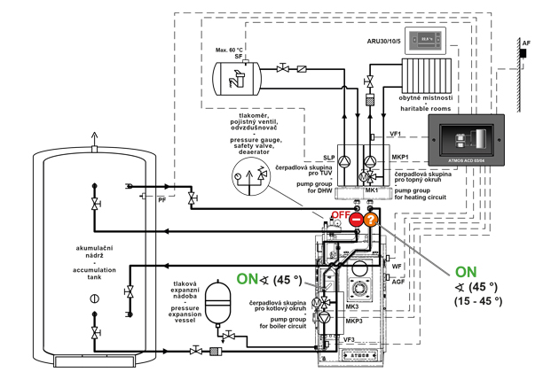
Racord profesional din oțel inoxidabil construit pe țevi cu diametrul de 35 x 1,5 mm conceput pentru a menține temperatura minimă a apei de retur la cazan și racordare rapidă a cazanului cu două fitinguri de 6/4” cu etanșare plată. Conexiunea contine toate componentele necesare cerute de producator (supapa de siguranta 2,5 bar, supapa de aerisire, manometru, doua pompe, doua supape de inchidere, supapa cu trei cai si, pentru variantele F5 si F6, doua servomotoare). Racordul este pregătit pentru conectarea cazanului direct la sistemul de încălzire sau pentru conectarea cazanului la rezervoarele de stocare. Conexiunea permite extinderea sistemului de încălzire mai mare la două sau trei circuite de încălzire prin achiziționarea unui colector special și a grupului de pompe necesar.










