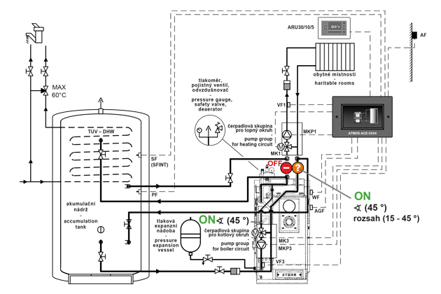
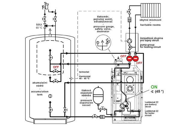
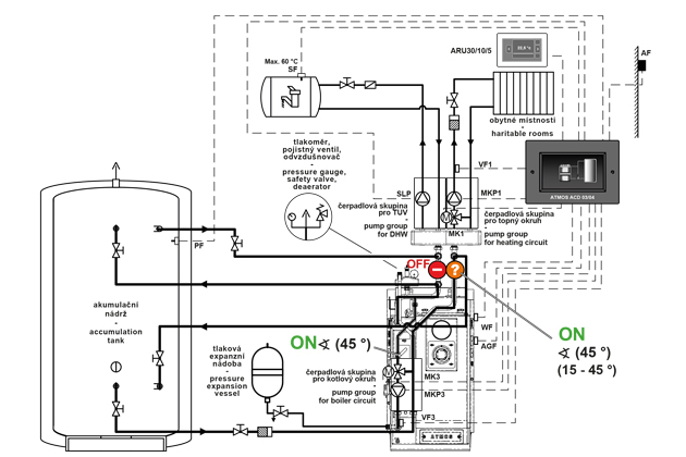
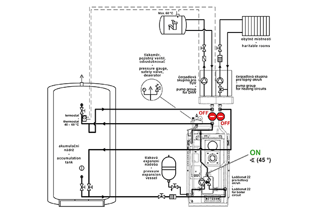
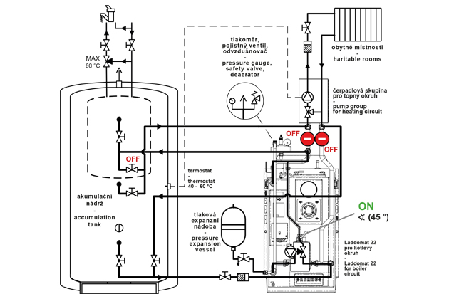
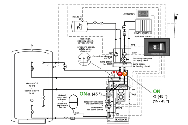
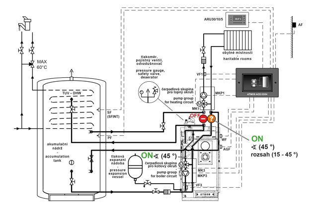
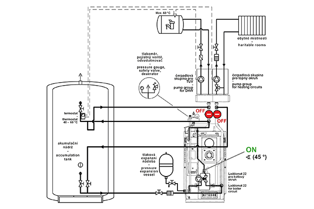
Zapojení pro kotle ATMOS s ručním přikládáním do 40 kW
Profesionální nerezové zapojení postavené na potrubí o průměru 35 x 1,5 mm určené pro udržení minimální teploty vratné vody do kotle a rychlé připojení kotle pomocí dvou 6/4” šroubení s plochým těsněním. Zapojení obsahuje všechny potřebné komponenty, které vyžaduje výrobce (pojišťovací ventil 2,5 bar, odvzdušňovací ventil, manometr, dvě čerpadla, dva uzavírací ventily, trojcestný ventil a u varianty F3 a F4 dva servopohony). Zapojení je připraveno pro připojení kotle přímo do topného systému nebo pro zapojení kotle s akumulačními nádržemi. Zapojení umožňuje u rozsáhlejšího topného systému jeho rozšíření na dva nebo tři topné okruhy zakoupením speciálního rozdělovače a potřebné čerpadlové skupiny.










