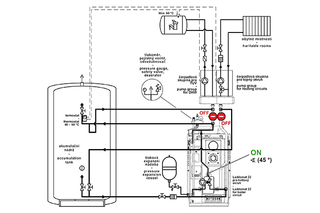
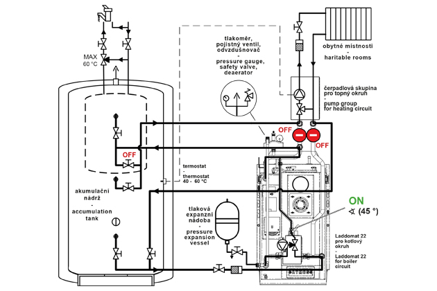
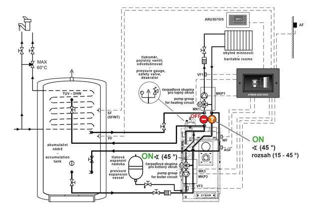
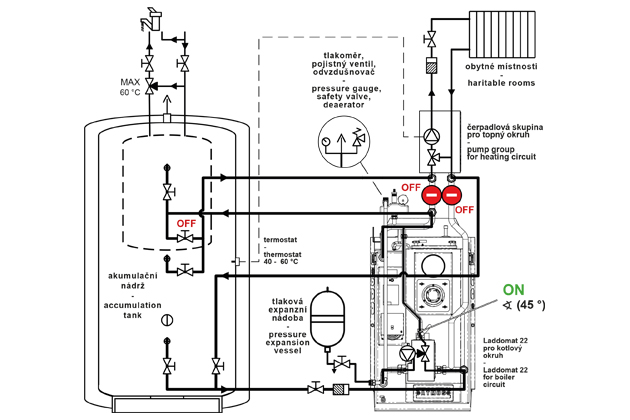
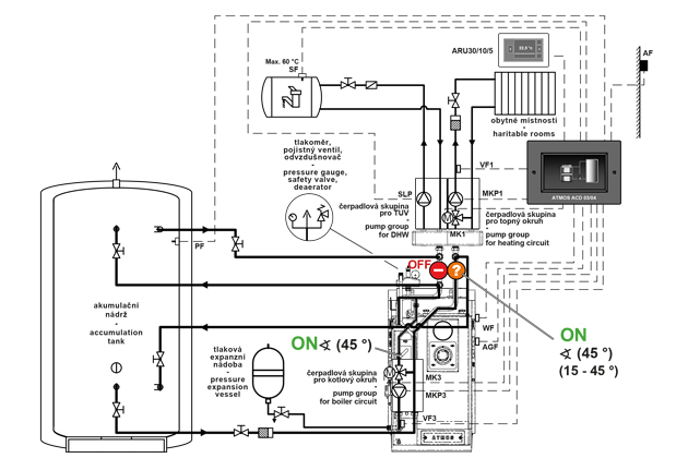
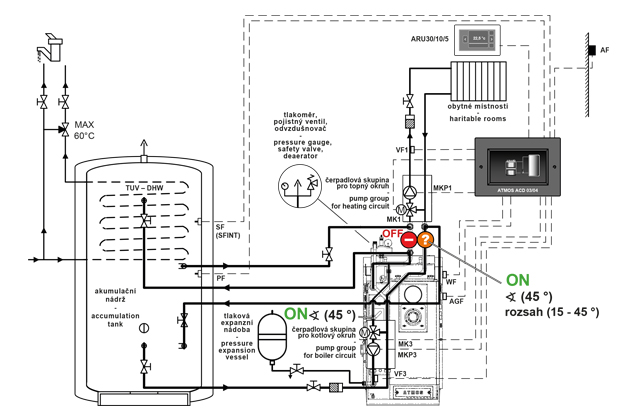
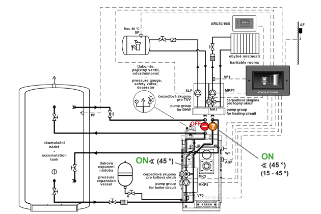
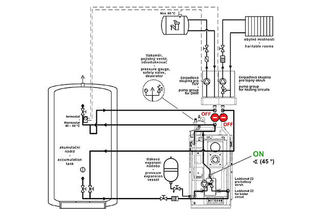
Collegamento per caldaie ATMOS a caricamento manuale fino a 40 kW
Collegamento professionale in acciaio inox adatto al tubo di diametro 35 x 1,5 mm, previsto per mantenere la temperatura minima dell’acqua di ritorno alla caldaia e per collegare rapidamente la caldaia mediante due raccordi a vite da 6/4″ con guarnizione piatta. Il collegamento comprende tutti i componenti necessari richiesti dal fabbricante (valvola di sicurezza 2,5 bar, valvola di sfiato, manometro, due pompe, due valvole di intercettazione, una valvola a tre vie e due servocomandi per le varianti F7 e F8). Il collegamento è predisposto per poter collegare la caldaia direttamente al sistema di riscaldamento o per collegare la caldaia con serbatoi di accumulo. Per i sistemi di riscaldamento di maggiori dimensioni, il collegamento può essere ampliato a due o tre circuiti di riscaldamento, acquistando un distributore speciale e un gruppo pompa idoneo.










