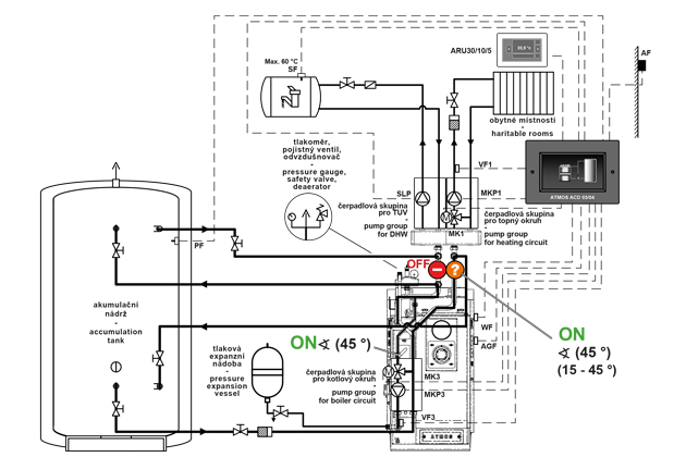
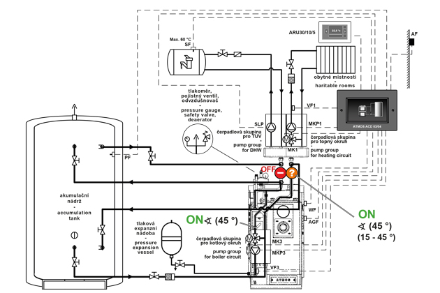
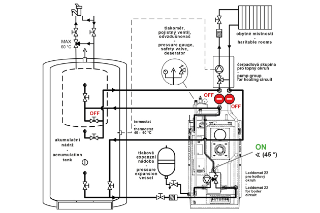
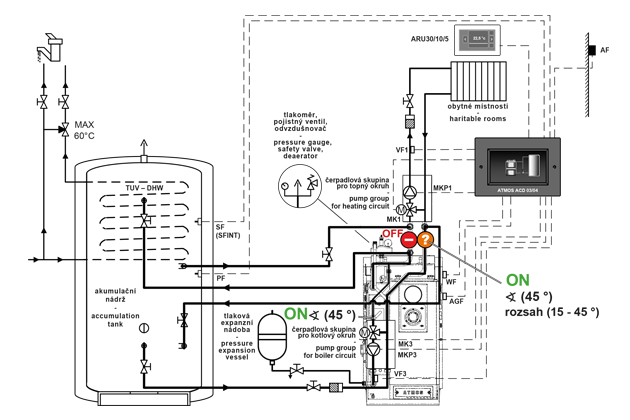
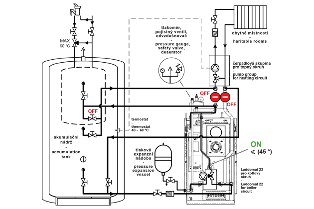
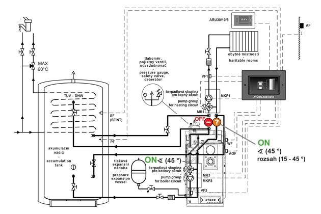
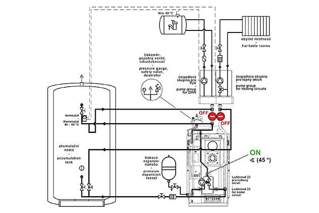
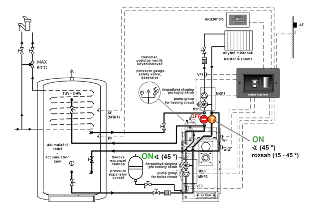
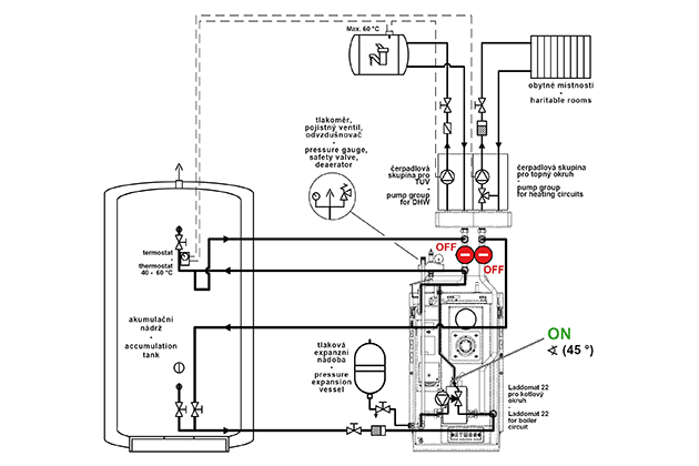
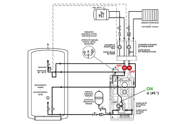
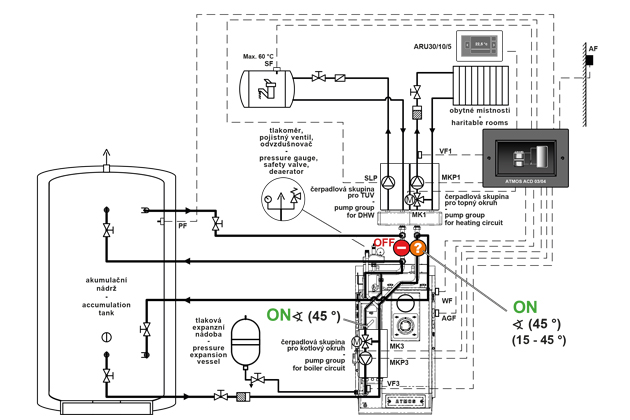
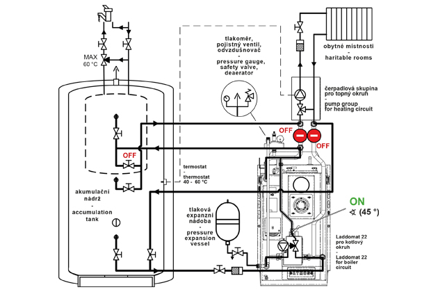
Raccordement pour chaudières ATMOS à chargement manuel jusqu’à 40 kW
Raccordement professionnel en inox monté sur un tuyau de diamètre 35 x 1,5 mm destiné à maintenir la température minimale de l’eau de retour à la chaudière et raccordement rapide de la chaudière à l’aide de deux raccords 6/4″ à joint plat. Le raccordement contient tous les composants nécessaires exigés par le constructeur (soupape de sécurité 2,5 bar, soupape de purge, manomètre, deux pompes, deux vannes d’arrêt, vanne à trois voies et, pour les variantes F7 et F8, deux servo variateurs). Le raccordement est prêt pour raccorder la chaudière directement au système de chauffage ou pour raccorder la chaudière avec des réservoirs d‘accumulation. Le raccordement permet d’étendre un système de chauffage plus important à deux ou trois circuits de chauffage en achetant un collecteur spécial et le groupe hydraulique nécessaire.










