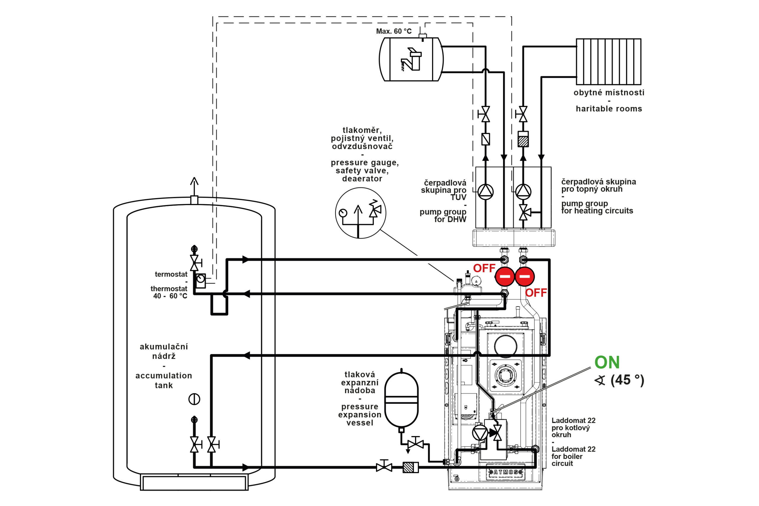
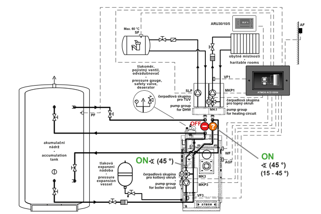
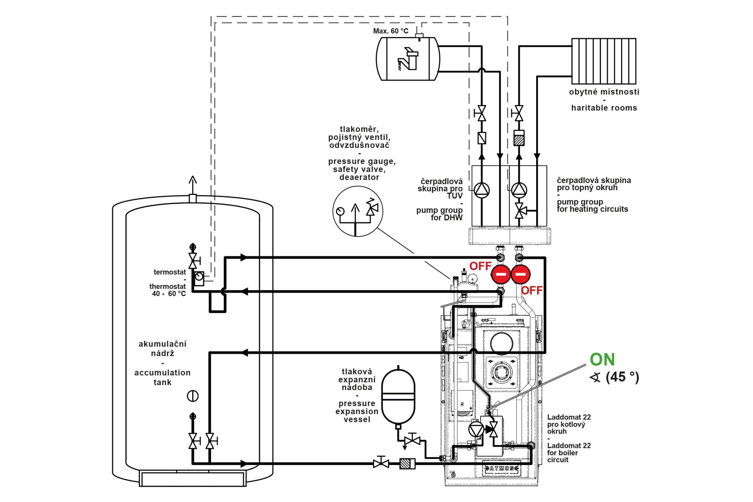
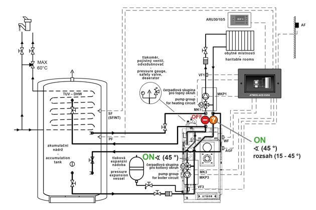
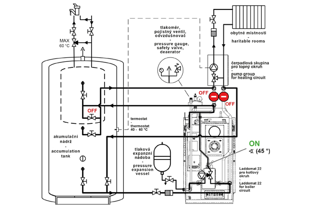
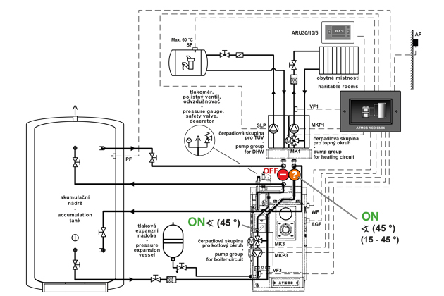
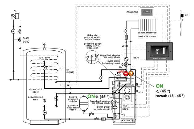
Connection of ATMOS boilers up to 40 kW with manual stoking
Professional stainless steel connection based on 35 × 1,5 mm diameter pipe, designed to maintain a minimum temperature of return water to the boiler and quickly connect the boiler using two 6/4“ flat seal fittings. The connection includes all the necessary components required by the manufacturer (safety valve 2.5 bar, vent valve, manometer, two pumps, two shut-off valves, three-way valve and, for variants F3 and F4, two servo actuators). The connection is ready to connect the boiler directly to the heating system or to connect the boiler to accumulation tanks. In the case of a larger heating system, the connection can be extended to two or three heating circuits by purchasing a special distributor and the necessary pump group.










