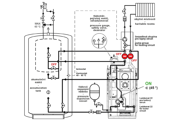
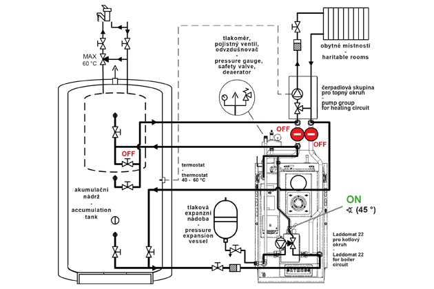
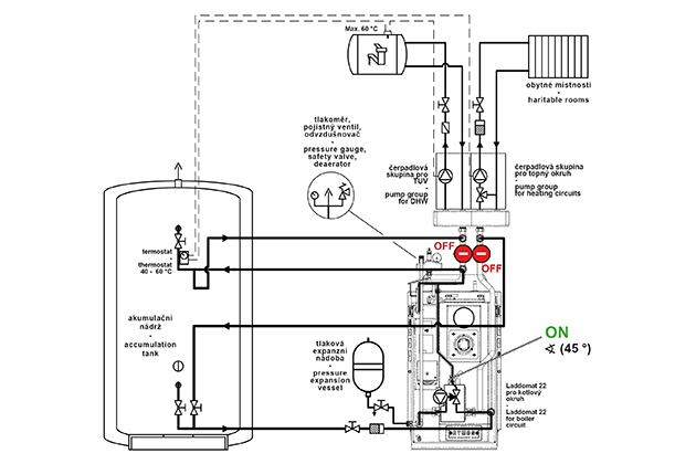
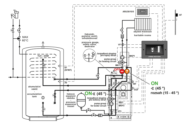
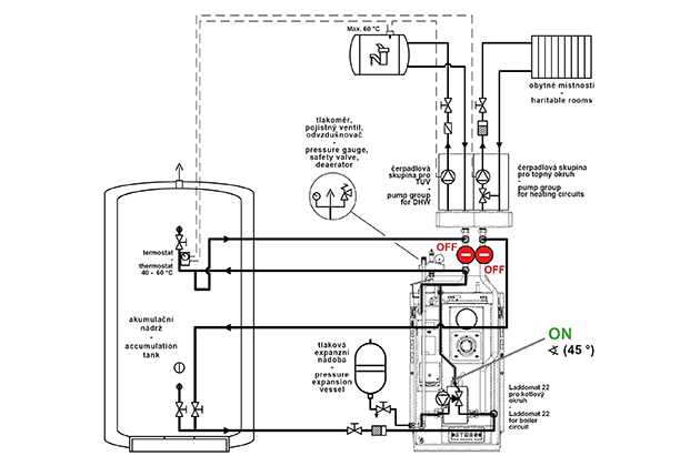
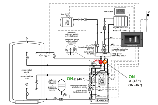
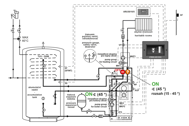
Conexión para calderas ATMOS con alimentación manual de hasta 40 kW
Conexión profesional de acero inoxidable construida sobre tubería de 35 x 1,5 mm de diámetro, diseñada para mantener una temperatura mínima del agua de retorno a la caldera y una conexión rápida de la caldera mediante dos racores de 6/4″ con junta plana. La conexión incluye todos los componentes necesarios requeridos por el fabricante (válvula de seguridad de 2,5 bares, válvula de ventilación, manómetro, dos bombas, dos válvulas de cierre, válvula de tres vías y en las variantes F7 y F8 dos servoaccionamientos). La conexión está preparada para conectar la caldera directamente al sistema de calefacción o para conectar la caldera con los depósitos de acumulación. En el caso de un sistema de calefacción más grande, la conexión permite ampliar el sistema a dos o tres circuitos de calefacción adquiriendo un distribuidor especial y el grupo de bombas necesario.










