Подключение котлов ATMOS с ручной загрузкой до 40 кВт
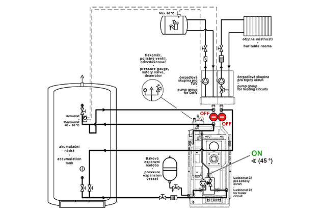
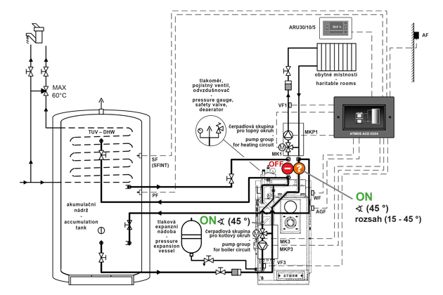
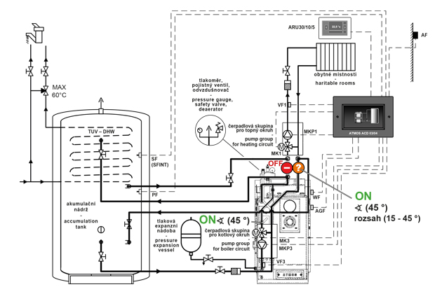
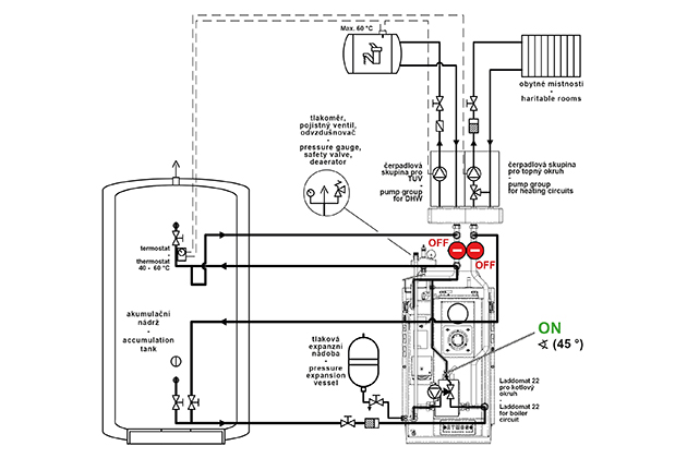
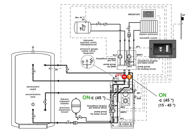
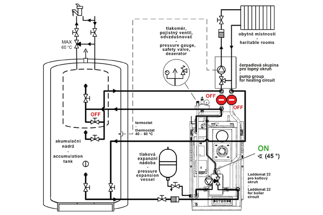
Профессиональный комплект подключения из нержавеющей стали, состоящий из труб диаметром 35 x 1,5 мм, предназначен для поддержания минимальной температуры обратной воды, поступающей в котёл, и быстрого подключения котла с помощью двух резьбовых соединений 6/4” с плоской прокладкой. Комплект для подключения котлов содержит все необходимые компоненты, назначенные производителем котлов (предохранительный вентиль 2,5 бар, воздуховыпускной вентиль, манометр, два насоса, два запорных клапана, трёхходовой клапан, а в состав вариантов F3 и F4 входят также два сервопривода). Комплект подключения готов для подключения котла непосредственно к системе отопления или для подключения котла к аккумулирующим бакам. В случае более крупной системы отопления комплект подключения позволяет расширить систему до двух или трёх отопительных контуров путём приобретения специального коллектора и необходимой насосной группы.










