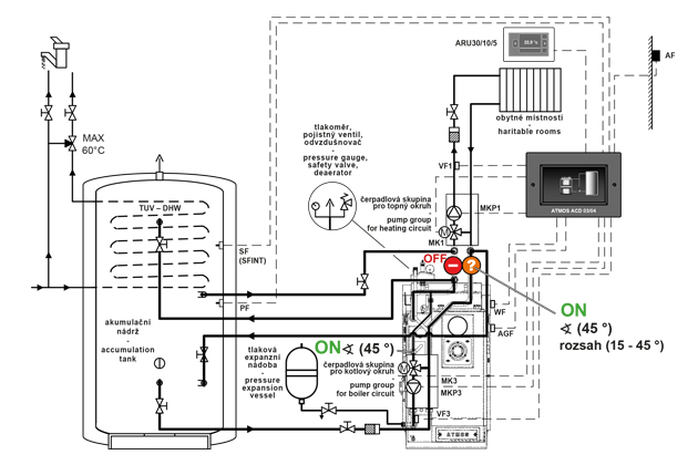
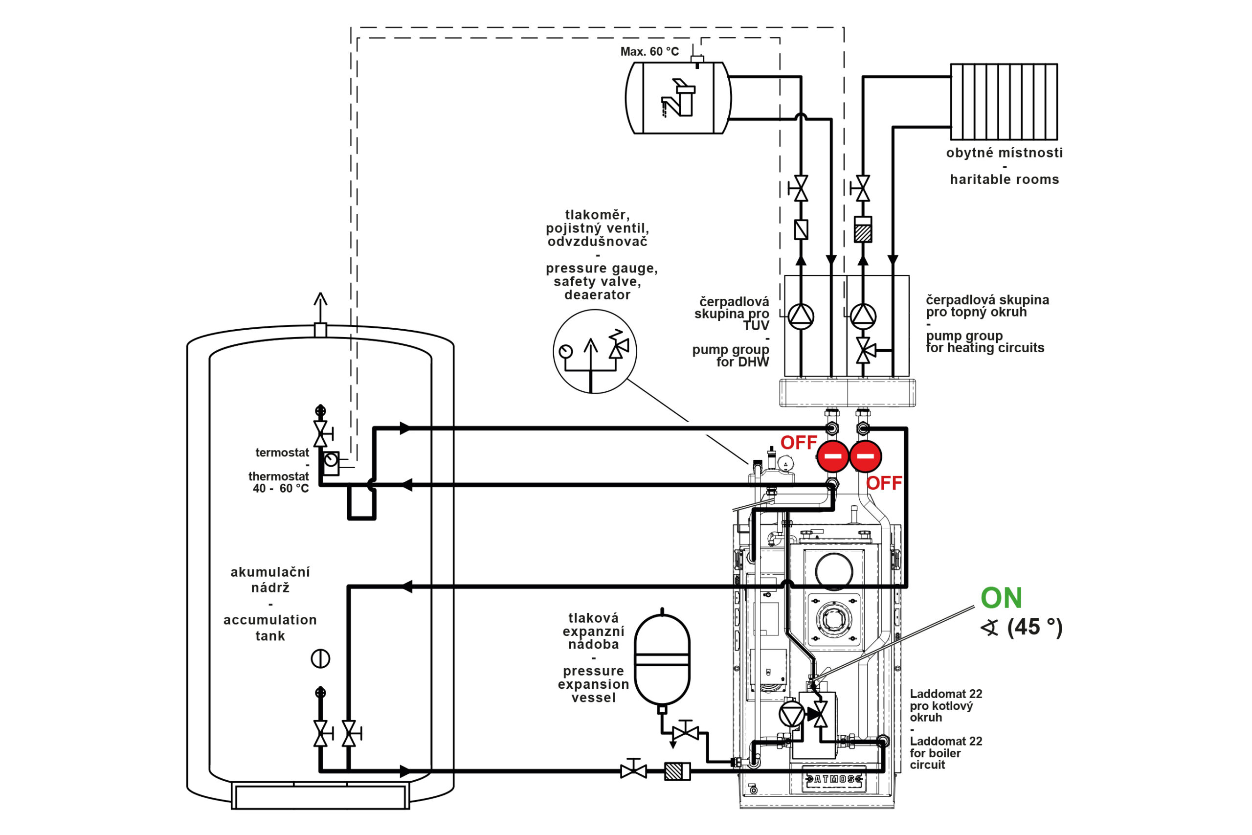
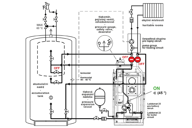
Installation für Kessel ATMOS mit manueller Beschickung bis 40 kW
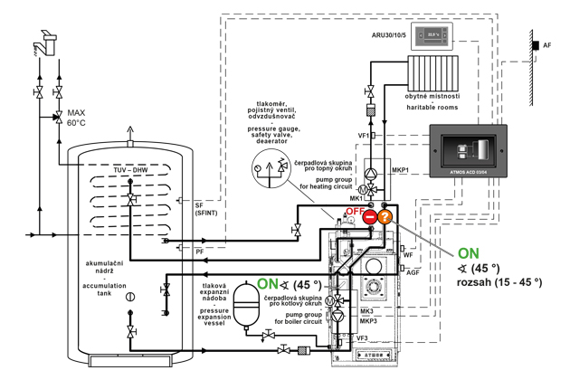
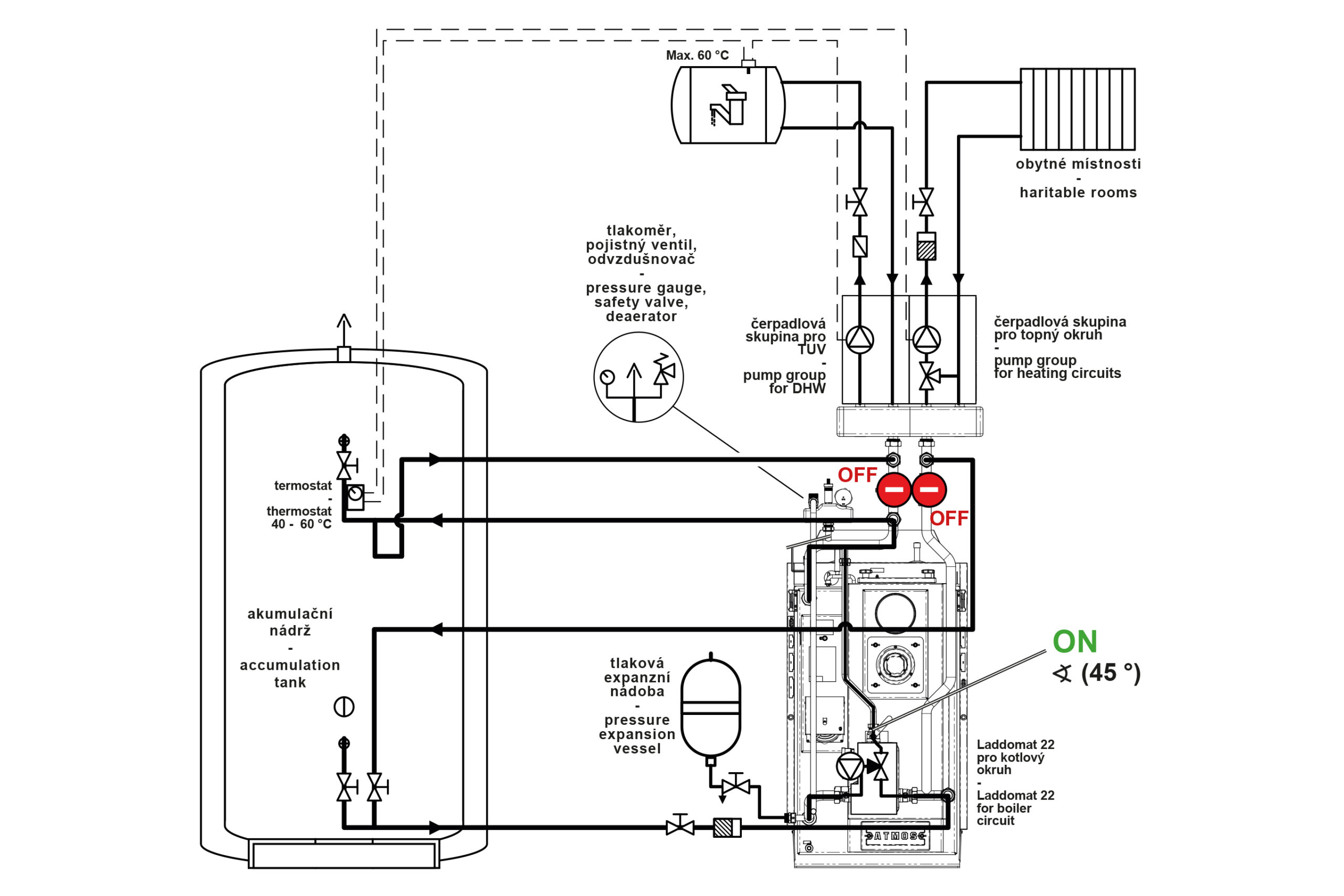
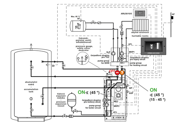
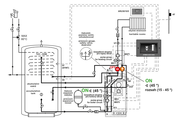
Professioneller rostfreier Anschluss beruhend auf der Rohrleitung 35 x 1,5 mm für die Haltung der Rücklauftemperatur und für das schnelle Anschließen des Kessel mit zwei Verschraubungen 6/4“ mit Flachdichtung. Das Installationsset enthält alle erforderlichen, vom Hersteller verlangten Komponenten (Sicherheitsventil 2,5 bar, Entlüftungsventil, Manometer, 2 Pumpen, 2 Absperrventile, 3-Wege-Ventil und 2 Servoantriebe bei der Variante F7 und F8). Das Installationsset ist für das Anschließen des Kessels direkt an den Heizsystems oder für das Anschließen des Kessels mit Pufferspeichern bereit. Bei einem größeren Heizsystem ist eine Erweiterung um 2 oder 3 Heizkreise durch den Einkauf einer speziellen Weiche und der erforderlichen Pumpengruppen möglich.











