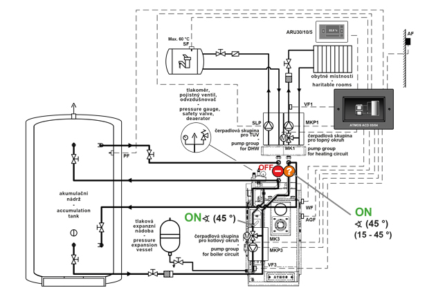
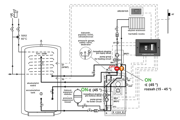
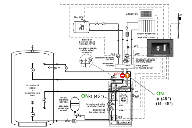
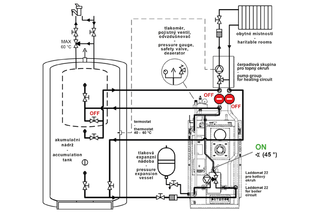
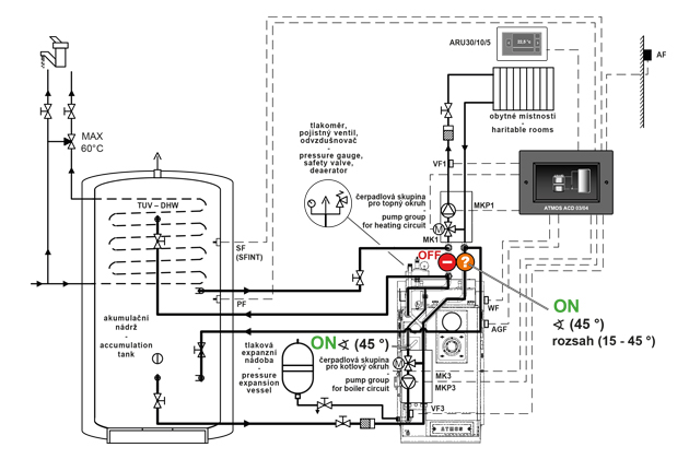
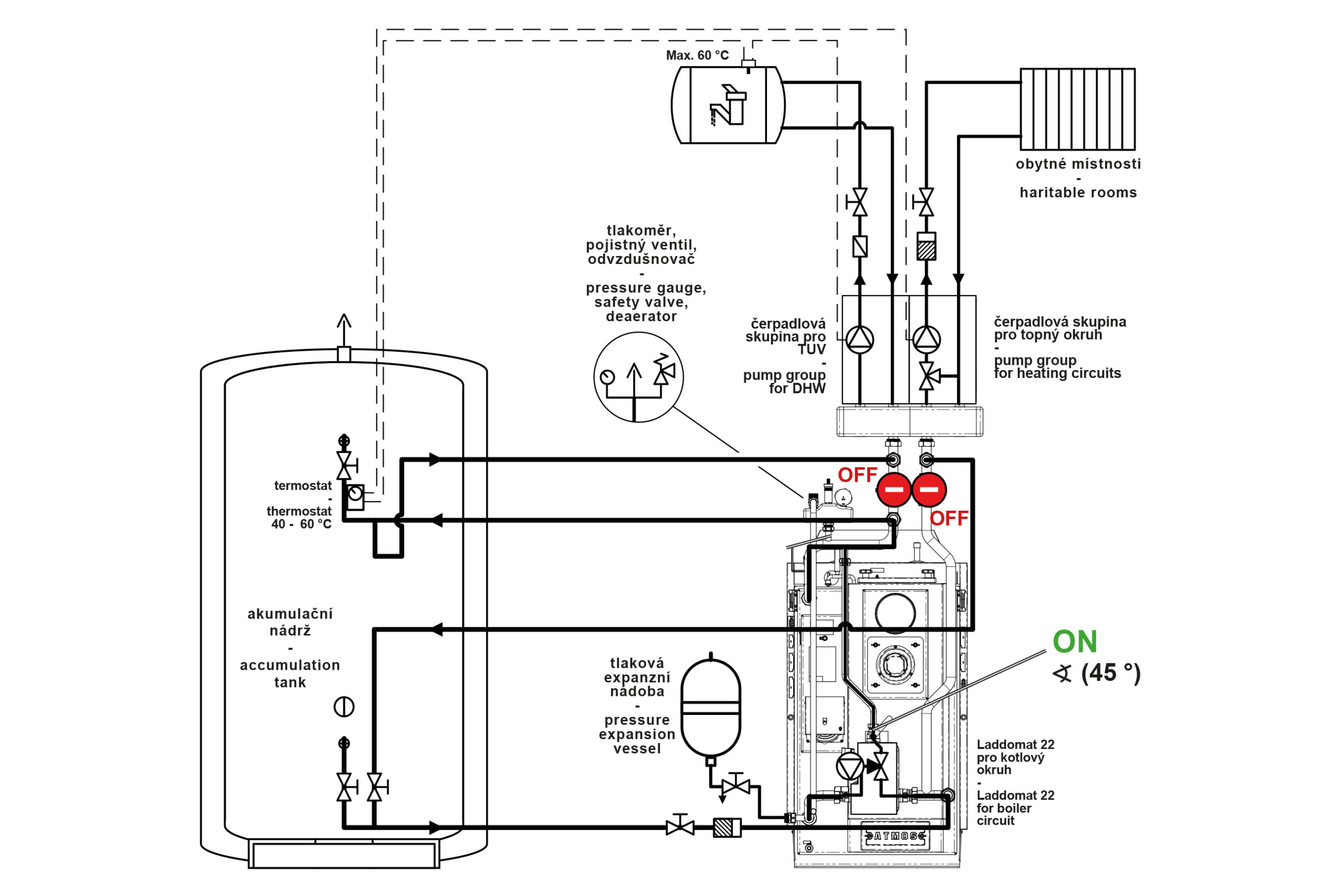
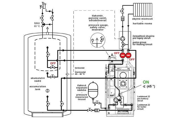
Podłączenie dla kotłów ATMOS z doładowywaniem ręcznym do 40 kW
Profesjonalne podłączenie ze stali nierdzewnej wykonane z rur o średnicy 35 x 1,5 mm przeznaczone do utrzymania minimalnej temperatury wody powrotnej do kotła oraz do szybkiego podłączenia kotła za pomocą dwóch połączeń gwintowych 6/4” z uszczelką płaską. Podłączenie zawiera wszelkie niezbędne elementy wymagane przez producenta (zawór bezpieczeństwa 2,5 bar, zawór odpowietrzający, manometr, dwie pompy, dwa zawory odcinające, zawór trójdrogowy, a w przypadku wariantów F3 i F4 dwa siłowniki).
Podłączenie jest gotowe do podłączenia kotła bezpośrednio do układu grzewczego lub do podłączenia kotła ze zbiornikami akumulacyjnymi. Podłączenie pozwala na rozbudowę większego układu grzewczego do dwóch lub trzech obiegów grzewczych poprzez zakup specjalnego rozdzielacza i niezbędnego zespołu pompowego.










