Котлы служат для сжигания пеллет с электронным управлением и автоматическим розжигом топлива. Горелка для пеллет встроена в передней части котла в дверцах нижней камеры сгорания. Эта камера обложена керамическими огнеупорными блоками, обеспечивающими идеальное догорание пламени с высоким КПД и служит также как пространство для золы. В задней части котла размещён трубчатый теплообменник с сегментными замедлителями с функцией грубой (эксплуатационной) чистки без необходимости их извлечения.
Корпус котлов изготовлен путем сварки стальных листов толщиной 3 – 5 мм. Снаружи выполнена теплоизоляция из минерального войлока и изоляция из сибрала, вставленная под металлическое покрытие наружной обшивки котлов. В верхней части котла находится топливный бункер, из которого с помощью шнекового транспортера подаются пеллеты в горелку. Дозирование топлива полностью автоматическое. В передней части котла находится панель управления с главным выключателем, выключателем горелки (L2) для чистки, рабочим (котловым регулирующим) термостатом, предохранительным термостатом, термометром и предохранителем 6,3 A. Котлы DxxPX оснащены вытяжным вентилятором (кроме D10PX). Котёл не оснащён охлаждающим контуром для защиты от перегрева, так как благодаря небольшому количеству топлива в горелке перегрев котла при сбое электропитания не угрожает.
Преимущества специальных компактных котлов ATMOS новой конструкции
- Малые габариты — компактное исполнение для небольших котельных — ширина котла всего 594 мм — D10PX, всего 674 мм — D15PX, D20PX, D25PX.
- Всё в одном – котел, шнековый транспортер и специальная горелка, а также бункер для пеллет на 1–3 дня на небольшой площади.
- Высокий комфорт отопления — автоматическая работа с автоматическим розжигом пеллет в соответствии с требуемой температурой (как у газового котла).
- Простое обслуживание — возможность выбора регулирования котла — простое электромеханическое / эквитермное с сенсорным дисплеем.
- Дистанционное управление — возможность включения котла простым комнатным термостатом или управление через мобильный телефон или компьютер при использовании эквитермного регулирования ATMOS ACD 03 и WIFI шлюза WG1000.
- Высокий КПД от 91 до 93% в зависимости от типа – низкий расход топлива. Экологически чистое сжигание – котел согласно ČSN EN 303-5 класса 5, соответствующий европейской директиве по ЭКОДИЗАЙНУ 2015/1189.
- Легкая чистка — удаление золы только спереди — одно место для удаления всего — трубчатый теплообменник с чистящим механизмом, без необходимости разбирать весь котел и вынимать керамику из котла («никакого лего»).
- Вытяжной вентилятор (кроме D10PX) – для худших условий тяги — беспыльное удаление золы один раз в 7–30 дней.
- Пневматическая очистка горелки — возможность дополнить котел автоматической очисткой горелки, что позволяет сжигать пеллеты более низкого качества — дополнительный аксессуар.
- Пневматическая подача пеллет — котел можно дополнить пневматической подачей пеллет из внешнего большого бункера на весь сезон — дополнительный аксессуар.
- Специальные функции котла — защита котла от низкой температуры дымовых газов (срок службы дымохода), защита от полного опорожнения подающего транспортера.
- Насадки бункера для пеллет — каждый котел можно дополнить насадкой для увеличения объема бункера для пеллет (продление времени горения без дозаправки).
-
-
Панель управления и соединительный шланг от транспортёра
-
-
Открытый бункер для пеллет с объёмом 65 л / 175 л / 215 л
-
-
Трубчатый теплообменник с замедлителями
-
-
Открытая камера сгорания с горелкой ATMOS A25
-
-
Камера сгорания с керамическими огнеупорными блоками
-
-
Вытяжной вентилятор (кроме D10PX) и дымовая горловина
Установка
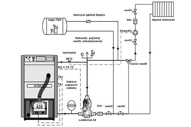
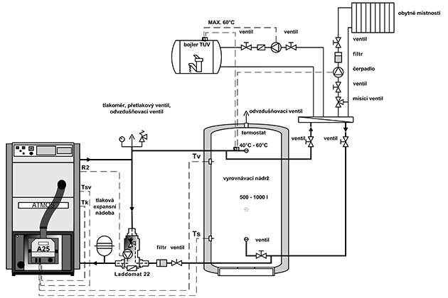
Предписанным решением является подключение котла с помощью Laddomat 22 или терморегулирующего клапана, который позволяет создать отдельный котловой и отопительный контур (первичный и вторичный), чтобы обеспечить минимальную температуру обратной воды, поступающей в котёл 65 °C. Чем выше температура обратной воды в котле, тем меньше конденсируются смолы и кислоты, которые повреждают корпус котла.
Температура воды на выходе из котла должна поддерживаться постоянно в диапазоне 80 — 90 °C.
Другим вариантом является подключение котла с трёхходовым смесительным клапаном и сервоприводом, управляемым регулятором (например, ACD 03, ACD 04) для поддержания минимальной температуры воды, поступающей в котёл (65 — 75 °C).
Котлы D10PX, D15PX, D20PX и D25PX рекомендуем всегда подключать с буферным баком с объёмом 500 — 1000 л. При подключении котла с буферным (аккумулирующим) баком котёл лучше всего управляется посредством двух датчиков TS и TV, размещённых на баке. Для управления горелкой по двум температурам в буферном (аккумулирующем) баке необходимо оснастить этот бак двумя датчиками KTF 20 (датчики TV и TS).
-
-
Laddomat 22 и терморегулирующий клапан
-
-
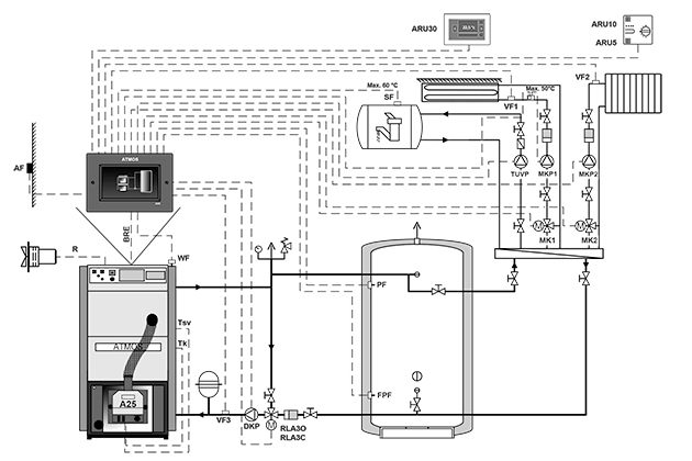
• Подключение котла DxxPX с буферным баком
-
-
Подключение котла DxxPX с буферным баком и регулятором ACD 03
-
-
Возможное подключение котла DxxPX без буферного бака и управления насосом котла по температуре котла (датчики TK) от горелки A25
-
-
Подключение котла с Laddomat 22 и аккумулирующим баком — схема
Регулирование котлов
Котлы поставляются потребителю с базовым регулированием мощности котла, отвечающим требованиям комфорта и безопасности отопления. Система регулирования обеспечивает требуемую температуру воды на выходе из котла (80 — 90 °C). Котлы оснащены разъёмом для подключения насоса в котловой контур и функциями для его управления непосредственно от регулятора горелки ATMOS A25.
Котлы DxxPX оснащены на заводе-производителе датчиками температуры котла TK и температуры дымовых газов TSV. Датчик TK вставляется в поддон котла, датчик температуры дымовых газов TSV встраивается в дымоходный канал, всё вместе подключается непосредственно к разъёму горелки. Пеллетная горелка ATMOS A25 напрямую управляет вытяжным вентилятором котла (резерв R) и насосом в котловом контуре (резерв R2). Выход R2 установлен на заводе-производителе последовательно с термостатом для насоса котлового контура TČ70 °C.
При рекомендуемом подключении котла к буферному (аккумулирующему) баку, котлом лучше всего управлять с помощью двух датчиков TS и TV, расположенных на баке. В этом случае переключение насосов в контуре системы не зависит от температуры котла, поэтому они проектируются в соответствии с потенциальными потребностями системы.
-
-
Панель приборного щитка
Состав панели:
Главный выключатель, предохранительный термостат, термометр, термостат управления и термостат дымовых газов
Электромеханическое регулирование — это оптимальное решение для простого управления работой котла (вентилятора).
Исполнение пульта со стандартным регулированием является базовым для всех производимых котлов.
Эквитермический регулятор ACD 03
Каждый котёл может быть дооснащён современным сенсорным электронным регулятором АТMOS ACD 03 для управления всей системой отопления в зависимости от наружной температуры, температуры в помещении и времени. Этот регулятор также способен управлять самим котлом с вентилятором и обеспечивает большое количество дополнительных функций.
-
-
Панель управления котла с эквитермическим регулятором ATMOS ACD 03
Загрузка топлива
Котёл оснащён встроенным бункером топлива, который необходимо пополнять с интервалом в 1 — 3 дня.
Если на дисплее горелки появляется аварийное сообщение ALARM PELLETS — REFILL PELLETS, необходимо дополнить пеллеты в бункер топлива. Откиньте крышку бункера в верхней части котла и засыпьте пеллеты. После пополнения пеллет не нужно загружать пеллеты на транспортёр! Котёл оснащён специальной функцией для предотвращения полного опорожнения.
В том случае, если интервал пополнения топлива для ваших нужд будет слишком коротким, можно для котла докупить насадку бункера высотой 200 мм (45 л для D10PX — код: S1343) (65 л для D15PX и D20PX — код: S1233) (90 л для D25PX — код: S1315) или 300 мм (68 л для D10PX — код: S1344) (95 л для D15PX и D20PX — код: S1234) (135 л для D25PX — код: S1316). Насадки можно складывать друг на друга. Однако для котла необходимо докупить лестницу для удобной загрузки топлива в соответствии со всеми действующими правилами безопасности.
Идеальное решение — дооснастить котёл пневматической системой подачи пеллет ATMOS APS 150 SPX (D10PX) / ATMOS APS 250 SPX (D15PX и D20PX) / ATMOS APS 250 SPX2 (D25PX) для удобной автоматической загрузки топлива из любой ёмкости, например, на весь сезон (текстильный бункер, отдельное помещение).
-
-
Пример стандартной загрузки пеллет из мешков по 15 кг
-
-
Котёл с пневматической системой подачи пеллет ATMOS APS 250 SPX(2)
-
-
Насадка бункера для пеллет для котлов DxxPX
-
-
Котёл DxxPX с насадкой бункера на 300 мм

Помещение котельной с котлом DxxPX и бункером с многоточечным забором пеллет пневматической системой подачи ATMOS APS 250 SPX(2)
Чистка котла
Чистку котла и горелки и следует проводить периодически и тщательно один раз в 5 — 14 дней в зависимости от качества пеллет и настроенной мощности.
Котлы предназначены только для высококачественных белых пеллет из мягкой древесины без коры диаметром 6 — 8 мм, длиной 10 — 40 мм и теплотворностью 15 — 18 МДж.кг-1. Котёл не предназначен для пеллет, которые спекаются в камере сгорания горелки. В этом случае необходимо очищать камеру сгорания горелки раз в день, или можно оснастить пеллетную горелку ATMOS A25 пневматической очисткой камеры сгорания. Эту опцию очистки особенно оценят те, кто сжигают пеллеты низкого качества, спекаемые в камере сгорания.
Удобное золоудаление — простая очистка только спереди Зола может удаляться из всей камеры сгорания с помощью полукруглого зольника (принадлежности котла). Вставьте зольник в котёл до упора, прижмите его к задней стенке, загрузите золу в зольник и высуньте его. Никогда не оставляйте зольник в котле!
Котлы DxxPX оснащены функцией эксплуатационной чистки трубчатого теплообменника. Для эксплуатационной чистки трубчатого теплообменника и замедлителей воспользуйтесь ручкой на колпачке для очистки в задней части котла, скрытой под крышкой. Несколько раз вытяните и отпустите ручку. При этом зола будет стряхиваться из замедлителей и соскабливаться со стен трубчатой перегородки.
-
-
Демонстрация золоудаления с помощью зольника
-
-
Демонстрация эксплуатационной чистки трубчатого теплообменника

| Пояснения к чертежам котлов |
| 1. |
Корпус котла |
17. |
Регулирующий (котловой) термостат |
| 2. |
Дверца для очистки |
18. |
Выключатель горелки (черный) |
| 3. |
Горелки для пеллет ATMOS A25 |
19. |
Предохранительный термостат |
| 4. |
Панель управления |
20. |
Предохранитель 6,3 A — T6, 3A/1500 — типа H |
| 5. |
Шнековый транспортер |
21. |
Кожух крышки для чистки |
| 6. |
Заполнение дверцы — Сибрал большой с отверстием для горелки |
22. |
Вентилятор — вытяжной (кроме D10PX) |
| 7. |
Прокладка дверцы 18 x 18 мм |
23. |
Конденсатор вытяжного вентилятора — 1 мкФ |
| 8. |
Затвор |
24. |
Крышка для чистки заднего канала |
| 9. |
Изоляция под горелку |
25. |
Крышка бункера |
| 10. |
Топливный бункер
— 65 л (D10PX)
— 175 л (D15PX, D20PX)
— 215 л (D25PX) |
26. |
Соединительный шланг горелки — Ø 65 мм
— длина 550 мм (D15PX, D20PX, D25PX)
— длина 480 мм (D10PX) |
| 11. |
Трубчатый теплообменник |
|
|
| 12. |
Замедлитель с тягой и рукояткой для чистки |
|
|
| 13. |
Огнеупорный блок — дно топки + задний торец для D10PX |
K |
— горловина дымохода |
| 14. |
Огнеупорный блок — заслонка |
L |
— выход воды из котла |
| 15. |
Термометр |
M |
— вход воды в котёл |
| 16. |
Главный выключатель (красный) |
N |
— патрубок для напускного клапана |
| Размеры котлов (мм) |
Тип котла |
|
D10PX |
D15PX |
D20PX |
D25PX |
| A |
1221 |
1411 |
1411 |
1411 |
| B1 |
995 |
1145 |
1145 |
1345 |
| B2 |
1150 |
1447 |
1447 |
1647 |
| C |
594 |
674 |
674 |
674 |
| D |
1012 |
1213 |
1213 |
1213 |
| E |
128/130 |
150/152 |
150/152 |
150/152 |
| G |
140 |
140 |
140 |
140 |
| H |
950 |
1150 |
1150 |
1150 |
| CH |
166 |
166 |
166 |
166 |
| I |
180 |
180 |
180 |
180 |
| J |
6/4″ |
6/4” |
6/4” |
6/4” |
| Технические характеристики |
Тип котла |
| |
D10PX |
D15PX |
D20PX |
D25PX |
| Тепловая мощность котла |
кВт |
3 — 10 |
4,5 — 15 |
4,5 — 20 |
4,5 — 24 |
| Тепловая потребляемая мощность котла |
кВт |
3,2 — 10,9 |
4,8 — 16,3 |
4,8 — 21,9 |
4,8 — 26,2 |
| Поверхность нагрева |
м2 |
1,5 |
1,9 |
1,9 |
2,2 |
| Объём топливной шахты (резервуара) |
дм3 (л) |
65 |
175 |
175 |
215 |
| Размер загрузочного отверстия |
мм |
502 x 480 |
542 x 480 |
542 x 480 |
542 x 480 |
| Предписанная тяга дымовой трубы |
Па/мбар |
13 / 0,13 |
15 / 0,15 |
16 / 0,16 |
17 / 0,17 |
| Макс. рабочее избыточное давление воды |
кПа/бар |
250 / 2,5 |
250 / 2,5 |
250 / 2,5 |
250 / 2,5 |
| Вес котла |
кг |
287 |
345 |
345 |
418 |
| Диаметр вытяжной горловины |
мм |
128/130 |
150/152 |
150/152 |
150/152 |
| Степень защиты электрической части |
IP |
20 |
20 |
20 |
20 |
| Запальный режим |
|
автоматический |
Электрическая потребляемая мощность (вспомогательная)
— при запуске — стандартная / специальная
— при работе — минимальная / номинальная |
Вт |
522 / 1042
22 / 42 |
572 / 1092
22 / 92 |
572 / 1092
22 / 92 |
572 / 1092
22 / 92 |
| Степень защиты электрической части |
Вт |
3,3 |
3,3 |
3,3 |
3,3 |
| КПД котла |
% |
91,6 |
92,7 |
91,5 |
91,8 |
| Класс котла |
|
5 |
5 |
5 |
5 |
| Категория котла |
|
1 |
| Рабочий режим |
|
неконденсирующий |
| Котёл на твёрдом топливе с когенерационным модулем |
|
Нет |
| Комбинированное оборудование также для нагрева горячей воды (встроенный бойлер в котел) |
|
Нет |
| Класс энергоэффективности |
|
A+ |
A+ |
A+ |
A+ |
| Температура продуктов сгорания при номинальной мощности (пеллеты) |
°C |
117 |
118 |
142 |
145 |
Температура дымовых газов / тяга для расчета дымохода (дымовой трубы)
|
°C / Па |
127 / 13 |
128 / 15 |
142 / 16 |
145 / 17 |
| Массовый расход дымовых газов при номинальной мощности (пеллеты) |
кг/с |
0,055 |
0,083 |
0,011 |
0,013 |
| Предписанное топливо (предпочитаемое) |
|
качественные пеллеты диаметром 6 — 8 мм, длиной 5 — 40 мм и с теплотворностью 15 — 18 МДж.кг-1 (белые пеллеты) |
| Средний расход топлива — пеллет при номинальной мощности |
кг |
2,3 |
3,6 |
4,5 |
5,4 |
| Объем воды в котле |
л |
50 |
76 |
76 |
85 |
| Гидравлические потери котла |
мбар |
0,19 |
0,20 |
0,20 |
0,22 |
| Минимальный объем буферной емкости |
л |
300 |
500 |
500 |
500 |
| Напряжение питания |
В/Гц |
230/50 |
| Экодизайн |
|
Да |
Да |
Да |
Да |
| Предписанная минимальная температура обратной воды при работе составляет 65 °C. |
| Предписанная рабочая температура котла 80 — 90 °C. |
Горелка
Пеллетная горелка ATMOS A25
для котлов D10PX, D15PX, D20PX a D25PX
Предписанное топливо: качественные древесные пеллеты (белые) диаметром 6 — 8 мм, длиной 5 — 25 мм и с теплотворностью 16 — 19 МДж.кг-1.
Дисплей горелки: используется для отображения текущего состояния горелки и настройки её работы
Управление горелкой: электронный регулятор AC07X, который управляет работой внешнего транспортёра, двух спиралей розжига и вентилятора в зависимости от требований котла и системы отопления. Электроника защищена предохранительным термостатом котла, предохранительным термостатом на входе пеллет в горелку, датчиком скорости вращения вентилятора и фотоэлементом для определения наличия пламени. Работа горелки отображается на дисплее электронного регулятора.
Горелка в версии котла DxxPX также включает расширительный модуль AC07X-C — (R5, R6) для управления пневматической очисткой горелки или других возможных функций.
Розжиг топлива: автоматический с помощью двух электрических спиралей розжига.
Основные функции горелки:
Резервные выходы R и R2 для управления вытяжным вентилятором котла и насосом в котловом контуре (подключено на заводе-производителе)
Можно применить два резервных выхода R5 и R6 для различных функций
Можно подключить четыре разных датчика TS, TV, TK и TSV
TK — датчик температуры котла (подключено на заводе-производителе)
TSV — датчик температуры дымовых газов (подключено на заводе-производителе)
TS — датчик нижней температуры в баке
TV — датчик верхней температуры в баке
- система управления вентилятором котла от горелки с помощью резервного выхода (R) (подключено на заводе-производителе) (кроме D10PX)
- система управления насосом котла от горелки с помощью резервного выхода (R2) (подключено на заводе-производителе)
- система управления горелкой по двум температурам в буферном баке
Дозирование топлива: для котлов DxxPX предусмотрен специальный транспортёр DRA25, встроенный непосредственно в котёл. Этот транспортёр управляется с электронного регулятора горелки и дозирует топливо из бункера в горелку.