Газификационные котлы ATMOS с модификацией под горелку – это современное решение, в котором мы встраиваем пеллетную горелку ATMOS A25/A45 в верхнюю дверцу стандартного газификационного котла.
Таким образом, мы создадим специально разработанный пеллетный котел с автоматическим поджигом топлива.
- Техническая информация
-
Газификационные котлы с модификацией для пеллетной горелки
-
КПД котла 90,1 - 92,4 %
Газификационные котлы ATMOS с модификацией для горелки — это современное решение, при котором в верхнюю дверцу стандартного газификационного котла мы встраиваем пеллетную горелку ATMOS A25/A45.
Таким образом, мы создаём пеллетный котел под индивидуальный заказ с автоматическим розжигом топлива.
Преимущества встраивания горелки в стандартный котёл
- Простое и доступное решение
- Возможность комфортного отопления пеллетами без ручной загрузки — автоматическая работа с автоматическим розжигом пеллет в соответствии с требуемой температурой (как у газового котла).
- Малые габариты и различная длина конвейеров в зависимости от размера и возможностей котельной.
- Различные размеры бункеров для пеллет — 240, 250, 300, 400, 500, 1000 л / текстильный бункер, часть котельной как бункер = пополнение топлива один раз в 7 и 14 дней / один раз в год.
- Высокий КПД от 90 до 92 % в зависимости от типа – низкий расход топлива и экономия на затратах на отопление.
- Экологически чистое сжигание – котел согласно ČSN EN 303-5 класса 5, соответствующий европейской директиве по ЭКОДИЗАЙНУ 2015/1189.
- Вытяжной вентилятор – для худших условий тяги — беспыльное удаление золы один раз в 7–30 дней.
- Охлаждающий змеевик против перегрева = без риска повреждения котла.
- Автоматическое отключение котла после сгорания топлива.
- Пневматическая очистка горелки — возможность дополнить котел автоматической очисткой горелки, что позволяет сжигать пеллеты более низкого качества — дополнительный аксессуар.
- Пневматическая подача пеллет — бункер для пеллет можно дополнить пневматической подачей пеллет из внешнего большого бункера на весь сезон — дополнительный аксессуар.
Модифицированные котлы оснащены на заводе-производителе всеми необходимыми аксессуарами для простого управления котлом (горелкой) в соответствии с потребностями заказчика, а также двумя датчиками температуры на буферном баке TV и TS.
(Начиная с серийного номера котла 327 700 и далее, котлы оснащены следующим: 2x модуль AD03, переключающий выключатель, датчик температуры котла TK (KTF 20), датчики TV и TS (2x KTF20 — 5 м), термостатом для насоса 70 °C, выходом для насоса в котловом контуре).
Горелку для пеллет ATMOS A25 можно применить для всех газификационных котлов с мощностью до 40 кВт (кроме DC50S — 45 кВт с горелкой ATMOS A45), оснащённых вытяжным вентилятором (кроме моделей серии DCxxGD, DCxxGS, DCxxGSX).
Бункер для пеллет и тип транспортёра выберем в зависимости от размера котельной и тепловых потерь здания.
Стандартно в этом варианте производятся следующие модели:
| Название котла | Мощность на первоначальное топливо — ДРОВА (кВт) | Мощность — пеллеты (кВт) | ![]() |
| DC18S с модификацией для горелки | 20 | 6 — 20 | |
| DC22S с модификацией для горелки | 22 | 7 — 24 | |
| DC25S с модификацией для горелки | 27 | 7 — 24 | |
| DC30SX с модификацией для горелки | 30 | 7 — 24 | |
| DC32S с модификацией для горелки | 35 | 7 — 24 | |
| DC50S с модификацией для горелки* | 49,9 | 13,5 — 45 |
*для этой модели предназначена горелка ATMOS A45
| Название котла | Мощность на первоначальное топливо — УГОЛЬ (кВт) | Мощность — пеллеты (кВт) | ![]() |
| C15S с модификацией для горелки | 16 | 3 — 12 | |
| C18S с модификацией для горелки | 20 | 6 — 20 | |
| C25ST с модификацией для горелки | 25 | 7 — 24 | |
| C32ST с модификацией для горелки | 32 | 7 — 24 | |
| AC25S с модификацией для горелки | 26 | 6 — 20 |
Корпус котлов изготовлен как сварная конструкция из высококачественных стальных листов толщиной 3 – 8 мм и состоит из следующих частей:
- Верхняя камера (6 мм) оснащена дверцой с отверстием для пеллетной горелки.
- Нижний отсек оснащён газификационной форсункой (DCxxS(SX)) или поворотным чугунным колосником (CxxS(ST), ACxxS) для простого золоудаления. Керамическая футеровка способствует идеальному сгоранию всех горючих веществ с высоким КПД для обеспечения экологически чистого сжигания, а также служит в качестве зольника.
- Котёл DC18S с модификацией для горелки с компактным бункером для пеллет AZPU 400 C Design (400 л)
- Котёл C15S с модификацией для горелки с компактным бункером для пеллет AZPU 240
- Котёл DC18S с модификацией для горелки с транспортёром DA2000 (2 м) и бункером для пеллет обїъёмом 500 л
Техническая информация
| Техническая информация | Тип котла с модификацией |
|||||||||||
|---|---|---|---|---|---|---|---|---|---|---|---|---|
| DC18S | DC22S | DC25S | DC30SX | DC32S | DC50S | C15S | C18S | C25ST | C32ST | AC25S | ||
| Производительность котла на древесных пеллетах | кВт | 6 — 20 | 7 — 24 | 7 — 24 | 7 — 24 | 7 — 24 | 13,5 — 45 | 3 — 12 | 6 — 20 | 7 — 24 | 7 — 24 | 4 — 20 |
| Производительность котла на исходном топливе | кВт | 20 | 22 | 27 | 30 | 35 | 49 | 16 | 20 | 25 | 32 | 25 |
| Предписанная тяга дымовой трубы | Па/мбар | 18/0,18 | 23/0,23 | 23/0,23 | 24/0,24 | 25/0,25 | 25/0,25 | 16/0,16 | 20/0,20 | 23/0,23 | 25/0,25 | 20/0,20 |
| Вес котла | кг | 283 | 324 | 326 | 335 | 345 | 433 | 276 | 298 | 379 | 415 | 297 |
| Объём воды в котле | л | 45 | 58 | 58 | 58 | 80 | 89 | 37 | 45 | 68 | 74 | 45 |
| Объём бункера | дм3 (л) | 60 | 95 | 95 | 95 | 135 | 180 | 45 | 60 | 90 | 110 | 60 |
| Напряжение питания | В/Гц | 230/50 | 230/50 | 230/50 | 230/50 | 230/50 | 230/50 | 230/50 | 230/50 | 230/50 | 230/50 | 230/50 |
| Предписанная длина дров | мм | 330 | 530 | 530 | 530 | 530 | 730 | 250 | 330 | 330 | 430 | 330 |
| Оригинальное топливо | дров | дров | дров | дров | дров | дров | уголь (дров) | уголь (дров) | уголь (дров) | уголь (дров) | уголь (дров) | |
| Предписанное топливо (предпочтительно) | качественные пеллеты диаметром 6 — 8 мм, длиной 5 — 25 мм и с теплотворностью 16 — 19 МДж.кг-1 (белые пеллеты) | |||||||||||
| Минимальная температура обратной воды | °C | 65 | ||||||||||
| КПД | % | 91,5 | 91,2 | 91,2 | 91,2 | 91,8 | 90,4 | 90,1 | 91,5 | 91,1 | 92,4 | 91,5 |
| Класс котла согласно ČSN EN 303-5 | 5 | 5 | 5 | 5 | 5 | 5 | 5 | 5 | 5 | 5 | 5 | |
| Класс энергоэффективности | A+ | A+ | A+ | A+ | A+ | A+ | A+ | A+ | A+ | A+ | A+ | |
| Экодизайн | Да | Да | Да | Да | Да | Да | Да | Да | Да | Да | Да | |
| Горелка | A25 | A25 | A25 | A25 | A25 | A45 | A25 | A25 | A25 | A25 | A25 | |
Установка
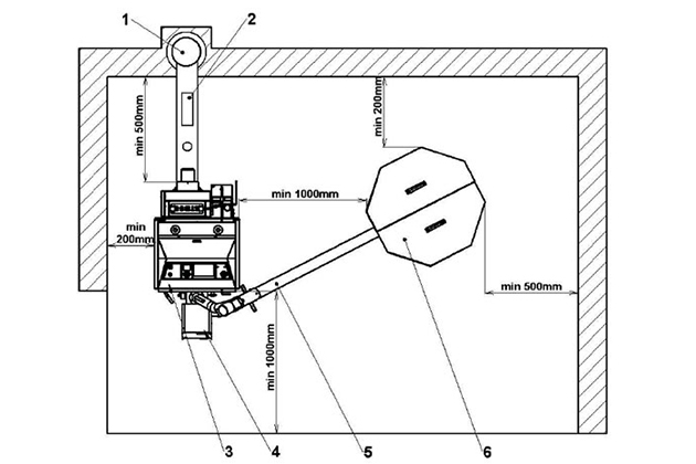
При установке горелки в верхнюю дверцу газификационного котла необходимо использовать конвейер длиной не менее 2 метров, чтобы длина шланга между конвейером и горелкой в целях безопасности составляла не менее 20 см.
Однако оптимальная длина шланга составляет около 40 см, чтобы можно было легко открыть дверцу пеллетной горелки при чистке камеры сгорания.
- Описание: 1 – Дымоход | 2 – Дымоход | 3 – Котел | 4 – Горелка | 5 – Конвейер | 6 – Бункер для пеллет
- Схема установки конвейера для пеллет
Doporučené zapojení
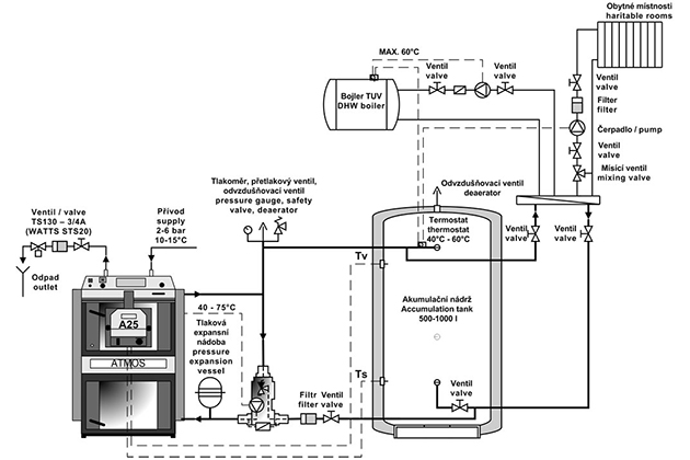
Рекомендуемое подключение котла – подключение с помощью Laddomat 22 или терморегулирующего клапана и буферной емкости объемом 500 или 1000 л для достижения низкого расхода топлива и длительного срока службы горелки и котла. Для дополнительной экономии топлива (до 20%) и правильной загрузки буферного бака используйте специально разработанный регулятор ATMOS ACD 03 или датчики TV и TS, которые предназначены для специальных функций горелки ATMOS A25 и расположены на Буферная (накопительная) емкость. Блок управления контролирует нагрев уравнительного (аккумулирующего) бака полностью автоматически и гарантирует, что энергии для системы отопления всегда будет достаточно. Такой способ подключения позволит сэкономить топливо, электроэнергию и увеличить срок службы пеллетной горелки.
![]() |
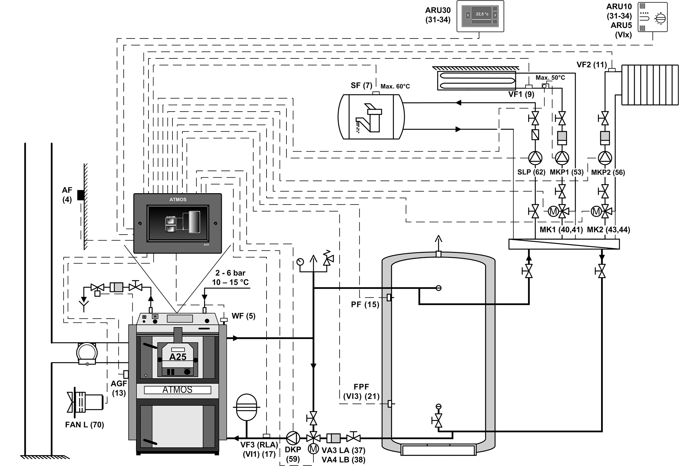
Котлы с модификациями горелок с 1 марта 2017 года комплектуются на заводе двумя модулями АД03, тумблером, датчиком температуры котла ТК (КТФ 20), термостатом насоса 70°С и розеткой с разъемом насоса в контуре котла. . Датчик TK вставлен в поддон котла (с завода), датчики TV и TS (аксессуары для котлов с 1 марта 2019 г.) в поддоне, все соединены вместе непосредственно с разъемом горелки. Модули (2x AD03) вставляются под колпак котла и подключаются к клеммной колодке котла. Оба модуля AD03 управляют вытяжным вентилятором котла и насосом в контуре котла. В котлах 2016 года выпуска имеется только один модуль AD02 для управления вытяжным вентилятором. |
- Подключение котла с горелкой ATMOS A25/A45 и накопительным баком
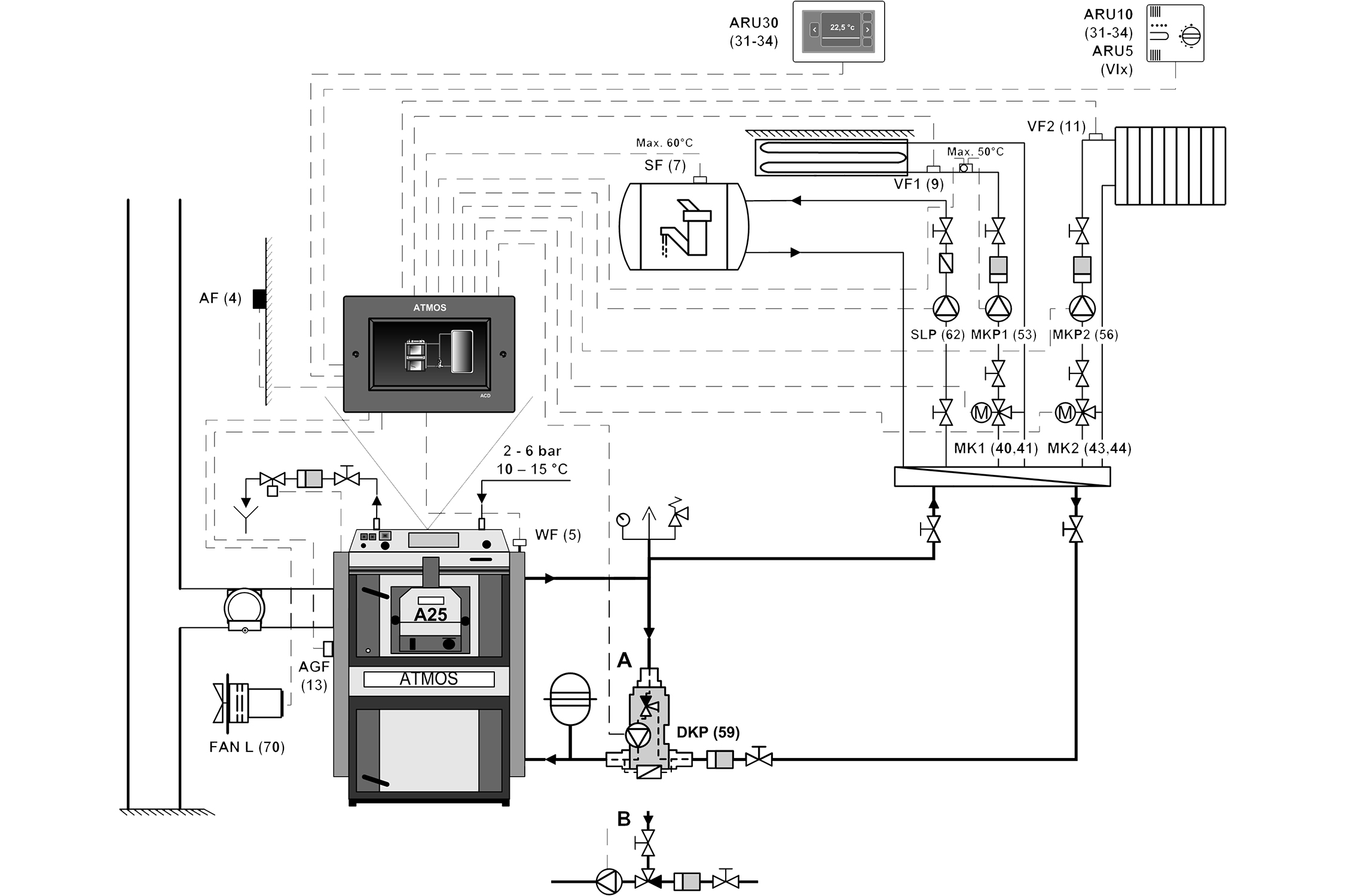
- Подключение котла с горелкой А25/А45 к Laddomat 22
- Подключение котла с горелкой A25/A45, накопительным баком и электронным регулированием ACD03.
- Подключение котла с горелкой A25/A45 и электронным управлением ACD03.
Газификационные котлы ATMOS с модификацией под пеллетную горелку A25/A45 можно заказать прямо с завода в левом или правом исполнении. Регулировка возможна только для котлов, оснащенных вытяжным вентилятором мощностью до 40/50 кВт (кроме типов DCxxGS, DCxxGD). Если вы хотите встроить горелку в уже установленный котел АТМОS, можно заказать специальный комплект для ее переоборудования. Комплект состоит из полностью модифицированной двери, специальной проводки и аксессуаров из 23 предметов.
Котлы модификации МОДЕЛЬ с 2017 года комплектуются (с заводского номера котла 327 700): 2х модулем AD03 для управления вытяжным вентилятором котла и насосом в контуре котла, тумблером, датчиком температуры котла TK (KTF 20), датчиками TV и TS ( 2x KTF20 — 5 м) для управления работой по двум температурам на уравнительном (аккумулирующем) баке, термостат насоса 70 °С, выход для насоса в контуре котла.
Комплект для встраивания пеллетной горелки в верхнюю дверь
- с правым открытием — горелка A25 — код: S0532 — старый дизайн с AD02
- с левым открытием — горелка A25 — код: S0533 — старый дизайн с AD02
- с правым открытием — горелка A25 — код: S1222 — Модель 2017-2020 гг.
- с левым открытием — горелка A25 — код: S1223 — Модель 2017-2020 гг.
- с правым открытием — горелка A45 — код: S0624 — старый дизайн с AD02
- с левым открытием — горелка A45 — код: S0625 — старый дизайн с AD02
- с правым открытием — горелка A45 — код: S1224 — Модель 2017-2020 гг.
- с левым открытием — горелка A45 — код: S1225 — Модель 2017-2020 гг.
Горелки
Пеллетная горелка ATMOS A25
Предписанное топливо: качественные древесные пеллеты (белые) диаметром 6 — 8 мм, длиной 5 — 25 мм и с теплотворностью 16 — 19 МДж.кг-1.
Дисплей горелки: используется для отображения текущего состояния горелки и настройки её работы
Управление горелкой: электронный регулятор AC07X, который управляет работой внешнего транспортёра, двух спиралей розжига и вентилятора в зависимости от требований котла и системы отопления. Электроника защищена предохранительным термостатом котла, предохранительным термостатом на входе пеллет в горелку, датчиком скорости вращения вентилятора и фотоэлементом для определения наличия пламени. Работа горелки отображается на дисплее электронного регулятора.
Розжиг топлива: автоматический с помощью двух электрических спиралей розжига.
Основные функции горелки:
Резервные выходы R и R2 для управления вытяжным вентилятором котла и насоса в котловом контуре (подключено на заводе-производителе)
Можно подключить четырёх разных датчиков TS, TV, TK и TSV
TK — датчик температуры котла (подключено на заводе-производителе)
TSV — датчик температуры дымовых газов (подключено на заводе-производителе)
TS — датчик нижней температуры в баке
TV — датчик верхней температуры в баке
- система управления вентилятором котла от горелки с помощью резервного выхода (R) (подключено на заводе-производителе)
- система управления насосом котла от горелки с помощью резервного выхода (R2) (подключено на заводе-производителе)
- система управления горелкой по двум температурам в буферном баке
Дозировка топлива: для котлов DxxP предназначены специальные шнековые транспортёры DA1500 — 4000
Пеллетная горелка ATMOS A45
Предписанное топливо: качественные древесные пеллеты (белые) диаметром 6 — 8 мм, длиной 5 — 25 мм и с теплотворностью 16 — 19 МДж.кг-1.
Дисплей горелки: используется для отображения текущего состояния горелки и настройки её работы
Управление горелкой: электронный регулятор AC07X, который управляет работой внешнего транспортёра, двух спиралей розжига и вентилятора в зависимости от требований котла и системы отопления. Электроника защищена предохранительным термостатом котла, предохранительным термостатом на входе пеллет в горелку, датчиком скорости вращения вентилятора и фотоэлементом для определения наличия пламени. Работа горелки отображается на дисплее электронного регулятора.
Розжиг топлива: автоматический с помощью двух электрических спиралей розжига.
Основные функции горелки:
Резервные выходы R и R2 для управления вытяжным вентилятором котла и насоса в котловом контуре (подключено на заводе-производителе)
Можно подключить четырёх разных датчиков TS, TV, TK и TSV
TK — датчик температуры котла (подключено на заводе-производителе)
TSV — датчик температуры дымовых газов (подключено на заводе-производителе)
TS — датчик нижней температуры в баке
TV — датчик верхней температуры в баке
- система управления вентилятором котла от горелки с помощью резервного выхода (R) (подключено на заводе-производителе)
- система управления насосом котла от горелки с помощью резервного выхода (R2) (подключено на заводе-производителе)
- система управления горелкой по двум температурам в буферном баке
Дозировка топлива: для котлов DxxP предназначены специальные шнековые транспортёры типа DRA












