Les chaudières à gazéification ATMOS avec réglage pour un brûleur sont une solution moderne, lorsque nous intégrons dans la porte supérieure d’une chaudière à gazéification standard un brûleur à granulés de bois ATMOS A25/A45.
De cette façon, nous créerons une chaudière à granulés directement sur mesure avec allumage automatique du combustible.
Avantages d’intégrer un brûleur dans une chaudière standard
- Solution simple et abordable
- Possibilité de chauffer confortablement aux granulés sans rechargement manuel – fonctionnement automatique avec allumage automatique des granulés selon la température requise (comme avec une chaudière à gaz).
- Petites dimensions et différentes longueurs de convoyeurs selon la taille et les possibilités de la chaufferie.
- Différentes tailles de réservoirs à granulés – 240, 250, 300, 400, 500, 1000 l / réservoir textile, une partie de la chaufferie comme réservoir = réapprovisionnement en combustible une fois tous les 7 à 14 jours / une fois par an.
- Haut rendement de 90 à 92 % selon le type – faible consommation de combustible et économies sur les coûts de chauffage.
- Combustion respectueuse de l’environnement – chaudière selon la norme ČSN EN 303-5 classe 5, conforme à la directive européenne ÉCODESIGN 2015/1189.
- Ventilateur d’extraction – pour des conditions de tirage plus faibles – ramassage des cendres sans poussière une fois tous les 7 à 30 jours.
- Serpentin de refroidissement contre la surchauffe = sans risque d’endommagement de la chaudière.
- Arrêt automatique de la chaudière après l’épuisement du combustible.
- Nettoyage pneumatique du brûleur – possibilité d’équiper la chaudière d’un nettoyage automatique du brûleur, ce qui permet de brûler des granulés de qualité inférieure – accessoire optionnel.
- Transport pneumatique des granulés – le réservoir à granulés peut être complété par un transport pneumatique des granulés à partir d’un grand réservoir externe pour toute la saison – accessoire optionnel.
Les chaudières avec modification sont équipées en usine de tous les accessoires nécessaires pour un contrôle facile de la chaudière (brûleur) en fonction des besoins du client et de deux températures (capteurs) sur le réservoir tampon TV et TS.
(A partir du numéro de série de la chaudière 327 700, les chaudières sont équipées de: 2x modules AD03, interrupteur à bascule, capteur de température de la chaudière TK (KTF 20), capteurs TV et TS (2x KTF20 – 5 m), thermostat pour la pompe 70 °C, sortie pour la pompe du circuit de chaudière.)
Le brûleur à granulés de bois ATMOS A25 peut être utilisé pour toutes les chaudières à gazéification jusqu’à 40 kW (sauf DC50S – 45 kW avec brûleur ATMOS A45), équipées d’un ventilateur d’extraction (sauf modèles DCxxGD, DCxxGS, DCxxGSX).
On choisit le réservoir à granulés de bois et le type de convoyeur en fonction de la taille de la chaufferie et des déperditions thermiques du bâtiment.
Les modèles suivants sont produits en standard dans cette variante:
| Nom chaudière |
Puissance sur combustible d’origine – BOIS (kW) |
Puissance – PELLETS (kW) |
 |
| DC18S avec modification pour brûleur |
20 |
6 – 20 |
| DC22S avec modification pour brûleur |
22 |
7 – 24 |
| DC25S avec modification pour brûleur |
27 |
7 – 24 |
| DC30SX avec modification pour brûleur |
30 |
7 – 24 |
| DC32S avec modification pour brûleur |
35 |
7 – 24 |
| DC50S avec modification pour brûleur* |
49,9 |
13,5 – 45 |
*le brûleur ATMOS A45 est destiné à ce modèle
| Nom chaudière |
Puissance sur combustible d’origine – CHARBON (kW) |
Puissance – PELLETS (kW) |
 |
| C15S avec modification pour brûleur |
16 |
3 – 12 |
| C18S avec modification pour brûleur |
20 |
6 – 20 |
| C25ST avec modification pour brûleur |
25 |
7 – 24 |
| C32ST avec modification pour brûleur |
32 |
7 – 24 |
| AC25S avec modification pour brûleur |
26 |
6 – 20 |
Les chaudières sont construites de manière à ce que le corps des chaudières soit constitué d’un joint soudé à partir de tôles d’acier de haute qualité d’une épaisseur de 3 à 8 mm, qui se compose:
- De la chambre supérieure (6 mm) équipée d’une porte avec un trou pour l’installation d’un brûleur à granulés de bois.
- Du compartiment inférieur équipé d’une buse de gazéification ou d’une grille rotative en fonte pour faciliter le décendrage. Les raccords en céramique favorisent la combustion idéale de toutes les substances combustibles avec un rendement élevé lors d’une combustion respectueuse de l’environnement et servent également de cendrier.
-
-
Chaudière DC18S avec réglage pour brûleur avec convoyeur DA2000 (2 m) et réservoir à pellets 500 l
-
-
Chaudière DC18S avec modification pour brûleur avec réservoir à pellets compact AZPU 400 C Design (400 l)
-
-
Chaudière C15S avec modification pour brûleur avec réservoir compact pour pellets AZPU 240
-
-
Chaudière DC18S avec réglage pour brûleur avec convoyeur DA2000 (2 m) et réservoir à pellets 500 l
Détails techniques
| Caractéristiques techniques |
Type de chaudière avec modification |
| |
DC18S |
DC22S |
DC25S |
DC30SX |
DC32S |
DC50S |
C15S |
C18S |
C25ST |
C32ST |
AC25S |
| Puissance de la chaudière à pellets de bois |
kW |
6 – 20 |
7 – 24 |
7 – 24 |
7 – 24 |
7 – 24 |
13,5 – 45 |
3 – 12 |
6 – 20 |
7 – 24 |
7 – 24 |
4 – 20 |
| Puissance de la chaudière sur le combustible d’origine |
kW |
20 |
22 |
27 |
30 |
35 |
49 |
16 |
20 |
25 |
32 |
25 |
| Tirage de la cheminée prescrit |
Pa/mbar |
18/0,18 |
23/0,23 |
23/0,23 |
24/0,24 |
25/0,25 |
25/0,25 |
16/0,16 |
20/0,20 |
23/0,23 |
25/0,25 |
20/0,20 |
| Poids de la chaudière |
kg |
283 |
324 |
326 |
335 |
345 |
433 |
276 |
298 |
379 |
415 |
297 |
| Volume d´eau dans la chaudière |
l |
45 |
58 |
58 |
58 |
80 |
89 |
37 |
45 |
68 |
74 |
45 |
| Volume du puits à combustible |
dm3 (l) |
60 |
95 |
95 |
95 |
135 |
180 |
45 |
60 |
90 |
110 |
60 |
| Tension de raccordement |
V/Hz |
230/50 |
230/50 |
230/50 |
230/50 |
230/50 |
230/50 |
230/50 |
230/50 |
230/50 |
230/50 |
230/50 |
| Longueur de bois prescrite |
mm |
330 |
530 |
530 |
530 |
530 |
730 |
250 |
330 |
330 |
430 |
330 |
| Carburant d’origine |
|
bois |
bois |
bois |
bois |
bois |
bois |
charbon (bois) |
charbon (bois) |
charbon (bois) |
charbon (bois) |
charbon (bois) |
| Combustible prescrit (de référence) |
|
pellets de qualité, d’un diamètre de 6 à 8 mm, d’une longueur de 10 à 40 mm et d’un pouvoir calorifique de 15 à 18 MJ.kg-1 |
| Rendement de la chaudière |
% |
91,5 |
91,2 |
91,2 |
91,2 |
91,8 |
90,4 |
90,1 |
91,5 |
91,1 |
92,4 |
91,5 |
| Classe de la chaudière |
|
5 |
5 |
5 |
5 |
5 |
5 |
5 |
5 |
5 |
5 |
5 |
| Classe d‘efficacité énergétique |
|
A+ |
A+ |
A+ |
A+ |
A+ |
A+ |
A+ |
A+ |
A+ |
A+ |
A+ |
| EKODESIGN |
|
Oui |
Oui |
Oui |
Oui |
Oui |
Oui |
Oui |
Oui |
Oui |
Oui |
Oui |
| Brûleur |
|
A25 |
A25 |
A25 |
A25 |
A25 |
A45 |
A25 |
A25 |
A25 |
A25 |
A25 |
Température minimale prescrite pour l´eau de retour en exploitation: 65 °C
Température d´exploitation prescrite pour la chaudière: 80 – 90 °C |
Installation
Lors de l’installation du brûleur dans la porte supérieure de la chaudière à gazéification, il est nécessaire d’utiliser un convoyeur d’une longueur minimale de 2 mètres, de sorte que la longueur du tuyau entre le convoyeur et le brûleur soit d’au moins 20 cm pour des raisons de sécurité.
Cependant, la longueur optimale du tuyau est d’environ 40 cm, de sorte qu’il est possible d’ouvrir facilement la porte avec le brûleur à granulés de bois lors du nettoyage de la chambre de combustion.
-
-
Descriptif : 1 – Cheminée | 2 – Conduit | 3 – Chaudière | 4 – Brûleur | 5 – Convoyeur | 6 – Trémie à granulés
-
-
Schéma d’installation du convoyeur à granulés
Raccordement recommandé
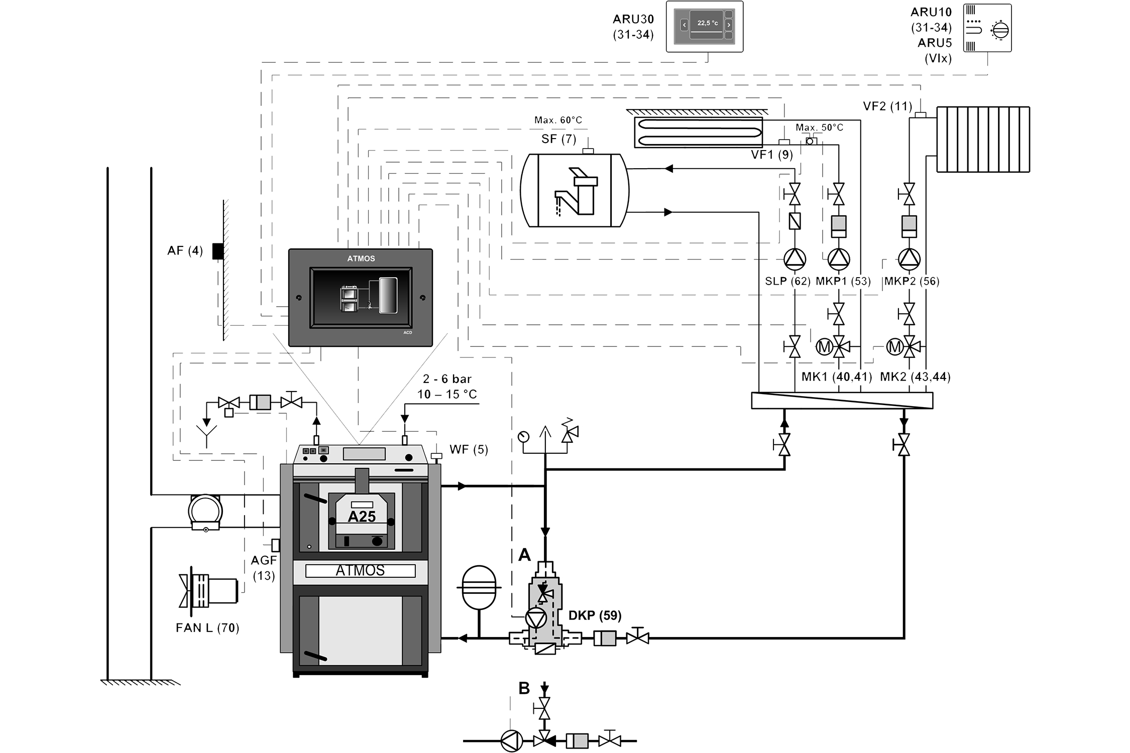
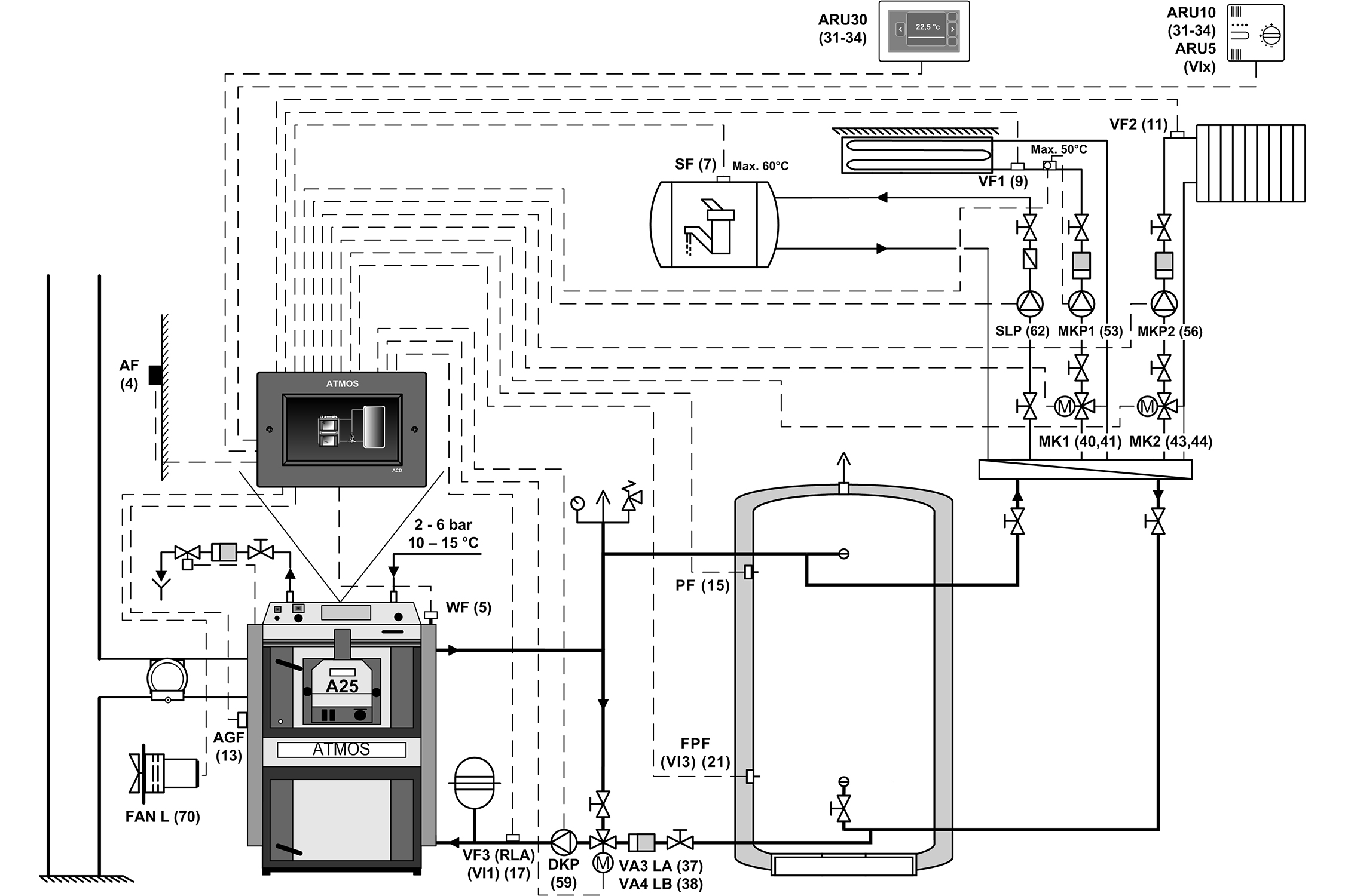
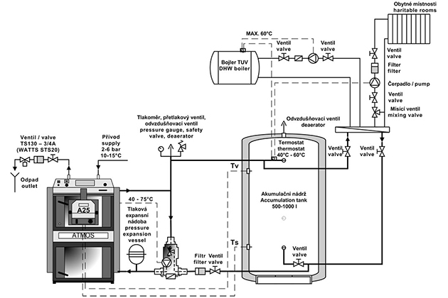
Le raccordement recommandé de la chaudière est le raccordement avec un Laddomat 22 ou une vanne de thermorégulation et un réservoir tampon d’un volume de 500 ou 1000 l pour obtenir une faible consommation de combustible et une longue durée de vie du brûleur et de la chaudière. Pour des économies de combustible supplémentaires (jusqu’à 20 %) et une fonction de charge correcte du réservoir tampon, utilisez la régulation spécialement développée ATMOS ACD 03 ou les capteurs TV et TS, qui sont destinés aux fonctions spéciales du brûleur ATMOS A25 et sont situés sur le réservoir tampon (d’accumulation). L’unité de commande surveille le chauffage du réservoir tampon (d’accumulation) de manière entièrement automatique et garantit qu’il y a toujours assez d’énergie pour le système de chauffage. Cette méthode de raccordement vous permettra d’économiser du combustible, de l’électricité et d’augmenter la durée de vie du brûleur à granulés de bois.
 |
A partir du 1er mars 2017, les chaudières avec modifications pour le brûleur sont équipées en usine de deux modules AD03, d’un interrupteur à bascule, d’un capteur de température de la chaudière TK (KTF 20), d’un thermostat pour la pompe 70 °C et d’une sortie avec un connecteur de pompe du circuit de la chaudière.
Le capteur TK inséré dans le puisard de la chaudière (de l’usine), capteurs TV et TS (accessoires de la chaudière à partir du 1. 3. 2019) dans les puisards sur le réservoir d’accumulation, tout est connecté ensemble directement au connecteur du brûleur. Les modules (2x AD03) sont insérés sous le capot de la chaudière et raccordés au bornier de la chaudière. Les deux modules AD03 contrôlent le ventilateur d’extraction de la chaudière et la pompe du circuit de la chaudière.
Les versions des chaudières 2016 contiennent un seul module AD02 pour le contrôle du ventilateur d’extraction. |
-
-
Raccordement d’une chaudière avec un brûleur ATMOS A25/A45 et un ballon de stockage
-
-
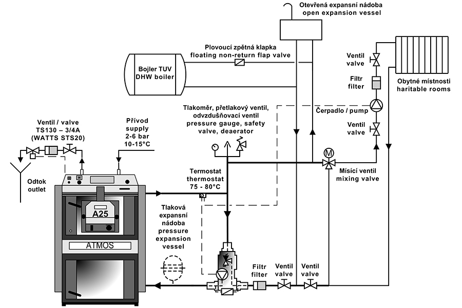
Raccordement chaudière avec brûleur A25/A45 avec Laddomat 22
-
-
Raccordement chaudière avec brûleur A25/A45, ballon de stockage et régulation électronique ACD03
-
-
Raccordement chaudière avec brûleur A25/A45 et commande électronique ACD03
Les chaudières à gazéification ATMOS avec modification pour brûleur à granulés de bois A25 / A45 peuvent être commandées directement à l’usine en version gauche ou droite. Le réglage n’est possible que pour les chaudières équipées d’un ventilateur d’extraction jusqu’à 40/50 kW (sauf types DCxxGS, DCxxGD). Si vous souhaitez intégrer le brûleur dans la chaudière ATMOS déjà installée, il est possible de commander un kit spécial pour sa reconstruction. Le kit se compose d’une porte complète modifiée, d’un câblage spécial et d’accessoires de 23 articles.
Les chaudières avec modification MODEL sont équipées à partir de 2017 (à partir du numéro de production de la chaudière 327 700) par: 2x modules AD03 pour le contrôle du ventilateur d’extraction de la chaudière et de la pompe dans le circuit de la chaudière, interrupteur à bascule, capteur de température de la chaudière TK (KTF 20), capteurs TV et TS (2x KTF20 – 5 m) pour le contrôle de fonctionnement selon deux températures sur le réservoir tampon (d’accumulation, thermostat pour la pompe 70 °C, sortie pour la pompe dans le circuit de la chaudière.
Set pour encastrer le brûleur à granulés de bois dans la porte supérieure
- avec ouverture droite- du brûleur A25 – code: S0532 – ancienne conception avec AD02
- avec ouverture gauche – du brûleur A25 – code: S0533 – ancienne conception avec AD02
- avec ouverture droite- du brûleur A25 – code: S1222 – modèle 2017 – 2020
- avec ouverture gauche – du brûleur A25 – code: S1223 – modèle 2017 – 2020
- avec ouverture droite – du brûleur A45 – code: S0624 – ancienne conception avec AD02
- avec ouverture gauche – du brûleur A45 – code: S0625 – ancienne conception avec AD02
- avec ouverture droite – du brûleur A45 – code: S1224 – modèle 2017 – 2020
- avec ouverture gauche – du brûleur A45 – code: S1225 – modèle 2017 – 2020
Brûleurs
Combustible requis: pellets en bois de qualité (blancs), diamètre de 6 à 8 mm, longueur de 10 à 40 mm capacité thermique de 15 – 18 MJ.kg-1
Ecran du brûleur: permet d’afficher le statut du brûleur et de le paramétrer
Commande du brûleur: au moyen du réglage électronique AC07X qui commande la marche du convoyeur externe, de deux spirales d’allumage et d’un ventilateur en fonction des besoins de la chaudière et du système de chauffe. Le système électronique est protégé par le thermostat de sécurité de la chaudière, par le thermostat de sécurité à l’amenée des pellets au brûleur, par le compte-tours du ventilateur et par la photocellule pour la détection de la flamme. La marche du brûleur est signalée à l’afficheur du réglage électronique.
Allumage du carburant : automatique à l’aide de deux spirales d’allumage électriques.
Fonctions du brûleur:
Possibilité d’utiliser deux sorties R et R2 pour des différentes applications.
Possibilité de considérer quatre différents capteurs TS, TV, TK et TSV
TK – capteur de bas de ballon tampon
TSV – capteur de haut de ballon tampon
TS – capteur chaudière ou capteur de milieu de ballon tampon
TV – capteur de gaz de fumées ou capteur solaire
- contrôle du ventilateur par la sortie auxiliaire (R)
- contrôle de la pompe par le sortie auxiliaire (R2)
- le brûleur est contrôlé en fonction de deux températures (capteurs) sur le ballon tampon
- contrôle du système solaire directement par le brûleur
- démarrage automatique du brûleur après la combustion de la charge de bois pour les chaudières DCxxSP(X)
Brûleur à pellets ATMOS A25
Dosage du combustible: les convoyeurs à vis spéciaux DA1500 – 4000
Brûleur à pellets ATMOS A45
Dosage du combustible: des convoyeurs à vis spéciaux de type DRA