ATMOS gasification boilers with modification for the burner are a modern solution, where we build an ATMOS A25/A45 pellet burner into the upper door of a standard gasification boiler.
We will create a tailor-made pellet boiler with automatic fuel ignition.ATMOS gasification boilers with modification for the burner are a modern solution, where we build an ATMOS A25/A45 pellet burner into the upper door of a standard gasification boiler.
- Technical information
-
Gasification boilers with modification for pellet burner
-
Boiler efficiency according to type 90,1 - 92,4 %
ATMOS gasification boilers with modification for the burner are a modern solution, where we build an ATMOS A25 / A45 pellet burner into the upper door of a standard gasification boiler.
We will create a tailor-made pellet boiler with automatic fuel ignition.
Advantages of installing a burner in a standard boiler
- Simple and affordable solution
- Possibility to comfortably heat with pellets without manual stoking – automatic operation with automatic pellet ignition according to the required temperature (as with a gas boiler).
- Small dimensions and various conveyor lengths according to the size and possibilities of the boiler room.
- Various sizes of pellet hoppers – 240, 250, 300, 400, 500, 1000 l / textile hopper, part of the boiler room as a hopper = refuelling once every 7 to 14 days / once a year.
- High efficiency of 90 to 92 % depending on the type – low fuel consumption and saving on heating costs.
- Environmentally friendly combustion – boiler according to ČSN EN 303-5 class 5, complying with the European ECODESIGN directive 2015/1189.
- Exhaust fan – for poorer draft conditions – dust-free ash removal once every 7 to 30 days.
- Cooling coil against overheating = without the risk of boiler damage.
- Automatic boiler shutdown after the fuel has burned out.
- Pneumatic burner cleaning – possibility to supplement the boiler with automatic burner cleaning, which allows burning lower quality pellets – optional accessory.
- Pneumatic pellet conveying – the pellet hopper can be supplemented with pneumatic pellet conveying from an external large hopper for the entire season – optional accessory.
Boilers with modification are equipped from the factory with all necessary accessories for easy control of the boiler (burner) according to the customer’s needs and two temperatures (sensors) on the buffer tank TV and TS.
(From serial number 327 700 all boilers are equipped with: 2x AD03 module, toggle switch, boiler temperature sensor TK (KTF 20), TV and TS sensors (2x KTF20 – 5 m), thermostat for pump 70 °C, outlet for pump in boiler circuit.)
The ATMOS A25 pellet burner can be used for all gasification boilers up to 40 kW (except DC50S – 45 kW with ATMOS A45 burner), equipped with an exhaust fan (except models DCxxGD, DCxxGS, DCxxGSX).
We choose the pellet hopper and the type of conveyor according to the size of the boiler room and the heat loss of the building.
The following models are produced in this variant as standard:
| Boiler type | Power on original fuel – WOOD (kW) | Power – PELLETS (kW) | ![]() |
| DC18S with modification for burner | 20 | 6 – 20 | |
| DC22S with modification for burner | 22 | 7 – 24 | |
| DC25S with modification for burner | 27 | 7 – 24 | |
| DC30SX with modification for burner | 30 | 7 – 24 | |
| DC32S with modification for burner | 35 | 7 – 24 | |
| DC50S with modification for burner* | 49,9 | 13,5 – 45 |
*the ATMOS A45 burner is intended for this model
| Boiler type | Power on original fuel – COAL (kW) | Power – PELLETS (kW) | ![]() |
| C15S with modification for burner | 16 | 3 – 12 | |
| C18S with modification for burner | 20 | 6 – 20 | |
| C25ST with modification for burner | 25 | 7 – 24 | |
| C32ST with modification for burner | 32 | 7 – 24 | |
| AC25S with modification for burner | 26 | 6 – 20 |
The boilers are designed so that the boiler body is made as a weldment from high-quality steel sheets with a thickness of 3 to 8 mm, which consists of:
- The upper chamber (6 mm) is equipped with a door with an opening for the installation of a pellet burner.
- The lower compartment is equipped with a gasification nozzle (DCxxS/SX boilers) or a rotating cast iron grate (CxxS/ST, ACxxS boilers) for easy ash removal. Ceramic fittings support the ideal burning of all combustible substances with high efficiency in environmentally friendly combustion and also serve as an ashtray.
- DC18S boiler with burner modification with compact pellet tank AZPU 400 C Design (400 l)
- Boiler C15S with modification for a burner with a compact pellet tank
- DC18S boiler with burner modification with conveyor DA2000 (2 m) and pellet tank 500 l
Technical information
| Specification | Boiler type with modification | |||||||||||
|---|---|---|---|---|---|---|---|---|---|---|---|---|
| DC18S | DC22S | DC25S | DC30SX | DC32S | DC50S | C15S | C18S | C25ST | C32ST | AC25S | ||
| Boiler output on wood pellets | kW | 6 – 20 | 7 – 24 | 7 – 24 | 7 – 24 | 7 – 24 | 13,5 – 45 | 3 – 12 | 6 – 20 | 7 – 24 | 7 – 24 | 4 – 20 |
| Boiler output on original fuel | kW | 20 | 22 | 27 | 30 | 35 | 49 | 16 | 20 | 25 | 32 | 25 |
| Prescribed chimney draft | Pa/mbar | 18/0,18 | 23/0,23 | 23/0,23 | 24/0,24 | 25/0,25 | 25/0,25 | 16/0,16 | 20/0,20 | 23/0,23 | 25/0,25 | 20/0,20 |
| Boiler weight | kg | 283 | 324 | 326 | 335 | 345 | 433 | 276 | 298 | 379 | 415 | 297 |
| Volume of water | l | 45 | 58 | 58 | 58 | 80 | 89 | 37 | 45 | 68 | 74 | 45 |
| Hopper capacity | dm3 (l) | 60 | 95 | 95 | 95 | 135 | 180 | 45 | 60 | 90 | 110 | 60 |
| Connecting voltage | V/Hz | 230/50 | 230/50 | 230/50 | 230/50 | 230/50 | 230/50 | 230/50 | 230/50 | 230/50 | 230/50 | 230/50 |
| Prescribed wood length | mm | 330 | 530 | 530 | 530 | 530 | 730 | 250 | 330 | 330 | 430 | 330 |
| Original fuel | wood | wood | wood | wood | wood | wood | coal (wood) | coal (wood) | coal (wood) | coal (wood) | coal (wood) | |
| Specified fuel (preffered) | Quality wood pellets ø 6 – 8 mm (white pellets) | |||||||||||
| Minimum return water temperature | °C | 65 | ||||||||||
| Efficiency over the entire performance range | % | 91,5 | 91,2 | 91,2 | 91,2 | 91,8 | 90,4 | 90,1 | 91,5 | 91,1 | 92,4 | 91,5 |
| Boiler class | 5 | 5 | 5 | 5 | 5 | 5 | 5 | 5 | 5 | 5 | 5 | |
| Energy efficiency class | A+ | A+ | A+ | A+ | A+ | A+ | A+ | A+ | A+ | A+ | A+ | |
| EKODESIGN | yes | yes | yes | yes | yes | yes | yes | yes | yes | yes | yes | |
| The Pellet burner | A25 | A25 | A25 | A25 | A25 | A45 | A25 | A25 | A25 | A25 | A25 | |
Installation
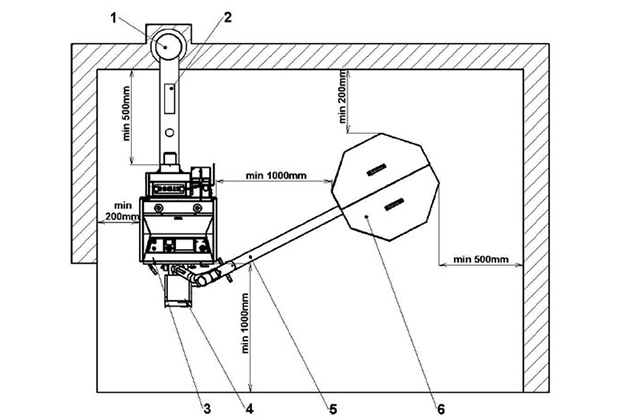
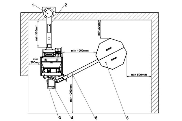
When installing the burner in the upper door of the gasification boiler, it is necessary to use a conveyor with a minimum length of 2 meters, so that the length of the hose between the conveyor and the burner is at least 20 cm for safety reasons. However, the optimal length of the hose is approx. 40 cm, so that it is possible to easily open the door with the pellet burner when cleaning the combustion chamber.
- Description: 1 – Chimney | 2 – Flue | 3 – Boiler | 4 – Burner | 5 – Conveyor | 6 – Pellet hopper
- How to install pellet conveyor
Recommended connection
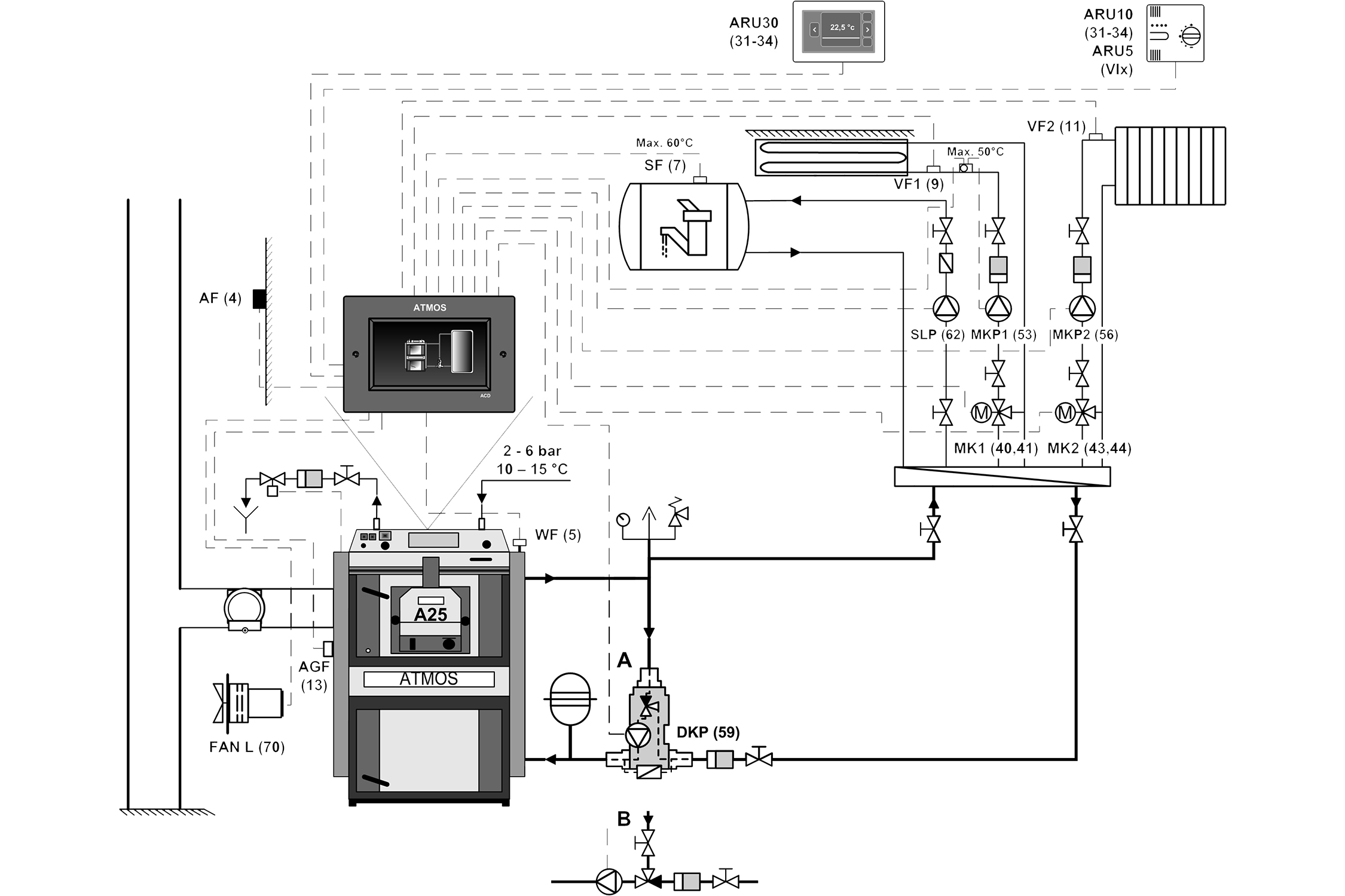
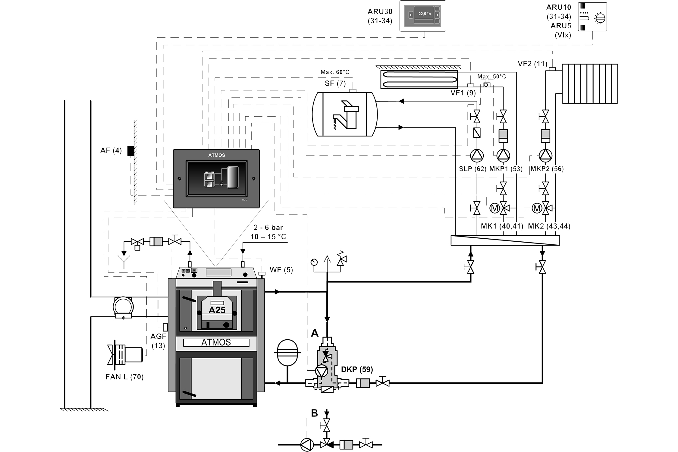
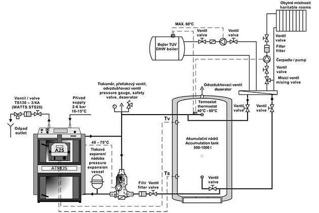
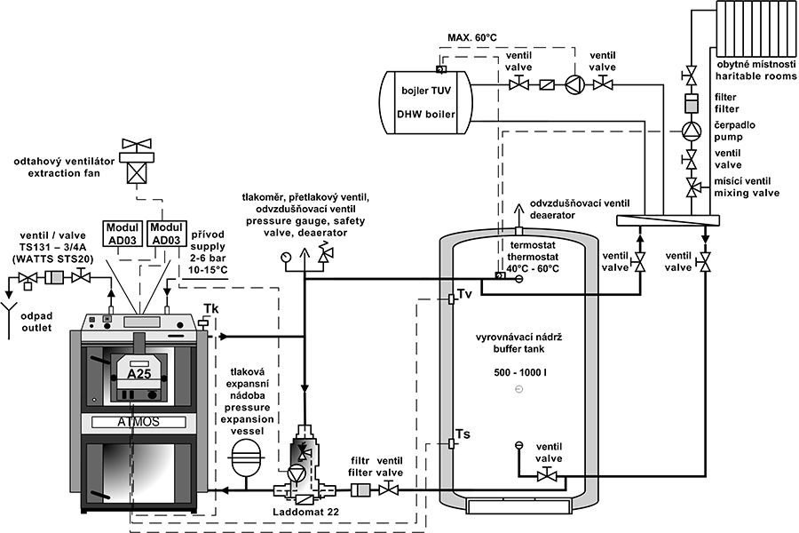
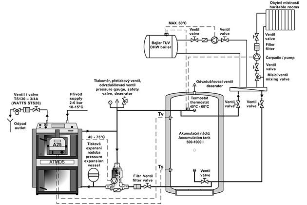
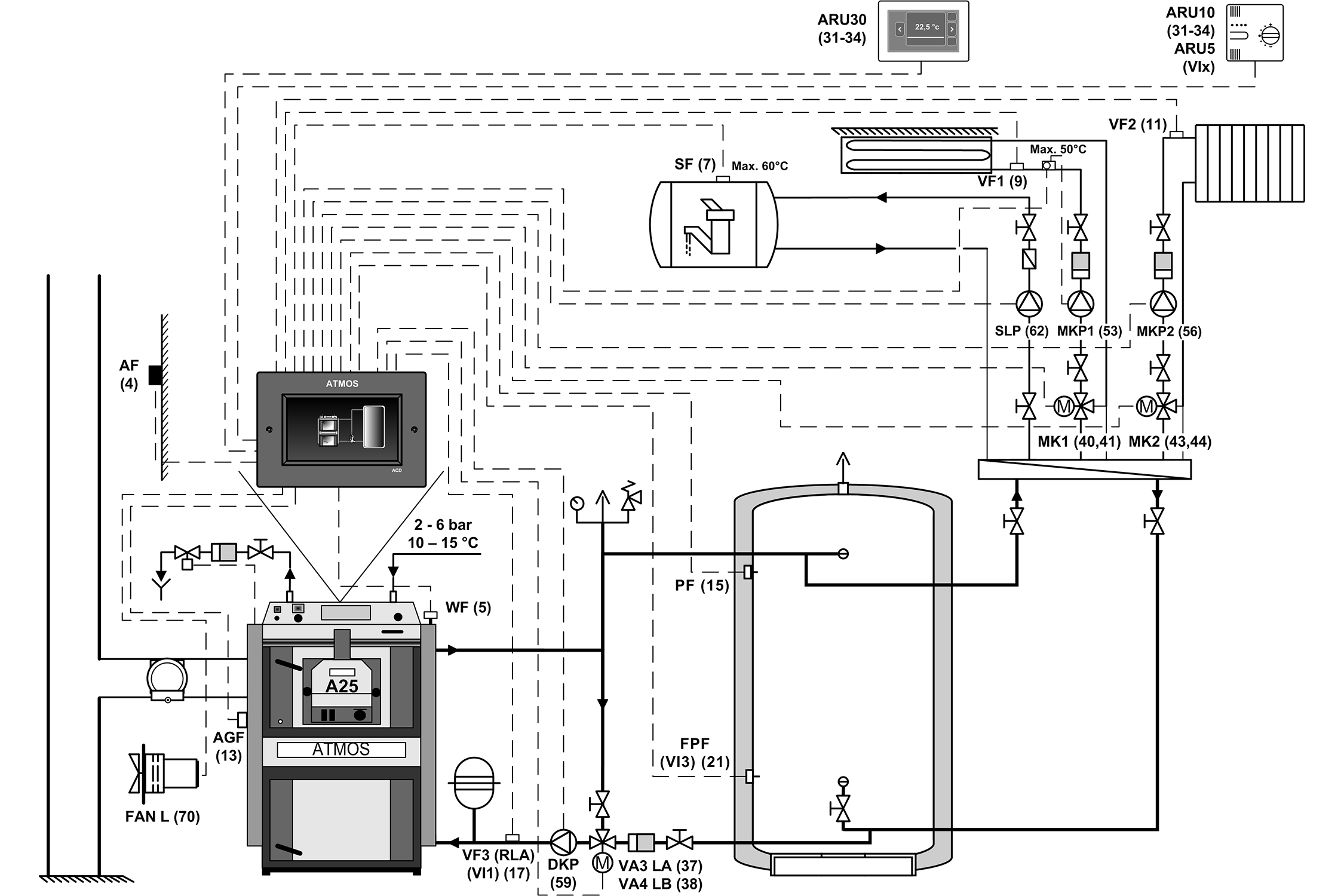
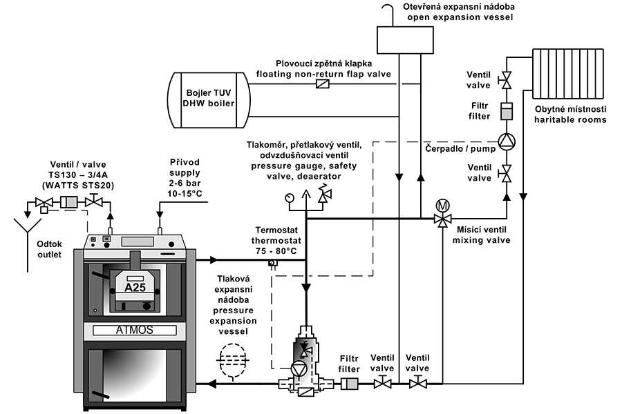
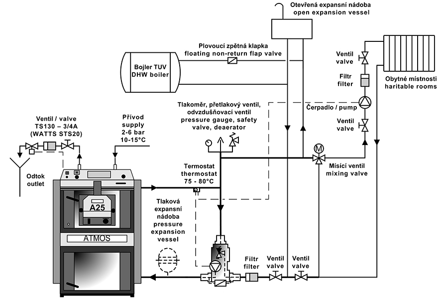
The recommended boiler connection is a connection with a Laddomat 22 or a thermoregulation valve and a buffer tank with a capacity of 500 or 1000 l to achieve low fuel consumption and a long burner and boiler life. For further fuel savings (up to 20 %) and the correct function of the buffer tank charging, use the specially developed ATMOS ACD 01 control or the TV and TS sensors, which are designed for the special functions of the ATMOS A25 burner. The ideal burner control is according to two sensors (TV and TS) on the buffer tank. The control unit monitors the heating of the buffer tank completely automatically and always guarantees sufficient energy for the heating system. This type of connection will save you fuel, electricity and increase the life of the pellet burner.
![]() |
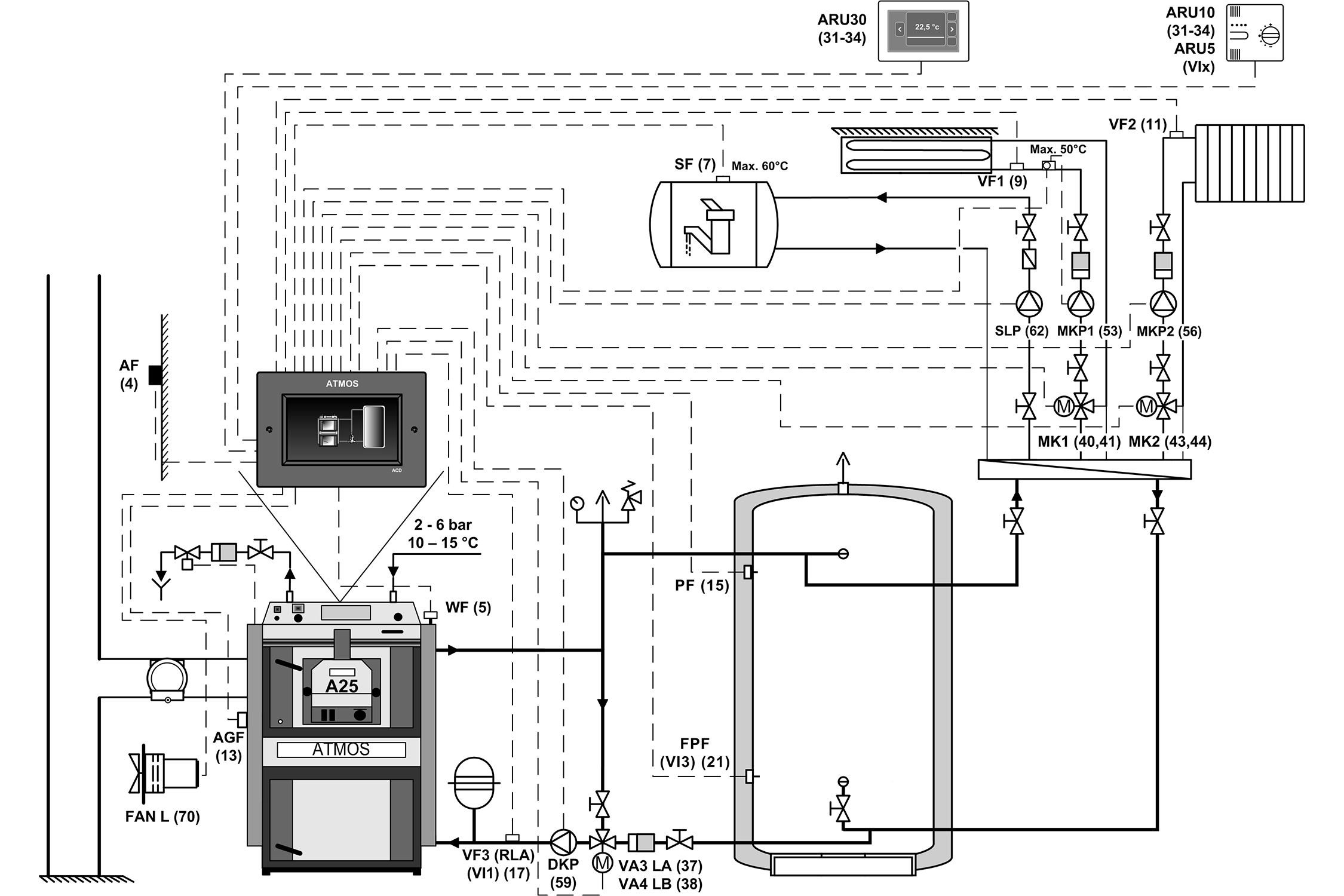
From March 1st. 2017, boilers modified for the burner are equipped from the factory with two AD03 modules, a toggle switch, a boiler temperature sensor TK (KTF 20), a thermostat for a 70 °C pump and an outlet with a connector for the pump in the boiler circuit. TK sensor inserted in the boiler sump (from production), TV and TS sensors (boiler accessories from 1. 3. 2019) in the sumps on the accumulation tank, all connected directly to the burner connector. The modules (2x AD03) are inserted under the instrument hood of the boiler and connected to the boiler terminal board. Both AD03 modules control the boiler exhaust fan and the pump in the boiler circuit. The 2016 boiler versions contain only one AD02 module for controlling the exhaust fan. |
- Boiler connection with ATMOS A25 / A45 burner
- Boiler connection with A25/A45 burner with Laddomat 22
- Boiler connection with burner A25/A45, accumulation tank and electronic regulation ACD03
- Boiler connection with burner A25/A45 and electronic control ACD03
ATMOS gasification boilers with modification for pellet burner A25 / A45 can be ordered directly from the factory in left or right design. The adjustment is possible only for boilers equipped with an exhaust fan up to 40/50 kW (except type DCxxGS, DCxxGD). If you want to build the burner into an already installed ATMOS boiler, it is possible to order a special kit for its conversion. The set consists of a complete modified door, special wiring and accessories with 23 items.
Boilers with modification (model 2017) are equipped (from boiler serial number 327 700): 2x AD03 module, toggle switch, boiler temperature sensor TK (KTF 20), TV and TS sensors (2x KTF20 – 5 m), thermostat for pump 70 °C, outlet for pump in the boiler circuit.
Boilers with adjustment for pellet burner Model from 2017 are already supplied with two AD03 modules for controlling the boiler and pump exhaust fan in the boiler circuit and two TV and TS sensors for controlling operation according to two temperatures on the buffer tank.
Set for installing a pellet burner in the upper door
- with right opening – burner A25 – code: S0532 – old design with AD02
- with left opening – burner A25 – code: S0533 – old design with AD02
- with right opening – burner A25 – code: S1222 – model 2017-2020
- with left opening – burner A25 – code: S1223 – model 2017-2020
- with right opening – burner A45 – code: S0624 – old design with AD02
- with left opening – burner A45 – code: S0625 – old design with AD02
- with right opening – burner A45 – code: S1224 – model 2017-2020
- with left opening – burner A45 – code: S1225 – model 2017-2020
The Pellet burners
Pellet burner ATMOS A25
Prescribed fuel: quality wood pellets (white) with a diameter of 6 to 8 mm, a length of 5 to 25 mm and a calorific value of 16 – 19 MJ.kg-1.
Burner display: used to display the current status of the burner and to set its functions
Burner control: electronic control AC07X, which controls the operation of the external conveyor, two ignition coils and the fan according to the requirements of the boiler and the heating system. The electronics are protected by a boiler safety thermostat, a safety thermostat on the pellet supply to the burner, a fan speed sensor and a photocell for flame sensing. The burner operation is signaled on the electronic control display.
Fuel ignition: automatic by means of two electric ignition coils.
Basic burner functions:
Possibility to use two backup outputs R and R2 for different applications
Possibility of connecting four different sensors TS, TV, TK and TSV
TS – lower sensor on the tank
TV – sensor upper on the tank
TK – boiler sensor or middle sensor on the tank
TSV – flue gas sensor or solar panel
- burner control based on two temperatures for the buffer tank
- boiler ventilator control from the burner with the help of reserve output
- control of the boiler pump from the burner with the help of reserve output
- control of the solar power system directly from the burner
Fuel dosing: special screw conveyors DA1500 – 4000 are designed for this burner.
Pellet burner ATMOS A45
Prescribed fuel: quality wood pellets (white) with a diameter of 6 to 8 mm, a length of 5 to 25 mm and a calorific value of 16 – 19 MJ.kg-1.
Burner display: used to display the current status of the burner and to set its functions
Burner control: electronic control AC07X, which controls the operation of the external conveyor, two ignition coils and the fan according to the requirements of the boiler and the heating system. The electronics are protected by a boiler safety thermostat, a safety thermostat on the pellet supply to the burner, a fan speed sensor and a photocell for flame sensing. The burner operation is signaled on the electronic control display.
Fuel ignition: automatic by means of two electric ignition coils.
Basic burner function:
Possibility to use two backup outputs R and R2 for different applications
Possibility of connecting four different sensors TS, TV, TK and TSV
TS – lower sensor on the tank
TV – sensor upper on the tank
TK – boiler sensor or middle sensor on the tank
TSV – flue gas sensor or solar panel
- control of the boiler fan from the burner by means of a reserve output (R) (connected from the factory)
- control of the boiler pump from the burner by means of a reserve output (R2) (connected from the factory)
- burner control according to two temperatures on the expansion tank
Fuel dosing: special screw conveyors of the DRA type are intended for this burner.












