Las calderas de gasificación ATMOS con adaptación de quemador son una solución moderna, en la que se incorpora en la puerta superior de una caldera de gasificación estándar el quemador de pellets ATMOS A25/A45.
De esta manera creamos una caldera de pellets personalizada con encendido automático del combustible.
- Información técnica
- Ke stažení
-
Calderas de gasificación con adaptación de quemador de pellets
-
Eficiencia de caldera por tipo 90,1 - 92,4 %
Las calderas de gasificación ATMOS con adaptación de quemador son una solución moderna, en la que se incorpora en la puerta superior de una caldera de gasificación estándar el quemador de pellets ATMOS A25/A45.
De esta manera creamos una caldera de pellets personalizada con encendido automático del combustible.
Ventajas de incorporar un quemador a una caldera estándar
- Solución sencilla y asequible
- Posibilidad de calentar cómodamente con pellets sin carga manual – funcionamiento automático con encendido automático de pellets según la temperatura requerida (como con una caldera de gas).
- Dimensiones reducidas y varias longitudes de transportadores según el tamaño y las posibilidades de la sala de calderas.
- Varios tamaños de depósitos de pellets – 240, 250, 300, 400, 500, 1000 l / depósito textil, parte de la sala de calderas como depósito = reabastecimiento de combustible una vez cada 7 y 14 días / una vez al año.
- Alta eficiencia del 90 al 92 % según el tipo – bajo consumo de combustible y ahorro en costes de calefacción.
- Combustión ecológica – caldera según ČSN EN 303-5 clase 5, que cumple con la directiva europea de ECODISEÑO 2015/1189.
- Ventilador de extracción – para peores condiciones de tiro – retirada de cenizas sin polvo una vez cada 7 a 30 días.
- Serpentín de enfriamiento contra sobrecalentamiento = sin riesgo de daño a la caldera.
- Apagado automático de la caldera después de que el combustible se haya quemado.
- Limpieza neumática del quemador – posibilidad de complementar la caldera con limpieza automática del quemador, lo que permite quemar pellets de menor calidad – accesorio opcional.
- Transporte neumático de pellets – el depósito de pellets se puede complementar con transporte neumático de pellets desde un depósito grande externo para toda la temporada – accesorio opcional.
Las calderas con adaptación vienen equipadas de fábrica con todos los accesorios necesarios para un fácil control de la caldera (quemador) según las necesidades del cliente y dos temperaturas (sensores) en el depósito de compensación TV y TS.
(A partir del número de fabricación de la caldera 327 700 las calderas vienen equipadas con: 2x módulo AD03, interruptor de conmutación, sensor de temperatura de la caldera TK (KTF 20), sensores TV y TS (2x KTF20 – 5 m), termóstato de la bomba 70 °C, salida para la bomba en el circuito de la caldera.)
El quemador de pellets ATMOS A25 se puede utilizar para todas las calderas de gasificación de hasta 40 kW (excepto DC50S – 45 kW con quemador ATMOS A45), equipadas con un ventilador de extracción (excepto los modelos de la serie DCxxGD, DCxxGS, DCxxGSX).
La tolva de pellets y el tipo de transportador se seleccionan en función del tamaño de la sala de calderas y de la pérdida de calor del edificio.
De serie, se fabrican los siguientes modelos en esta variante:
| Nombre de caldera | Combustible original – Leña (kW) | Rendimiento – pellets (kW) | ![]() |
| DC18S con adaptación para quemador | 20 | 6 – 20 | |
| DC22S con adaptación para quemador | 22 | 7 – 24 | |
| DC25S con adaptación para quemador | 27 | 7 – 24 | |
| DC30SX con adaptación para quemador | 30 | 7 – 24 | |
| DC32S con adaptación para quemador | 35 | 7 – 24 | |
| DC50S con adaptación para quemador* | 49,9 | 13,5 – 45 |
Las calderas están construidas de tal manera que el cuerpo de la caldera está hecho como una soldadura de chapas de acero de alta calidad con un espesor de 3 a 8 mm, y consta de:
- La cámara superior (6 mm) está equipada con una puerta con un orificio para la instalación del quemador de pellets.
- El compartimento inferior está equipado con una boquilla de gasificación (DCxxS(SX)) para facilitar la retirada de cenizas. Los accesorios cerámicos favorecen la combustión ideal de todos los combustibles con un alto rendimiento para una combustión respetuosa con el medio ambiente y sirven también como cenicero.
- • Котёл DC18S с модификацией для горелки с транспортёром DA2000 (2 м) и бункером для пеллет обїъёмом 500 л
- Caldera DC18S con quemador modificado y depósito compacto de pellets AZPU 400 C Diseño (400 l)
- Caldera DC18S con quemador modificado con cinta transportadora DA2000 (2 m) y depósito de pellets 500 l
Información técnica
| Datos técnicos | Tipo de caldera con adaptación | ||||||
|---|---|---|---|---|---|---|---|
| DC18S | DC22S | DC25S | DC30SX | DC32S | DC50S | ||
| Rendimiento de la caldera para pellets de madera | kW | 6 – 20 | 7 – 24 | 7 – 24 | 7 – 24 | 7 – 24 | 13,5 – 45 |
| Rendimiento de la caldera para combustible original | kW | 20 | 22 | 27 | 30 | 35 | 49 |
| Tiro de chimenea prescrito | Pa/mbar | 18/0,18 | 23/0,23 | 23/0,23 | 24/0,24 | 25/0,25 | 25/0,25 |
| Peso de caldera | kg | 283 | 324 | 326 | 335 | 345 | 433 |
| Volumen de agua en caldera | l | 45 | 58 | 58 | 58 | 80 | 89 |
| Volumen de la cámara de combustión | dm3 (l) | 60 | 95 | 95 | 95 | 135 | 180 |
| Tensión de conexión | V/Hz | 230/50 | 230/50 | 230/50 | 230/50 | 230/50 | 230/50 |
| Longitud de madera prescrita | mm | 330 | 530 | 530 | 530 | 530 | 730 |
| Combustible original | Leña | Leña | Leña | Leña | Leña | Leña | |
| Combustible prescrito (preferido) | Pellets de calidad con un diámetro de 6 – 8 mm y un poder calorífico de 16 – 19 MJ.kg-1 | ||||||
| La temperatura mínima del agua de retorno a la caldera | °C | 65 | |||||
| Rendimiento de la caldera | % | 91,5 | 91,2 | 91,2 | 91,2 | 91,8 | 90,4 |
| Clase de caldera | 5 | 5 | 5 | 5 | 5 | 5 | |
| Clase de eficiencia energética | A+ | A+ | A+ | A+ | A+ | A+ | |
| EKODESIGN | |||||||
| El quemador | A25 | A25 | A25 | A25 | A25 | A45 | |
Instalación
Al instalar el quemador en la puerta superior del gasificador, es necesario utilizar un transportador con una longitud mínima de 2 metros, de modo que la longitud de la manguera entre el transportador y el quemador sea de al menos 20 cm por motivos de seguridad.
Sin embargo, la longitud óptima de la manguera es de aproximadamente 40 cm para que la puerta del quemador de pellets pueda abrirse fácilmente al limpiar la cámara de combustión.
- Description: 1 – Chimney | 2 – Flue | 3 – Boiler | 4 – Burner | 5 – Conveyor | 6 – Pellet hopper
- Schéma instalace dopravníku pelet
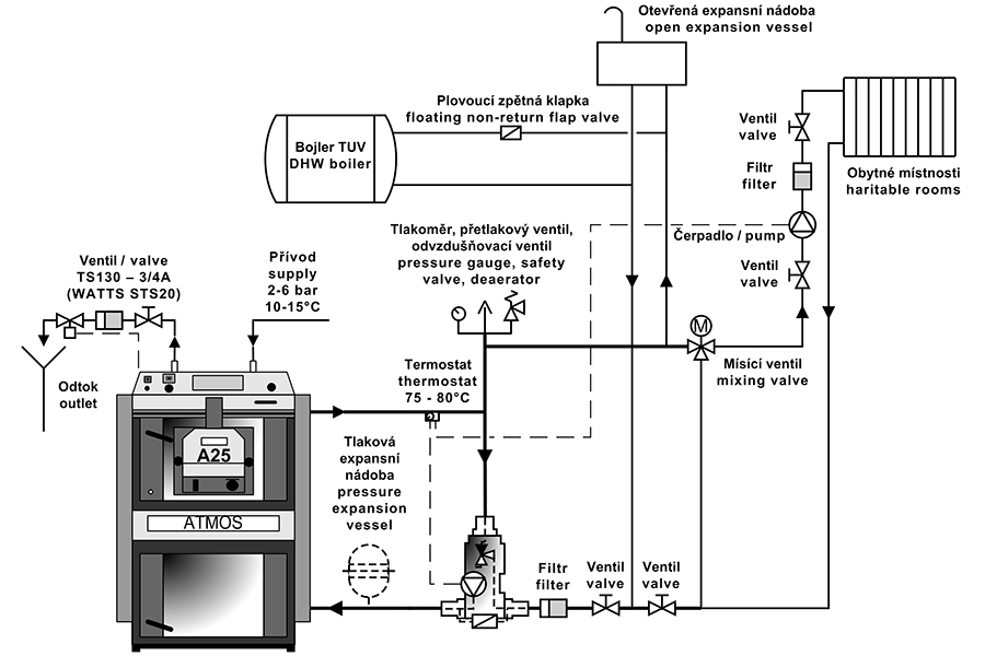
Conexión recomendada
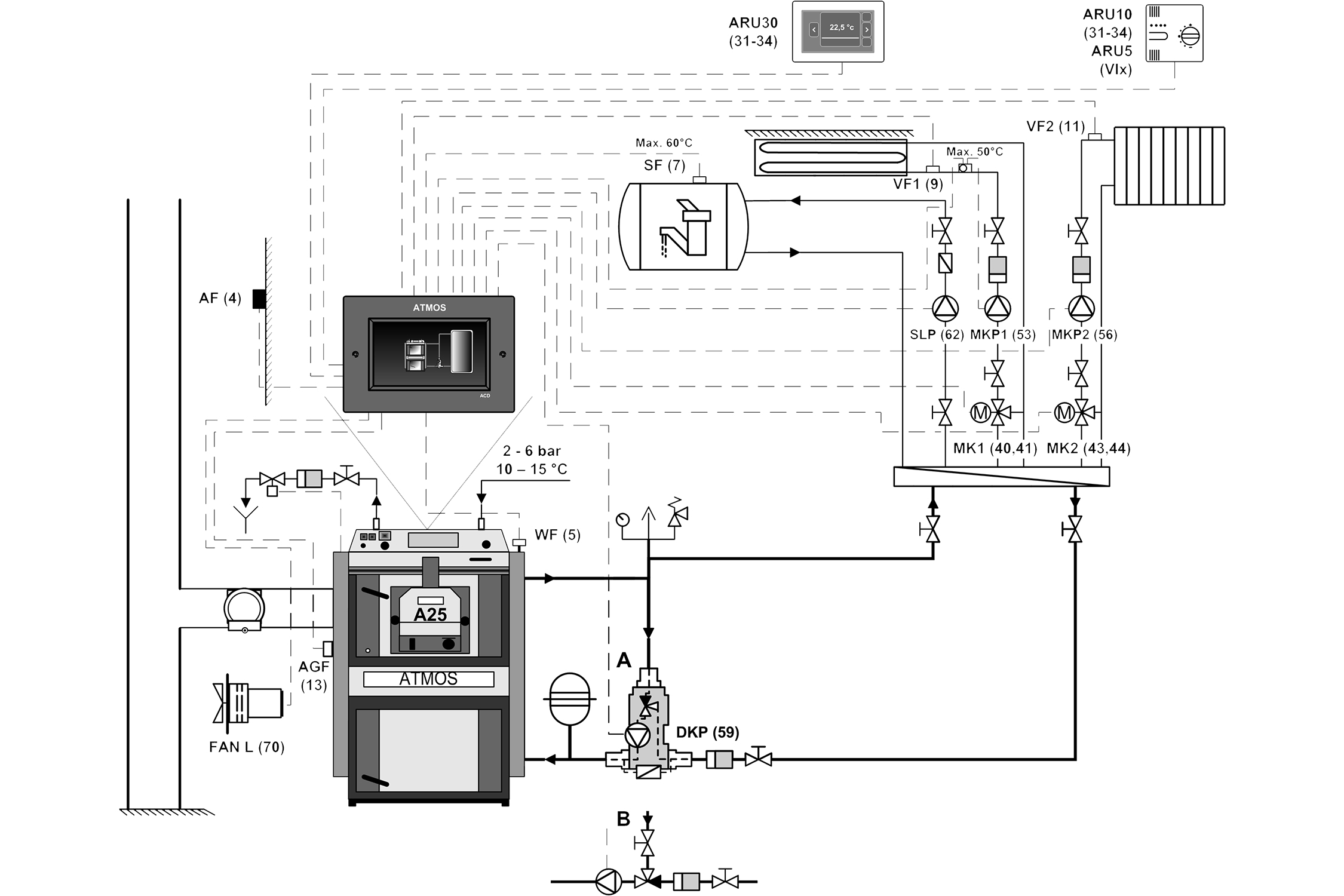
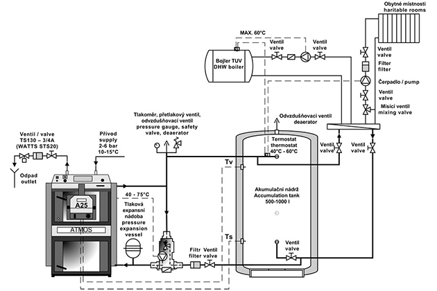
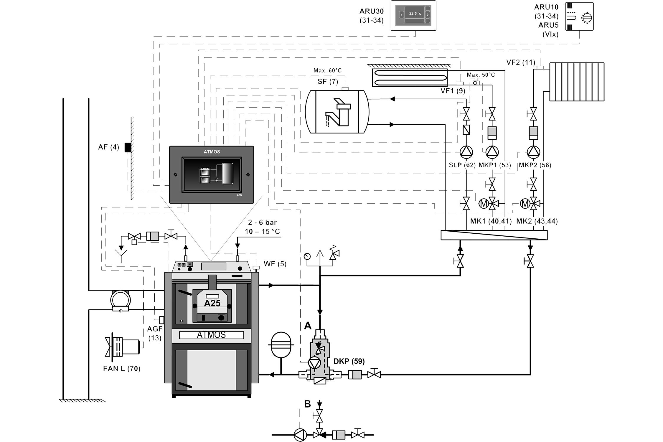
La conexión recomendada de la caldera es con Laddomat 22 o válvula termorreguladora y un depósito de inercia de 500 o 1000 l para conseguir un bajo consumo de combustible y una alta vida útil del quemador y de la caldera. Para un mayor ahorro de combustible (hasta un 20 %) y una función de carga correcta del depósito de inercia, utilice el control ATMOS ACD 03 especialmente desarrollado o los sensores TV y TS, que están diseñados para las funciones especiales del quemador ATMOS A25 y se encuentran en el depósito de inercia (depósito acumulador). La unidad de control supervisa el calentamiento del depósito de inercia (acumulador) de forma totalmente automática y garantiza en todo momento energía suficiente para el sistema de calefacción. Este método de conexión le ahorra combustible, electricidad y aumenta la vida útil del quemador de pellets.
![]() |
Desde el 1. 3. 2017 las calderas con modificación del quemador están equipadas de fábrica con dos módulos AD03, interruptor de conmutación, sensor de temperatura de caldera TK (KTF 20), termóstato de bomba 70 °C y salida con conector para bomba en el circuito de caldera. Sensor TK enchufado en el sumidero de la caldera (de fábrica), sensores TV y TS (accesorios de la caldera a partir del 1. 3. 2019) en los sumideros del depósito de acumulación, todos conectados juntos directamente al conector del quemador. Módulos (2x AD03) insertados bajo el capó del instrumento de la caldera y conectados al bloque terminal de la caldera. Los dos módulos AD03 controlan el extractor de la caldera y la bomba del circuito de la caldera. Las versiones de caldera de 2016 sólo contienen un módulo AD02 para controlar el extractor. |
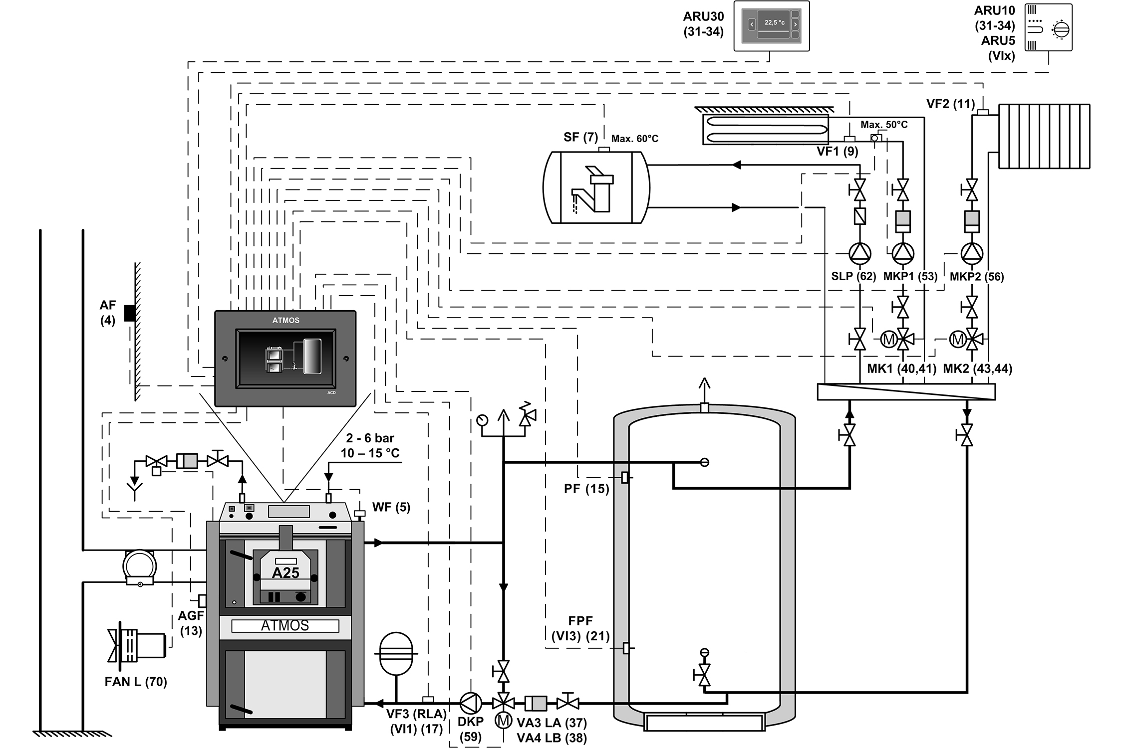
- Conexión de caldera con quemador ATMOS A25/A45 y depósito de acumulación
- Conexión de caldera con quemador ATMOS A25/A45
- Conexión de caldera con quemador A25/A45, depósito de acumulación y control electrónico ACD03
- Conexión de caldera con quemador A25/A45 y control electrónico ACD03
Las calderas de gasificación ATMOS con una modificación para quemador de pellets A25 / A45 se pueden pedir directamente de fábrica en versión izquierda o derecha. La modificación sólo se puede realizar para calderas equipadas con un extractor de hasta 40/50 kW (excepto tipos DCxxGS, DCxxGD). En caso de que quiera incorporar el quemador en una caldera ATMOS ya instalada, puede pedir un kit especial para su conversión. El kit consta de una puerta completa modificada, cableado especial y 23 accesorios de artículos.
Las calderas con modificación MODEL a partir de 2017 están equipadas (a partir del número de serie de la caldera 327 700) con: 2x módulo AD03 para controlar el extractor de humos de la caldera y la bomba en el circuito de la caldera, interruptor de conmutación, sensor de temperatura de la caldera TK (KTF 20), sensores TV y TS (2x KTF20 – 5 m) para controlar el funcionamiento en función de dos temperaturas en el depósito de compensación (acumulación), termóstato de la bomba 70 °C, salida para la bomba en el circuito de caldera.
Set para la instalación del quemador de pellets en la puerta superior
- con apertura derecha – quemador A25 – código: S0532 – versión antigua con AD02
- con apertura izquierda – quemador A25 – código: S0533 – versión antigua con AD02
- con apertura derecha – quemador A25 – código: S1222 – modelo 2017 – 2020
- con apertura izquierda – quemador A25 – código: S1223 – modelo 2017 – 2020
- con apertura derecha – quemador A45 – código: S0624 – versión antigua con AD02
- con apertura izquierda – quemador A45 – código: S0625 – versión antigua con AD02
- con apertura derecha – quemador A45 – código: S1224 – modelo 2017 – 2020
- con apertura izquierda – quemador A45 – código: S1225 – modelo 2017 – 2020
Quemadores de pellets
Quemador de pellets ATMOS A25
Combustible prescrito: pellets de madera de alta calidad (blanca) con un diámetro de 6 a 8 mm, una longitud de 5 a 25 mm y un poder calorífico de 16 a 19 MJ.kg-1
Pantalla del quemador: permite visualizar el estado actual del quemador y ajustar sus funciones
Control del quemador: la regulación electrónica AC07X que controla la marcha del transportador externo, dos espirales de ignición y ventilador según los requerimientos de la caldera y del mecanismo de calefacción. La electrónica está protegida por un termóstato de seguridad de la caldera, un termóstato de seguridad en la entrada de pellets al quemador, un sensor de velocidad del ventilador y una fotocélula para la detección de la llama. El funcionamiento del quemador se señaliza en la pantalla de la regulación electrónica.
Encendido del combustible: automático con dos bobinas de encendido eléctrico.
Funciones básicas del quemador:
Posibilidad de utilizar dos salidas de repuesto R y R2 para varias aplicaciones
Posibilidad de conectar cuatro sensores diferentes TS, TV, TK y TSV
TS – sensor inferior del depósito
TV – sensor superior del depósito
TK – sensor de la caldera o sensor central del depósito
TSV – sensor de gases de combustión o sensor de panel solar
- control del ventilador de la caldera desde el quemador mediante la salida de reserva (R) (cableado de fábrica)
- control de la bomba de la caldera desde el quemador mediante la salida de reserva (R2) (conectada de fábrica)
- control del quemador en función de dos temperaturas en el depósito de inercia
Dosificación de combustible: Los transportadores de tornillo especiales DA1500 – 4000 están diseñados para este quemador.
Quemador de pellets ATMOS A45
Combustible prescrito: pellets de madera de alta calidad (blanca) con un diámetro de 6 a 8 mm, una longitud de 5 a 25 mm y un poder calorífico de 16 a 19 MJ.kg-1
Pantalla del quemador: permite visualizar el estado actual del quemador y ajustar sus funciones
Control del quemador: la regulación electrónica AC07X que controla la marcha del transportador externo, dos espirales de ignición y ventilador según los requerimientos de la caldera y del mecanismo de calefacción. La electrónica está protegida por un termóstato de seguridad de la caldera, un termóstato de seguridad en la entrada de pellets al quemador, un sensor de velocidad del ventilador y una fotocélula para la detección de la llama. El funcionamiento del quemador se señaliza en la pantalla de la regulación electrónica.
Encendido del combustible: automático con dos bobinas de encendido eléctrico.
Funciones básicas del quemador:
Salidas de reserva R y R2 para controlar el extractor de humos de la caldera y la bomba del circuito de caldera (conectadas de fábrica)
Posibilidad de conectar cuatro sensores diferentes TS, TV, TK y TSV
TK– sensor de temperatura de la caldera (conectado de fábrica)
TSV– sensor de temperatura de los gases de combustión (conectado de fábrica)
TS – sensor de temperatura del fondo del depósito
TV – sensor de temperatura de la parte superior del depósito
- control del ventilador de la caldera desde el quemador mediante la salida de reserva
- control de la bomba de la caldera desde el quemador mediante la salida de reserva
- control del quemador en función de dos temperaturas en el depósito de inercia
Dosificación de combustible: para este quemador están destinados transportadores de tornillo especiales del tipo DRA.










