Le caldaie a gassificazione ATMOS con predisposizione per bruciatore rappresentano una soluzione moderna, consistente nell’incorporazione del bruciatore a pellet ATMOS A25/A45 nello sportello superiore di una caldaia a gassificazione standard.
In questo modo viene creata una caldaia a pellet su misura con accensione automatica del combustibile.
- Dati tecnici
-
Caldaia a gassificazione con modifica per bruciatore a pellet
-
Rendimento della caldaia per tipo 90,4 - 91,8 %
Le caldaie a gassificazione ATMOS con modifica per bruciatore rappresentano una soluzione moderna, consistente nell’incorporazione del bruciatore a pellet ATMOS A25/A45 nello sportello superiore di una caldaia a gassificazione standard. In questo modo viene creata una caldaia a pellet su misura con accensione automatica del combustibile.
Vantaggi dell’incorporazione del bruciatore in una caldaia standard
- Soluzione semplice ed economica
- Possibilità di riscaldare comodamente a pellet senza caricamento manuale – funzionamento automatico con accensione automatica del pellet in base alla temperatura richiesta (come con una caldaia a gas).
- Dimensioni ridotte e diverse lunghezze del trasportatore in base alle dimensioni e alle possibilità della centrale termica.
- Diverse dimensioni dei serbatoi per pellet – 240, 250, 300, 400, 500, 1000 l / serbatoio in tessuto, parte della centrale termica come serbatoio = rifornimento di combustibile una volta ogni 7 e 14 giorni / una volta all’anno.
- Alta efficienza dal 90 al 92 % a seconda del tipo – basso consumo di carburante e risparmio sui costi di riscaldamento.
- Combustione ecologica – caldaia secondo la norma ČSN EN 303-5 classe 5, conforme alla direttiva europea di ECODESIGN 2015/1189.
- Ventilatore di scarico – per condizioni di tiraggio peggiori – rimozione della cenere senza polvere una volta ogni 7-30 giorni.
- Serpentina di raffreddamento contro il surriscaldamento = senza rischio di danni alla caldaia.
- Spegnimento automatico della caldaia dopo l’esaurimento del combustibile.
- Pulizia pneumatica del bruciatore – possibilità di dotare la caldaia di un sistema automatico di pulizia del bruciatore, che consente di bruciare pellet di qualità inferiore – accessorio opzionale.
- Trasporto pneumatico del pellet – il serbatoio del pellet può essere integrato con un sistema di trasporto pneumatico del pellet da un grande serbatoio esterno per tutta la stagione – accessorio opzionale.
Le caldaie con questa predisposizione sono di fabbrica dotate di tutti gli accessori necessari per il controllo facile della caldaia (bruciatore) in funzione delle esigenze del cliente e delle due temperature – TS e TV – sul serbatoio di compensazione.
(A partire dal numero di matricola 327 700, tutte le caldaie sono dotate di: n. 2 moduli AD03, interruttore di commutazione, sensore di temperatura caldaia TK (KTF 20), sensori TV e TS, termostato pompa 70 °C, condotto di uscita per pompa nel circuito caldaia).
Il bruciatore a pellet ATMOS A25 può essere usato per tutte le caldaie a gassificazione dalla potenza fino a 40 kW (tranne DC50S – 45 kW con bruciatore ATMOS A45) dotate di ventilatore aspirante (ad eccezione dei modelli DCxxGD, DCxxGS, DCxxGSX).
Il contenitore pellet ed il tipo del trasportatore vengono scelti in funzione delle dimensioni della sala caldaia e della dispersione termica dell’edificio.
Come standard vengono prodotti – in questa variante – i seguenti modelli:
| Nome della caldaia | Potenza – combustibile originale – LEGNA (kW) | Potenza – PELLET (kW) | ![]() |
| DC18S con modifica per bruciatore | 20 | 6 – 20 | |
| DC22S con modifica per bruciatore | 22 | 7 – 24 | |
| DC25S con modifica per bruciatore | 27 | 7 – 24 | |
| DC30SX con modifica per bruciatore | 30 | 7 – 24 | |
| DC32S con modifica per bruciatore | 35 | 7 – 24 | |
| DC50S con modifica per bruciatore* | 49,9 | 13,5 – 45 |
*bruciatore indicato per questa caldaia ATMOS A45
Il corpo delle caldaie, saldato da lamiere di acciaio di qualità di spessore 3 – 8 mm, è composto da:
- La camera superiore (6 mm) è dotata di uno sportello con foro per l’incorporazione del bruciatore a pellet.
- Il vano inferiore è dotato di ugello di gassificazione (DCxxS(SX)) o di griglia rotante (CxxS(ST), ACxxS) in ghisa per una facile estrazione delle ceneri. I pezzi sagomati in ceramica favoriscono una combustione completa, ideale, ad alta efficienza e basso impatto ambientale di tutte le sostanze combustibili, fungendo anche da cassetto cenere.
- Caldera DC18S con quemador modificado con cinta transportadora DA2000 (2 m) y depósito de pellets 500 l
- Caldaia DC18S con predisposizione per bruciatore con contenitore pellet compatto AZPU 400 C Design (400 l)
- Caldaia C15S con predisposizione per bruciatore con contenitore pellet compatto AZPU 240
- Caldaia DC18S con predisposizione per bruciatore con trasportatore DA2000 (2 m) e contenitore pellet 500 l
Dati tecnici
| Dati tecnici | Tipo di caldaia con modifica | ||||||
|---|---|---|---|---|---|---|---|
| DC18S | DC22S | DC25S | DC30SX | DC32S | DC50S | ||
| Potenza della caldaia a pellet di legno | kW | 6 – 20 | 7 – 24 | 7 – 24 | 7 – 24 | 7 – 24 | 13,5 – 45 |
| Potenza della caldaia con combustibile originale | kW | 20 | 22 | 27 | 30 | 35 | 49 |
| Tiraggio raccomandato di canna fumaria | Pa/mbar | 18/0,18 | 23/0,23 | 23/0,23 | 24/0,24 | 25/0,25 | 25/0,25 |
| Peso complessivo caldaia | kg | 283 | 324 | 326 | 335 | 345 | 433 |
| Volume d’acqua nella caldaia | l | 45 | 58 | 58 | 58 | 80 | 89 |
| Capienza pozzetto combustibile | dm3 (l) | 60 | 95 | 95 | 95 | 135 | 180 |
| Tensione allacciamento | V/Hz | 230/50 | 230/50 | 230/50 | 230/50 | 230/50 | 230/50 |
| Lunghezza prescritta del legno | mm | 330 | 530 | 530 | 530 | 530 | 730 |
| Combustibile originale | legno | legno | legno | legno | legno | legno | |
| Combustibile prescritto (preferito) | il pellet di qualità, diametro di 6 – 8 mm, lunghezza di 10 – 40 mm e potenza termica di 15 – 18 MJ.kg-1 (pellet bianco) | ||||||
| La temperatura minima dell’acqua di ritorno | °C | 65 | |||||
| Efficienza della caldaia | % | 91,5 | 91,2 | 91,2 | 91,2 | 91,8 | 90,4 |
| Classe della caldaia | 5 | 5 | 5 | 5 | 5 | 5 | |
| Classe di efficienza energetica | A+ | A+ | A+ | A+ | A+ | A+ | |
| EKODESIGN | SÌ | SÌ | SÌ | SÌ | SÌ | SÌ | |
| Bruciatore | A25 | A25 | A25 | A25 | A25 | A45 | |
Installazione
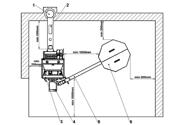
Per motivi di sicurezza, installando il bruciatore nello sportello superiore della caldaia a gassificazione, il trasportatore impiegato deve avere almeno 2 metri, affinché la lunghezza del tubo flessibile tra il trasportatore e il bruciatore sia di almeno 20 cm.
Tuttavia, la lunghezza ottimale del tubo flessibile è di circa 40 cm, in modo da poter aprire facilmente lo sportello del bruciatore a pellet durante la pulizia della camera di combustione.
- Descrizione: 1 – Camino | 2 – Canna fumaria | 3 – Caldaia | 4 – Bruciatore | 5 – Trasportatore | 6 – Serbatoio pellet
- Schema installazione trasportatore pellet
Collegamento raccomandato
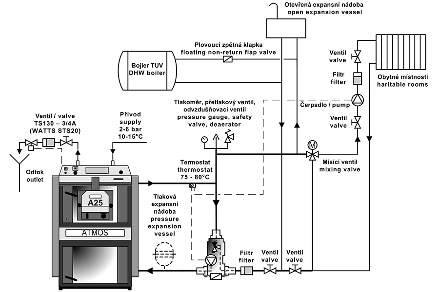
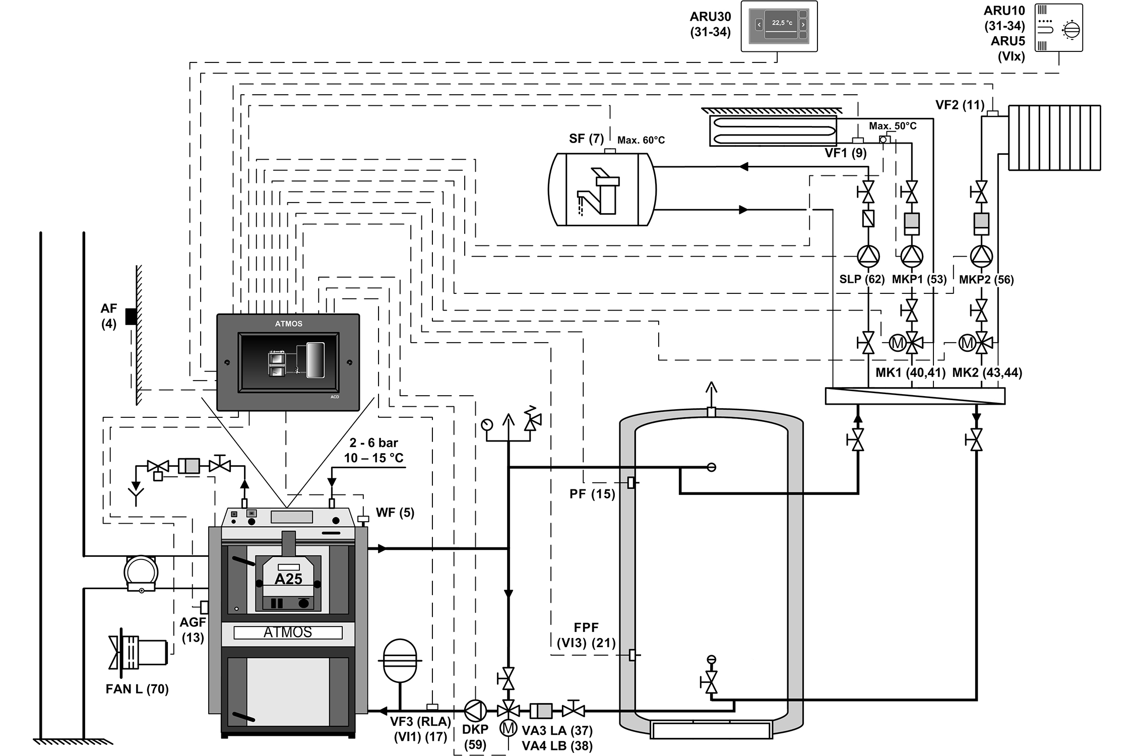
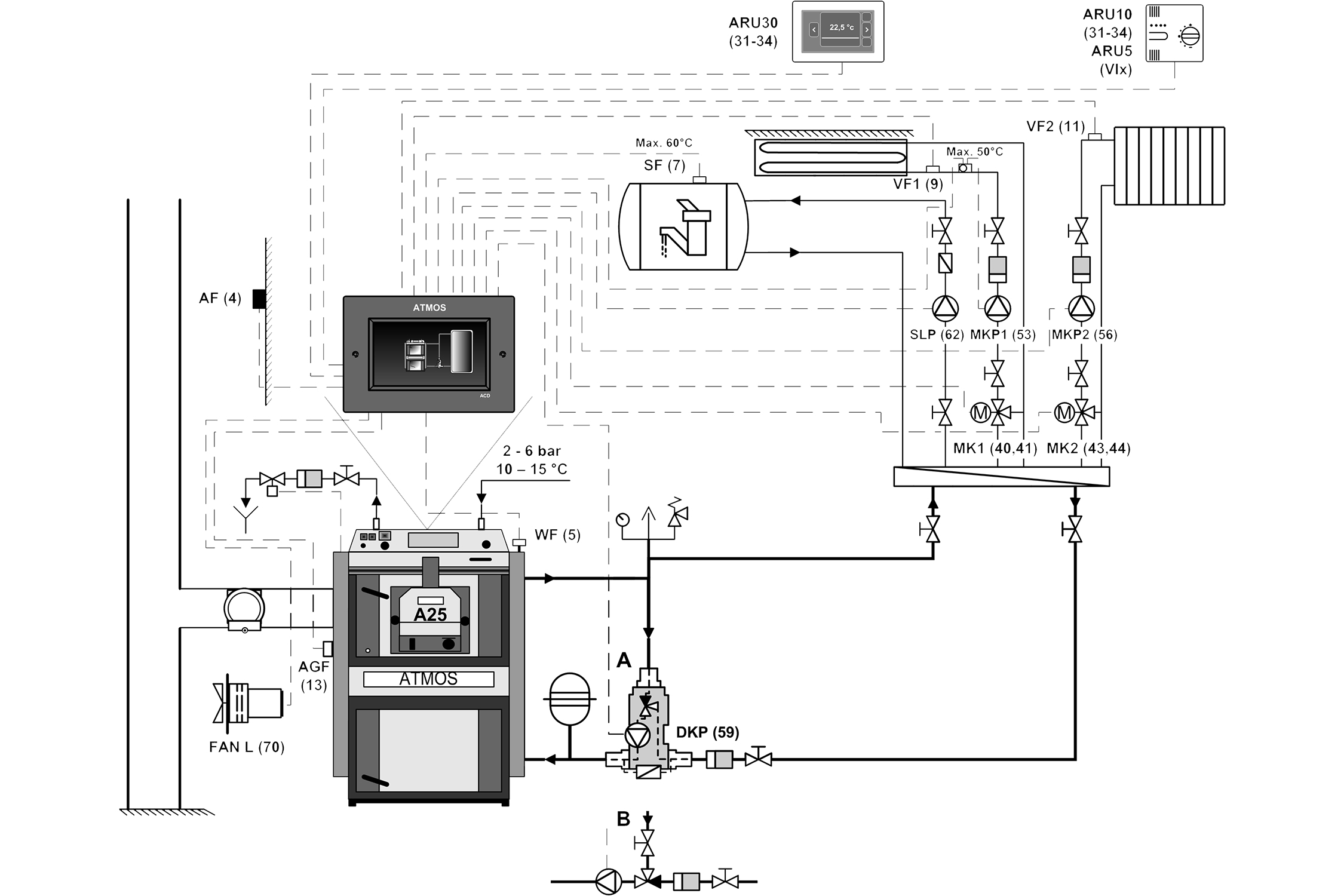
Per garantire un basso consumo di combustibile e una lunga vita utile del bruciatore e della caldaia, si consiglia di usare il collegamento con Laddomat 22 oppure con valvola di termoregolazione e serbatoio di compensazione dalla capacità di 500 oppure 1000 l. Per un ulteriore risparmio del combustibile (fino al 20%) e per un corretto funzionamento della ricarica del serbatoio di compensazione, usare la regolazione specificatamente sviluppata ATMOS ACD 03 oppure i sensori TV e TS indicati per le funzioni specifiche del bruciatore ATMOS A25 e situati sul serbatoio di compensazione (accumulo). La centralina controlla in modo completamente automatico il riscaldamento del serbatoio di compensazione (accumulo), garantendo sempre energia sufficiente per il sistema di riscaldamento. Questo tipo di collegamento risparmia sia il combustibile che l’energia elettrica e aumenta la vita elevate del bruciatore a pellet.
Dal 01. 03. 2017 le caldaie con predisposizione per bruciatore sono dotate, di fabbrica, di due moduli AD03, interruttore di commutazione, sensore di temperatura caldaia TK (KTF 20), termostato pompa 70 °C e condotto di uscita con connettore per pompa nel circuito caldaia.
Sensore TK infilato nel pozzetto della caldaia (di fabbrica), sensori TV e TS (accessori della caldaia a partire dal 01. 03. 2019) nei pozzetti del serbatoio di accumulo, tutti collegati direttamente al connettore del bruciatore. I moduli (n. 2 AD03) sono montati sotto il mantello della caldaia e collegati con la morsettiera della stessa. I due moduli AD03 controllano il ventilatore aspirante della caldaia e la pompa nel circuito caldaia.
Le caldaie nella “versione 2016” sono dotate di un solo modulo AD02 per il controllo del ventilatore aspirante.
- Collegamento caldaia con bruciatore A25/A45, accumulo e regolazione elettronica ACD03
- Collegamento caldaia con bruciatore A25/A45 e regolazione elettronica ACD03
- Collegamento caldaia con bruciatore A25/A45 con Laddomat 22
Le caldaie a gassificazione ATMOS con predisposizione per bruciatore a pellet A25 / A45 sono disponibili, di fabbrica, nella versione sinistra o destra. La predisposizione può essere eseguita solo sulle caldaie dotate di ventilatore aspirante dalla potenza fino a 40/50 kW (ad eccezione del tipo DCxxGS, DCxxGD). Per la incorporazione del bruciatore in una caldaia ATMOS già installata, è possibile ordinare un kit di conversione specifico. Il kit è composto da uno sportello completamente riprogettato, da un impianto elettrico specifico e da 23 accessori.
Le caldaie con predisposizione, MODELLO dal 2017, sono dotate di (a partire dal numero matricola 327 700): n. 2 moduli AD03 per il controllo del ventilatore aspirante della caldaia e della pompa nel circuito caldaia, interruttore di commutazione, sensore di temperatura caldaia TK (KTF 20), sensori TV e TS (n. 2 KTF20 – 5 m) per il controllo del funzionamento in funzione alle due temperature sul serbatoio di compensazione (accumulo), termostato pompa 70 °C, condotto di uscita per pompa nel circuito caldaia.
Kit di installazione del bruciatore a pellet nello sportello superiore
- con apertura destra – bruciatore A25 – codice: S0532 – vecchia versione con AD02
- con apertura sinistra – bruciatore A25 – codice: S0533 – vecchia versione con AD02
- con apertura destra – bruciatore A25 – codice: S1222 – modello 2017-2020
- con apertura sinistra – bruciatore A25 – codice: S1223 – modello 2017-2020
- con apertura destra – bruciatore A45 – codice: S0624 – vecchia versione con AD02
- con apertura sinistra – bruciatore A45 – codice: S0625 – vecchia versione con AD02
- con apertura destra – bruciatore A45 – codice: S1224 – modello 2017-2020
- con apertura sinistra – bruciatore A45 – codice: S1225 – modello 2017-2020
Bruciatori a pellet
Bruciatore a pellet ATMOS A25
Bruciatore a pellet ATMOS A45
Combustibile prescritto: pellet di legno di qualità (bianco) dal diametro 6 – 8 mm, lunghezza 10 – 40 mm e potere calorifico 15 – 18 MJ/kg-1.
Display del bruciatore: serve per visualizzare lo stato attuale del bruciatore e per impostarne le funzioni.
Controllo del bruciatore: mediante la centralina elettronica di regolazione AC07X che controlla il funzionamento del trasportatore esterno, delle due spirali di accensione e del ventilatore in funzione delle richieste della caldaia e dell’impianto di riscaldamento. L’elettronica è protetta da: termostato di sicurezza della caldaia, termostato di sicurezza sull’alimentazione pellet al bruciatore, sensore giri ventilatore e fotocellula di rilevamento fiamma. Il funzionamento del bruciatore è segnalato sul display della centralina elettronica di regolazione.
Accensione del combustibile: automatica
con due spirali di accensione elettriche.
Funzioni principali del bruciatore:
Uscite di riserva R e R2 per il controllo del ventilatore aspirante caldaia e della pompa nel circuito caldaia (collegate di fabbrica)
Possibilità di collegamento di quattro diversi sensori TS, TV, TK e TSV
TK – sensore temperatura caldaia (collegato di fabbrica)
TSV – sonda temperatura fumi (collegata di fabbrica)
TS – sensore inferiore temperatura serbatoio
TV – sensore superiore temperatura serbatoio
- controllo del ventilatore caldaia dal bruciatore con utilizzo dell’uscita di riserva (R) (collegato dalla fabbrica)
- controllo della pompa caldaia dal bruciatore con utilizzo dell’uscita di riserva (R2) (collegato dalla fabbrica)
- controllo del bruciatore in funzione delle due temperature rilevate sul serbatoio di compensazione
Dosaggio del combustibile: con una coclea trasporto esterna controllata dalla centralina elettronica di regolazione del bruciatore.









