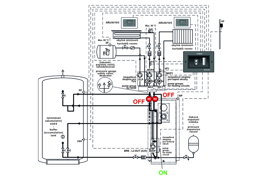
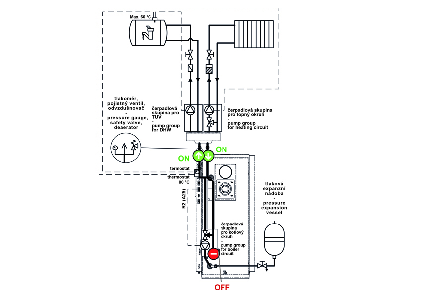
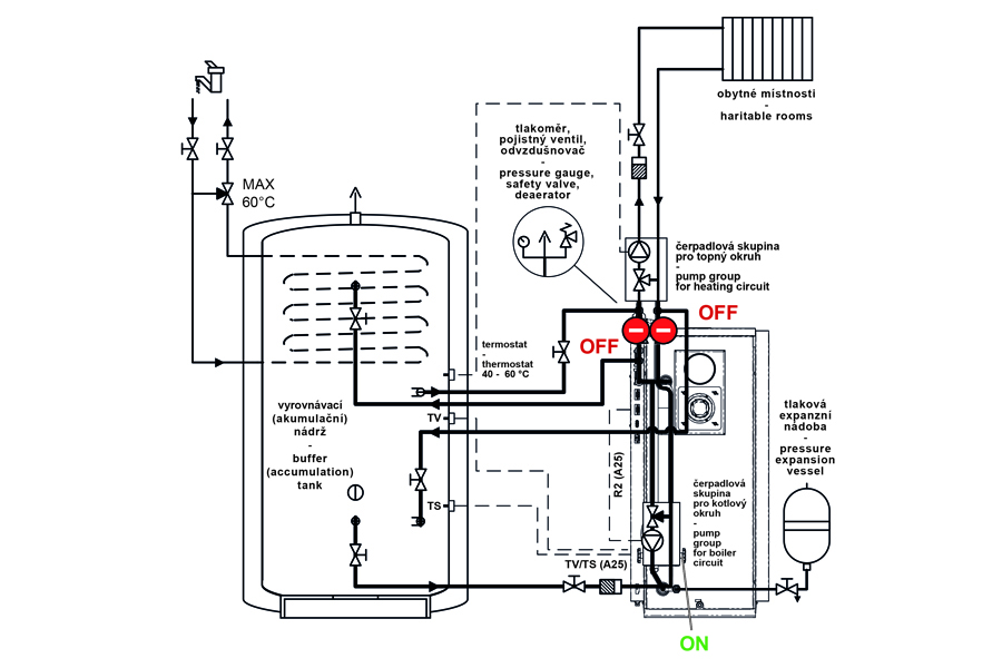
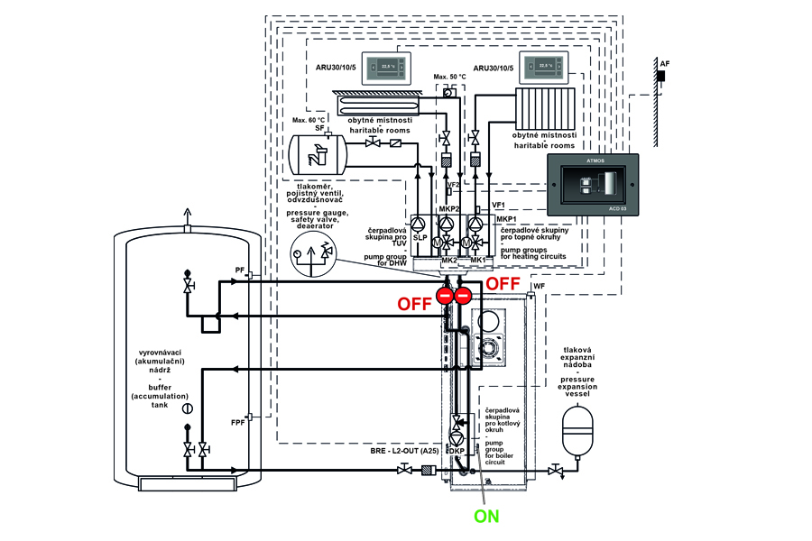
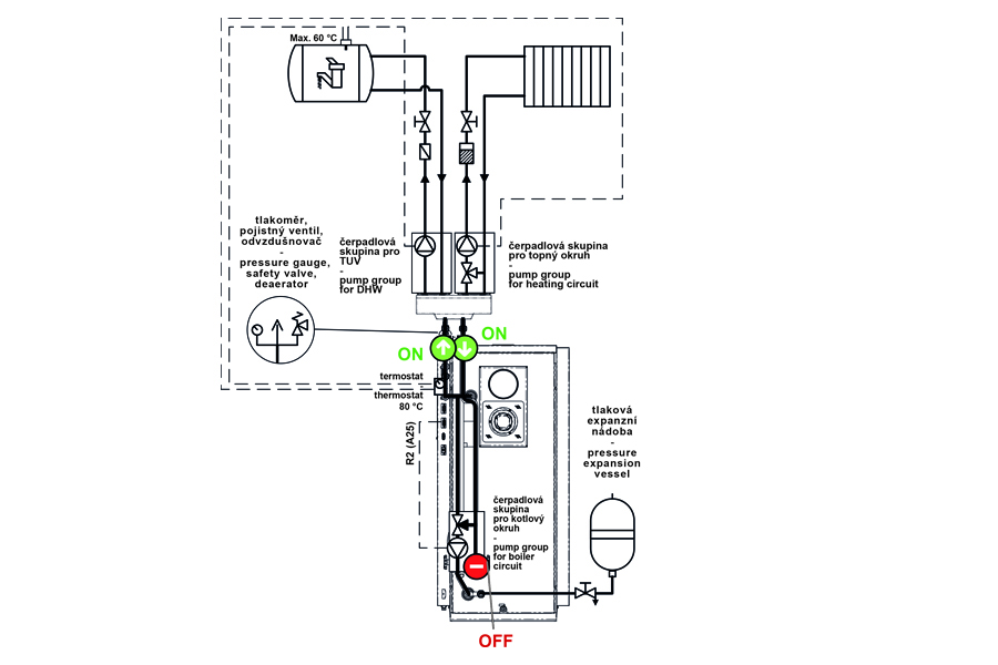
Conexiunea cazanului ATMOS DxxPX (cazane automate pe peleți de până la 25 kW)
Racord profesional din oțel inoxidabil bazat pe țeavă cu diametrul de 22 × 1,5 mm, concepută pentru a menține o temperatură minimă a apei de retur la cazan și pentru a conecta rapid centrala folosind două fitinguri de 1” / 6/4” cu etanșare plată. Conexiunea include toate componentele necesare cerute de producător (supapă de siguranță 2,5 bar, supapă de aerisire, manometru, două pompe, două supape de închidere, supapă cu trei căi). Conexiunea este pregătită pentru conectarea cazanului direct la sistemul de încălzire sau pentru conectarea cazanului la rezervoarele de acumulare. In cazul unui sistem de incalzire mai mare, racordul poate fi extins la doua sau trei circuite de incalzire prin achizitionarea unui distribuitor special si a grupului de pompa necesar (cu distanta de 90 mm – 1“ ↑↓ 1“).







