Installation für Kessel ATMOS DxxPX (Automatische Pelletskessel bis 25 kW)
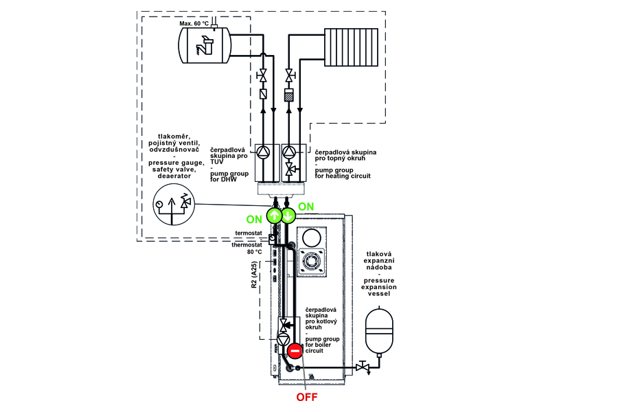
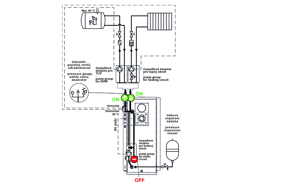
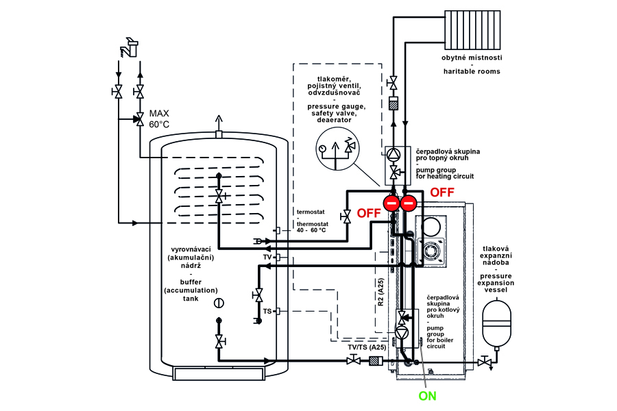
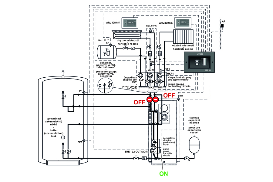
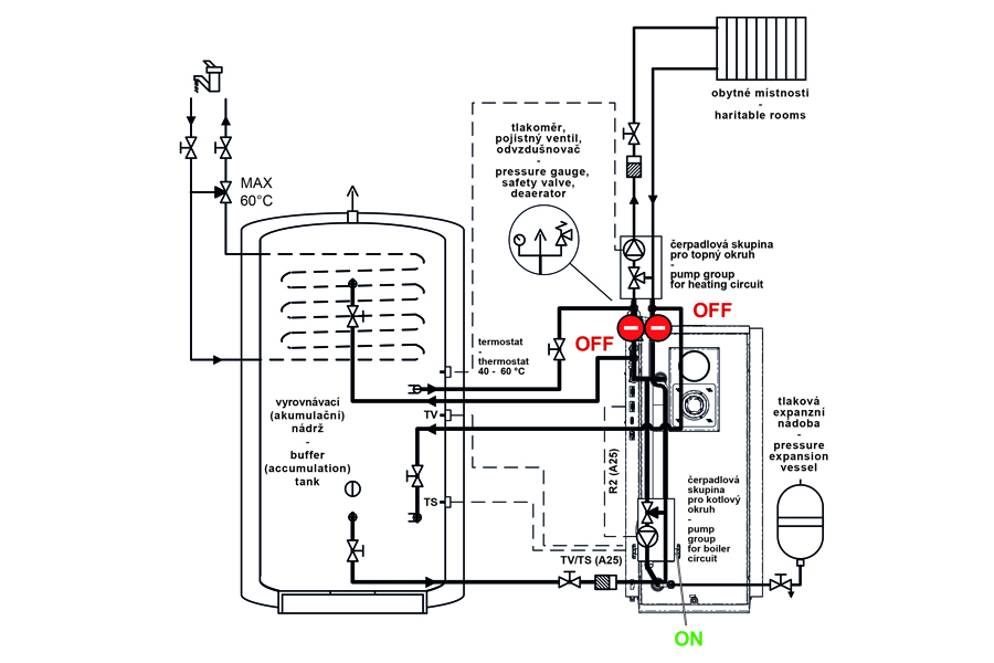
Professioneller rostfreier Anschluss beruhend auf der Rohrleitung 22 x 1,5 mm für die Haltung der Rücklauftemperatur und für das schnelle Anschließen des Kessel mit zwei Verschraubungen 1” / 6/4“ mit Flachdichtung. Das Installationsset enthält alle erforderlichen, vom Hersteller verlangten Komponenten (Sicherheitsventil 2,5 bar, Entlüftungsventil, Manometer, 2 Pumpen, 2 Absperrventile, 3-Wege-Ventil. Das Installationsset ist für das Anschließen des Kessels direkt an den Heizsystems oder für das Anschließen des Kessels mit Pufferspeichern bereit.
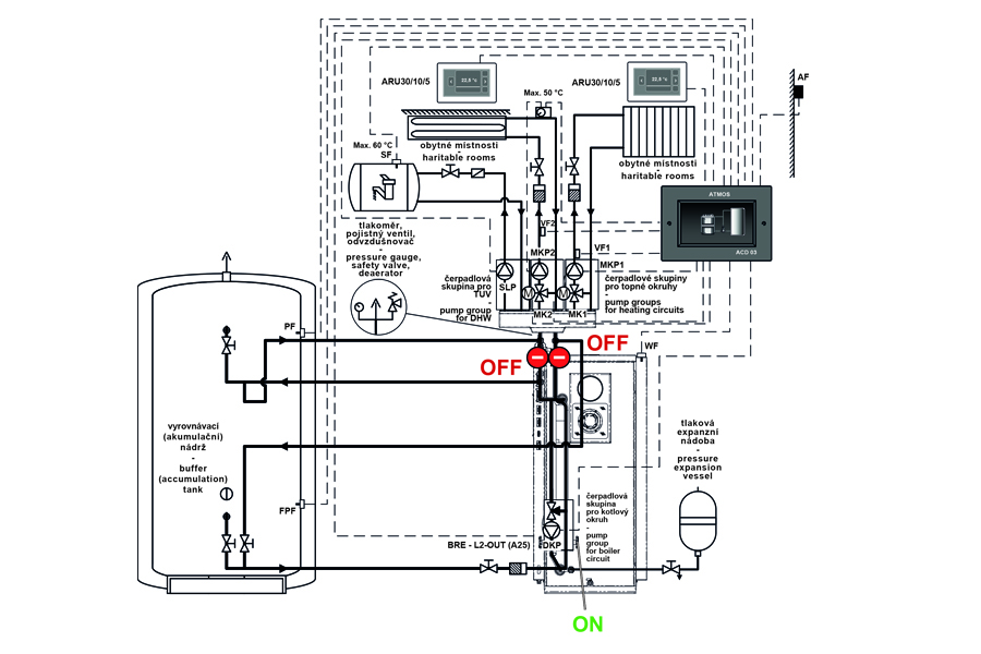
Bei einem größeren Heizsystem ist eine Erweiterung um 2 oder 3 Heizkreise durch den Einkauf einer speziellen Weiche und der erforderlichen Pumpengruppen möglich (mit Abstand 90 mm – 1“ ↑↓ 1“).








