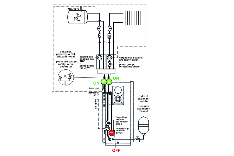
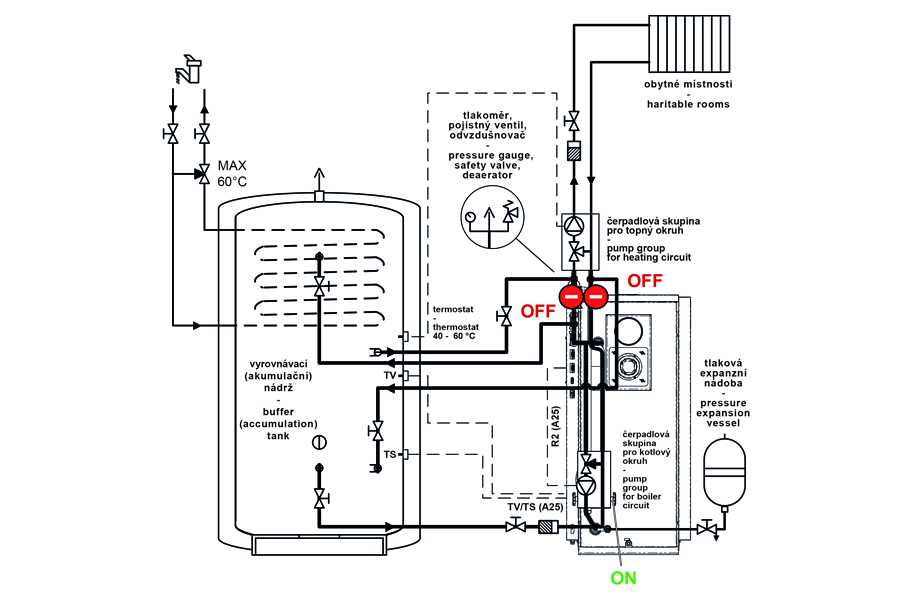
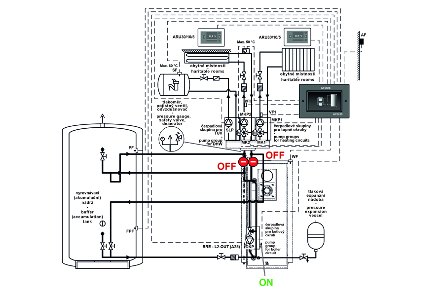
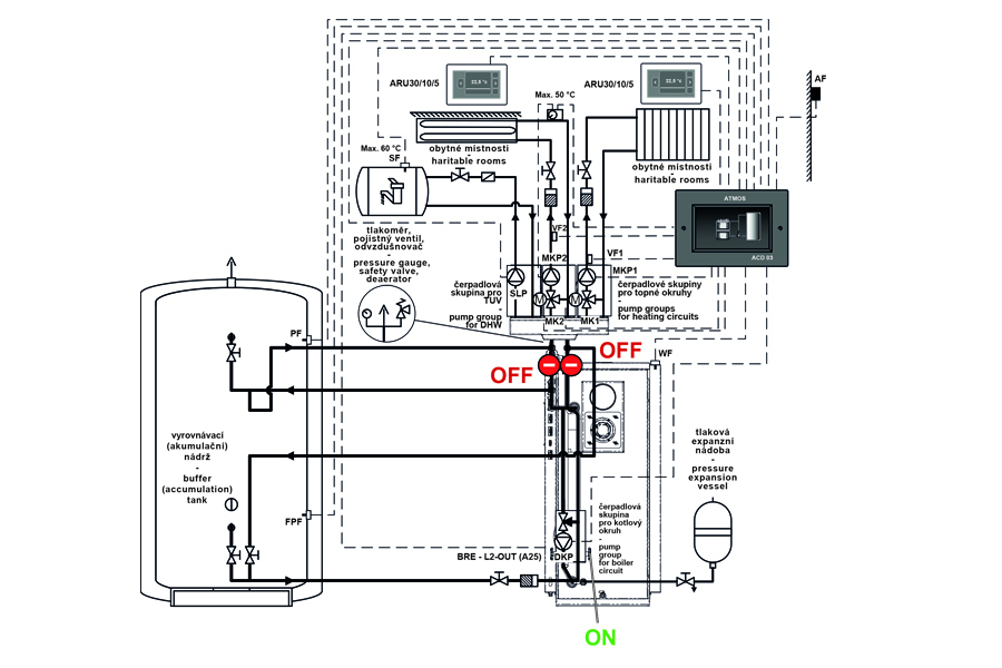
Connection of boilers ATMOS F15 – F16 ESBE-PX ATMOS DxxPX (automatic pellet boilers up to 25 kW)
Professional stainless steel connection based on 22 × 1.5 mm diameter pipe, designed to maintain a minimum temperature of return water to the boiler and quickly connect the boiler using two 1” / 6/4“ fittings with flat seal. The connection includes all the necessary components required by the manufacturer (safety valve 2.5 bar, vent valve, manometer, two pumps, two shut-off valves, three-way valve). The connection is ready to connect the boiler directly to the heating system or to connect the boiler to accumulation tanks. In the case of a larger heating system, the connection can be extended to two or three heating circuits by purchasing a special distributor and the necessary pump group (with spacing 90 mm – 1“ ↑↓ 1“).








