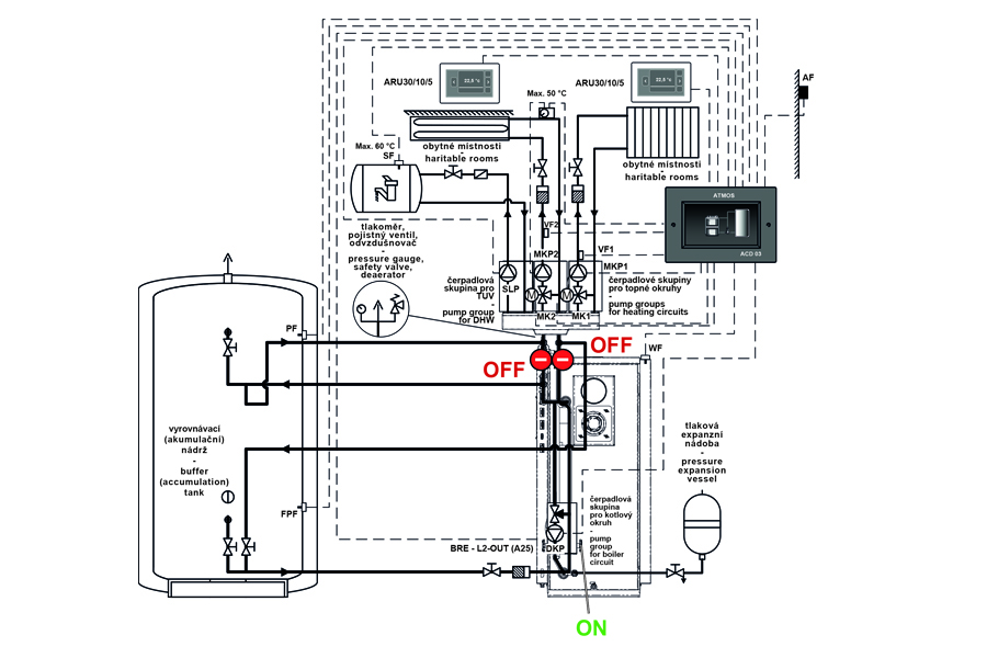
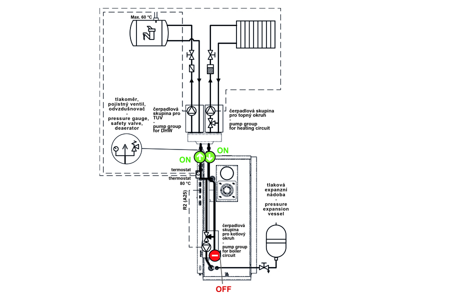
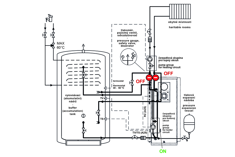
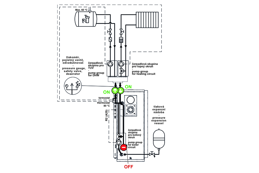
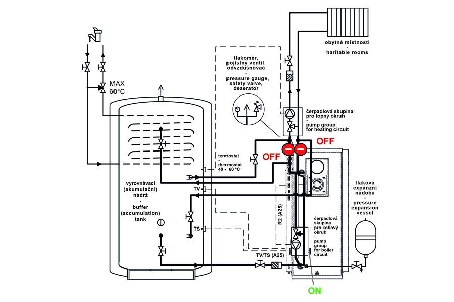
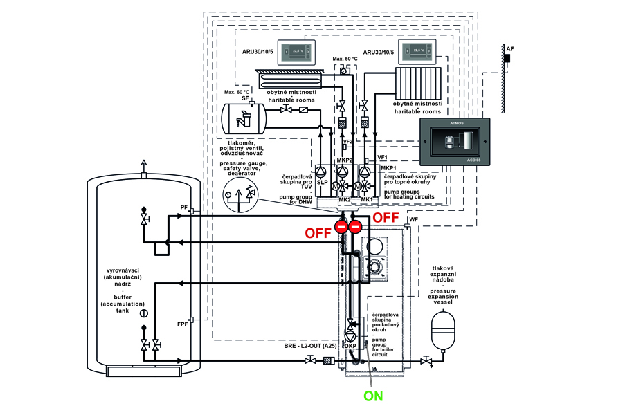
Подключение для котлов ATMOS DxxPX (автоматические пеллетные котлы мощностью до 25 кВт)
Профессиональный комплект подключения из нержавеющей стали, состоящий из труб диаметром 22 x 1,5 мм, предназначен для поддержания минимальной температуры обратной воды, поступающей в котёл, и быстрого подключения котла с помощью двух резьбовых соединений 1” / 6/4“ с плоской прокладкой. В состав комплекта подключения входят все необходимые компоненты, предусмотренные производителем (предохранительный клапан на 2,5 бар, воздуховыпускной клапан, манометр, два насоса, два запорных клапана, трёхходовой клапан). Комплект подключения готов для подключения котла непосредственно к системе отопления или для подключения котла к аккумулирующим бакам. Комплект подключения позволяет расширить систему отопления до двух или трёх отопительных контуров путём приобретения специального коллектора и необходимой насосной группы (с установочной длиной 90 мм — 1“ ↑↓ 1“).







