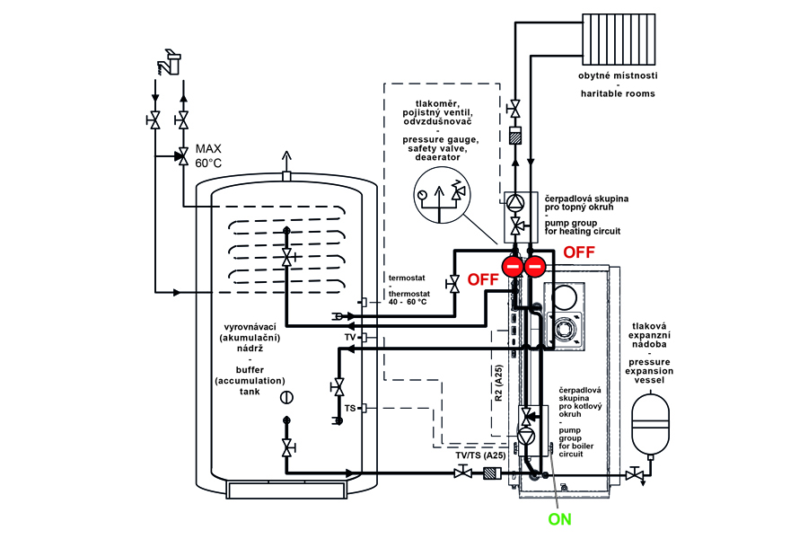
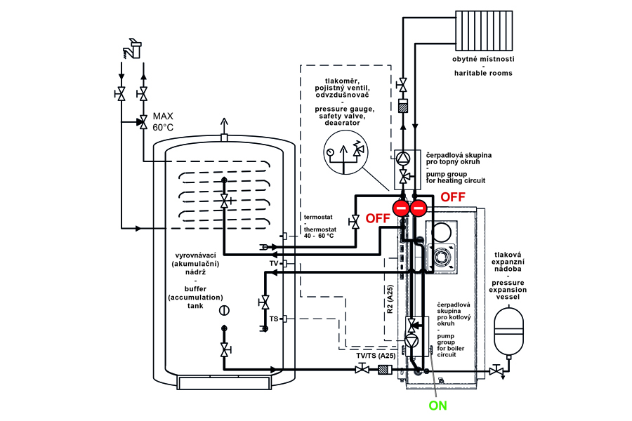
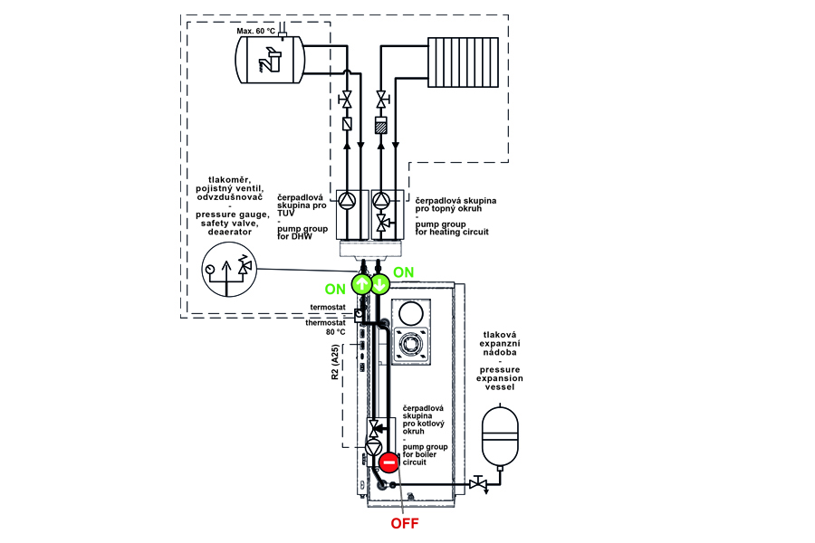
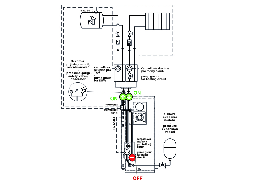
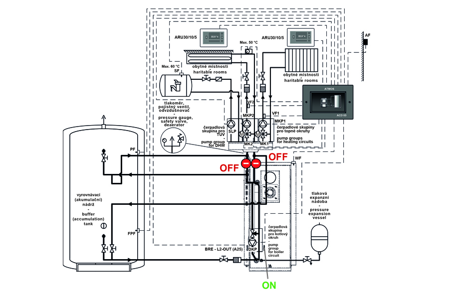
Raccordement des chaudières ATMOS F17 – F18 ESBE-PX
(chaudières à granulés automatiques jusqu’à 25 kW)
Raccordement professionnel en inox monté sur un tuyau de diamètre 22 x 1,5 mm conçu pour maintenir la température minimale de l’eau de retour à la chaudière et raccorder rapidement la chaudière à l’aide de deux raccords 1″ / 6/4″ à joint plat. La connexion contient tous les composants nécessaires requis par le fabricant (soupape de sécurité 2,5 bar, soupape de purge, manomètre, deux pompes, deux vannes d’arrêt, vanne à trois voies). Le raccordement est prêt pour raccorder la chaudière directement au système de chauffage ou pour raccorder la chaudière avec des réservoirs de stockage. Le raccordement permet d’étendre un système de chauffage plus étendu à deux ou trois circuits de chauffage en achetant un distributeur spécial et le groupe hydraulique nécessaire (avec un pas de 90 mm – 1″ ↑↓ 1″).







