Collegamento per caldaie ATMOS DxxPX
Collegamento per caldaie a pellet automatiche fino a 25 kW
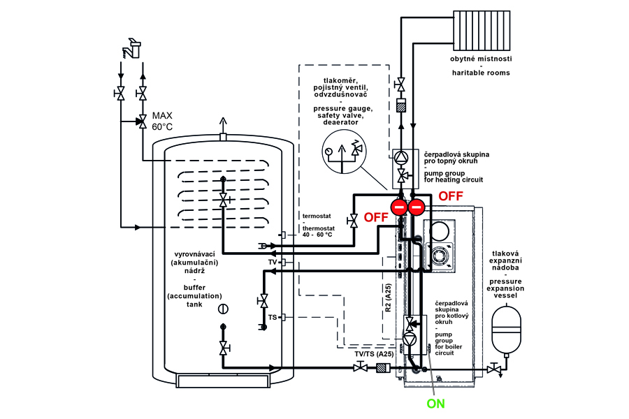
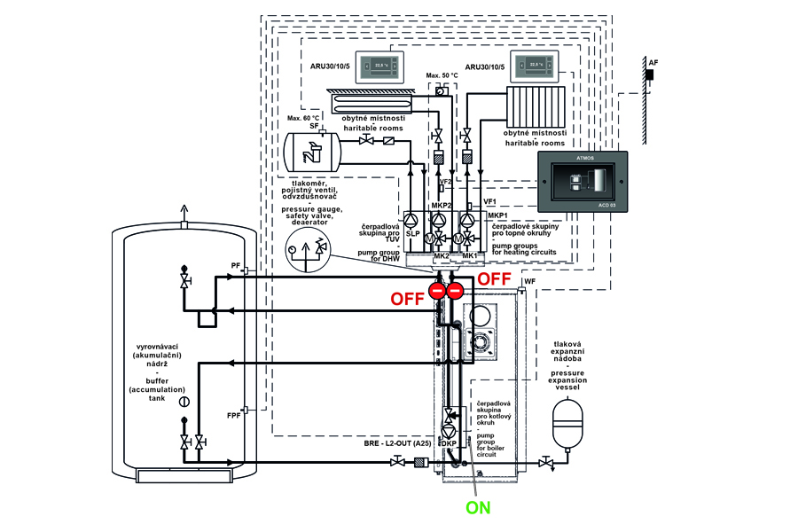
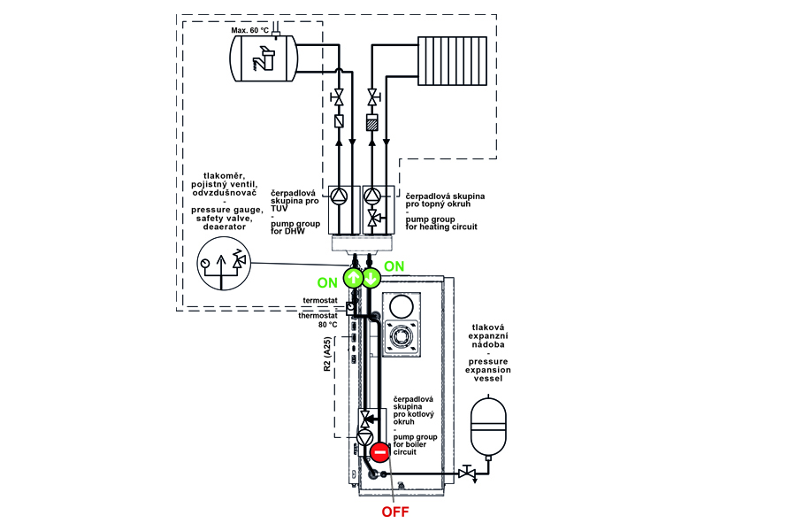
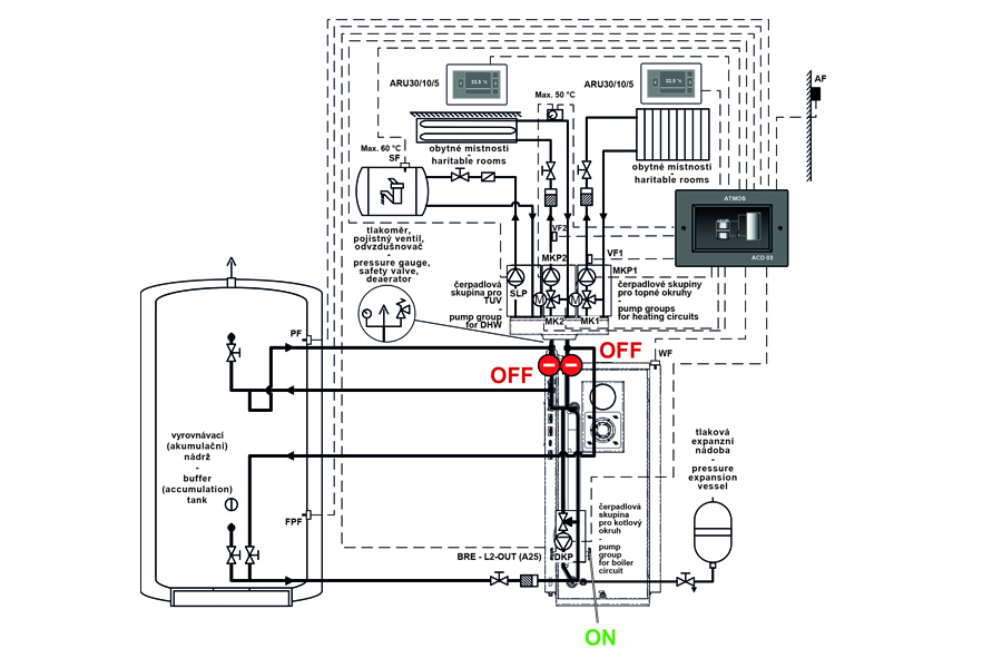
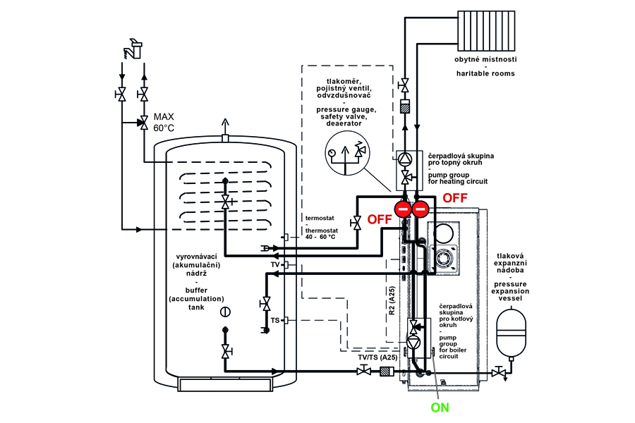
Collegamento professionale in acciaio inossidabile basato su tubo di diametro 22 × 1,5 mm, progettato per mantenere una temperatura minima dell’acqua di ritorno alla caldaia e collegare velocemente la caldaia tramite due raccordi da 1” / 6/4” con guarnizione piatta.
Il collegamento comprende tutti i componenti necessari richiesti dal produttore (valvola di sicurezza 2,5 bar, valvola di sfiato, manometro, due pompe, due valvole di intercettazione, valvola a tre vie). La connessione è pronta per collegare la caldaia direttamente all’impianto di riscaldamento o per collegare la caldaia a serbatoi di accumulo. Nel caso di un impianto di riscaldamento più grande, il collegamento può essere esteso a due o tre impianti di riscaldamento circuiti acquistando un apposito distributore e il gruppo pompa necessario (con interasse 90 mm – 1“ ↑↓ 1“).




