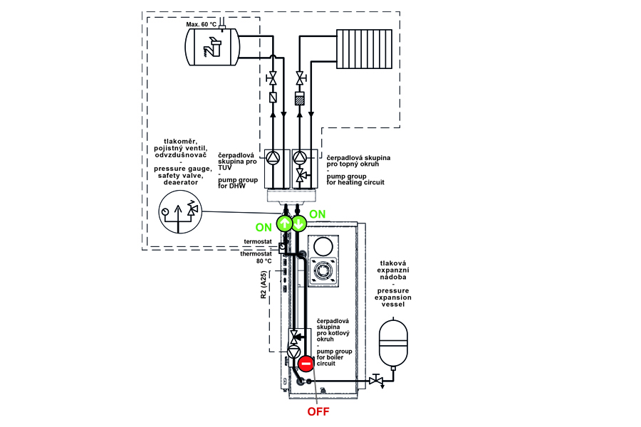
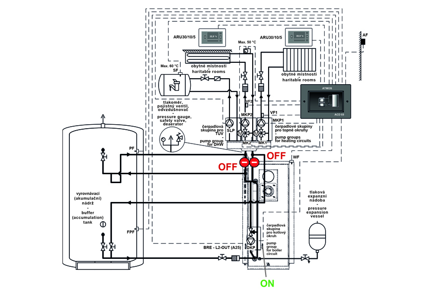
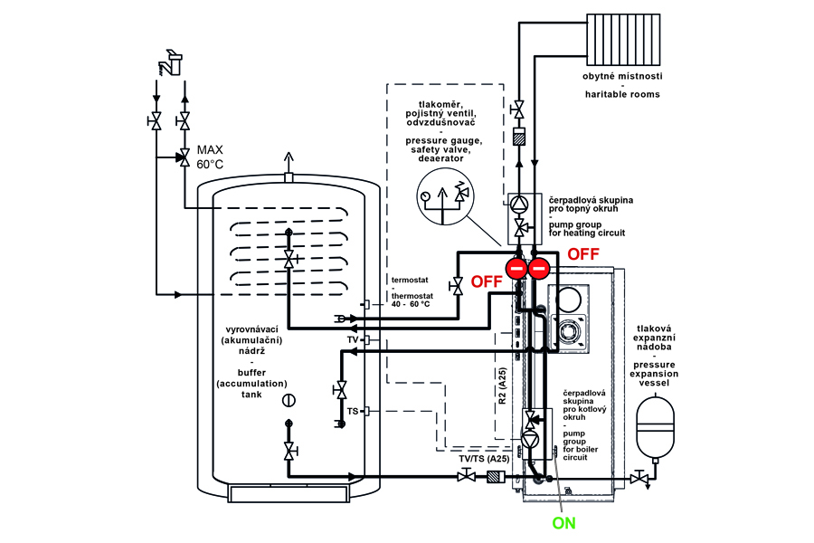
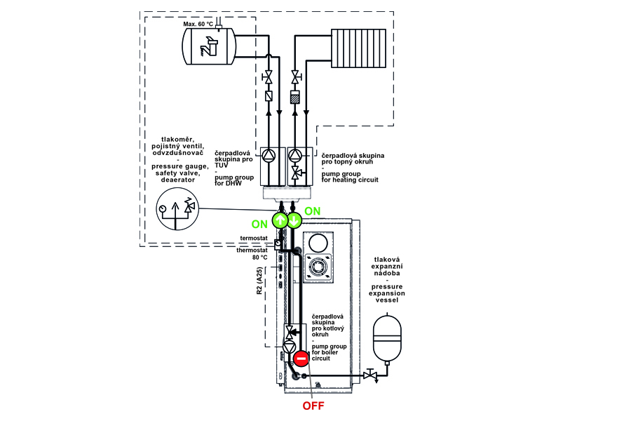
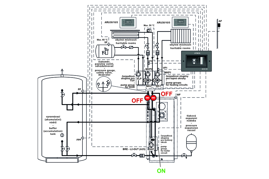
Podłączenie kotłów ATMOS F15 – F16 ESBE-PX ATMOS DxxPX (automatyczne kotły na pelety do 25 kW)
Profesjonalne połączenie ze stali nierdzewnej oparte na rurze o średnicy 22 × 1,5 mm, przeznaczone do konserwacji minimalna temperatura wody powrotnej do kotła i szybkie podłączenie kotła za pomocą dwóch złączek 1”/6/4” z płaską uszczelką. Przyłącze zawiera wszystkie niezbędne elementy wymagane przez producenta (zawór bezpieczeństwa 2,5 bar, odpowietrznik) zawór, manometr, dwie pompy, dwa zawory odcinające, zawór trójdrogowy). Podłączenie jest gotowe do podłączenia kotła bezpośrednio do instalacji grzewczej lub podłączenia kotła do zbiorniki akumulacyjne. W przypadku większej instalacji grzewczej podłączenie można rozszerzyć do dwóch lub trzech instalacji grzewczych obwodów poprzez zakup specjalnego rozdzielacza i niezbędnej grupy pompowej (z rozstawem 90 mm – 1“ ↑↓ 1“).







