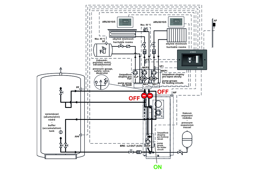
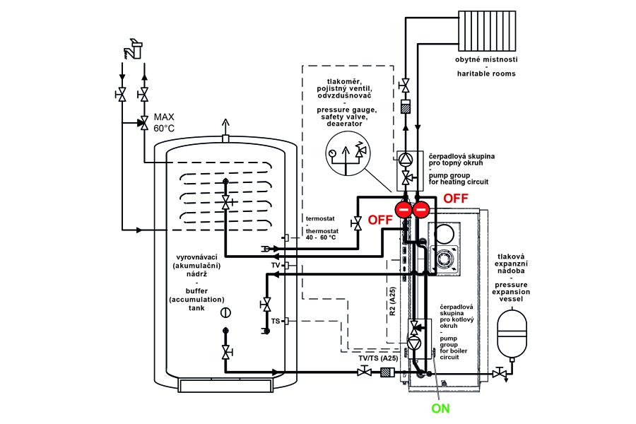
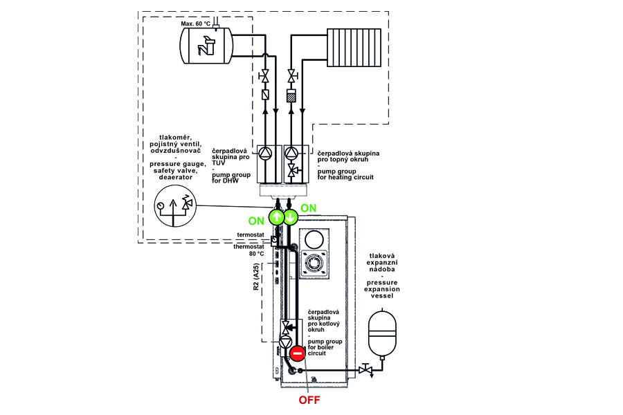
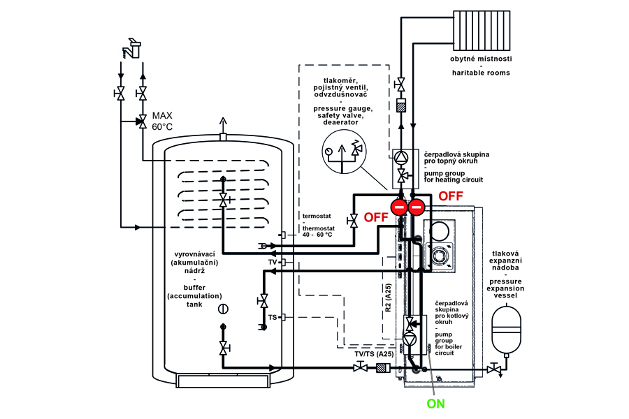
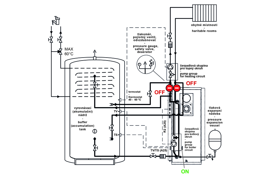
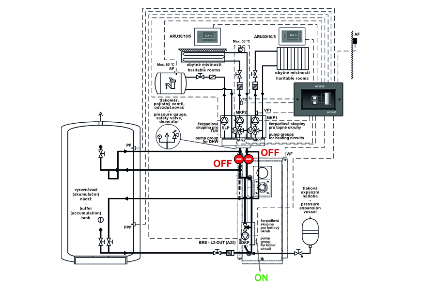
Zapojení pro kotle ATMOS DxxPX (automatické kotle na pelety do 25 kW)
Profesionální nerezové zapojení postavené na potrubí o průměru 22 x 1,5 mm určené pro udržení minimální teploty vratné vody do kotle a rychlé připojení kotle pomocí dvou 1” / 6/4“ šroubení s plochým těsněním. Zapojení obsahuje všechny potřebné komponenty, které vyžaduje výrobce (pojišťovací ventil 2,5 bar, odvzdušňovací ventil, manometr, dvě čerpadla, dva uzavírací ventily, trojcestný ventil). Zapojení je připraveno pro připojení kotle přímo do topného systému nebo pro zapojení kotle s akumulačními nádržemi. Zapojení umožňuje u rozsáhlejšího topného systému jeho rozšíření na dva nebo tři topné okruhy zakoupením speciálního rozdělovače a potřebné čerpadlové skupiny (s roztečí 90 mm – 1“ ↑↓ 1“).







