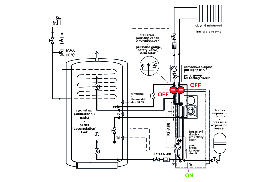
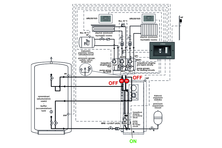
Conexión para las calderas ATMOS DxxPX
(calderas automáticas de pellets hasta 25 kW)
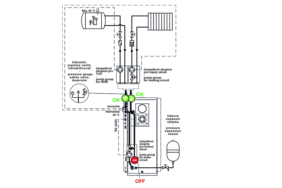
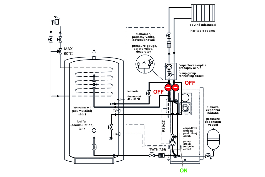
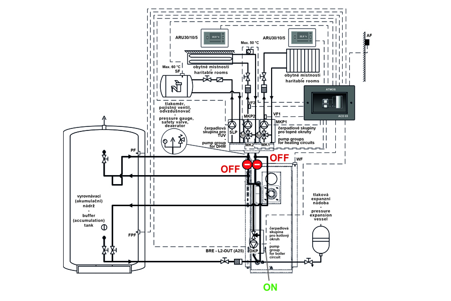
Conexión profesional de acero inoxidable construida sobre tubería de diámetro 22 x 1,5 mm de diámetro, diseñada para mantener una temperatura mínima del agua de retorno a la caldera y una conexión rápida de la caldera mediante dos racores de 1»/ 6/4″ con junta plana. La conexión incluye todos los componentes necesarios requeridos por el fabricante (válvula de seguridad de 2,5 bares, válvula de ventilación, manómetro, dos bombas, dos válvulas de cierre, válvula de tres vías). La conexión está preparada para conectar la caldera directamente al sistema de calefacción o para conectar la caldera con los depósitos de acumulación. La conexión permite ampliar sistema de calefacción más extenso a dos o tres circuitos de calefacción adquiriendo un distribuidor especial y el grupo de bombas necesario (con una separación de 90 mm- 1« ↑↓ 1«).







