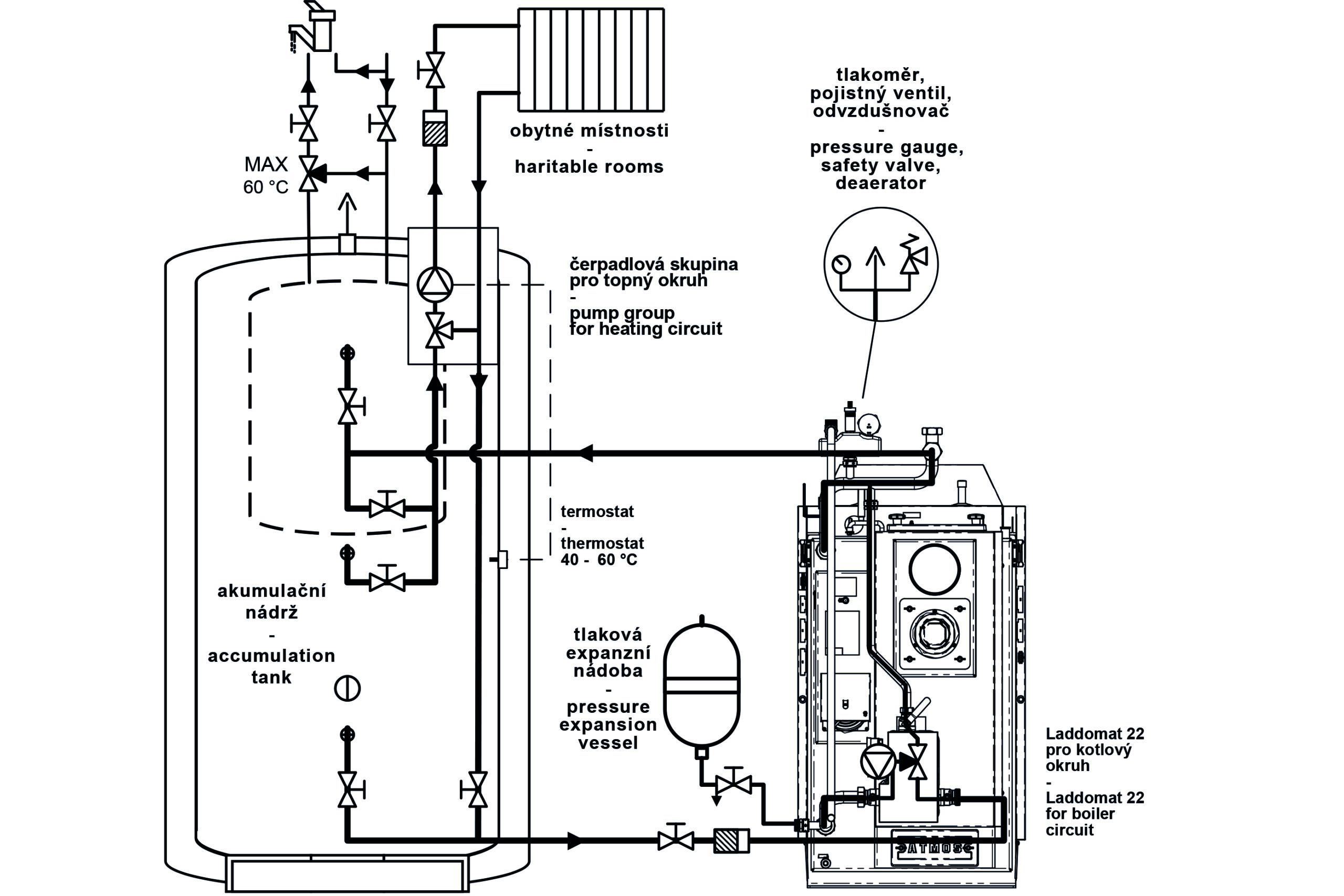
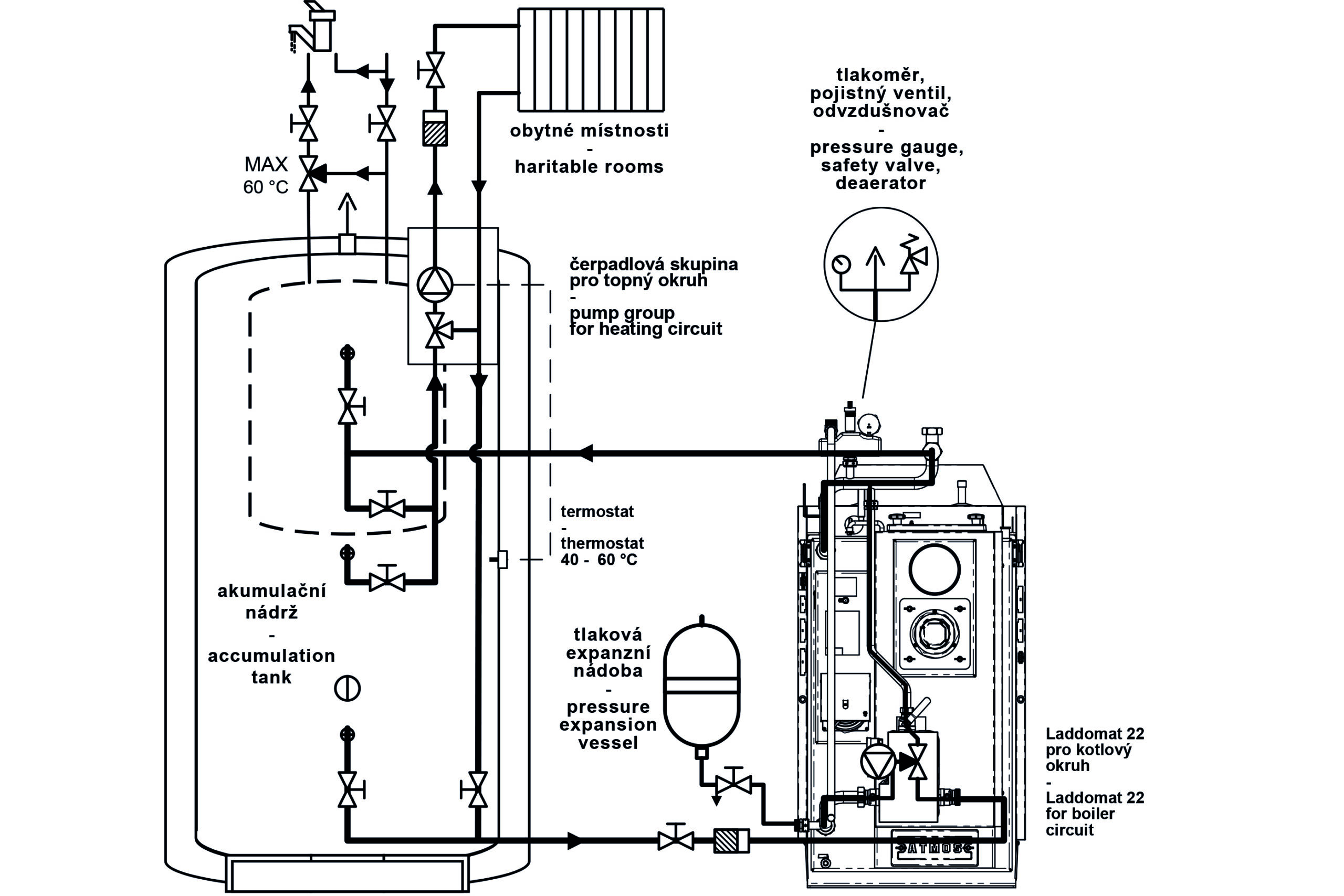
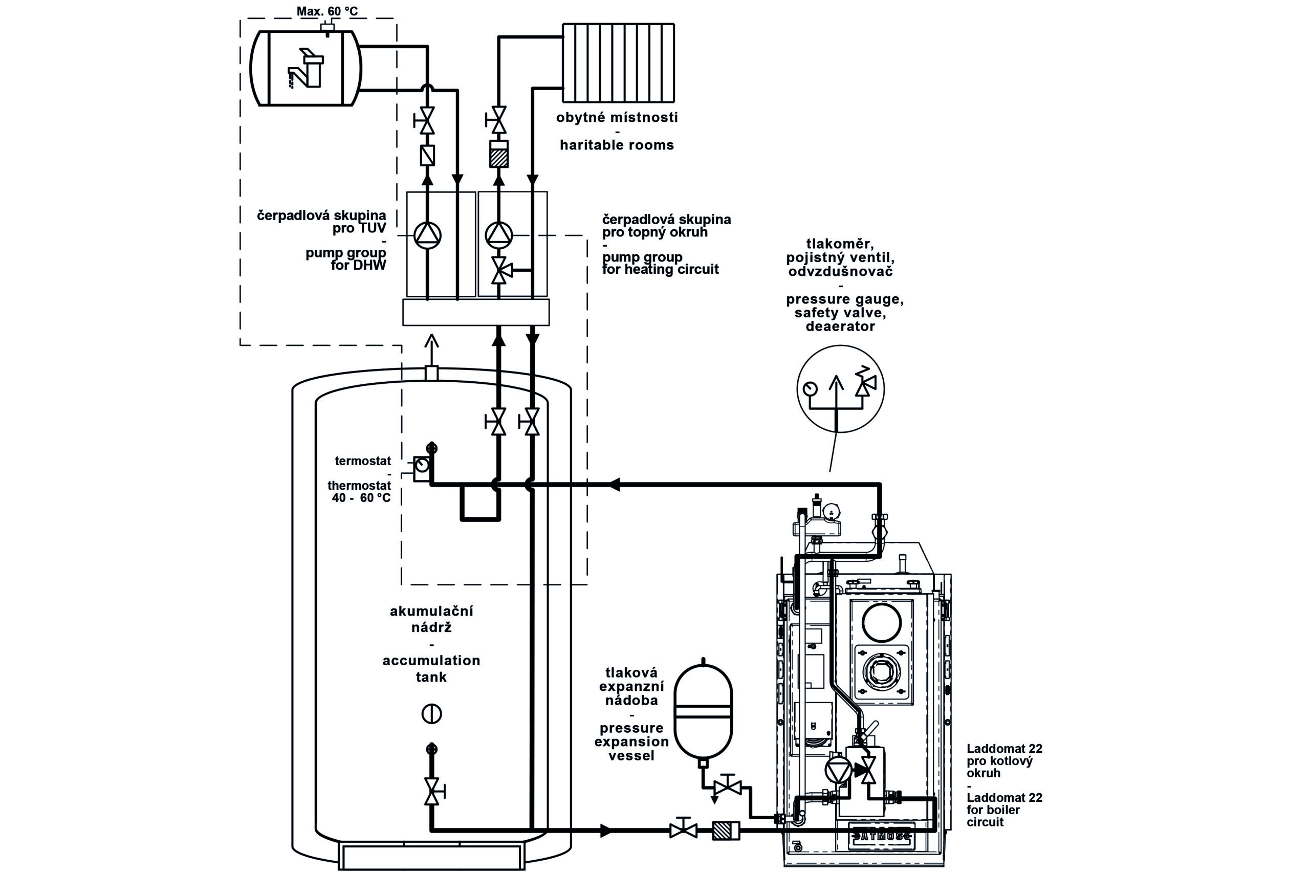
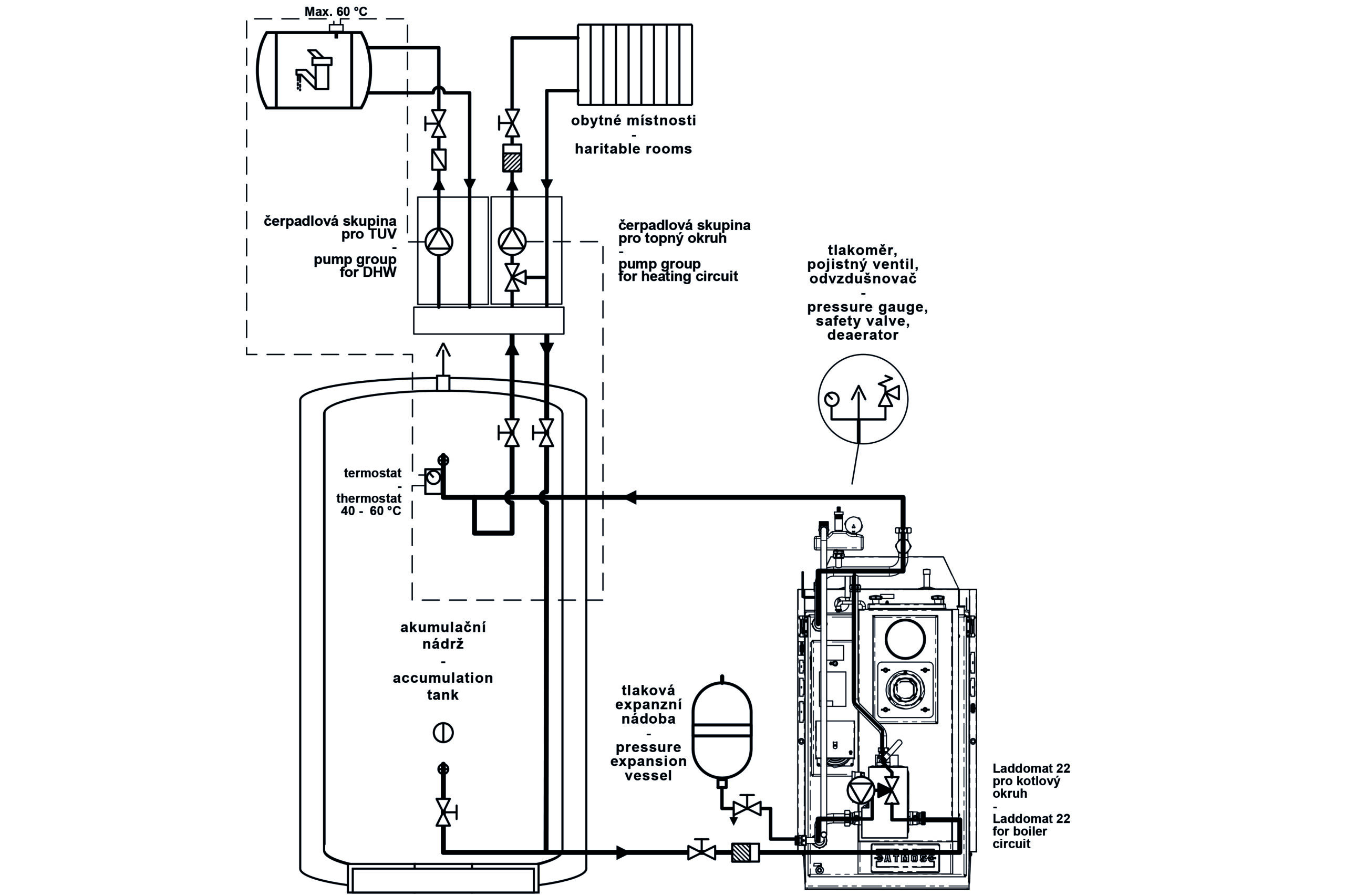
Racord profesional din oțel inoxidabil construit pe țevi cu diametrul de 35 x 1,5 mm conceput pentru a menține temperatura minimă a apei de retur la cazan și racordare rapidă a cazanului cu două fitinguri de 6/4” cu etanșare plată. Conexiunea contine toate componentele necesare cerute de producator (supapa de siguranta 2,5 bar, supapa de aerisire, manometru, Laddomat 22).
Racordul (circuitul cazanului) este pregătit pentru conectarea cazanului direct la sistemul de încălzire sau pentru conectarea cazanului la rezervoarele de stocare. Conexiunea permite utilizarea grupurilor de pompe ATMOS/ESBE, care pot fi extinse la două sau trei circuite de încălzire pentru un sistem de încălzire mai mare prin achiziționarea unui distribuitor special și a grupului de pompe necesar. Conexiunea poate fi conectată și la o supapă standard cu trei căi și o pompă separată în circuitul sistemului de încălzire.









