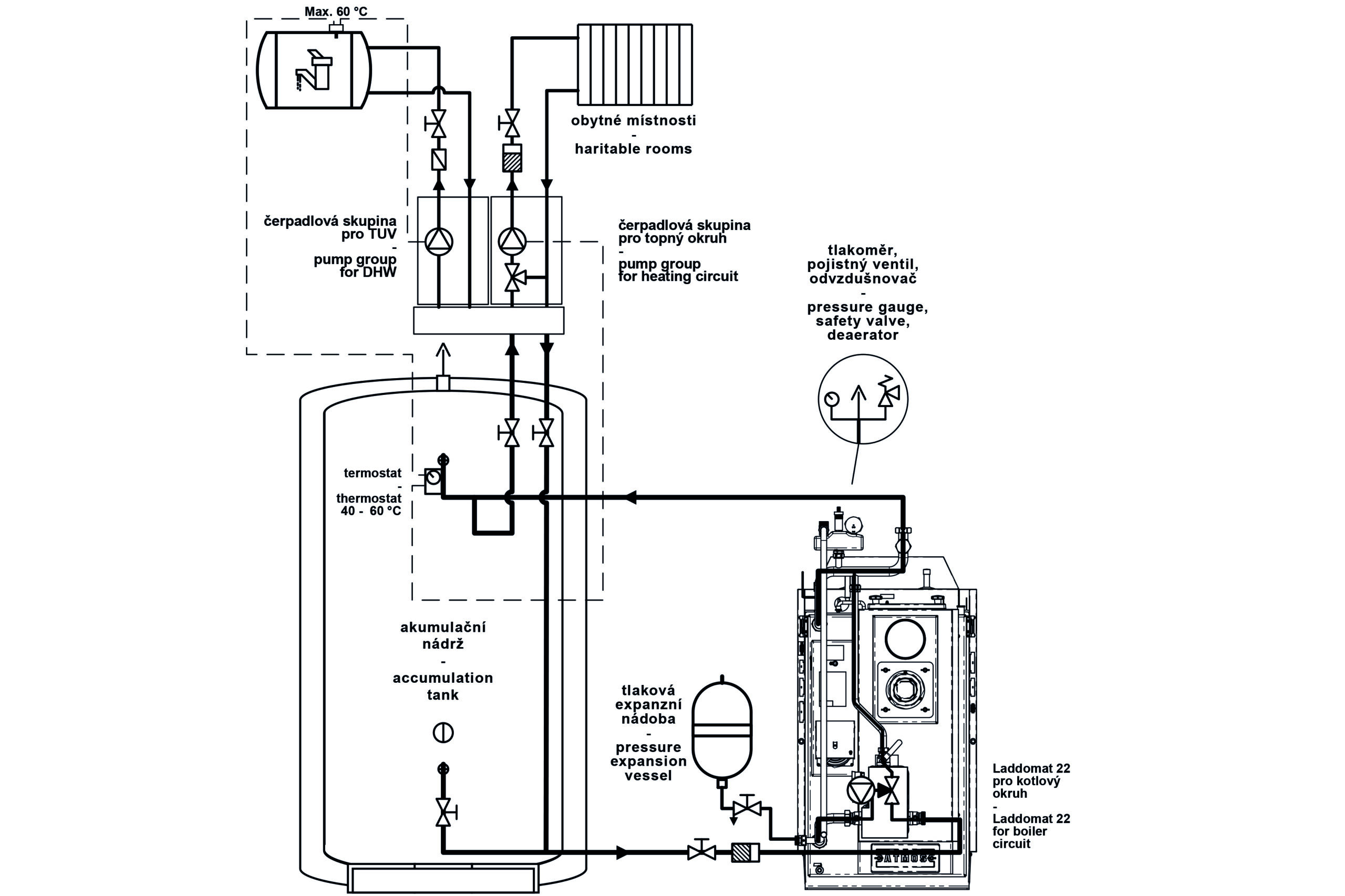
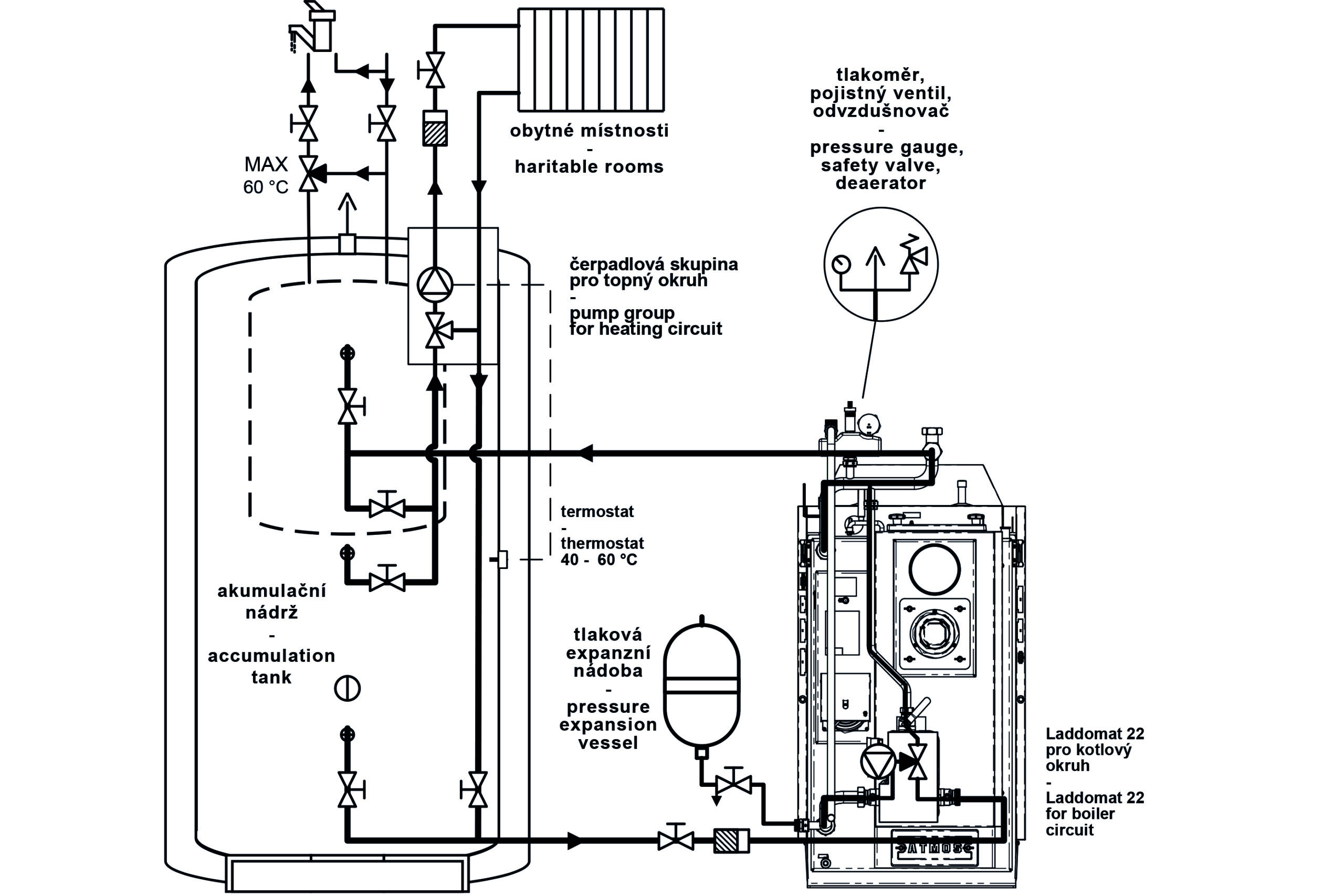
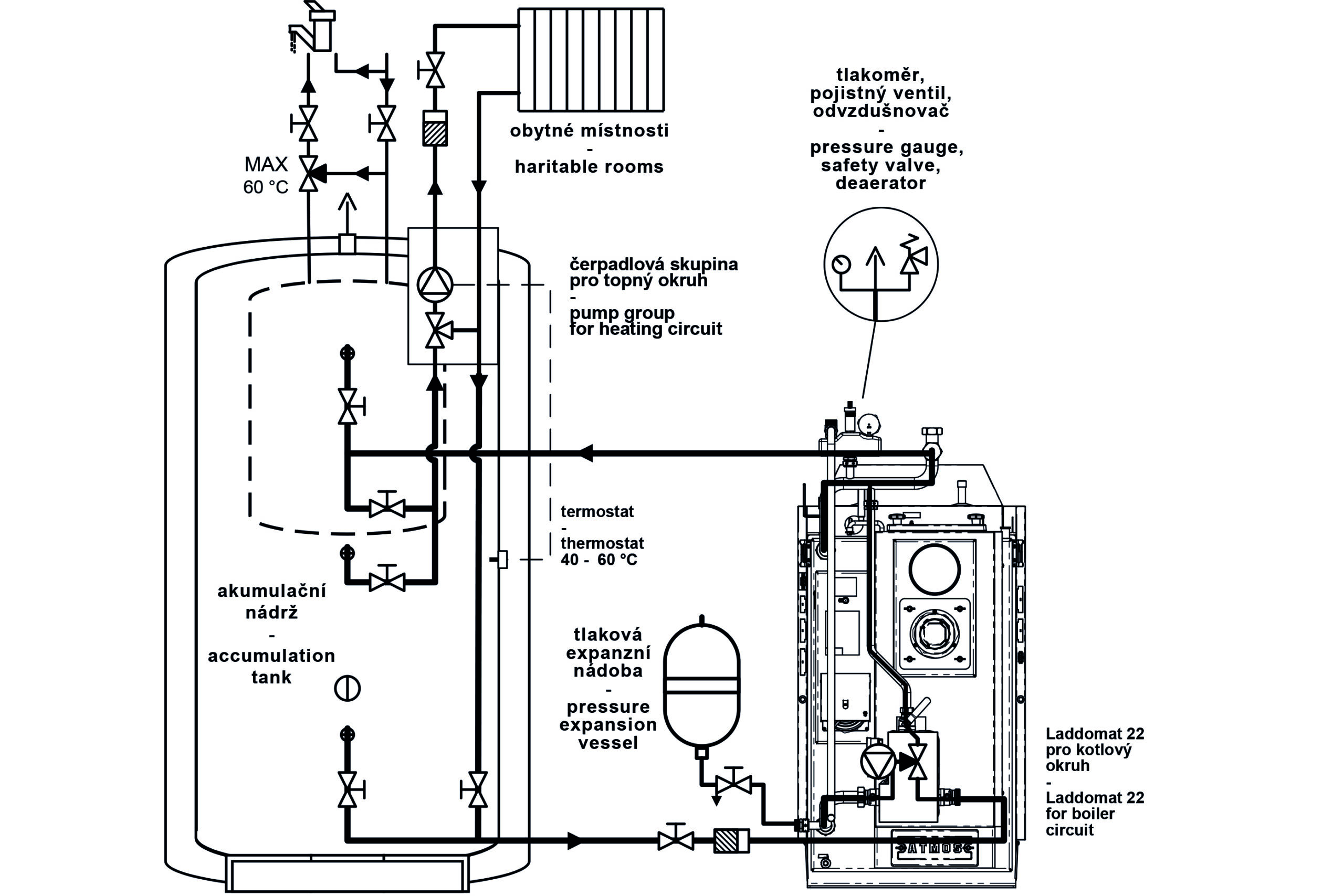
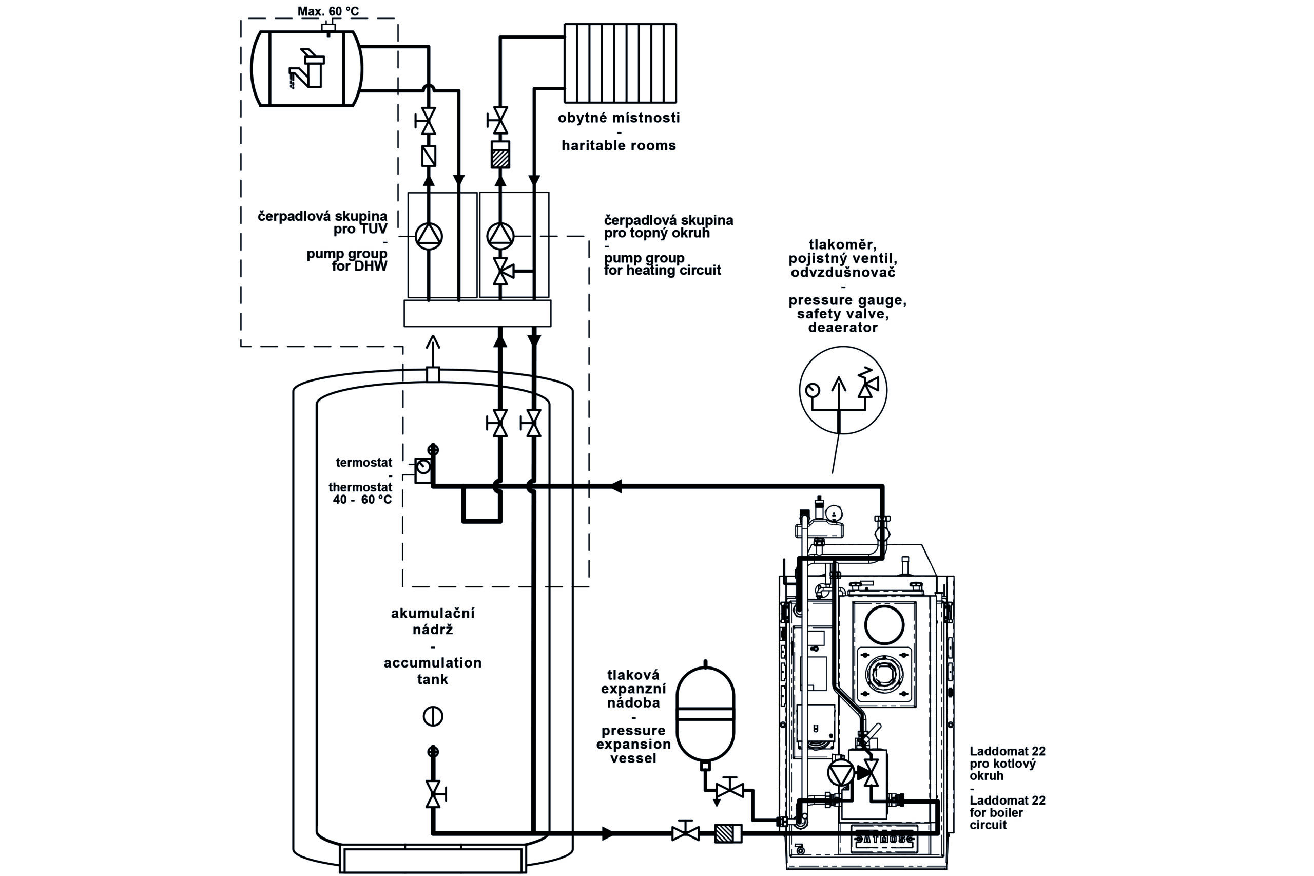
Professioneller rostfreier Anschluss beruhend auf der Rohrleitung 35 x 1,5 mm für die Haltung der Rücklauftemperatur und für das schnelle Anschließen des Kessel mit zwei Verschraubungen 6/4“ mit Flachdichtung. Das Installationsset enthält alle erforderlichen, vom Hersteller verlangten Komponenten – Sicherheitsventil 2,5 bar, Entlüftungsventil, Manometer, Laddomat 22, Set von Rohren für verschiedene Varianten von Kesseln und unverbunden getrennt Pumpengruppe ESBE Typ GRA211 mit handbetätigtem Dreiwegeventil und Pumpe.
Das Installationsset (Kesselkreis) ist für das Anschließen des Kessels direkt an den Heizsystems oder für das Anschließen des Kessels mit Pufferspeichern bereit. Der Anschluss ermöglicht den Einsatz von ATMOS/ESBE Pumpengruppen, die durch den Kauf eines speziellen Verteilers und der erforderlichen Pumpengruppe auf zwei oder drei Heizkreise für eine größere Heizungsanlage erweitert werden können. Der Anschluss kann auch an ein standartes separates Dreiwegeventil und eine Pumpe im Heizungskreislauf angeschlossen werden.









