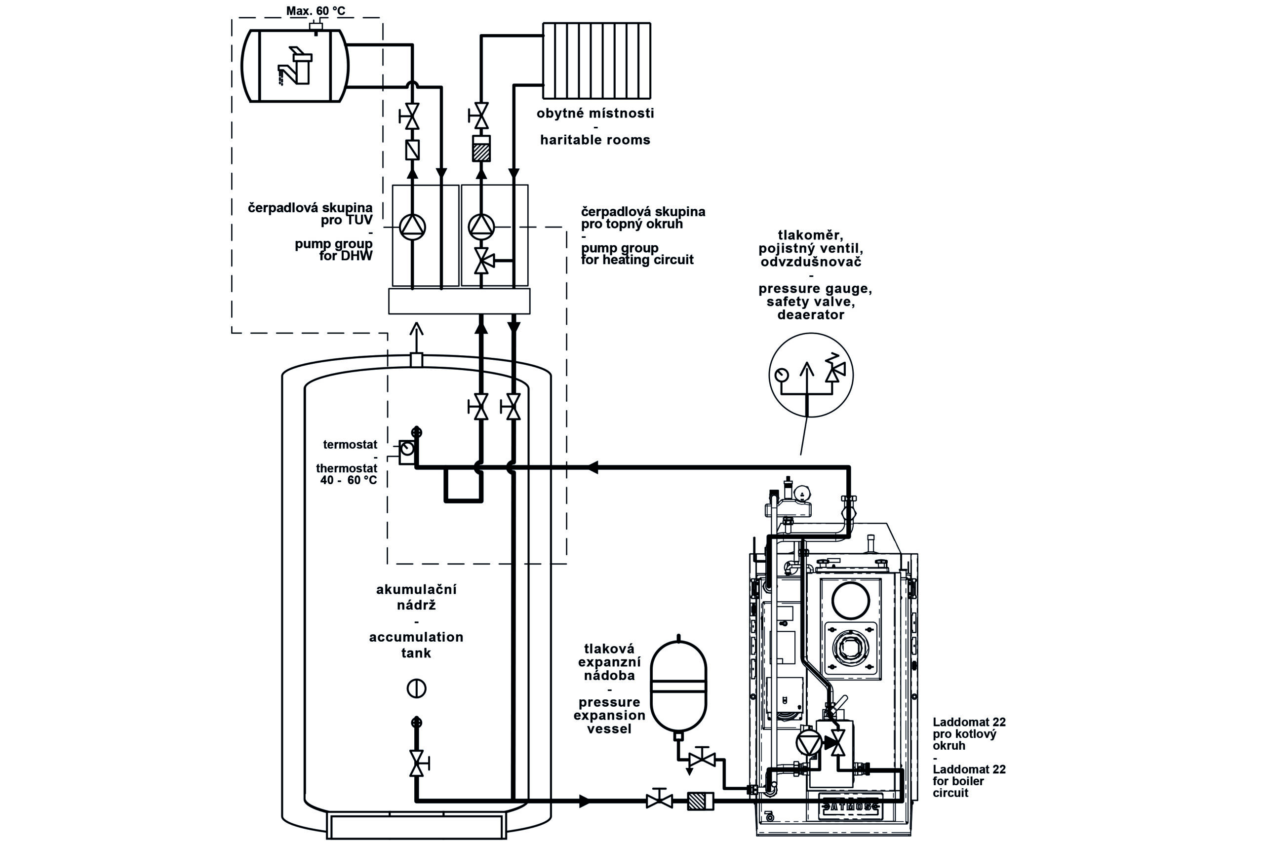
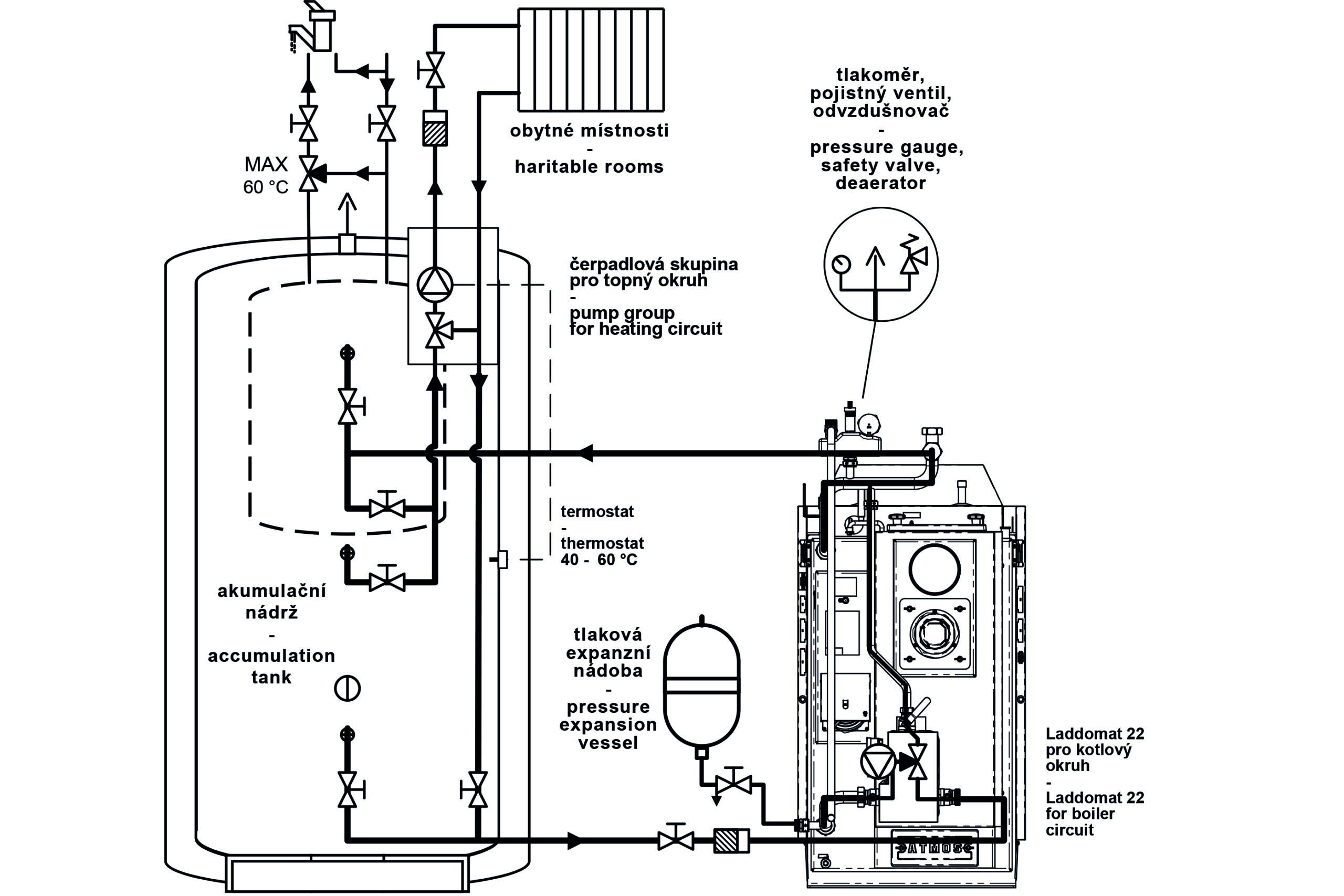
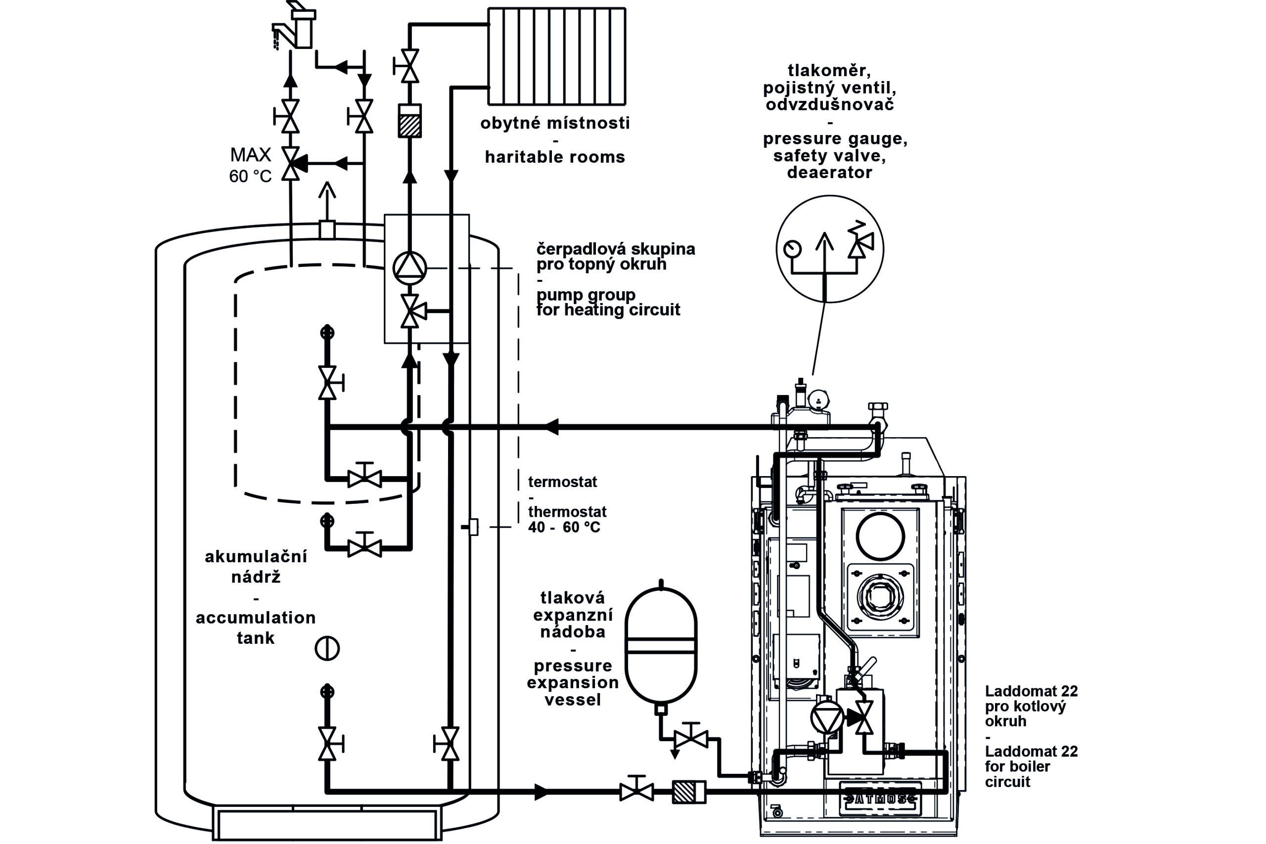
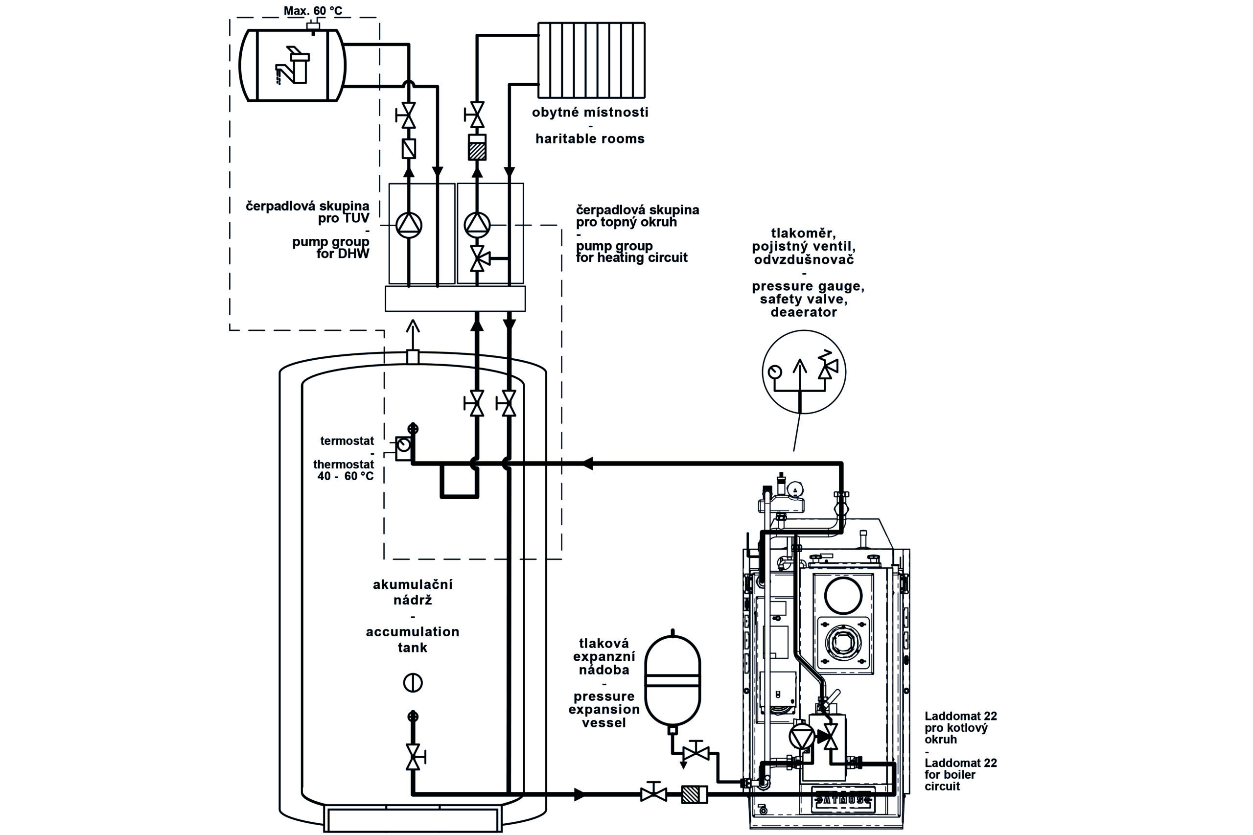
Professional stainless steel connection based on 35 × 1.5 mm diameter pipe, designed to maintain a minimum temperature of return water to the boiler and quickly connect the boiler using two 6/4“ flat seal fittings. The connection includes all the necessary components required by the manufacturer (safety valve 2.5 bar, vent valve, manometer, Laddomat 22, set of pipes for different variants of boilers and unconnected separate pump group ESBE type GRA211 with manually operated three-way valve and pump.
The connection (boiler circuit) is ready to connect the boiler directly to the heating system or to connect the boiler to accumulation tanks. The connection can be used with ATMOS/ESBE circulation units, which can be expanded to two or three heating circuits for a larger heating system by purchasing a special manifold and the necessary circulation unit. The connection can also be connected to a standard separate three-way valve and pump in the heating system circuit.









