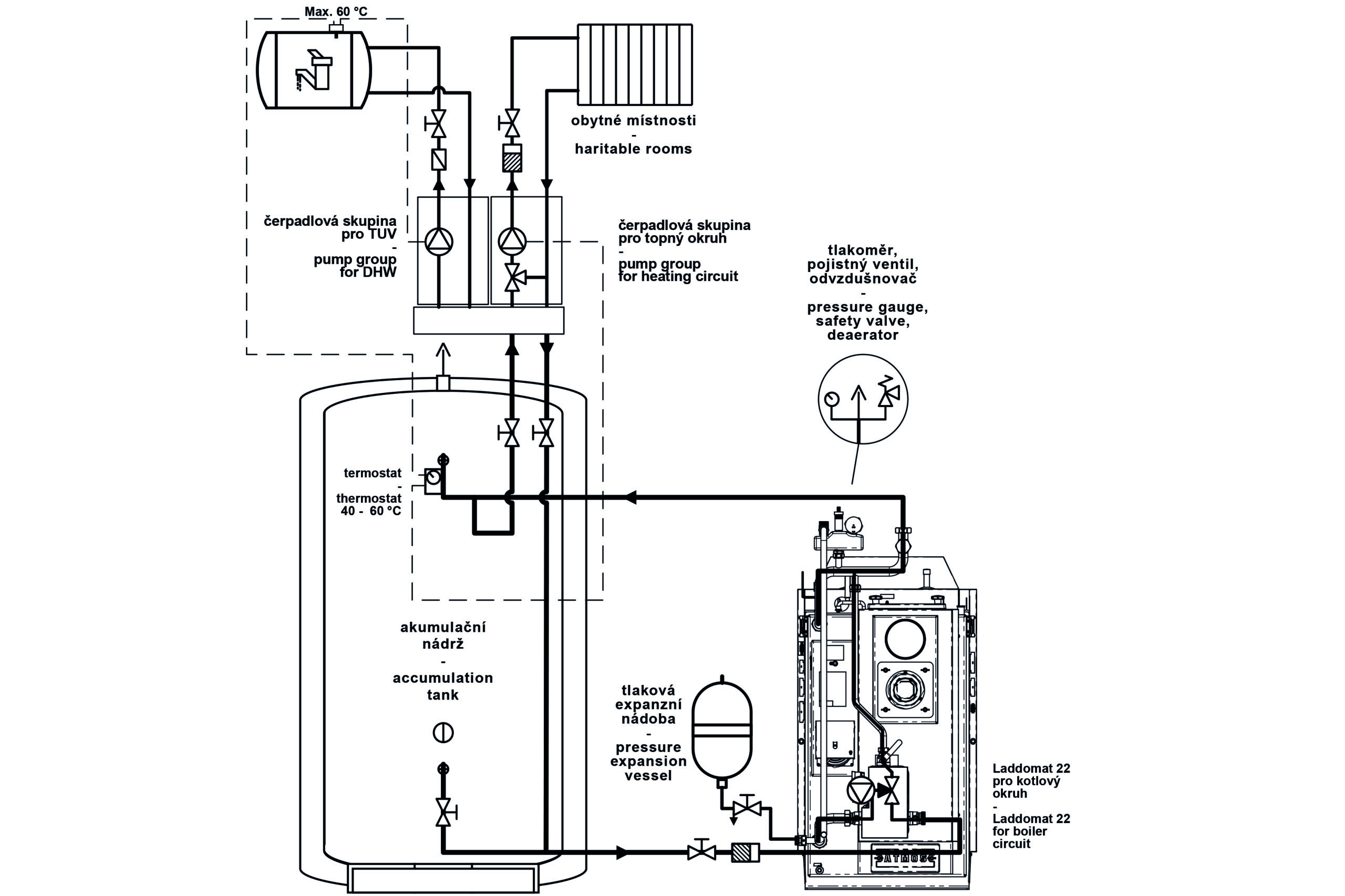
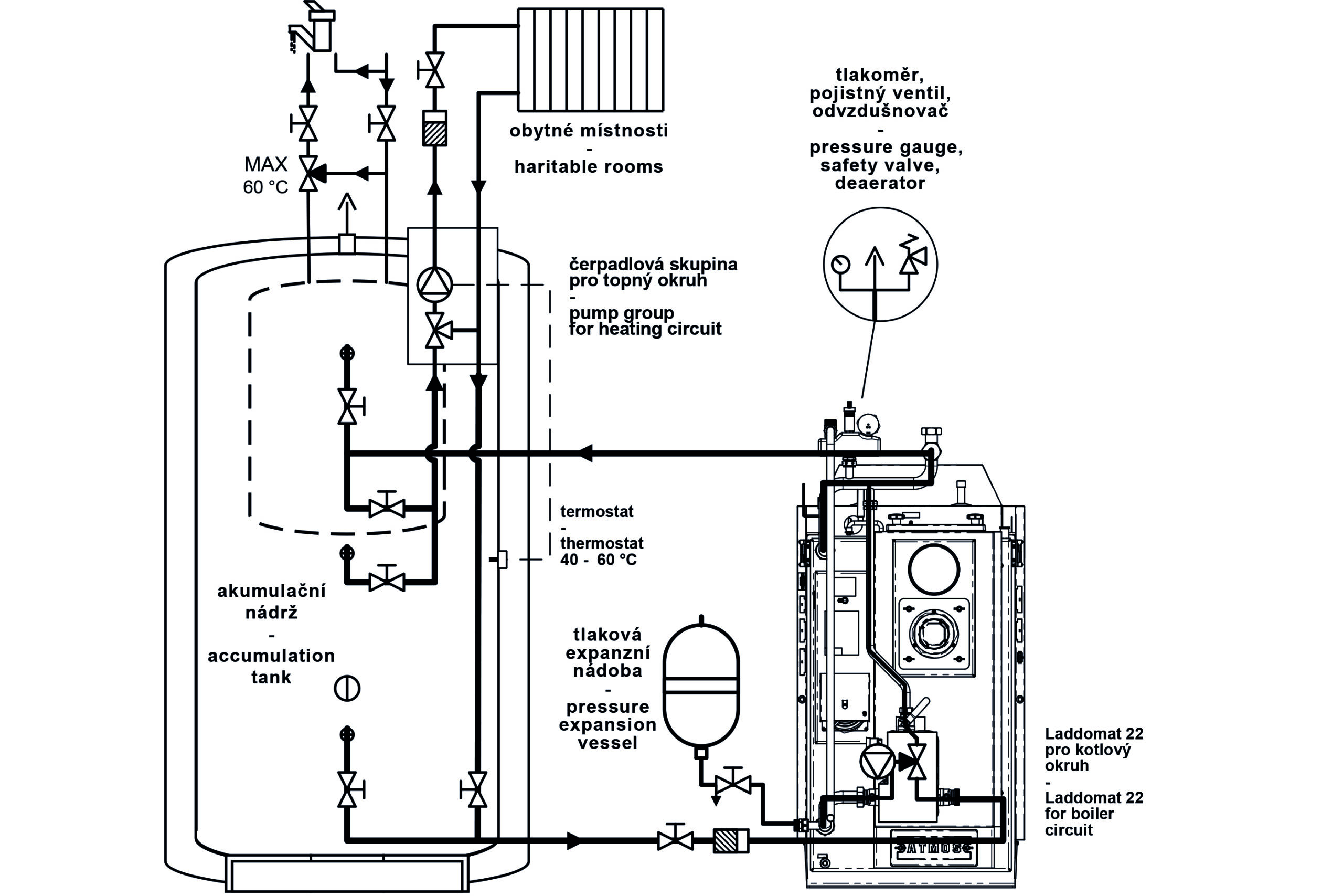
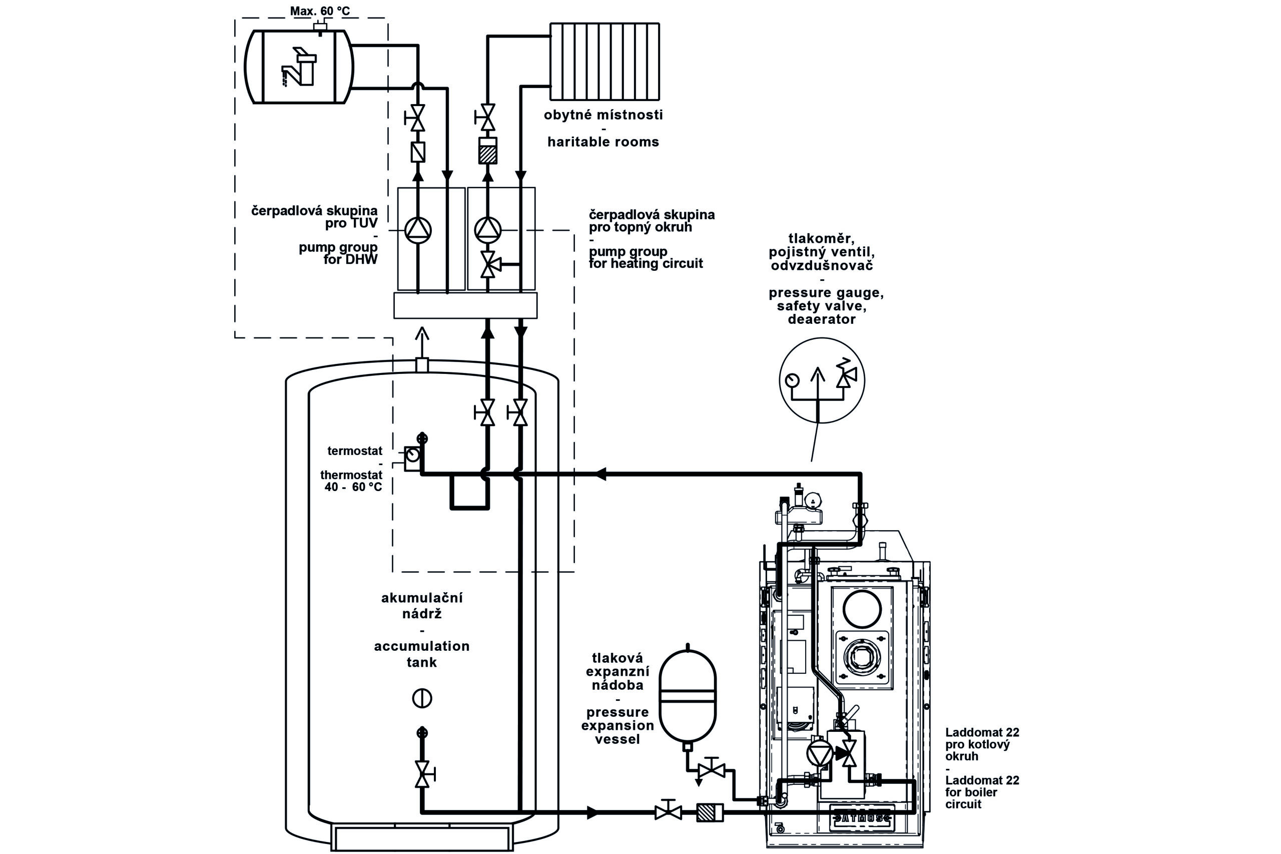
Conexión profesional de acero inoxidable construida sobre tubería de 35 x 1,5 mm de diámetro, diseñada para mantener una temperatura mínima del agua de retorno a la caldera y una conexión rápida de la caldera mediante dos racores de 6/4″ con junta plana. La conexión incluye todos los componentes necesarios exigidos por el fabricante: válvula de seguridad de 2,5 bares, válvula de ventilación, manómetro y Laddomat 22.
La conexión (circuito de caldera) está preparada para conectar la caldera directamente al sistema de calefacción o para conectar la caldera con los depósitos de acumulación. La conexión permite el uso de grupos de bombas ATMOS/ESBE, que pueden ampliarse a dos o tres circuitos de calefacción para un sistema de calefacción más grande adquiriendo un distribuidor especial y el grupo de bombas necesario. La conexión también puede conectarse a una válvula de tres vías estándar independiente y a una bomba en el circuito del sistema de calefacción.









