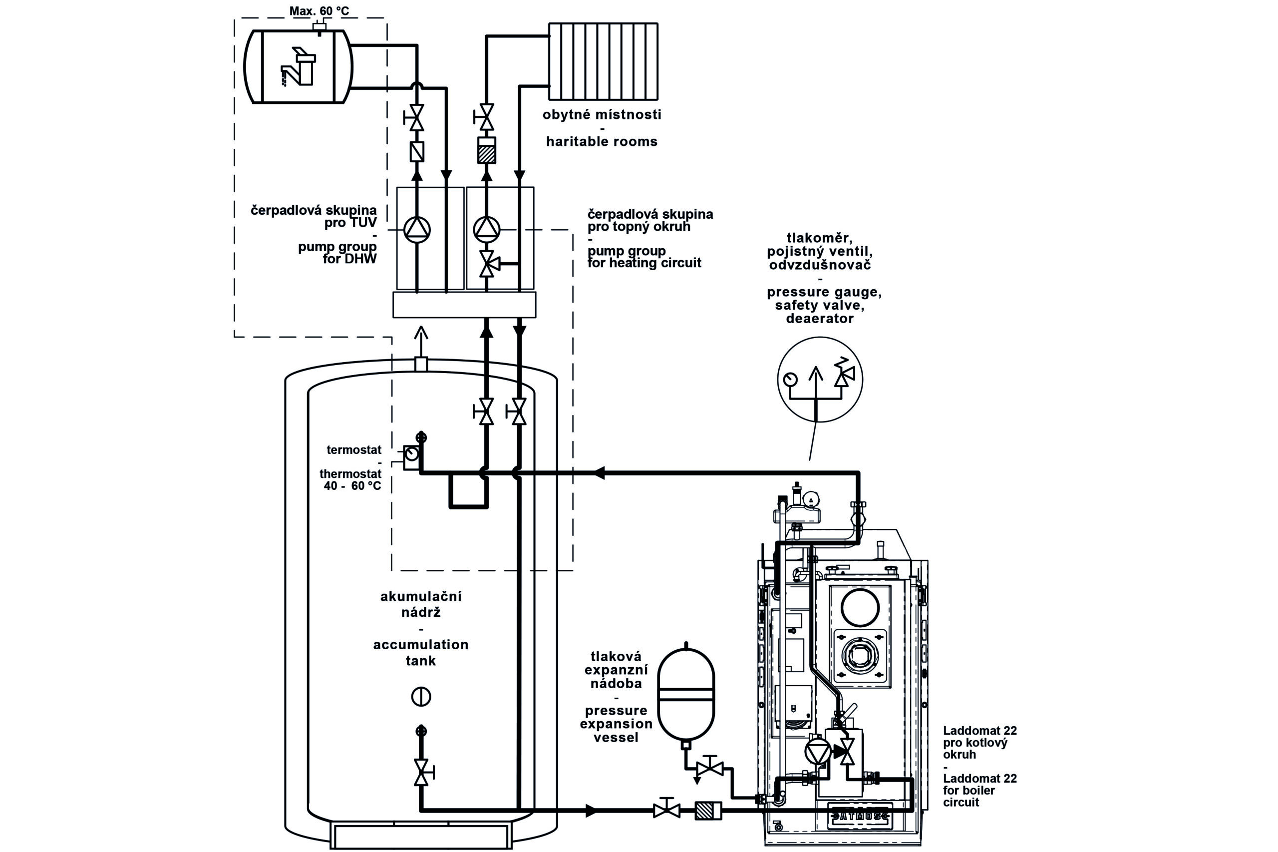
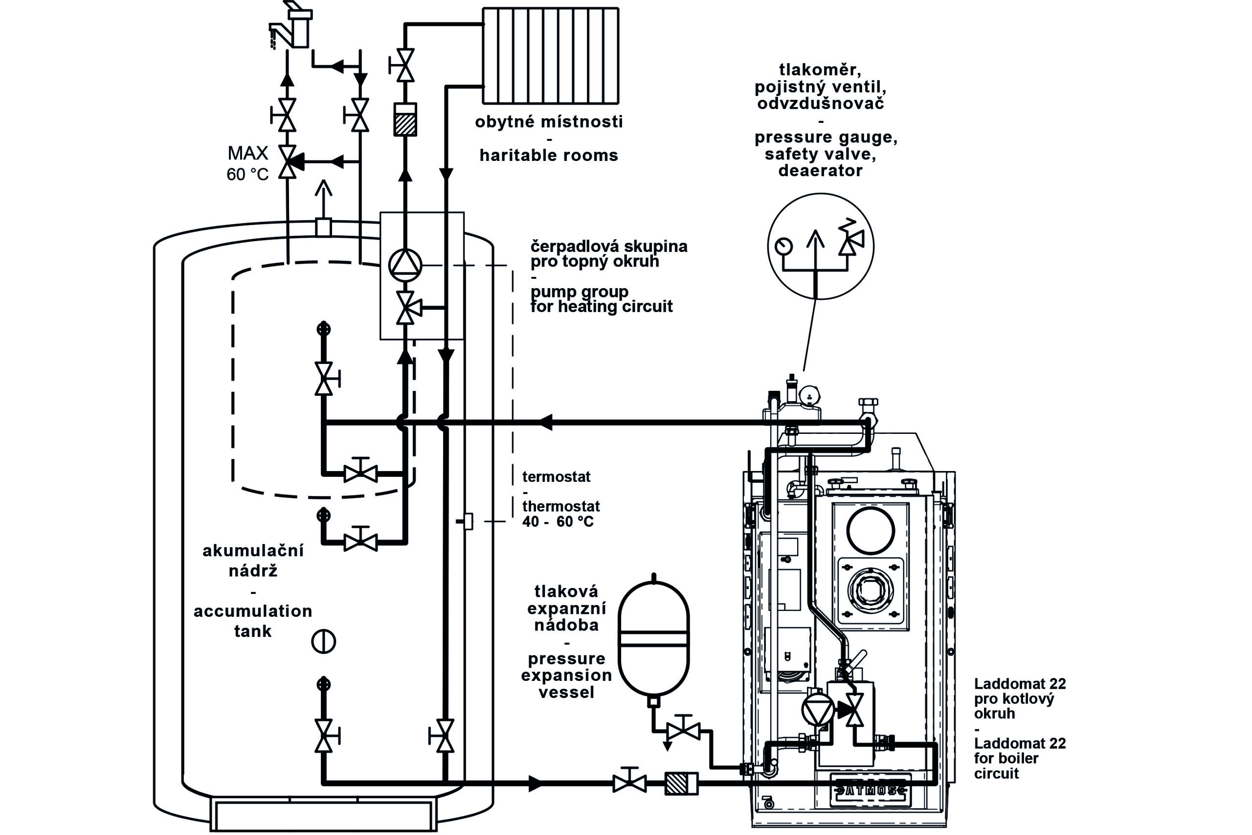
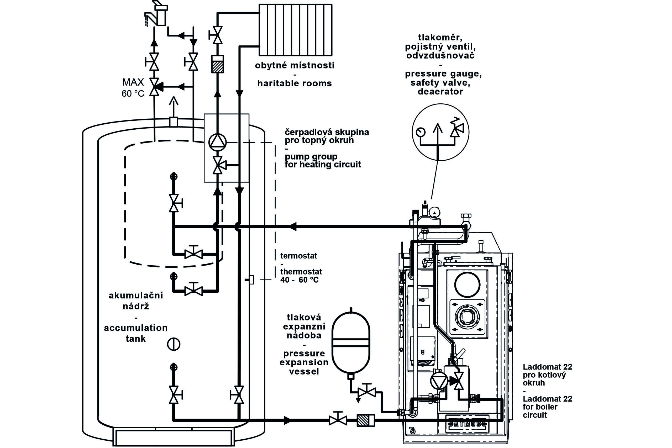
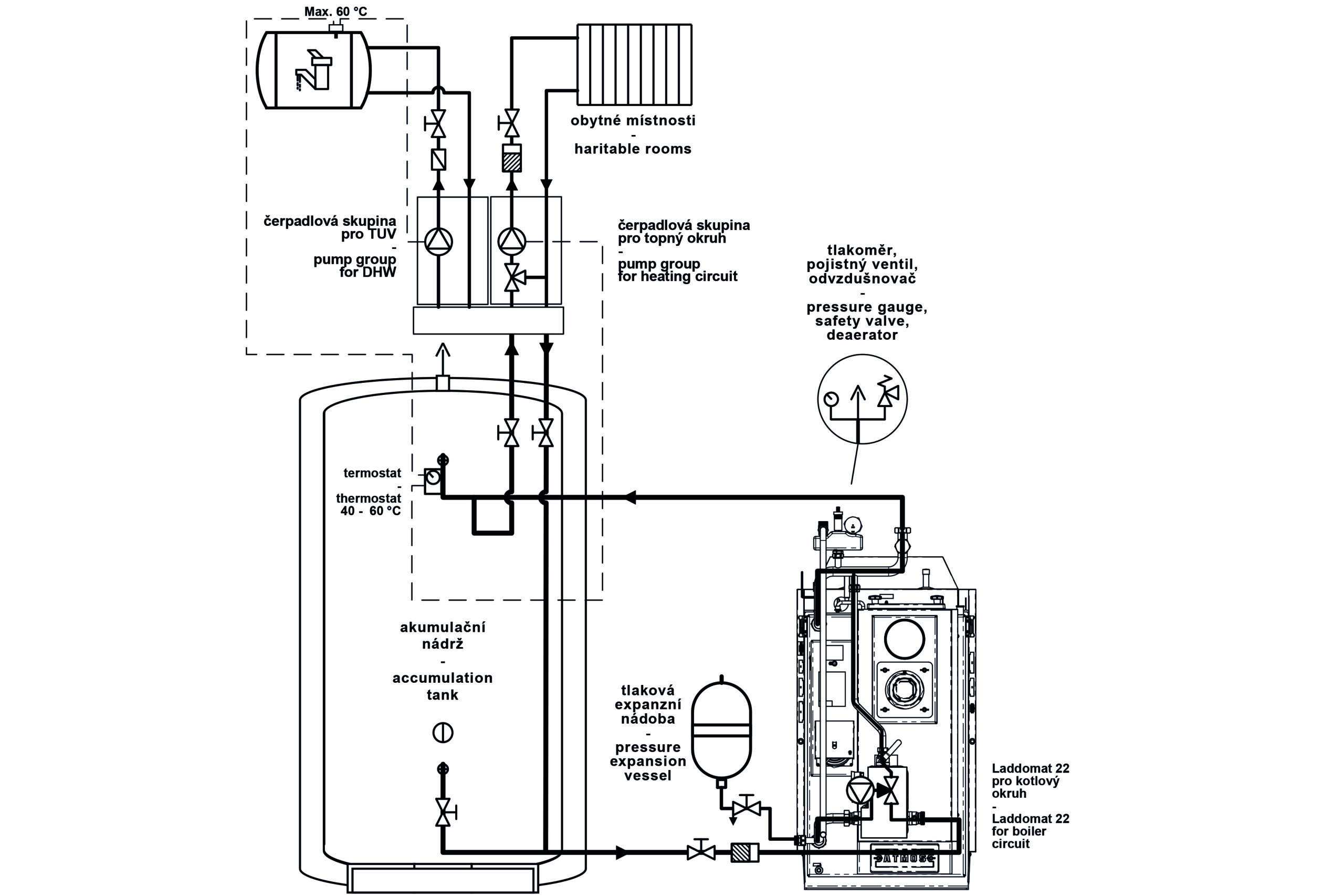
Collegamento caldaie ATMOS F23 – F24 (circuito caldaia)
Collegamento professionale in acciaio inox adatto al tubo di diametro 35 x 1,5 mm, previsto per mantenere la temperatura minima dell’acqua di ritorno alla caldaia e per collegare rapidamente la caldaia mediante due raccordi a vite da 6/4″ con guarnizione piatta. Il collegamento comprende tutti i componenti necessari richiesti dal fabbricante (valvola di sicurezza 2,5 bar, valvola di sfiato, manometro, Laddomat 22).
Il collegamento (circuito della caldaia) è predisposto per poter collegare la caldaia direttamente al sistema di riscaldamento o per collegare la caldaia con serbatoi di accumulo. Il collegamento consente l’utilizzo di gruppi di pompaggio ATMOS/ESBE, che possono essere espansi a due o tre circuiti di riscaldamento per un impianto di riscaldamento più grande acquistando un distributore speciale e il gruppo di pompaggio necessario. L’attacco può essere collegato anche ad una valvola a tre vie separata standard e ad una pompa nel circuito dell’impianto di riscaldamento.






